收藏 分销(赏)

QTZ8塔吊基础施工方案.doc

上传人:丰**** 文档编号:10003791 上传时间:2025-04-16 格式:DOC 页数:38 大小:1.01MB 下载积分:12 金币
下载 相关 举报
QTZ8塔吊基础施工方案.doc_第1页
第1页 / 共38页
QTZ8塔吊基础施工方案.doc_第2页
第2页 / 共38页


点击查看更多>>
资源描述
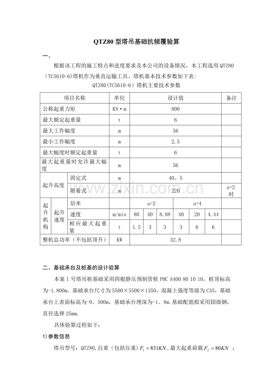
QTZ8塔吊基础施工方案3完整 (完整版资料,可直接使用可编辑,推荐下载) QTZ80型塔吊基础抗倾覆验算 一、 根据该工程的施工特点和进度要求及本公司的设备情况,本工程选用QTZ80(TC5610-6)塔机作为垂直运输工具。塔机基本技术参数如下表: QTZ80(TC5610-6)塔机主要技术参数 项目名称 单位 设计值 备注 公称起重力矩 KN·m 800 最大额定起重量 t 6 最大工作幅度 m 56 最小工作幅度 m 2.5 最大幅度时额定起重量 t 6 最大起重量时允许最大幅度 m 56 起升高度 固定式 m 40。5 附着式 m 220 a=2时 起升机构 起升速度 倍率 a=2 a=4 速度 m/min 80 40 8.88 40 20 4.44 相应最大起重量 t 1.5 3 3 3 6 6 整机总功率(不包括顶升) KW 32.8 二、基础承台及桩基的设计验算 本案1号塔吊桩基础采用四根静压预制管桩PHC A400 80 10 10,桩顶标高为-1.800m。基础承台尺寸为5500×5500×1350,混凝土强度等级为C35,基础承台上表面标高为-0。500m,基础承台埋深为-1。8m.基础配筋拟采用Ⅲ级钢,直径选择25mm. 具体验算过程如下: 1)参数信息 塔吊型号:QTZ80,自重(包括压重),最大起重荷载 ; 塔吊倾覆力距,塔吊起重高度,塔身宽度; 混凝土强度:C30,钢筋级别:Ⅱ级,承台尺寸 桩直径,桩间距,承台厚度, 基础埋深,保护层厚度:50mm 2)塔吊基础承台顶面的竖向力与弯矩计算 1. 塔吊自重(包括压重) 2. 塔吊最大起重荷载 作用于桩基承台顶面的竖向力 塔吊的倾覆力矩 3)矩形承台弯矩的计算 计算简图: 图中x轴的方向是随机变化的,设计计算时应按照倾覆力矩最不利方向进行验算。 1。 桩顶竖向力的计算(依据《建筑桩技术规范》JGJ94—94的第5。1.1条) 其中 ──单桩个数,; ─作用于桩基承台顶面的竖向力设计值,; ─桩基承台的自重:,─承台底面的弯矩设计值(); ,─单桩相对承台中心轴的方向距离(m); ─单桩桩顶竖向力设计值(). 经计算得到单桩桩顶竖向力设计值: 由于最小单桩竖向承载力>0,故没有抗拔力! 2。 矩形承台弯矩的计算(依据《建筑桩技术规范》JGJ94-94的第5。6.1条) 其中 ,─计算截面处方向的弯矩设计值(); ,─单桩相对承台中心轴的XY方向距离(m); ─扣除承台自重的单桩桩顶竖向力设计值(), 经过计算得到弯矩设计值: 4)矩形承台截面主筋的计算 依据《混凝土结构设计规范》(GB50010—2002)第7。2条受弯构件承载力计算。 式中 ─等效抗压强度比值,当混凝土强度不超过C50时,取为1。0,当混凝土强度等级为C80时, 取为0。94,期间按线性内插法确定; ─混凝土抗压强度设计值,本案采用C30砼,; ─承台的计算高度。 ─钢筋受拉强度设计值,。 经过计算得 采用Ⅲ级钢,直径为25mm的钢筋,需要12根 ; 由于最小配筋率为0。2%,按最小配筋率配筋: 采用直径为25mm的钢筋,需要30根; 故塔吊基础底面配筋为双向布置,各为30根直径25mm的Ⅲ级钢. 5)矩形承台截面抗剪切计算 依据《建筑桩技术规范》(JGJ94-94)的第5.6。8条和第5。6.11条。 根据第二步的计算方案可以得到方向桩对矩形承台的最大剪切力,考虑对称性, 取单桩最大竖向力,我们考虑承台配置拉筋的情况,斜截面受剪承载力满足下面公式: 其中 ─建筑桩基重要性系数,取1.0; ─剪切系数, =0。08; ─混凝土轴心抗压强度设计值,; ─承台计算截面处的计算宽度,; ─承台计算截面处的计算高度,; ─钢筋受拉强度设计值,本案为; ─箍筋的间距,。 〉 经过计算承台已满足抗剪要求; 只需要按照使用说明书配置一定数量的构造拉结筋. 采用Ⅱ级钢,直径14mm,间距500mm,梅花型布置承台拉筋。 6)桩顶承载力验算 桩承载力计算依据《建筑桩技术规范》(JGJ94—94)的第4.1。1条 根据第二步的计算方案可以得到桩的轴向压力设计值,取其中最大值 桩顶轴向压力设计值应满足下面的公式: 其中 ─建筑桩基重要性系数,取1。0; ─混凝土轴心抗压强度设计值,; ─桩的截面面积,本案采用高强度预制管桩,桩型号为PHC A400 80 10 10,砼强度为C80; . 〈 经过计算得:管桩桩顶抗压强度满足要求! 7)桩竖向极限承载力验算 桩承载力计算依据《建筑桩基础技术规范》(JGJ94—94)的第5.2。2-3条 根据第二步的计算方案可以得到桩的轴向压力设计值,取其中最大值 桩竖向极限承载力验算应满足下面的公式: 最大压力: 其中 ─最大极限承载力; ─单桩总极限侧阻力标准值: ─单桩总极限端阻力标准值: ,─分别为桩侧阻群桩效应系数,桩端阻群桩效应系数,承台底土阻力群桩效应系数; ,─分别为桩侧阻力分项系数,桩端阻抗力分项系数,承台底土阻抗力分项系数; ─桩侧第i层土的极限侧阻力标准值,按下表取值; ─极限端阻力标准值,按下表取值; ─桩身的周长,; ─桩端面积, ; 桩竖向极限承载力为: 因此> 所以单桩竖向承载力满足要求! QTZ80塔吊基础具体配筋详见附图1。 5#塔吊基础施工方案 二、 工程概况: 工程名称:品牌布艺展示中心9#厂房 建设地点:杭州市余杭区中国布艺品牌展示中心,临平大道28号。 施工单位:八方建设集团; 建设单位:余杭家纺产业发展; 监理单位:浙江中兴工程建设监理有限责任公司; 设计单位:信息产业电子第十一设计研究院科技工程股份;本工程占地面积为24595.1平方米,总建筑面积为121590。8平方米,其中地上建筑面积为95304.6,地下建筑面积为26286。2平方米;本工程设计标高±0.000相当于黄海标高4。250m;本工程结构形式为框架结构,建筑结构抗震设防类别为丙类,主体合理使用年限为50年,抗震设防烈度为6度;建筑类别为多层厂房建筑,地下室耐火等级为一级,地上厂房耐火等级为二级生产类别为丙类;厂房内设置自动灭火系统,钢筋混凝土屋面防水等级为Ⅱ级。 二、编制依据: 1、 本场地地质勘察报告 2、 现场施工平面图 附图1 3、 QTZ80塔式起重机说明书 三、 塔机选用型号 选用浙江建设集团的QTZ80(ZJ5910)型塔吊,臂长59M时起重量为1吨 四、 地质情况 序号 土层厚度(m) 侧阻力特征值(kPa) 端阻力特征值(kPa) 土名称 1 7.8 28 1650 粘性土 2 2 10 0 粘性土 3 3。1 34 0 粘性土 4 3。5 35 1700 粘性土 五、 塔吊基础位置及标高:5#塔吊位于建筑物内,至于18-19轴/Y-X轴,基础顶面标高为-4.55m. 六、 基础施工 1、 塔吊基础尺寸5500×5500×1250mm。 2、 地基为原建筑物基础,表层为碎石层,土方挖桩顶标高以下200mm,再做150mmC15混凝土垫层,垫层边宽100mm。 3、 模板用竹胶板,厚18mm。 4、 钢筋规格制作安装参照附图2。 5、 预埋件标准节必须进行空间体系焊牢,材料可用角钢和钢筋焊接,浇注混凝土时要防止混凝土冲击而位移。 6、 防雷接地用40×3扁铁预埋并用钢筋网焊成通路. 7、 预埋件标准节上部螺丝口加黄油,并用布包裹,铁丝扎牢,防止混凝土浇注时污染预埋件上部。 8、 塔吊基础钢筋、模板、预埋安装完后做好施工记录,质量验收后方可浇注混凝土。 9、 混凝土为C35,必须一次浇注完成,做好养护,混凝土强度达到80%以上开始安装塔吊。 七、 塔机采用方式:独立式。 八、 预埋标准节安装要求: 1、 预埋件位置±2.0mm。 2、 预埋件固定支脚垂直度±1.0mm。 3、 四个固定支脚顶面水平度1.5mm。 九、 塔吊基础验算 依据《塔式起重机混凝土基础工程技术规程》(JGJ/T 187-2021). 一. 参数信息 塔吊型号:QTZ80(ZJ5910) 塔机自重标准值:Fk1=1072.00kN 起重荷载标准值:Fqk=80。00kN 塔吊最大起重力矩:M=733。7kN.m 塔吊计算高度:H=35m 塔身宽度:B=1。6m 桩身混凝土等级:C60 承台混凝土等级:C35 保护层厚度:H=50mm 矩形承台边长:H=5。5m 承台厚度:Hc=1。25m 承台箍筋间距:S=181mm 承台钢筋级别:HPB235 承台顶面埋深:D=0。0m 桩直径:d=0.6m 桩间距:a=3.8m 桩钢筋级别:HPB235 桩入土深度:15m 桩型与工艺:预制桩 桩空心直径:0.4m 计算简图如下: 二. 荷载计算 1. 自重荷载及起重荷载 1) 塔机自重标准值 Fk1=1072kN 2) 基础以及覆土自重标准值 Gk=5。5×5。5×1.25×25=945。3125kN 承台受浮力:Flk=5。5×5.5×1。80×10=544。5kN 3) 起重荷载标准值 Fqk=80kN 2. 风荷载计算 1) 工作状态下塔机塔身截面对角线方向所受风荷载标准值 a。 塔机所受风均布线荷载标准值 (Wo=0。2kN/m2) Wk=0。8×1。48×1.95×1.595×0。2=0。74kN/m2 qsk=1.2×0.74×0.35×1。6=0。49kN/m b。 塔机所受风荷载水平合力标准值 Fvk=qsk×H=0.49×35.00=17。32kN c. 基础顶面风荷载产生的力矩标准值 Msk=0。5Fvk 2) 非工作状态下塔机塔身截面对角线方向所受风荷载标准值 a. 塔机所受风均布线荷载标准值 (本地区 Wo=0。45kN/m2) Wk=0.8×1。53×1.95×1。595×0。45=1。71kN/m2 qsk=1.2×1.71×0.35×1.60=1.15kN/m b。 塔机所受风荷载水平合力标准值 Fvk=qsk×H=1。15×35。00=40。29kN c。 基础顶面风荷载产生的力矩标准值 Msk=0。5Fvk×H=0。5×40.29×35.00=705。12kN。m 3。 塔机的倾覆力矩 工作状态下,标准组合的倾覆力矩标准值 Mk=—356.86+0.9×(733。7+303。15)=576.30kN。m 非工作状态下,标准组合的倾覆力矩标准值 Mk=—356。86+705.12=348.26kN。m 三。 桩竖向力计算 非工作状态下: Qk=(Fk+Gk)/n=(1072+945。31)/4=504.33kN Qkmax=(Fk+Gk)/n+(Mk+Fvk×h)/L =(1072+945.3125)/4+(348。26+40。29×1.25)/5。37=578.52kN Qkmin=(Fk+Gk—Flk)/n-(Mk+Fvk×h)/L =(1072+945.3125-544。5)/4-(348.26+40。29×1。25)/5。37=294。01kN 工作状态下: Qk=(Fk+Gk+Fqk)/n=(1072+945.31+80)/4=524.33kN Qkmax=(Fk+Gk+Fqk)/n+(Mk+Fvk×h)/L =(1072+945。3125+80)/4+(576。30+17。32×1.25)/5.37=635。61kN Qkmin=(Fk+Gk+Fqk-Flk)/n—(Mk+Fvk×h)/L =(1072+945。3125+80—544。5)/4-(576.30+17。32×1。25)/5。37=276.92kN 四。 承台受弯计算 1. 荷载计算 不计承台自重及其上土重,第i桩的竖向力反力设计值: 工作状态下: 最大压力 Ni=1.35×(Fk+Fqk)/n+1。35×(Mk+Fvk×h)/L =1。35×(1072+80)/4+1。35×(576。30+17.32×1。25)/5.37=539.03kN 非工作状态下: 最大压力 Ni=1。35×Fk/n+1.35×(Mk+Fvk×h)/L =1.35×1072/4+1。35×(348.26+40。29×1.25)/5.37=461.95kN 2. 弯矩的计算 依据《塔式起重机混凝土基础工程技术规程》第6.4。2条 其中 Mx,My1──计算截面处XY方向的弯矩设计值(kN。m); xi,yi──单桩相对承台中心轴的XY方向距离(m); Ni──不计承台自重及其上土重,第i桩的竖向反力设计值(kN)。 由于工作状态下,承台正弯矩最大: Mx=My 3. 配筋计算 根据《混凝土结构设计规范》GB50010-2021第6。2.10条 式中 α1──系数,当混凝土强度不超过C50时,α1取为1。0,当混凝土强度等级为C80时,α1取为0.94,期间按线性内插法确定; fc──混凝土抗压强度设计值; h0──承台的计算高度; fy──钢筋受拉强度设计值,fy=210N/mm2. 底部配筋计算: αs=1185。88×106/(1。000×16。700×5500.000×12002)=0.0090 ξ=1—(1-2×0.0090)0.5=0。0090 γs=1—0。0090/2=0.9955 As=1185。88×106/(0。9955×1200.0×210。0)=4727。1mm2 五. 承台剪切计算 最大剪力设计值: Vmax=539。03kN 依据《混凝土结构设计规范》(GB50010-2021)的第6.3.4条。 我们考虑承台配置箍筋的情况,斜截面受剪承载力满足下面公式: 式中 λ──计算截面的剪跨比,λ=1.500 ft──混凝土轴心抗拉强度设计值,ft=1.570N/mm2; b──承台的计算宽度,b=5500mm; h0──承台计算截面处的计算高度,h0=1200mm; fy──钢筋受拉强度设计值,fy=210N/mm2; S──箍筋的间距,S=181mm。 经过计算承台已满足抗剪要求,只需构造配箍筋! 六。 承台受冲切验算 角桩轴线位于塔机塔身柱的冲切破坏锥体以内,且承台高度符合构造要求,故可不进行承台角桩冲切承载力验算 七. 桩身承载力验算 桩身承载力计算依据《建筑桩基技术规范》(JGJ94-2021)的第5.8。2条 根据第二步的计算方案可以得到桩的轴向压力设计值,取其中最大值N=1。35×635。61=858。08kN 桩顶轴向压力设计值应满足下面的公式: 其中 Ψc──基桩成桩工艺系数,取0。85 fc──混凝土轴心抗压强度设计值,fc=27。5N/mm2; Aps──桩身截面面积,Aps=157080mm2。 经过计算得到桩顶轴向压力设计值满足要求由于桩的最小配筋率为0。80%,计算得最小配筋面积为1257mm2 综上所述,全部纵向钢筋面积1257mm2 八. 桩竖向承载力验算 依据《塔式起重机混凝土基础工程技术规程》(JGJ/T 187-2021)的第6。3。3和6.3。4条 轴心竖向力作用下,Qk=524.33kN;偏心竖向力作用下,Qkmax=635。61kN 桩基竖向承载力必须满足以下两式: 单桩竖向承载力特征值按下式计算: 其中 Ra──单桩竖向承载力特征值; qsik──第i层岩石的桩侧阻力特征值;按下表取值; qpa──桩端端阻力特征值,按下表取值; u──桩身的周长,u=1.88m; Ap──桩端面积,取Ap=0.28m2; li──第i层土层的厚度,取值如下表; 厚度及侧阻力标准值表如下: 序号 土层厚度(m) 侧阻力特征值(kPa) 端阻力特征值(kPa) 土名称 1 7。8 28 1650 粘性土 2 2 10 0 粘性土 3 3.1 34 0 粘性土 4 3.5 35 1700 粘性土 由于桩的入土深度为15m,所以桩端是在第4层土层。 最大压力验算: Ra=1。88×(7。8×28+2×10+3.1×34+2.1×35)+1700×0。28=1267。26kN 由于: Ra = 1267.26 > Qk = 524。33,最大压力验算满足要求! 由于: 1。2Ra = 1520。71 > Qkmax = 635。61,最大压力验算满足要求! 塔吊计算满足要求! 塔吊安拆专项施工方案 编制单位:辽源市中成机械设备安装 编制日期: 2021年03月10日 编 制 人: 关晓东 目 录 1、编制依据 1 2、工程概况 1 2.1、工程建设概况 1 2.2、塔吊拆卸概况 2 2.4、辅助设备的型号、性能参数 2 3.1、现场施工前期准备 4 3。2、塔吊专业公司前期准备 4 3。3、施工作业准备 5 3.4、施工前应具备的条件 6 5、塔吊拆卸 7 5。1、塔吊拆卸说明 7 5.2、塔吊拆卸工序 7 5。3、附着锚固程序 10 6、塔吊验收 11 7、塔吊顶升作业: 11 8、环保要求 13 9、安全应急预案 14 10、安全技术交底 18 1、编制依据 序号 名称 编号 国家法律法规条例 建设工程安全生产管理条例 国务院令第393号 建筑起重机安全监督管理规定 中华人民共和国建设部令第166号 危险性较大的分部分项工程安全管理办法 建质[2021]87号 气象灾害防御条例 中华人民共和国国务院令第570号 施工现场安全防护用具及机械设备使用监督管理规定 建施[2021]368号 国家地方标准 建筑施工塔式起重机拆卸、使用、拆卸安全技术规程 JGJ196-2021 塔式起重机设计规范 GBT13752—1992 塔式起重机混凝土基础工程技术规程 JGJ+T187—2021 钢结构设计规范 GB50017-2003 建筑施工高出作业安全技术规范 JGJ80—91 重大危险源辨识 GB18218—2021 建筑机械使用安全技术规程 JGJ33-2001 其他 塔式起重机说明书 《QTZ80塔式起重机使用说明书》 汽车吊参数 徐工QY50K汽车吊起重性能参数 建筑及结构图纸 2、工程概况 2.1、工程建设概况 序 号 项 目 内 容 1 工程名称 星海湾金融商务区XH-3-AB地块项目 2 工程地址 大连市沙河口区会展路与中山路交接处 3 建设单位 大连海通房地产开发 4 监理公司 大连建实建设监理 5 施工总承包 江苏南通二建集团 2。2、塔吊拆卸概况 为完成住宅部分现场物料搬运,项目经理部拟在现场拆卸1台塔吊,型号为QTZ80。 考虑现场条件,塔吊拆卸均拟采用50t汽车吊在基坑边拆卸。 塔吊拆卸施工前,协调好汽车吊占辅路事宜,并做好现场监护和警戒。塔吊基础周围20m范围内需清理、平整以保证塔机零部件的摆放。 1、选型原则:满足工程进度的吊次、幅度、吊重等要求. 2、塔吊选型:为完成现场物料的垂直运输任务,项目经理部拟在施工现场拆卸1台塔吊,型号为QTZ40。 3、塔吊位置、幅度:根据本工程料场位置、裙房分布情况,尽最大可能确保满覆盖,设置塔吊的幅度及定位见下图:塔吊平面布置图 详见附页 2。4、辅助设备的型号、性能参数 全 伸 支 腿 侧 方 、后 方 作 业 全 伸 支 腿 (带 第 五 支 腿)360° 作 业 幅度m 基 本 臂10。70m 基 本 臂18.05m 中 长 臂25。40m 中 长 臂32.75m 全 伸 臂40.10m 起重量kg 起重量kg 起重量kg 起重量kg 起重量kg 3 50000 3。5 50000 31000 4 42500 29000 4。5 39500 28000 20000 5 36000 27000 19000 5.5 30300 24500 18500 6 25600 23000 18200 13600 7 19400 18900 17000 13600 8 15200 14600 15500 12500 8200 9 12100 11800 12800 11500 8200 10 9500 10600 10500 7600 12 6800 7700 8200 6800 14 4800 5800 6200 6000 16 3400 4400 4800 5000 18 3300 3800 4000 20 2500 3000 3200 22 1800 2300 2600 24 1800 2100 26 1300 1600 28 1200 30 900 倍率 12 8 5 4 3 吊钩重量 515kg 3、塔吊拆卸前期准备 3。1、现场施工前期准备 (1)提供场地,保留拆卸作业面,便于塔吊部件的摆放和汽车吊的入场选位,满足汽车吊站位以及塔吊起重臂的拼装位置。 (2)根据地勘报告,测算地基承载力,保证塔吊处地基承载力不低于fak= 0。2MPa。 (3)准备相应钢筋及C30混凝土。 (4)分别为各塔吊配备专用二级电箱,电箱距塔吊不得大于5米. (5)基础预埋当日需现场测量人员、电焊、气焊配合施工。 3。2、塔吊专业公司前期准备 (1)准备1台型号正确,性能良好的塔吊(型号:QTZ80)。 (2)塔吊预埋所需的预埋基础及螺丝等。 (3)塔吊接地用扁铁、钎子等. (4)拆卸塔吊所需各种工具。 (5)准备运输塔吊部件的车辆和基础预埋。 (6)所有入场拆卸施工人员必须持证上岗。 (7)塔吊拆卸前,负责拆装的工长必须事先熟悉施工现场,排除不利因素的影响,以免影响工期。 (8)管理人员组织配备: 为保证本工程的顺利实施,我部安排的现场施工管理人员均具有实际操作经验的人员,工人持证上岗,特殊工种经过国家相关职能培训,取得资格证书。 管理人员配备和分工 序号 职务/部门 姓名 职 责 1 项目经理 李婷 总指挥,全面协调管理 2 总工 陈吉辉 负责本方案的审核,组织相关人员学习本方案内容。 3 安全副经理 田鹏 负责塔吊拆卸及拆除作业时的全面协调工作 4 安全管理部 王丽明 负责对作业人员进行安全交底,组织作业人员进场培训工作;负责安全事故的上报,组织事故调查分析;负责安全事故的处理,建立事故处理台账,保存安全档案。 5 张金生 编制安全用品的采购计划,监督劳保用品的发放和使用,对施工现场安全进行检查,塔吊拆卸及拆除时现场监督。 6 工程技术部 何丙武 组织本工程施工方案的编制、向施工人员进行技术交底。 7 质量管理部 孔伟 负责塔吊拆卸完毕后的验收。 8 物资设备部 林久成 对进场塔吊进行检验,监督机械设备的保养和安全使用,组织劳保用品等的采购,负责塔吊的登记和日常管理及相关手续的办理。 (8)拆卸人员组织配备: 作业人员配备和分工 序号 岗位 数量 单位 工作内容 1 50t汽车吊司机 1 人 塔吊拆卸及拆除吊装 2 拆卸工 6 人 塔吊拆卸及拆除 3 电工 2 人 负责塔吊线路检测,临电的铺设和管理 4 塔吊司机 3 人 塔吊操作 5 信号工 3 人 起重指挥 6 司索工 3 人 挂物件 3。3、施工作业准备 (1)起重机司机、起重工、电工等特种工必须持证上岗; (2)施工人员掌握起重机结构、拆卸工艺、质量要求、施工危险源及预防措施; (3)起重机司机除了持证上岗,还应具备该起重机的独立熟练操作经验; (4)施工负责人熟练掌握拆卸工艺、施工危险源及预防措施,能合理调配人员及机具,掌握管理体系施工要求。 (5)拆卸过程记录齐全。 (6)对自升塔式起重机进行自检,组装件规格数量满足起重机说明书要求,顶升油缸、油泵、电机等检查合格. (7)对塔吊进场清点,组装件规格数量满足起重机说明书要求; (8)组装过程中应做好组件的清洁、润滑、防锈、紧固、调整等维护工作(尤其是:回转支承、变幅滑轮组、吊臂滑轮组、人字架滑轮组、吊臂钢结构等的联接销轴)。 (9)拆卸过程中应对各组件进行标识,脱落的应及时补上,各组件分类存放. (10)吊装所需的机、工具 序号 工具名称 规格 数量 备 注 1 钢丝绳 6×37﹢FC,Φ20,1670 2×8m 用于起重臂、平衡臂、回转驾驶室等的拆卸 2 卸扣 5.6t 4只 吊装 3 钢丝钳 通用 1把 4 大榔头 24磅 1把 5 小榔头 12磅 1把 6 撬棒 L=1000mm 4根 7 钢丝刷 通用 6把 8 力矩扳手 Z6447—45 2把 检验合格有效 9 油漆铲刀 4寸 4把 10 对讲机 4只 11 活动扳手 12寸 2把 12 钢卷尺 50m 1卷 检验合格有效 13 粗麻绳 φ20mm 50m 用于控制吊装物件平稳 14 全站仪 拓普康GTS—102N 一台 检验合格有效 15 接地电阻测量仪 ZC2913—2 1台 检验合格有效 3。4、施工前应具备的条件 (1)塔吊基础施工并验收结束,混凝土强度达到拆卸要求 (2)动力电源已送至塔吊拆卸现场; (3)拆卸场地具备条件,配合拆卸的机械能够驶入; (4)己对特种作业人员的资格进行了审查,参加作业人员数量满足要求; (5)已对作业人员进行了塔吊拆卸施工技术交底; (6)已对参与作业的起重机械进行了检查,检查内容包括起重机械的安全技术状况及安全准用证的取证情况;参与作业的起重机械已经履行了报审手续. 5、塔吊拆卸 5。1、塔吊拆卸说明 塔吊均采用50吨汽车吊进行拆卸。拆卸前应根据现场实际情况安排汽车吊的进场路线,确保汽车吊能顺利到达现场进行拆卸.拆卸在基坑内进行。 5。2、塔吊拆卸工序 (1)塔吊拆卸人员、塔吊部件入场,汽车吊入场站位(每条支腿下需铺垫250×250×1500的枕木3根或铺放路基箱)、围设不小于20×20米的安全作业区。 (2)拆卸塔吊标准节。将标准节吊放在基础底座上,采用螺丝连接。标准节的拆卸需注意:确保连接孔和螺丝的清洁,不带油污及毛刺;底座连接销轴必须打到位,每拆卸4节必须含一个带休息平台的标准节。 (3)拆卸顶升套架,包括走道平台、扁担梁、油缸.拆卸套架需注意:套架油缸一侧必须同基节和标准节的爬爪在同一侧;吊装套架的绳子应等长,以免因偏载而引起套架变形或使套架与标准节间产生扭距;套架平台的防护栏杆必须齐全,且各相邻栏杆间必须用夹板连接固定。 该过程的安全风险辩识:所有的作业人员要按照规范牢固的系好安全带; 作业时指挥信号要明确,听从专人指挥.汽车吊起吊时要确保吊物吊装平稳。大锤及扳手等工具要做好防坠落措施,所有小型工具配件装包或装箱,严防高空坠物.拆卸区域20m范围内拉好警戒线,并设专人看守,无关人员一律不得入内. (4)拆卸回转支撑.在地面将回转支撑上拆卸平台,扶手栏杆和引进梁,拆卸吊具,将其吊起,安放在过渡节(或标准节)上,回转下支座插到过渡节鱼尾板里,采用螺丝连接,然后提起套架,用销轴将其与回转下支撑连接。 (5)拆卸塔帽,在地面拆卸塔帽平台、扶手、栏杆以及平衡臂和起重臂的拉杆第一节,将塔帽垂直立起,在顶部拆卸吊具,然后吊起放到支座顶上,采用2×2销轴和2×8螺栓连接。注意:塔帽上必须提前拆卸好平衡臂和大臂的头一段拉杆(大臂两组拉杆头一段均提前拆卸). (6)拆卸驾驶室,注意:驾驶室必须在回转装置拆卸完毕后进行;在支架销定以及拆下吊索时,操作人员必须使用固定在塔帽上的安全绳,以确保人身安全。 (7)拆卸平衡臂,地面拆卸平衡臂配重通道,栏杆起升圈扬和平衡臂拉杆,在平衡臂上的4个节点板上拆卸吊具,吊起拆卸,同塔帽用2个销轴连接,汽车吊继续起钩将平衡臂尾部抬高,直至平衡臂拉杆能顺利连接,用销轴将塔帽上的拉杆同平衡臂上的拉杆销接。注意:平衡臂吊装前应先将靠近平衡臂一端的平衡臂拉杆拆卸在平衡臂上,并用一根100×100mm木方横放在平衡臂护栏上,将拉杆放在木方上,捆住,以便连接平衡臂拉杆;塔吊配重自卸装置也需提前拆卸;吊装平衡臂靠近回转支撑上的销轴孔时应尽量缓慢,以免摇摆;如回转的平衡臂连接板不朝向汽车吊方向,可用手摇把缓慢转动回转。 (8)塔吊避雷针应坚固的拆卸在塔吊塔帽上,塔吊的避雷引下线为镀锌扁铁与建筑物本身的接地网焊接在一起,拆卸避雷针的塔吊,所有固定的边力、控制、照明、信号及通信线路,宜采用角钢敷设。角钢与该塔吊的金属结构应做电气连接,做防雷接地塔吊上的电气设备,所连接的PE线必须同时做重复接地,同一台塔吊电气设备的重复接地和塔吊的防雷接地可共用同一接地体,但接地电阻应符合重复接地电阻值的要求. (9)连接塔吊电路,接通电源,并缓慢回转,使回转支撑上的起重臂连接耳板朝向汽车吊方向。 (10)拆卸起重臂总成(吊钩挂点为23米处)。注意:起重小车的拆卸位置应在臂根部的限位处(止动块);起重臂的拉杆(除连接到塔帽上的两个第一段外)应提前拆卸道起重臂上,夹于拉杆夹板内并用钢丝绳捆好;吊装前应从臂跟到臂端固定一根安全绳不小于φ6;在臂跟处进行施工的人员应使用固定在塔帽上的安全绳;吊装起重臂时应在起重臂臂端系一根揽风绳(粗麻绳)以便在地面导向;拆卸方法同平衡臂相同。 (11)吊装配重。注意:配重全部拆卸完毕后应用锁紧系统将平衡重锁在一起。 (12)自检合格后,将塔吊顶升至相应的标准节高度。 (13)塔吊顶升完毕后,及时报请验收,交付项目使用。 5.3、附着锚固程序 1、塔吊附着顶升组件-—拉杆组件、连接件、标准节等进场。 2、吊装附着框架. 1)、将一侧的附着框架吊至塔身附着点处。 2)、将另一侧附着框架吊起就位,然后将两外侧框用螺栓连成一体,不要将螺栓拧紧. 3)、对框架进行调平,条屏后将螺栓拧紧固定。 3、吊装与墙体连接的附着耳板,附着耳板与墙体体采用附着耳板螺栓的方式 连接. 4、采用拼装拉杆,现场工作人员在塔吊司机的配合下将拉杆按照附着平面图 拉杆尺寸要求在地面组装好,使用塔吊吊装附着拉杆,附着拉杆一端与附着框销接,另一端与附着耳板销接,销接后必须用开口销将销轴封好开,口销张开的角度不得小于30度; 5、调整塔身垂直度。调整时,应先吊起一重量适当重物,移动起重小车,调整前后力矩,处于平衡位置后,用经纬仪监测塔身两方向的偏差,调整好垂直度(偏差不超过2‰)。 6、附着验收合格后方可进行塔吊顶升。 6、塔吊验收 塔吊拆卸完毕后,由项目相关人员,拆卸单位安全技术人员联合组成检查组,按照说明书及设备自检表的要求进行全面检查,对不合格或存在隐患的部位进行整改,合格后交付项目使用,并将相关资料整理归档,向当地主管部门报验,验收合格后方可投入使用。 报验时设备方应提供设备及拆卸单位的相关资料: 1. 塔吊产品合格证; 2. 塔吊监督制造检验证明; 3. 按拆单位资质; 4. 租赁单位设备备案证明; 同时总包方应提供以下资料: 1、 塔吊基础钢筋材质单; 2、 塔吊基础强度报告; 3、 塔吊基础预埋件水平度测量报告; 4、 地质勘测报告: 7、塔吊顶升作业: 7.1、顶升准备 1、 顶升套架的拆卸 按照操作说明,使液压系统处于工作状态。将顶升横梁锁紧在顶升凸耳上,用液压油缸将套架顶起,使其与回转支承连接。 2、 顶升横梁的拆卸 (1) 这一操作是在顶升套架刚连接在回转支撑下支座上或置于塔身节凸耳上之后进行的。 (2) 放好处于正常使用状态中的液压系统. (3) 将顶升横梁用销轴连接到油缸上. (4) 将顶升横梁放在塔身凸耳上,可用止动靴将其吊挂在凸耳上或根据情况需使用制动板。 3、 塔头通道的准备 (1) 在顶升过程中,首先须拆除塔头通道的爬梯,并将其存放在顶升套架平台上,以便使所顶升的塔身
展开阅读全文

开通  VIP会员、SVIP会员  优惠大
下载10份以上建议开通VIP会员
下载20份以上建议开通SVIP会员


开通VIP      成为共赢上传

当前位置:首页 > 品牌综合 > 施工方案/组织设计

移动网页_全站_页脚广告1

关于我们      便捷服务       自信AI       AI导航        抽奖活动

©2010-2026 宁波自信网络信息技术有限公司  版权所有

客服电话:0574-28810668  投诉电话:18658249818

gongan.png浙公网安备33021202000488号   

icp.png浙ICP备2021020529号-1  |  浙B2-20240490  

关注我们 :微信公众号    抖音    微博    LOFTER 

客服