收藏 分销(赏)

等电位连接安装技术交底样本.docx

上传人:人****来 文档编号:9869085 上传时间:2025-04-11 格式:DOCX 页数:6 大小:57.55KB 下载积分:6 金币
下载 相关 举报
等电位连接安装技术交底样本.docx_第1页
第1页 / 共6页
等电位连接安装技术交底样本.docx_第2页
第2页 / 共6页


点击查看更多>>
资源描述
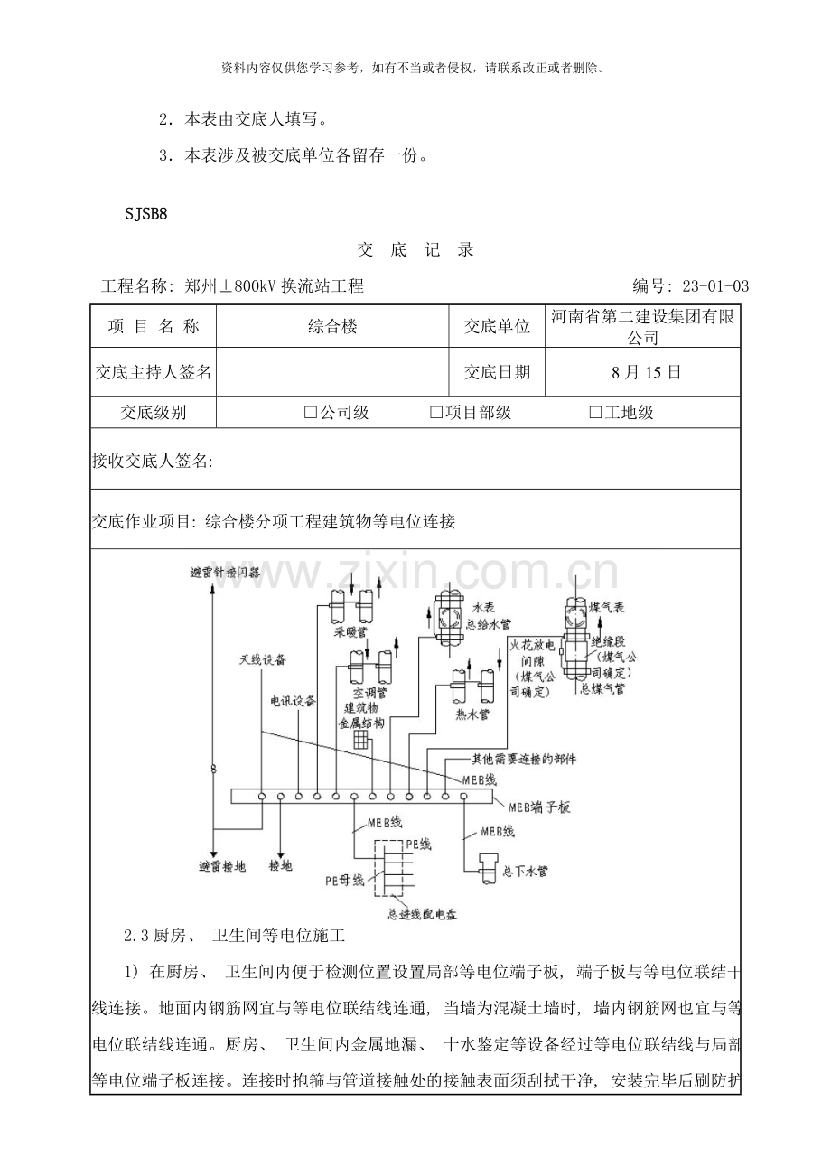
资料内容仅供您学习参考,如有不当或者侵权,请联系改正或者删除。 SJSB8 交 底 记 录 工程名称: 郑州±800kV换流站工程 编号: 23-01-03 项 目 名 称 综合楼 交底单位 河南省第二建设集团有限公司 交底主持人签名 交底日期 8月15日 交底级别 □公司级 □项目部级 □工地级 接收交底人签名: 交底作业项目: 综合楼分项工程建筑物等电位连接 主要交底内容: 1.施工准备 1.1充分熟悉相关图纸及设计要求, 据图纸要求准备相应施工图集等技术资料, 编制施工方案。 1.2等电位联结线和等电位联结端子板宜采用铜质材料。 1.3施工机具: 钢卷尺、 电焊机、 电焊工具、 电工常见工具等; 测量工具: ZC-8型接地摇表。 1.4等电位端子板( 箱) 施工前, 土建墙面应刮白结束。 2.操作工艺 2.1工艺流程: 总等电位端子箱 局部等电位端子箱 等电位联结线 连接工艺设备外壳等。 2.2根据设计图纸要求, 确定各等电位端子箱位置, 如设计无要求, 则总等电位端子箱宜设置在电源进线或进线配电盘处。确定位置后, 将等电位端子箱固定。 2.3等电位联结线施工 等电位联结线施工见图 交底人签名 注 1.本表适用于技术、 安全、 质量等交底, 主要交底内容栏体现具体的交底内容。 2.本表由交底人填写。 3.本表涉及被交底单位各留存一份。 SJSB8 交 底 记 录 工程名称: 郑州±800kV换流站工程 编号: 23-01-03 项 目 名 称 综合楼 交底单位 河南省第二建设集团有限公司 交底主持人签名 交底日期 8月15日 交底级别 □公司级 □项目部级 □工地级 接收交底人签名: 交底作业项目: 综合楼分项工程建筑物等电位连接 2.3厨房、 卫生间等电位施工 1) 在厨房、 卫生间内便于检测位置设置局部等电位端子板, 端子板与等电位联结干线连接。地面内钢筋网宜与等电位联结线连通, 当墙为混凝土墙时, 墙内钢筋网也宜与等电位联结线连通。厨房、 卫生间内金属地漏、 十水鉴定等设备经过等电位联结线与局部等电位端子板连接。连接时抱箍与管道接触处的接触表面须刮拭干净, 安装完毕后刷防护漆。 交底人签名 注 1.本表适用于技术、 安全、 质量等交底, 主要交底内容栏体现具体的交底内容。 2.本表由交底人填写。 3.本表涉及被交底单位各留存一份。 SJSB8 交 底 记 录 工程名称: 郑州±800kV换流站工程 编号: 23-01-03 项 目 名 称 综合楼 交底单位 河南省第二建设集团有限公司 交底主持人签名 交底日期 8月15日 交底级别 □公司级 □项目部级 □工地级 接收交底人签名: 交底作业项目: 综合楼分项工程建筑物等电位连接 抱箍内径等于管道外径, 抱箍大小依管道大小而定。等电位联结线采用BV-1×4㎜2铜导线穿塑料管于地面或墙内暗敷设。 2) 于厨房、 卫生间地面或墙内暗敷不小于25㎜×4㎜镀锌扁钢构成环状。地面内钢筋网宜与等电位联结线连通, 当墙为混凝土墙时, 墙内钢筋网也宜与等电位联结线连通。厨房、 卫生间内金属地漏、 下水管等设备经过等电位联结线与扁钢环连通。连接时抱箍与管道接触处的接触表面须刮拭干净, 安装完毕后刷防护漆。抱箍内径等于管道外径, 抱箍大小依管道大小而定。等电位联结线采用截面不小于25㎜×4㎜的镀锌扁钢。 2.4金属门窗等电位施工 1) 根据设计图纸位置于柱内或圈梁内预留预埋件, 预埋件设计无要求时应采用面积大于100㎜×100㎜的钢板, 预埋件应预留于柱角或圈梁角, 与柱内或圈梁内主钢筋焊接。 2) 使用Φ10镀锌圆钢或25㎜×4㎜镀锌扁钢做等电位联结线连接预埋件与钢窗框、 固定铝合金窗框的铁板或固定金属门框的铁板, 连接方式采用双面焊接。采用圆钢焊接时, 搭接长度不小于100㎜。 3) 金属门窗框不能直接焊接时, 则制作100㎜×30㎜×30㎜的连接件, 一端采用不少于2套M6螺栓与金属门窗框连接, 一端采用螺栓连接或直接焊接与等电位联结线连通。 交底人签名 注 1.本表适用于技术、 安全、 质量等交底, 主要交底内容栏体现具体的交底内容。 2.本表由交底人填写。 3.本表涉及被交底单位各留存一份。 SJSB8 交 底 记 录 工程名称: 郑州±800kV换流站工程 编号: 23-01-03 项 目 名 称 综合楼 交底单位 河南省第二建设集团有限公司 交底主持人签名 交底日期 8月15日 交底级别 □公司级 □项目部级 □工地级 接收交底人签名: 交底作业项目: 综合楼分项工程建筑物等电位连接 4) 所有连接导体宜暗敷, 并应在门窗框定位后, 墙面装饰层或抹灰层施工之前进行。 5) 当柱体采用钢柱, 则将连接导体的一端直接焊于钢柱上。 3、 质量标准: 3.1建筑物等电位联结干线应从与接地装置有不少于2处直接连接的接地干线或总等电位箱引出, 等电位联结干线或局部等电位箱间的连接线形成环行网路, 环行网路应就近与等电位联结干线或局部等电位箱连接。支线间不应串联连接。 3.2材料的质量符合设计要求。 3.3等电位联结的可接近裸露导体或其它金属部件、 构件与支线连接应可靠, 熔焊、 钎焊或机械紧固应导通正常。 3.4需等电位联结的高级装修金属部件或零件, 应有专用接线螺栓与等电位联结支线连接, 且有标识; 连接处螺帽紧固、 放松零件齐全。 4、 成品保护 4.1电气施工时不得砸碰及弄脏墙面。 4.2喷浆前必须预先等电位联结线及等电位端子箱纸包扎好。 4.3搬运物件时不得砸坏等电位联结线。 交底人签名 注 1.本表适用于技术、 安全、 质量等交底, 主要交底内容栏体现具体的交底内容。 2.本表由交底人填写。 3.本表涉及被交底单位各留存一份。 SJSB8 交 底 记 录 工程名称: 郑州±800kV换流站工程 编号: 23-01-03 项 目 名 称 综合楼 交底单位 河南省第二建设集团有限公司 交底主持人签名 交底日期 8月15日 交底级别 □公司级 □项目部级 □工地级 接收交底人签名: 交底作业项目: 综合楼分项工程建筑物等电位连接 4.4焊接时注意采取保护墙面、 金属门窗框等的措施。 4.5进行厨生间等电位联结时, 应注意保护厨卫器具。 5、 注意事项 5.1进行电焊作业时, 电焊机应符合相关规定并使用专用闸箱, 必须做到持证上岗, 施工前清理易燃易爆物品, 设专门看火人及相应灭火器具。 5.2进行气焊作业时, 氧气、 乙炔瓶放置间距应大于5m, 设有检测合格的氧气表、 乙炔表并设防回火装置, 同时必须做到持证上岗, 设专门看火人及相应灭火器具。 5.3于室内进行油漆作业时, 应注意通风换气。 5.4油漆作业结束后, 应及时回收油漆包装材料。 交底人签名 注 1.本表适用于技术、 安全、 质量等交底, 主要交底内容栏体现具体的交底内容。 2.本表由交底人填写。 3.本表涉及被交底单位各留存一份。
展开阅读全文

开通  VIP会员、SVIP会员  优惠大
下载10份以上建议开通VIP会员
下载20份以上建议开通SVIP会员


开通VIP      成为共赢上传

当前位置:首页 > 品牌综合 > 技术交底/工艺/施工标准

移动网页_全站_页脚广告1

关于我们      便捷服务       自信AI       AI导航        抽奖活动

©2010-2026 宁波自信网络信息技术有限公司  版权所有

客服电话:0574-28810668  投诉电话:18658249818

gongan.png浙公网安备33021202000488号   

icp.png浙ICP备2021020529号-1  |  浙B2-20240490  

关注我们 :微信公众号    抖音    微博    LOFTER 

客服