收藏 分销(赏)

安全生产违法行为行政处罚手册一览表.doc

上传人:a199****6536 文档编号:9791453 上传时间:2025-04-08 格式:DOC 页数:19 大小:139.04KB 下载积分:8 金币
下载 相关 举报
安全生产违法行为行政处罚手册一览表.doc_第1页
第1页 / 共19页
安全生产违法行为行政处罚手册一览表.doc_第2页
第2页 / 共19页


点击查看更多>>
资源描述
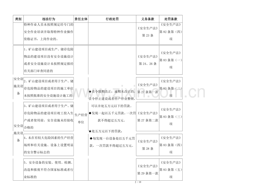
安全生产违法行为行政处罚手册一览表 伊犁州安全生产监督管理局编制 2006年6月30日 类别 违法行为 责任主体 行政处罚 义务条款 处罚条款 负责人 生产经营单位的主要负责人未履行职责 主要负责人(投资人) ★ 责令限期改正,提供必需的资金;逾期未改正的,责令生产经营单位停产停业整顿。 ★ 导致发生生产安全事故,对生产经营单位的主要负责人给予撤职处分,对个人经营的投资人处二万元以上二十万元以下的罚款 《安全生产法》第17条 《安全生产法》第81条 生产经营单位的决策机构、主要负责人、个人经营的投资人不依照本法规定保证安全生产所必需的资金投入,致使生产经营单位不具备安全生产条件。 《安全生产法》第18条 《安全生产法》第80条 管理机构及培训 未设立安全生产管理机构或者配备安全生产管理人员的。 生产经营单位 ★责令限期改正;逾期未改正的,责令停产停业整顿,可以并处二万元以下的罚款。 ◆每发现一人处以五千元罚款,一次罚款不得超过二万元。 《安全生产法》第19条 《安全生产法》第82条第(一)项 危险物品的生产、经营、储存单位以及矿山、建筑施工单位的主要负责人和安全生产管理人员未按照规定经考核合格的。 《安全生产法》第20条 《安全生产法》第82条第(二)项 对从业人员未进行安全生产教育和培训的。 未向从业人员如实告知作业场所和工作岗位存在的危险因素、防范措施以及事故应急措施 《安全生产法》第21、22、36条 《安全生产法》第82条第(三)项 特种作业人员未按照规定经专门的安全作业培训并取得特种作业操作资格证书,上岗作业的。 《安全生产法》第23条 《安全生产法》第82条第(四)项 安全设施及设备 安全设施及设备 1、矿山建设项目或生产、储存危险物品的建设项目没有安全设施设计或者安全设施设计未按照规定报经有关部门审查同意的 生产经营单位 ★责令限期改正;逾期未改正的,责令停止建设或者停产停业整顿,可以并处五万元以下的罚款。 ◆发现一起以五千元罚款,一次罚款不得超过五万元。 ★处五万元以下的罚款; ◆每发现一台设备处以五千元罚款,一次罚款不得超过五万元。 《安全生产法》第24、26条 《安全生产法》第83条第(一)项 2、矿山建设项目或者用于生产、储存危险物品的建设项目的施工单位未按照批准的安全设施设计施工的 《安全生产法》第27条第一款 《安全生产法》第83条第(二)项 3、矿山建设项目或者用于生产、储存危险物品的建设项目竣工投入生产或者使用前,安全设施未经验收合格的 《安全生产法》第27条第二款 《安全生产法》第83条第(三)项 4、未在有较大危险因素的生产经营场所和有关设施、设备上设置明显的安全警示标志的 《安全生产法》第28条 《安全生产法》第83条第(四)项 5、安全设备的安装、使用、检测、改造和报废不符合国家标准或者行业标准的 《安全生产法》第29条第一款 《安全生产法》第83条第(五)项 6、未对安全设备进行经常性维护、保养和定期检测的 《安全生产法》第29条第二款 项《安全生产法》第83条第(六)项 7、未为从业人员提供符合国家标准或者行业标准的劳动防护用品的 《安全生产法》第37条 《安全生产法》第83条第(七)项 8、特种设备以及危险物品的容器、运输工具未经取得专业资质的机构检测、检验合格,取得安全使用证或者安全标志,投入使用的。 《安全生产法》第30条 《安全生产法》第83条第(八)项 9、使用国家明令淘汰、禁止使用的危及生产安全的工艺、设备的 《安全生产法》第31条 《安全生产法》第83条第(九)项 非法生产经营 非法生产经营 非法生产经营 未经依法批准,擅自生产、经营、储存危险物品的。 生产经营单位 ★责令停止违法行为或者予以关闭,没收违法所得,违法所得十万元以上的,并处违法所得一倍以上五倍以下的罚款,没有违法所得或者违法所得不足十万元的,单处或者并处二万元以上十万元以下的罚款。 《安全生产法》第32条第一款 《安全生产法》第84条 生产经营单位 ★ 擅自生产的危险化学品包装物、容器数量十件以下的,处以二万元罚款,超过十件的,每增加十件加罚一万元,最高不超过二十万元。 u 使用非定点企业生产的包装物、容器进行包装、盛装、运输数量十件以下的,处以二万元罚款,超过十件的,每增加十件加罚五千元,一次罚款 u 不得超过二十万元。 《344号令》第21条第1款、第2款,第36条第1款 《344号令》第59条第(一)项、第(五)项 矿山(非煤)、危险化学品、烟花爆竹生产企业未取得《安全生产许可证》,擅自进行生产的 生产经营单位 ★责令停止生产,没收违法所得,并处10万元以上50万元以下的罚款 《安全生产许可证条例》第2条 《安全生产许可证条例》第19条 《安全生产许可证》有效期满未办理延期手续,继续进行生产的。 生产经营单位 ★责令停止生产,限期补办延期手续,没收违法所得,并处5万元以上10万元以下的罚款;逾期仍不办理延期手续,继续进行生产的,依照本条例第十九条的规定处罚。 《安全生产许可证条例》第2条 《安全生产许可证条例》第20条 非法转让、冒用《安全生产许可证》或者使用伪造的《安全生产许可证》。 生产经营单位 ★没收违法所得,处十万元以上五十万元以下的罚款,并吊销该安全生产许可证。 《安全生产许可证条例》第13条 《安全生产许可证条例》第21条第一款 未取得危险化学品经营许可证或者未经工商登记注册,擅自从事危险化学品经营的。 未经审查批准,危险化学品生产、储存企业擅自改建、扩建的。 危险化学品经营单位 ★ 予以关闭或者责令停产停业整顿。有违法所得的,没收违法所得;违法所得十万元以上的,并处违法所得一倍以上五倍以下的罚款;没有违法所得 ★ 生产经营单位五万元以上五十万元以下的罚款。 没有违法所得或者违法所得不足五万元的,并处五万元罚款,违法所得五万元以下不足十万元的,并处十万元罚款;违法所得十万元以上的,每增加十万元,加罚一倍的罚款,最高不超过违法所得的五倍。 《344号令》第27条 《344号令》第11条 《344号令》第57条第(四)项 《344号令》第57条第(三)项 规章 生产、经营、储存、使用危险物品,未建立专门安全管理制度、未采取可靠的安全措施或者不接受有关主管部门依法实施的监督管理的 生产经营单位 ★ 生产经营单位有下列行为之一的,责令限期改正;逾期未改正的,责令停产停业整顿,可以并处二万元以上十万元以下的罚款 ◆ 每发现一起以五千元罚款,第一次罚款不得超过二万元。 《安全生产法》第32条第二款 《安全生产法》第85条第(一)项 对重大危险源未登记建档,或者未进行评估、监控,或者未制定应急预案的 《安全生产法》第33条第一款 《安全生产法》第85条第(二)项 进行爆破、吊装等危险作业,未安排专门管理人员进行现场安全管理的 《安全生产法》第35条 《安全生产法》第85条第(三)项 生产经营单位的从业人员不服从管理,违反安全生产规章制度或者操作规程的 从业人员 ★由生产经营单位给予批评教育,依照有关规章制度给予处分。(执法主体是企业) 《安全生产法》第49条 《安全生产法》第90条 承包及租赁 承包及租赁 生产经营单位将生产经营项目、场所、设备发包或者出租给不具备安全生产条件或者相应资质的单位或者个人的 生产经营单位 ★责令限期改正,没收违法所得;违法所得五万元以上的,并处违法所得一倍以上五倍以下的罚款;没有违法所得或者违法所得不足五万元的,单处或者并处一万元以上五万元以下的罚款;导致发生生产安全事故给他人造成损害的,和承包方、承租方承担连带赔偿责任 《安全生产法》第41条第一款 《安全生产法》第86条第一款 生产经营单位未和承包单位、承租单位签订专门的安全生产管理协议或者未在承包合同、租赁合同中明确各自的安全生产管理职责,或者未对承包单位、承租单位的安全生产统一协调、管理的 生产经营单位 ★责令限期改正;逾期未改正的,责令停产停业整顿 《安全生产法》第41条第二款 《安全生产法》第86条第二款 生产经营单位和从业人员订立协议,免除或者减轻其对从业人员因生产安全事故伤亡依法应承担的责任的 生产经营单位 ★该协议无效;对生产经营单位的主要负责人、个人经营的投资人处二万元以上十万元以下的罚款。 《安全生产法》第44条第二款 《安全生产法》第89条 共同作业区 两个以上生产经营单位在同一作业区域内进行可能危及对方安全生产的生产经营活动,未签订安全生产管理协议或者未指定专职安全生产管理人员进行安全检查和协调的 生产经营单位 ★责令限期改正;逾期未改正的,责令停产停业。 《安全生产法》第40条 《安全生产法》第87条 安全距离及出口 生产、经营、储存、使用危险物品的车间、商店、仓库和员工宿舍在同一座建筑内,或者和员工宿舍的距离不符合安全要求的 生产经营单位 ★责令限期改正;逾期未改正的,责令停产停业整顿。 《安全生产法》第34条第一款 《安全生产法》第88条第(一)项 生产经营场所和员工宿舍未设有符合紧急疏散需要、标志明显、保持畅通的出口,或者封闭、堵塞生产经营场所或者员工宿舍出口的 《安全生产法》第34条第二款 《安全生产法》第88条第(二)项 事故处理 事故处理 生产经营单位主要负责人在本单位发生重大生产安全事故时,不立即组织抢救或者在事故调查处理期间擅离职守或者逃匿的 单位主要负责人 ★给予降职、撤职的处分,对逃匿的处十五日以下拘留。 《安全生产法》第42条 《安全生产法》第91条第一款 生产经营单位主要负责人对生产安全事故隐瞒不报、谎报或者拖延不报的 单位主要负责人 ★给予降职、撤职的处分,对逃匿的处十五日以下拘留。 《安全生产法》第17条第(六)项 《安全生产法》第91条第二款 生产经营单位发生生产安全事故造成人员伤亡、他人财产损失的 生产经营单位 ★应当依法承担赔偿责任;拒不承担或者其负责人逃匿的,由人民法院依法强制执行 《安全生产法》第16条、第17条及第18条等 《安全生产法》第95条第一款 生产安全事故的责任人未依法承担赔偿责任,经人民法院依法采取执行措施后,仍不能对受害人给予足额赔偿的 生产经营单位 应当继续履行赔偿义务;受害人发现责任人有其他财产的,可以随时请求人民法院执行。 《安全生产法》第95条第二款 安全管理 安全管理 安全管理 伪造、故意破坏事故现场的。 阻碍、干涉事故调查工作,拒绝接受调查取证、提供有关情况和资料的。 单位主要负责人或者其他主管人员 单位主要负责人或者其他主管人员有此行为的,给予警告,可以并处一万元以下的罚款。 《安全生产法》第57条、第75条及第70条第2款、第56条 《办法》第37条第(五)项、第(六)项; 《办法》第38条第(六)项、第(七)项 提供虚假情况的。 隐瞒存在的事故隐患以及其他安全问题的。 生产经营单位 给予警告,可以并处一万元以下的罚款。 《安全生产法》第75条及第57条 《办法》第38条第(二)项、第(三)项 取得《安全生产许可证》后,降低安全生产条件,不再具备规定的安全生产条件的。 生产经营单位 暂扣或者吊销《安全生产许可证》。 《安全生产许可证条例》第14条(及第6条) 《安全生产许可证条例》第14条 危险化学品专用仓库不符合国家标准对安全、消防的要求,未设置明显标志,或者未对专用仓库的储存设备和安全设施定期检测的。 危险化学品单位 ★责令立即或者限期改正,处一万元以上五万元以下的罚款;逾期不改正的,由原发证机关吊销危险化学品生产许可证、经营许可证和营业执照。 每发现一项处以一万元罚款,最高不超过五万元。 《344号令》第23条 《344号令》第61条第(五)项 《办法》第59条第(五)项 危险化学品经销商店存放非民用小包装的危险化学品或者危险化学品民用小包装的存放量超过国家规定限量的。 危险化学品经销商店 《344号令》第32条 《办法》第59条第(六)项 剧毒化学品以及构成重大危险源的其他危险化学品未在专用仓库内单独存放,或者未实行双人收发、双人保管,或者未将储存剧毒化学品以及构成重大危险源的其他危险化学品的数量、地点以及管理人员的情况,报当地安全监督管理部门备案的。 危险化学品单位 ★责令立即或者限期改正,处一万元以上五万元以下的罚款;逾期不改正的,由原发证机关吊销危险化学品生产许可证、经营许可证和营业执照。 ◆每发现一项处以一万元罚款,最高不超过五万元。 《344号令》第22条第3款 《344号令》第61条第(七)项 《办法》第59条第(七)项 危险化学品生产单位未如实记录剧毒化学品的产量、流向、储存量和用途,或者未采取必要的保安措施防止剧毒化学品被盗、丢失、误售、误用的。 危险化学品经营企业 ★责令立即或者限期改正,处一万元以上五万元以下的罚款;逾期不改正的,由原发证机关吊销危险化学品生产许可证、经营许可证和营业执照。 ◆每发现一项处以一万元罚款,最高不超过五万元。 《344号令》第19条 《344号令》第61条第(九)项 《办法》第59条第(九)项 危险化学品经营企业不记录剧毒化学品购买单位的名称、地址,购买人员的姓名、身份证号码及所购剧毒化学品的品名、数量、用途,或者未每天核对剧毒化学品的销售情况的。 《344号令》第33条 单位在转产、停产、停业或者解散时,未采取有效措施,处置危险化学品生产、储存设备、库存产品及生产原料的。 危险化学品单位 ★责令改正,处二万元以上十万元以下的罚款。 每一套设备处以二万元罚款,每一品种产品、原料处 以五万元罚款,发现有剧毒品的,处十万元罚款, 一次罚款最高不超过十万元。 《344号令》第25条 《344号令》第62条 《办法》第60条 未按规定进行危险化学品登记或接到通知之日6个月内仍没登记的;未向用户提供应急咨询服务的;转让、出租或伪造登记登记证书的;已登记单位生产规模或产品品种及其理化特性发生重大变化时,未按规定按时办理重新登记手续的;危险化学品登记证书有效期满后,未按规定申请复核的;生产、使用单位终止生产或使用危险化学品时,未按规定及时办理注销登记手续的。 危险化学品生产、储存、使用单位 责令其改正,并视情节轻重处3万元以下罚款。 《危险化学品登记管理办法》第13条、18条、19条、20条 《危险化学品登记管理办法》第21条 安全管理 未按规定建立易制毒化学品管理制度和安全管理制度的;将许可证或备案证明转借他人使用的;超出许可的品种、数量的;包装和使用说明书不符合《条例》规定要求的;不如实或不按时向安监部门报告年度生产、经营情况的。 易制毒化学品生产、经营企业 给予警告,责令限期改正,处1万元以上5万元以下的罚款。对生产经营的易制毒化学品可以予以没收。 《非药品类易制毒化学品生产、经营许可办法》第5、6、7、8、17、19、20、26条 《非药品类易制毒化学品生产、经营许可办法》第30条 安全管理 取得安全生产许可证的非煤矿山企业不具备《非煤矿山安全生产许可证实施办法》第五条规定的安全生产条件之一的。 非煤矿山企业 予以警告,责令整改,并处1万元以上3万元以下罚款。 《非煤矿山安全生产许可证实施办法》第5条 《非煤矿山安全生产许可证实施办法》第41条 非法生产 非煤矿山企业未取得安全生产许可证,擅自进行生产的;接受转让的安全生产许可证的;冒用安全生产许可证的;使用伪造的安全生产许可证的 非煤矿山企业 责令停止生产,没收违法所得,并处10万元以上50万元以下的罚款。 《非煤矿山安全生产许可证实施办法》第26、27条 《非煤矿山安全生产许可证实施办法》第44条 安全管理 1、非煤矿山企业安全生产许可证在有效期内,主要负责人、隶属关系、企业名称发生变化,未按规定申请、办理变更手续的。 2、非煤矿山企业新建、改、扩建项目安全设施已经验收合格,未按规定申请、办理变更手续擅自投入生产的。 非煤矿山企业 1、责令限期办理变更手续,并处1万元以上3万元以下罚款。 2、责令停止生产,限期办理变更手续,并处1万元以上3万元以下罚款。 《非煤矿山安全生产许可证实施办法》第23条 《非煤矿山安全生产许可证实施办法》第45条 非法生产 非煤矿山企业在安全生产许可证在有效期满未办理延期手续,继续进行生产的。 非煤矿山企业 责令停止生产,限期补办延期手续,没收违法所得,并处5万元以上10万元以下的罚款。逾期仍不办理延期手续的,依照《非煤矿山安全生产许可证实施办法》第44条的规定处罚。 《非煤矿山安全生产许可证实施办法》第21、22条 《非煤矿山安全生产许可证实施办法》第46条 安全管理 非煤矿山企业转让安全生产许可证的。 非煤矿山企业 没收违法所得,并处10万元以上50万元以下的罚款 《非煤矿山安全生产许可证实施办法》27条 《非煤矿山安全生产许可证实施办法》47条 非法生产 未经许可生产、经营烟花爆竹制品,或向未取得烟花爆竹安全生产许可的单位或者个人销售黑火药、烟火药、引火线的。 烟花爆竹生产、经营企业 责令停止非法生产、经营活动,处2万元以上10万元以下的罚款,并没收非法生产、经营的物品及违法所得。 《烟花爆竹安全管理条例》第3、10、21条 《烟花爆竹安全管理条例》第36条 安全管理 未按照安全生产许可证核定的产品种类进行生产的;生产工序或者生产作业不符合有关国家标准、行业标准的;雇佣未经考核合格的人员从事危险工序作业的;生产使用原料不符合国家标准规定或超过用量限制的;使用国家禁止使用或者禁忌配伍的物质生产烟花爆竹的;未按规定在产品上标注燃放说明或者在包装物上印制易燃易爆警示标志的。 烟花爆竹生产企业 责令限期改正,处1万元以上5万元以下的罚款;逾期未改正的,责令停产停业整顿,情节严重的,吊销安全生产许可证。 《烟花爆竹安全管理条例》第11、12、13、14条 《烟花爆竹安全管理条例》第37条 非法经营 1、从事烟花爆竹批发的企业向零售的经营者供应非法生产、经营的烟花爆竹或者供应应由专业燃放人员燃放的烟花爆竹的。 2、从事烟花爆竹零售的经营者销售非法生产、经营的烟花爆竹或者销售应由专业燃放人员燃放的烟花爆竹的。 烟花爆竹经营企业 1、责令停止违法行为,处2万元上10万元以下的罚款,并没收非法经营的物品及违法所得;情节严重的,吊销烟花爆竹经营许可证。 2、责令停止违法行为,处1000元以上5000元以下的罚款,并没收非法经营的物品及违法所得;情节严重的,吊销烟花爆竹经营许可证。 《烟花爆竹安全管理条例》第20条 《烟花爆竹安全管理条例》第38条 非法生产 未取得安全生产许可证,擅自进行烟花爆竹生产的;接受转让安全生产许可证的;冒用、使用伪造安全生产许可证的。 烟花爆竹生产企业 责令停止生产,没收违法所得,并处10万元以上50万元以下的罚款。 《烟花爆竹生产企业安全生产许可证实施办法》第28、29条 《烟花爆竹生产企业安全生产许可证实施办法》第45条 非法生产 烟花爆竹生产企业安全生产许可证有效期满未办理延期手续,继续进行生产的。 烟花爆竹生产企业 责令停止生产,限期补办延期手续,没收违法所得,并处以5万元以上10万元以下的罚款; 《烟花爆竹生产企业安全生产许可证实施办法》第22、23条 《烟花爆竹生产企业安全生产许可证实施办法》第46条 安全管理 1、烟花爆竹生产企业安全生产许可证在有效期内,主要负责人、隶属关系、企业名称发生变化,未按规定申请、办理变更手续的。 2、烟花爆竹生产企业新建、改、扩建项目安全设施已经验收合格,未按规定申请、办理变更手续擅自投入生产的。 烟花爆竹生产企业 1、责令限期办理变更手续,并处1万元以上3万元以下罚款。 2、责令停止生产,限期办理变更手续,并处1万元以上3万元以下罚款。 《烟花爆竹生产企业安全生产许可证实施办法》第24条 《烟花爆竹生产企业安全生产许可证实施办法》第47条 安全管理 烟花爆竹生产企业转让安全生产许可证的。 烟花爆竹生产企业 没收违法所得,并处10万元以上50万元以下的罚款。 《烟花爆竹生产企业安全生产许可证实施办法》第29条 《烟花爆竹生产企业安全生产许可证实施办法》第48条 安全投入 生产企业的安全投入不符合安全生产要求的。 危险化学品生产企业 予以警告,责令整改,并处一万元以上三万元以下的罚款。 《实施办法》第6条; 《安全生产许可证条例》第6条第(二)项 《实施办法》第45条 工伤保险 生产企业未依法参加工伤保险,为从业人员缴纳保险费的。 危险化学品生产单位 ★予以警告,责令整改,并处一万元以上三万元以下的罚款。 ◆发现二十人以下,处以一万元罚款,二十人以上每增加一人加罚一千元,一次罚款最高不超过三万元。 《安全生产法》第43条;《安全生产许可证条例》第6条第(七)项 《实施办法》第45条 中介机构 中介机构未依照法律、行政法规和执业准则对安全生产工作提供技术服务的,出具虚假证明。 主管人员和其他直接责任人员 处五千元以上五万元以下的罚款;给他人造成损害的,和生产经营单位承担连带赔偿责任 《安全生产法》第12条; 《安全生产法》第79条; 关闭 生产经营单位不具备本法和其他有关法律、行政法规和国家标准或者行业标准规定的安全生产条件,经停产停业整顿仍不具备安全生产条件的 生产经营单位 ★予以关闭;有关部门应当依法吊销其有关证照。 《安全生产法》第16条 《安全生产法》第 93、94条 安监部门职权 对检查中发现的安全生产违法行为 生产经营单位 当场予以纠正或者要求限期改正;对依法应当给予行政处罚的行为,依照本法和其他有关法律、行政法规的规定作出行政处罚决定 《安全生产法》第56条第(二)项 《安全生产法》第56条第(二)项 对检查中发现的事故隐患,应当责令立即排除;重大事故隐患排除前或者排除过程中无法保证安全的 应当责令从危险区域内撤出作业人员,责令暂时停产停业或者停止使用;重大事故隐患排除后,经审查同意,方可恢复生产经营和使用 《安全生产法》第56条第(三)项 《安全生产法》第56条第(三)项 对有根据认为不符合保障安全生产的国家标准或者行业标准的设施、设备、器材 查封或者扣押,并应当在十五日内依法作出处理决定。 《安全生产法》第56条第(四)项 《安全生产法》第56条第(四)项 拒绝、阻碍安全生产监督管理部门行使职权 给予警告,可以并处一万元以下的罚款 《安全生产法》第56条第(一)项; 《办法》第38条第(一)、(二)、(三)、(四)、(五)、(六)、(七)、(八)项 《办法》第38条 说明:表中“以上”、“以下”均包含本数;“超过”、“不足”均不包含本数。 《344号令》 指《危险化学品安全管理条例》(国务院344号令) 《许可证条例》 指《安全生产许可证条例》(国务院397号令) 《办法》 指《安全生产违法行为行政处罚办法》(国家局1号令) 《实施办法》 指《危险化学品生产企业安全生产许可证实施办法》(国家局10号令) ★ 法律、法规规定 ◆ 根据法律法规,自行设定的执法尺度 注: 该“手册”由于缺少实践经验,因此有些不足之处,希望广大安监执法人员在实践当中发现的问题或实践经验反馈给州安监局。 19 / 19
展开阅读全文

开通  VIP会员、SVIP会员  优惠大
下载10份以上建议开通VIP会员
下载20份以上建议开通SVIP会员


开通VIP      成为共赢上传

当前位置:首页 > 包罗万象 > 大杂烩

移动网页_全站_页脚广告1

关于我们      便捷服务       自信AI       AI导航        抽奖活动

©2010-2025 宁波自信网络信息技术有限公司  版权所有

客服电话:0574-28810668  投诉电话:18658249818

gongan.png浙公网安备33021202000488号   

icp.png浙ICP备2021020529号-1  |  浙B2-20240490  

关注我们 :微信公众号    抖音    微博    LOFTER 

客服