收藏 分销(赏)

防护棚计算书模板.doc

上传人:w****g 文档编号:9520344 上传时间:2025-03-29 格式:DOC 页数:7 大小:121.54KB 下载积分:6 金币
下载 相关 举报
防护棚计算书模板.doc_第1页
第1页 / 共7页
防护棚计算书模板.doc_第2页
第2页 / 共7页


点击查看更多>>
资源描述
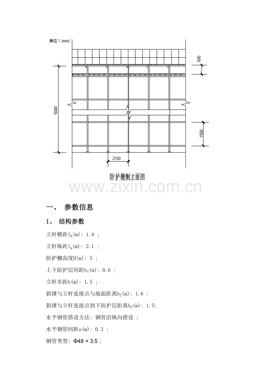
防护棚计算书 编制依据: 《建筑施工高处作业安全技术规范》JGJ80-91、 《建筑施工扣件式钢管脚手架安全技术规范》JGJ130-。 因为防护棚有双层防护, 故只根据承载能力极限状态设计, 不考虑正常使用极限状态。计算书中要求防护棚开间方向为横向, 进深方向为纵向, 简图以下: 一、 参数信息 1、 结构参数 立杆横距lb(m): 1.8 ; 立杆纵距la(m): 2.1 ; 防护棚高度H(m): 5 ; 上下防护层间距h1(m): 0.6 ; 立杆步距h(m): 1.5 ; 斜撑与立杆连接点与地面距离h2(m): 1.6 ; 斜撑与立杆连接点到下防护层距离h3(m): 1.5; 水平钢管搭设方法: 钢管沿纵向搭设 ; 水平钢管间距a(m): 0.3 ; 钢管类型: Φ48 × 3.5 ; 扣件连接方法: 双扣件 ,双扣件抗滑承载力调整系数: 0.8 ; 2.荷载参数 高空坠落物最大荷载标准值N(kN): 1 ; 脚手板自重(kN/m2): 0.35 ; 栏杆及挡脚板自重(kN/m): 0.15 ; 3.地基参数 地基土类型:素填土; 地基承载力标准值(kPa): 120; 立杆基础底面面积(m2): 0.25; 地基承载力调整系数: 1。 二、 纵向水平支撑钢管计算 纵向钢管根据三跨连续梁计算, 承受脚手板自重、 坠落物冲击集中荷载。因为防护棚有双层防护, 故只根据承载能力极限状态设计, 不考虑正常使用极限状态。截面几何参数以下: 截面抵御矩 W = 5.08 cm3; 截面惯性矩 I = 12.19 cm4; 纵向钢管计算简图 1.荷载计算 (1)脚手板自重(kN/m): q1 = 0.35×0.3 = 0.105 kN/m; (2) 高空坠落物最大荷载标准值(kN): N= 1 kN; 2.强度验算 纵向支撑钢管按三跨连续梁计算; 最大弯矩计算公式以下: M = 0.08ql2 + 0.2Fl 均布恒载: q = 1.2 ×0.105 = 0.126 kN/m; 冲击荷载: F = 1.4×1 = 1.4 kN; 最大弯距 M = 0.08×0.126×2.12 + 0.2×1.4×2.1= 0.632 kN.m; 最大应力 σ = M / W = 0.632×106 / (5.08×103) = 124.499 N/mm2; 支撑钢管抗压强度设计值 [f]=205 N/mm2; 支撑钢管计算应力 124.499 N/mm2 小于 钢管抗弯强度设计值 205 N/mm2, 满足要求! 三、 横向支撑钢管计算 横向水平钢管根据承载能力极限状态设计, 根据集中荷载作用下简支梁计算; 冲击荷载按最不利情况作用于跨中, 上部钢管传输恒载按等间距步置。 冲击荷载: F= 1.4 kN; 上部钢管传输恒载: P=1.2×0.35×0.3×2.1 = 0.265 kN; 支撑钢管计算简图 支撑钢管计算弯矩图(kN·m) 最大弯矩 Mmax = 0.987 kN·m ; 最大应力 σ= Mmax / W = 0.987×106 / (5.08×103) = 194.265 N/mm2; 支撑钢管计算应力 194.265 N/mm2 小于 横向钢管抗压强度设计值 205 N/mm2, 满足要求! 四、 扣件抗滑移计算 水平钢管传输最大支座力N=1.4+ 1.8 / 0.3×0.265/2=2.194; 根据《建筑施工扣件式钢管脚手架安全技术规范培训讲座》刘群主编, P96页, 双扣件承载力设计值取16.00kN, 根据扣件抗滑承载力系数0.80, 该工程实际旋转双扣件承载力取值为12.80kN, 扣件抗滑移按下式 : R ≤Rc 其中 Rc -- 扣件抗滑承载力设计值,取12.8 kN; 水平杆传给立杆竖向作用力设计值 R= 2.194 kN; R < 12.80 kN,所以双扣件抗滑承载力设计计算满足要求! 五、 立杆稳定性验算 (一)立杆荷载计算 作用于立杆荷载包含防护棚结构自重、 构配件自重、 冲击荷载。 1、 防护棚结构自重NG1: 钢管自重取0.04kN/m,扣件自重取0.015kN/个 ; 钢管长度: L=[1.8/2+2.1×1.8/(2×0.3)] ×2+(5-0.6)/1.5 ×2.1+5= 25.7 m ; 扣件数量: n=2×2+(5-0.6)/1.5= 7 个 ; NG1=0.04×25.7 + 0.015×7 = 1.133 kN; 2、 防护棚构配件自重(kN): 栏杆、 挡脚板自重: 0.15×2.1= 0.315 kN; 脚手板自重: 0.35×1.8×2.1/2= 0.662 kN; NG2=0.315+0.662=0.977 kN; 经计算得到, 静荷载标准值 NG = 1.133+ 0.977 = 2.11 kN; 3、 冲击荷载NQ (kN): NQ = 1 kN ; 立杆荷载设计值 N = 1.2NG + 1.4NQ = 1.2×2.11 + 1.4×1 = 3.931 kN; (二)立杆稳定性验算 立杆稳定性计算公式: σ = N/φA ≤ [f] 其中 N ---- 立杆轴心压力设计值(kN): N =3.931 kN; φ ---- 轴心受压立杆稳定系数,由长细比 lo/i 查表得到; i ---- 计算立杆截面回转半径(cm) : i = 1.58 cm; A ---- 立杆净截面面积(cm2): A = 4.89 cm2; W ---- 立杆净截面模量(抵御矩)(cm3): W= 5.08 cm3; σ ------- 钢管立杆最大应力计算值 (N/mm2); [f] ---- 钢管立杆抗压强度设计值 : [f] =205 N/mm2; l0 ---- 计算长度 (m); 参考《建筑施工扣件式钢管脚手架安全技术规范》(JGJ130-) : l0 = kμh ; k ---- 计算长度附加系数, 取值为1.155; μ---- 计算长度系数, 参考《建筑施工扣件式钢管脚手架安全技术规范》(JGJ130-)表5.3.3; 取μ= 1.8; h ---- 立杆自由长度; 防护棚不一样于落地脚手架, 通常落地架在主节点处有横向水平杆支撑, 故立杆自由长度取立杆步距; 而防护棚在主节点处大多无横向水平杆支撑, 立杆自由长度h取值以下; 斜撑与立杆连接点到地面距离为1.6 m, ; 斜撑与立杆连接点到下层防护层距离为1.5 m; h取上述二者最大值 1.6 m。 立杆计算长度 l0 = kμh = 1.155×1.8×1.6 = 3.326 m; λ=l0/i =3.326×103 / (1.58×10) = 211 ; 由长细比λ查表得到轴心受压立杆稳定系数φ= 0.163 ; 钢管立杆受压应力计算值 ; σ =3.931 ×103/( 0.163×4.89×102 )= 49.323 N/mm2; 钢管立杆稳定性验算 σ = 49.323 N/mm2 小于 抗压强度设计值 [f] = 205 N/mm2, 满足要求! 六、 立杆地基承载力计算 立杆基础底面平均压力应满足下式要求: p ≤ fg 地基承载力设计值: fg = fgk×kc = 120×1 = 120 kPa ; 其中, 地基承载力标准值: fgk= 120 kPa ; 脚手架地基承载力调整系数: kc = 1 ; 立杆基础底面平均压力: p = N/A =3.931 / 0.25 = 15.726 kPa ; 其中, 上部结构传至基础顶面轴向力设计值 : N =3.931 kN; 基础底面扩展面积 : A = 0.25 m2 。 p= 15.726 kPa≤ fg= 120 kPa 。地基承载力满足要求!
展开阅读全文

开通  VIP会员、SVIP会员  优惠大
下载10份以上建议开通VIP会员
下载20份以上建议开通SVIP会员


开通VIP      成为共赢上传

当前位置:首页 > 包罗万象 > 大杂烩

移动网页_全站_页脚广告1

关于我们      便捷服务       自信AI       AI导航        抽奖活动

©2010-2025 宁波自信网络信息技术有限公司  版权所有

客服电话:0574-28810668  投诉电话:18658249818

gongan.png浙公网安备33021202000488号   

icp.png浙ICP备2021020529号-1  |  浙B2-20240490  

关注我们 :微信公众号    抖音    微博    LOFTER 

客服