收藏 分销(赏)

HTC液压泵站控制器使用说明书.doc

上传人:a199****6536 文档编号:9511372 上传时间:2025-03-29 格式:DOC 页数:6 大小:53.54KB 下载积分:6 金币
下载 相关 举报
HTC液压泵站控制器使用说明书.doc_第1页
第1页 / 共6页
HTC液压泵站控制器使用说明书.doc_第2页
第2页 / 共6页


点击查看更多>>
资源描述
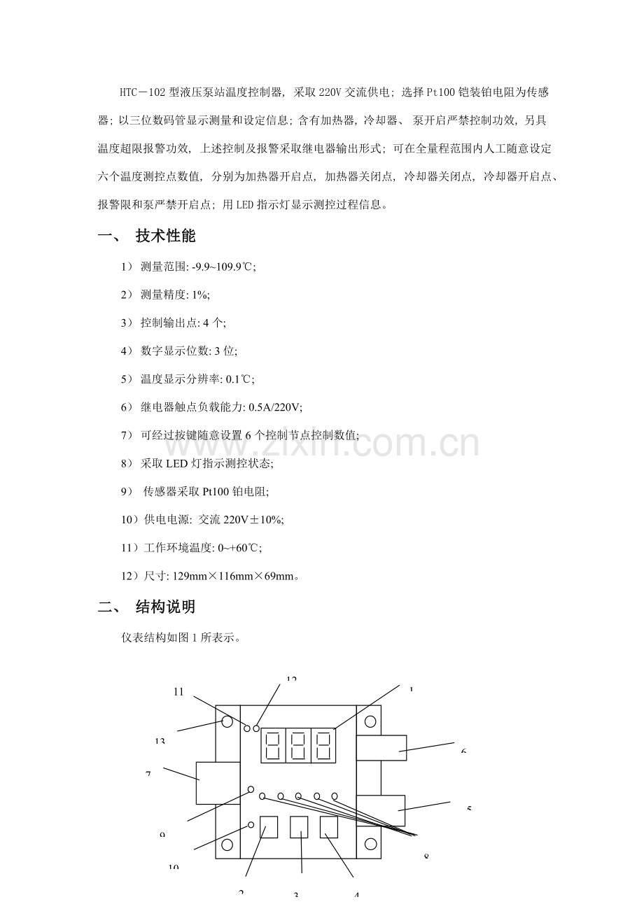
HTC-102液压泵站温度控制器 使 用 说 明 书 HTC-102型液压泵站温度控制器, 采取220V交流供电; 选择Pt100铠装铂电阻为传感器; 以三位数码管显示测量和设定信息; 含有加热器, 冷却器、 泵开启严禁控制功效, 另具温度超限报警功效, 上述控制及报警采取继电器输出形式; 可在全量程范围内人工随意设定六个温度测控点数值, 分别为加热器开启点, 加热器关闭点, 冷却器关闭点, 冷却器开启点、 报警限和泵严禁开启点; 用LED指示灯显示测控过程信息。 一、 技术性能 1) 测量范围: -9.9~109.9℃; 2) 测量精度: 1%; 3) 控制输出点: 4个; 4) 数字显示位数: 3位; 5) 温度显示分辨率: 0.1℃; 6) 继电器触点负载能力: 0.5A/220V; 7) 可经过按键随意设置6个控制节点控制数值; 8) 采取LED灯指示测控状态; 9) 传感器采取Pt100铂电阻; 10) 供电电源: 交流220V±10%; 11) 工作环境温度: 0~+60℃; 12)尺寸: 129mm×116mm×69mm。 二、 结构说明 仪表结构如图1所表示。 图1 仪表外观结构 1 6 5 7 2 3 4 11 8 12 9 13 10 图中: 1. 数码显示; 2. 按键“SET”; 3. 按键“▲”; 4. 按键“▼”; 5. 电源接入插头; 6. 传感器连接插头; 7. 控制输出连接插头; 8. 温度测控点信息指示灯; 9. 温度超限报警指示灯 10. 泵严禁开启指示灯 11. 加热器工作指示灯 12. 冷却器工作指示灯 13. 安装固定孔。 图2 接线端子排列 1 2 3 10 6 7 8 5 4 11 三、 输入输出接线方法 (1)仪表内部接线 仪表内部接线端子排列如图2所表示。图中: 1. 传感器接地端; 2. 传感器“-”端; 3. 传感器“+”端; 4. 仿真器接口; 5. 电源接线端; 9 6. 报警输出接线端; 7. 冷却器控制接线端; 8. 加热器控制接线端; 9. 泵严禁开启控制接线端. (2)接线端子接线方法 接线端连接方法如图3所表示。 图3 接线端连线图 (c) 1 2 3 220V电源 (a) 空 (b) 1 7 8 3 2 4 6 5 1)电源接入插头 电源接入端子接线方法如图3(a)所表示(从外部看)。 2) 控制输出连接 控制输出连接端子接线方法如图3(b)所表示(从外部看)。其中: 1. 加热器控制接线端子1; 2. 加热器控制接线端子2; 3. 冷却器控制接线端子1; 4. 冷却器控制接线端子2; 5. 报警输出接线端子1; 6. 报警输出接线端子2; 7. 泵严禁开启控制接线端子1; 8. 泵严禁开启控制接线端子2。 3)传感器连接 传感器端子接线入图3(c)所表示(从外部看)。其中 1. 传感器“+”端; 2. 传感器“-”端; 3. 传感器接地端。 四、 操作方法 仪表共有3种工作模式: 测量控值模式; 参数设置项选择模式; 参数设置模式。 1. 上电后, 仪表首优异入测量控制模式, 数码显示目前测量温度值; 各温度测控点信息指示灯显示目前所处测控阶段, 指示灯亮时表明温度已高于该灯所对应温度设定值。加热、 冷却和报警灯分别指示对应继电器工作状态, 指示灯亮表明对应继电器触点吸合。能够在参数设置模式中设置6个温度测控点, 从低到高依次为加热器开启点、 加热器关闭点、 冷却器关闭点、 冷却器开启点、 报警限和泵严禁开启控制点。 2. 在测量控制模式下, 按“SET”键, 进入设定选择模式, 显示第一路设置菜单TC1; 3. 在设定选择模式下, 可进行以下操作: a) 按“SET”键可进行设定项选择, 依次为TC1、 TC2、 TC3、 TC4、 TCA、 C_T、 TCP, 分别对应第一温度节点数值设定, 第二温度节点数值设定, 第三温度节点数值设定, 第四温度节点数值设定, 报警节点数值设定, 控制延迟时间设定和泵开启严禁控制点设定。 b) 按“▼”键, 进入该路参数设置状态, 显示该路参数原来数值, 目前设置位闪动; c) 按“▲”键, 返回测量控制模式。 4. 在参数设置状态下, 操作以下: a) 按“SET”键, 变换目前设置位; b) 按“▲”键, 目前设置位数值加1; c) 按“▼”键, 目前设置位数值减1; d) 长按“SET”键(2秒以上), 则返回设定模式, 并以目前显示值为该路设置值。 e) 长按“▼”键(2秒以上), 则返回设定模式, 目前显示值不作为该路设置值。 注: 在测控状态下, 显示Hx.x, 则说明所测温度超出100℃(10x.x℃)。假如与实际温度不符, 则要检验传感器是否连接上, 或者传感器是否有断线情况。
展开阅读全文

开通  VIP会员、SVIP会员  优惠大
下载10份以上建议开通VIP会员
下载20份以上建议开通SVIP会员


开通VIP      成为共赢上传

当前位置:首页 > 包罗万象 > 大杂烩

移动网页_全站_页脚广告1

关于我们      便捷服务       自信AI       AI导航        抽奖活动

©2010-2026 宁波自信网络信息技术有限公司  版权所有

客服电话:0574-28810668  投诉电话:18658249818

gongan.png浙公网安备33021202000488号   

icp.png浙ICP备2021020529号-1  |  浙B2-20240490  

关注我们 :微信公众号    抖音    微博    LOFTER 

客服