收藏 分销(赏)

硅基薄膜太阳电池的研究现状及前景.doc

上传人:精**** 文档编号:9507193 上传时间:2025-03-29 格式:DOC 页数:7 大小:259.04KB 下载积分:6 金币
下载 相关 举报
硅基薄膜太阳电池的研究现状及前景.doc_第1页
第1页 / 共7页
硅基薄膜太阳电池的研究现状及前景.doc_第2页
第2页 / 共7页


点击查看更多>>
资源描述
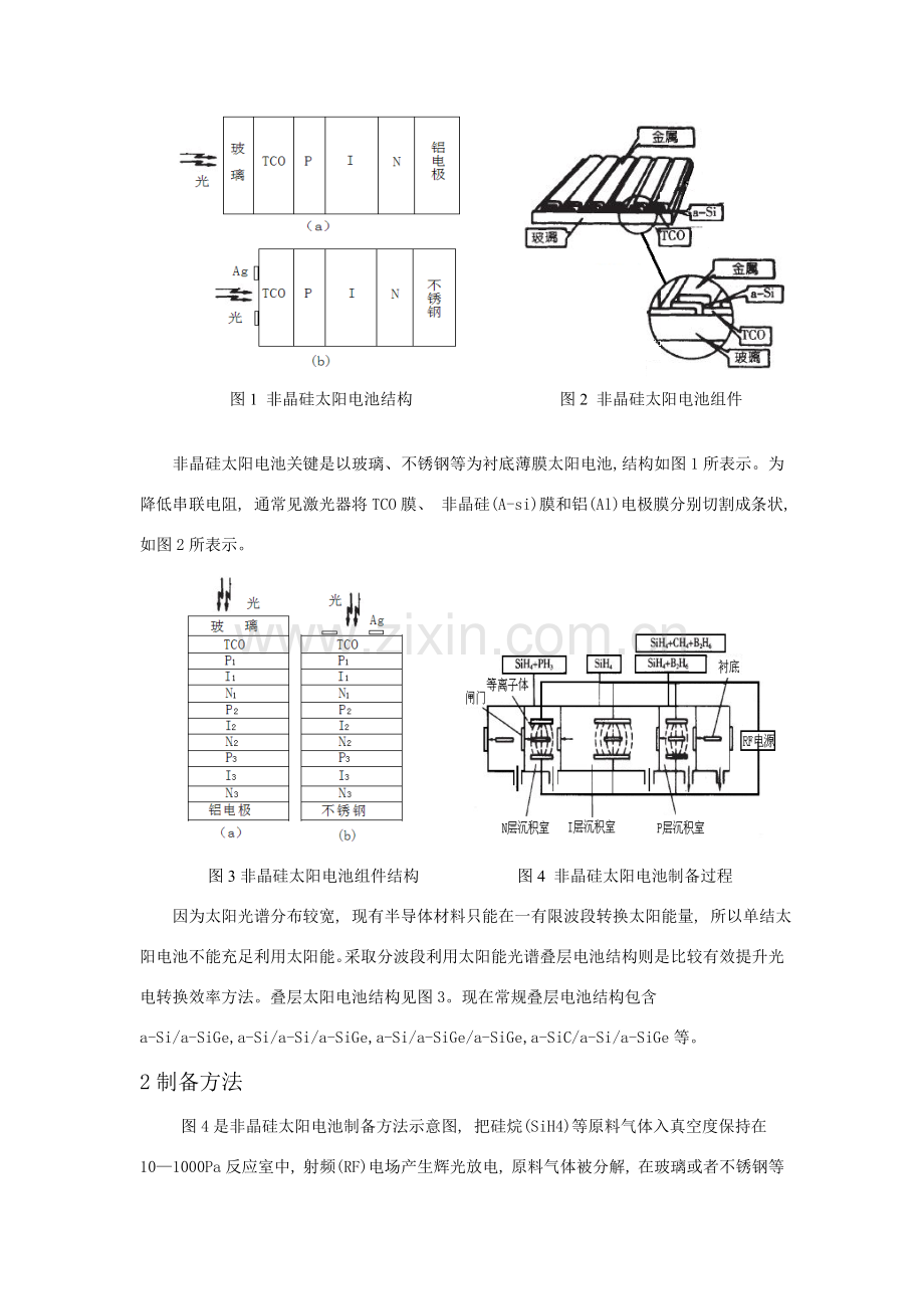
硅基薄膜太阳电池研究现实状况及前景 摘要: 本文着重介绍了非晶硅薄膜电池、 多晶硅薄膜电池原理、 制备方法, 从材料、 工艺与转换效率等方面讨论了它们优势和不足之处, 并提出改善方法。同时介绍了中国外硅基薄膜太阳电池研究进展, 最终展望了薄膜太阳能电池发展前景。 关键词: 太阳能电池; 薄膜电池; 非晶硅; 多晶硅; 微晶硅; 光伏建筑; 最新进展 一、 引言   太阳电池是现在关键新能源技术之一, 它利用半导体光电效应将光能直接装换为电能。现在太阳电池关键有传统(第一代)单晶硅电池、 多晶硅电池、 非晶硅电池、 碲化镉电池、 铜铟硒电池以及新型(第二代)薄膜电池。薄膜太阳电池能够使用其她材料当基板来制造, 薄膜厚度仅需数μm, 较传统太阳能电池大幅降低原料用量。现在光伏发电成本与煤电差距还是比较大, 其中关键一项就是原材料即价格。薄膜太阳电池消耗材料少, 降低成本方面巨大潜力。薄膜太阳能电池种类包含: 非晶硅(a-Si)、 多晶硅(poly-Si)、 化合物半导体II-IV 族[CdS、 CdTe(碲化镉)、 CuInSe2]、 色素敏化染料(Dye-Sensitized Solar Cell)、 有机导电高分子(Organic/polymer solar cells) 、 CIGS (铜铟硒化物)等。假如要将太阳电池大规模应用为生活生产提供能源, 那么必需选择地球上含量丰富, 能大规模生产而且性能稳定半导体材料, 硅基薄膜电池优越性由此凸显。 本文关键综述硅基薄膜太阳电池(包含多晶硅薄膜电池、 非晶硅薄膜电池)发展现实状况及并简明分析其发展前景。 二、 非晶硅(a-Si)薄膜太阳电池 非晶硅太阳电池是上世纪70年代中期发展起来一个薄膜太阳电池, 它制备温度低, 用材少, 便于工业化生产, 价格低廉, 所以受到高度重视。现阶段非晶硅太阳电池转换效率已从1976年1%~2%提升到稳定12~14%, 其中10cmХ10cm电池转换效率为10.6%.小面积单结电池转换效率已超出13%。 1原理及结构 图1 非晶硅太阳电池结构 图2 非晶硅太阳电池组件 非晶硅太阳电池关键是以玻璃、 不锈钢等为衬底薄膜太阳电池, 结构如图1所表示。为降低串联电阻, 通常见激光器将TCO膜、 非晶硅(A-si)膜和铝(Al)电极膜分别切割成条状, 如图2所表示。 图3非晶硅太阳电池组件结构 图4 非晶硅太阳电池制备过程 因为太阳光谱分布较宽, 现有半导体材料只能在一有限波段转换太阳能量, 所以单结太阳电池不能充足利用太阳能。采取分波段利用太阳能光谱叠层电池结构则是比较有效提升光电转换效率方法。叠层太阳电池结构见图3。现在常规叠层电池结构包含a-Si/a-SiGe,a-Si/a-Si/a-SiGe,a-Si/a-SiGe/a-SiGe,a-SiC/a-Si/a-SiGe等。 2制备方法 图4是非晶硅太阳电池制备方法示意图, 把硅烷(SiH4)等原料气体入真空度保持在10—1000Pa反应室中, 射频(RF)电场产生辉光放电, 原料气体被分解, 在玻璃或者不锈钢等衬底上形成非晶硅薄膜材料。假如原料气体中混入硅烷(B2H6)即能生成P型非晶硅,混入磷烷(PH3)即能生成N型非晶硅。为得到性能良好太阳电池, 避免反应室内壁和电极上残余杂质掺入到电池中, 通常都利用隔离连续等离子反应制造装置, 即P,I,N各层分别在专用反应室内沉积。 3优势及不足 非晶硅太阳电池应用优势具体以下: (1)材料和制造工艺成本低。(2)易于大规模生产。(3)含有弱光发电性能, 该性能使得非晶硅薄膜电池受风沙、 雨雪等天气影响很小, 发电时间延长。(4)非晶硅电池工作中不受环境影响, 而晶体硅电池假如其中一小部分被遮挡, 会产生孤岛效应, 这将极大降低整个组件功率输出。(6)含有透光性, 而且组件能愈加好融合于建筑, 在光伏建筑一体化(BIPV)上含有很大优势。 非晶硅太阳电池关键缺点有两个, 一是它不稳定性, 即光电转换效率会伴随光照时间延续而衰减, 另外光电转换效率也比较低, 通常在8%到10%之间。 4改善方法 关键是要降低其衰减程度。非晶硅及其合金光暗电导率随光照时间加长而减小, 经170~200 ℃温度2h, 又可恢复原状, 这种现象称为S-W效应。非晶硅太阳电池光衰退关键原因是I层S-W效应。所以要提升非硅太阳电池稳定效率, 首先要取得高稳定性I层a-Si:H材料。方法以下: 采取分室沉积技术和高真空反应室消除杂质污染; 在制备方法方面分别采取了电子回旋共振化学气相沉积(ECR一CVD)、 氢根化学气相沉积(HR一CVD)、 热丝(HW)法沉积和三极管系统; 在制备工艺方面采取了H等离子体化学退火法、 H2稀释法、 He稀释法和掺氟法。采取这些制备技术和制备工艺关键目都是为了降低非晶硅膜中H含量和缺点态密度, 使其形成稳定Si-Si键和Si-H键网络结构。比如, 用常规PECVD技术制备a-Si:H膜中含有约10%H, 而用化学退火法制备a-Si:H膜含H量小于9%, 用热丝法制备a-Si:H膜含H量只有1%~2% 。 另外与微晶硅结合生成非晶硅/微晶硅异质结太阳电池也是现在非晶硅薄膜电池研究关键方向, 这种电池不仅继承了非晶硅电池优点, 而且能够延缓非晶硅电池效率随光照衰减速度。 三、 多晶硅(poly-Si)薄膜太阳电池 1原理介绍 多晶硅薄膜由很多大小不等, 含有不一样晶面取向小晶粒组成。其晶粒尺寸通常约在几十至几百纳米级, 大颗粒尺寸可达微米级。多晶硅薄膜太阳电池保持了晶体硅太阳电池稳定性, 大幅度降低了硅料用量, 还能够生长在廉价衬底材料上, 显著地降低了电池成本 。多晶硅薄膜电池研究关键有两方面, 一是电池衬底选择, 二是制备方法。 2 选择衬底 (1)非硅衬底多晶硅薄膜太阳电池 非硅衬底能够大幅度降低成本, 不过所取得多晶硅薄膜晶粒较小, 工艺要求比较高。图4所表示日本Kaneka企业STAR太阳电池就属于这类电池。它利用CVD技术在玻璃衬底上生长2nm厚非晶硅薄膜, 然后在氢原子气氛中进行重结晶, 不停反复上述过程, 直到底层完全晶化, 再在已晶化底层上沉积多晶硅薄膜。STAR太阳电池效率达成10.1%。 (2)低品质硅衬底多晶硅薄膜电池 采取低品质硅带为衬底, 能够直接外延生长多晶硅薄膜, 而且可得到含有较大颗粒尺寸多晶硅薄膜, 工艺简单, 效率较高, 易于实现大规模工业化。图5说是就是一个以SSP硅带为衬底多晶硅薄膜太阳电池。在不使用钝化和陷光技术前提下, 电池转换效率达成了8.25%。在此基础上, 经过在颗粒硅带上预先沉积一层穿孔隔离层并对沉积多晶硅薄膜进行重结晶, 制备多晶硅薄膜太阳电池效率达成11.2%。 图4 STAR太阳电池 图5 SSP衬底上多晶硅薄膜太阳电池 3制备方法 现在制备多晶硅薄膜电池多采取化学气相沉积法(CVD), 等离子增强化学气相沉积(PECVD), 液相外延法(LPPE)和区熔再结晶法(ZMR)法、 等离子喷涂法(PSM)、 叠层法、 固相结晶法(SPC)也可用来制备多晶硅薄膜电池。 等离子增强化学气相沉积(PECVD)法是利用PECVD技术在非硅衬底上制备晶粒较小多晶硅薄膜一个方法, 其制备温度很低(100—200℃), 晶粒小(~10-7m量级)。现在最高效率达10.7%。该方法存在生长速度太慢以及薄膜极易受损等问题, 有待以后研究改善。 液相外延(LPE)法经过将硅熔融在母液里, 降低温度使硅析出成膜。美国Astro Power企业和德国Max-Plank研究所对这一技术进行了深入研究, 前者用LPE法制备电池, 效率已达12.2%。 化学气相沉积(CVD)法就是将衬底加热到合适温度, 然后通以反应气体(如SiH2Cl2、 SiHCl3、 SiCl4、 SiH4等), 在一定保护气氛下反应生成硅原子并沉积在衬底表面。这些反应温度通常较高, 在800~1200℃之间。能够应用再结晶技术提升晶粒尺寸, 其具体方法是: 先用低压化学气相沉积(LPCVD)法在衬底表面形成一层较薄、 重掺杂非晶硅层, 再用高温将这层非晶硅层退火, 得到较大晶粒, 用这层较薄大尺寸多晶硅层作为籽晶层, 在其上面用CVD法生长厚多晶硅膜。这种CVD法制备多晶硅薄膜太阳电池关键是寻求一个很好再结晶技术。下表是关键多个不一样生长方法多晶硅薄膜太阳能电池特点比较结果。再结晶技术关键有固相晶化(LAR)法、 区熔再结晶(ZMR)法和激光再结晶(LMC)法。固相晶化法需对非晶硅薄膜进行整体加热, 温度要求达成1414℃硅熔化点。该法缺点是整体温度较高, 晶粒取向散乱, 不易形成柱状结晶。区熔再结晶法需将非晶硅整体加热至1100℃, 再用一个加热条加热局部使其达成熔化状态。加热条在加热过程中需在非晶硅表面移动。激光退火法采取激光束高温将非晶硅薄膜熔化结晶以得到多晶硅薄膜。三种方法中以ZMR法最成功, 日本三菱企业用该法制备电池, 效率已达16.42%, 德国Fronhaufer研究所在这方面研究处于领先水平。 表1 多晶硅薄膜太阳能电池生长方法及特点对比 生长方法 沉积温度 沉积率 结晶质量 等离子体 低 低 差 液相外延 低 低-中 良好 化学气相沉积 高 高 良好 4研究进展 多年来制备多晶硅薄膜材料工艺技术有很大发展。用多晶硅薄膜替换a-SiGe作为底部电池在深入提升硅基薄膜太阳能电池性能方面显示出很多优势: 其带隙可做1.12eV, 与a-Si/a-SiGe薄膜电池相比, a-Si/ploy-Si薄膜电池能吸收更小能量太阳光子, 含有更高转换效率极限; ploy-Si薄膜没有光致衰退效应。理论计算表明, ploy-Si/ploy-Si叠层电池效率可达28%。KneKa企业设计STAR结构多晶硅薄膜电池, 效率已达10.7%<5μm, 且无光致衰降现象; 另一个SOI结构多晶硅薄膜电池10cm×10cm, 取得了高达14.22%效率。H.Morikawa等更制备出了效率高达16%多晶硅薄膜电池。德国Fraunhofer太阳能研究所经过在颗粒硅带上预先沉积一层穿孔隔离层并对沉积多晶硅薄膜进行重结晶, 制备多晶硅薄膜太阳电池效率达成11。2%。澳大利亚新南威尔士大学采取热交换法生长多晶硅制备多晶硅太阳能电池转换效率达成18.2%, 通改善工艺使其电池转换效率达成19.8%(1cm2)。北京太阳能研究所在覆盖SiO2重掺P型单晶硅衬底上制备多晶硅薄膜太阳电池效率达成10.2%, 重掺杂抛光单晶硅衬底上制备了效率为13.6% 。美国Astropower企业采取LPE法制备电池效率达成12.2%。 5优势及不足 多晶硅薄膜电池含有上述效率高、 性能稳定及成本低优点, 是降低太阳能电池成本最有效方法, 但现在尚存在以下问题: ①多晶硅薄膜低温沉积, 质量差, 薄膜晶粒尺寸小, 电池效率低。②多晶硅薄膜高温沉积, 能耗高, 尚缺乏适于生长优质多晶硅薄膜廉价而优良衬底材料。 6改善方法 以后应着重研发以下问题: ①大面积、 大晶粒薄膜生长技术; ②深入提升薄膜生长速率; ③薄膜缺点控制技术; ④优质、 价廉衬底材料研发; ⑤电池优良设计、 表面结构技术及背反射技术等研究 四、 硅基薄膜太阳电池研究前景 伴随科技发展以及环境压力日益增加, 新能源在能源结构中百分比会越来越大。在光伏应用中, 硅基薄膜太阳电池有很多特殊优点, 比如: ①硅基薄膜电池可在任何形状衬底上制作, 可直接做成建筑需要多种形状太阳电池, 可极大地节省安装空间, 降低系统成本。尤其是柔性衬底硅基薄膜电池, 轻而柔软, 轻易安装, 在建筑集成市场中含有很大竞争力。②能够做成透射部分可见光硅基薄膜太阳电池, 称为Seethrough型电池, 这么电池可做为小汽车太阳顶及房屋窗玻璃。③可在很薄不锈钢和塑料衬底上制备超轻量级硅基薄膜太阳电池。这种电池含有很高电功率/重量比(300W/kg), 对城市遥感用平流层气球平台和军用无人驾驶寻航飞机能源系统含有特殊应用价值。因为硅基薄膜太阳电池上述优点, 再如上硅基薄膜电池在降低成本方面巨大潜力, 使其在光伏应用中占有不可轻视地位。 五、 结论 与传统硅基太阳电池相比较, 非晶硅太阳电池稳定性差, 转换效率在光照下会衰减, 不过制造成本低, 在光伏建筑上有极大优势; 多晶硅膜太阳电池, 从制备方法上看, 低温沉积, 质量差, 薄膜晶粒尺寸小, 电池效率低; 高温沉积, 能耗高。不过它保持了晶体硅太阳电池高性能和稳定性, 而且材料用量大幅度下降, 又显著地降低了电池成本。硅基薄膜电池稳定光电转换效率显著偏低, 只有10%左右, 而传统晶硅太阳电池转换效率在17%以上。能够看出现在硅基薄膜太阳电池在大规模应用上还没有显著优势, 硅基薄膜电池技术还有待成熟。不过薄膜电池诞生才30年, 相比其她太阳电池或者新能源技术而言, 发展时间很短, 相信未来一定能够克服重重困难, 将硅基薄膜电池大规模应用, 为生产生活提供源源不停动力。
展开阅读全文

开通  VIP会员、SVIP会员  优惠大
下载10份以上建议开通VIP会员
下载20份以上建议开通SVIP会员


开通VIP      成为共赢上传

当前位置:首页 > 包罗万象 > 大杂烩

移动网页_全站_页脚广告1

关于我们      便捷服务       自信AI       AI导航        抽奖活动

©2010-2026 宁波自信网络信息技术有限公司  版权所有

客服电话:0574-28810668  投诉电话:18658249818

gongan.png浙公网安备33021202000488号   

icp.png浙ICP备2021020529号-1  |  浙B2-20240490  

关注我们 :微信公众号    抖音    微博    LOFTER 

客服