收藏 分销(赏)

土壤电阻率及接地电阻测量作业指导书.doc

上传人:人****来 文档编号:9484367 上传时间:2025-03-28 格式:DOC 页数:3 大小:55.54KB 下载积分:5 金币
下载 相关 举报
土壤电阻率及接地电阻测量作业指导书.doc_第1页
第1页 / 共3页
土壤电阻率及接地电阻测量作业指导书.doc_第2页
第2页 / 共3页


点击查看更多>>
资源描述
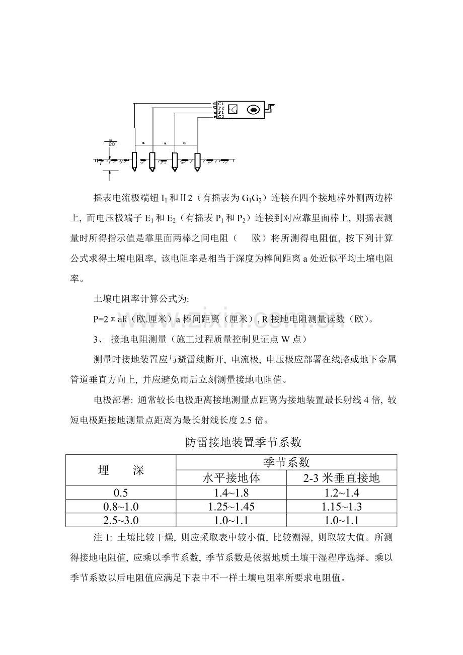
土壤电阻率及接地电阻测量作业指导书 施工要求技术统计表格及签证项目 施工过程质量控制 (见证点W点) 一、 施工工艺步骤图: 验 收 下道工序施工 接地电阻测量 土壤电阻率测量 施工准备 二、 作业方法及要求: 1、 施工准备: (1)技术准备: 掌握接地摇表使用方法, 了角设计对接地电阻值要求。 (2)组织准备: 土壤电阻率及接地电阻测量, 须由一名技术人员带一名熟练技术工人进行, 测量应用好原始统计。 (3)工器具、 材料准备: 接地摇表、 接地棒、 导线、 钉锤、 扳手。 2、 土壤电阻测量(施工过程质量控制见证点W点) 土壤电阻率测量摇表应有四个测量端钮。在被测量土壤电阻率地域, 接图-1布线, 将四个接地棒接于四个测量端钮, 成一直线打入土内, 各接地棒之间距离可等距离“a”厘米。棒埋入深度, 不应小于a/20, a, 可取以整数便于计算。 摇表电流极端钮I1和Ⅱ2(有摇表为G1G2)连接在四个接地棒外侧两边棒上, 而电压极端子E1和E2(有摇表P1和P2)连接到对应靠里面棒上, 则摇表测量时所得指示值是靠里面两棒之间电阻( 欧)将所测得电阻值, 按下列计算公式求得土壤电阻率, 该电阻率是相当于深度为棒间距离a处近似平均土壤电阻率。 土壤电阻率计算公式为: P=2πaR(欧.厘米)a棒间距离(厘米), R接地电阻测量读数(欧)。 3、 接地电阻测量(施工过程质量控制见证点W点) 测量时接地装置应与避雷线断开, 电流极, 电压极应部署在线路或地下金属管道垂直方向上, 并应避免雨后立刻测量接地电阻值。 电极部署: 通常较长电极距离接地测量点距离为接地装置最长射线4倍, 较短电极距接地测量点距离为最长射线长度2.5倍。 防雷接地装置季节系数 埋 深 季节系数 水平接地体 2-3米垂直接地 0.5 1.4~1.8 1.2~1.4 0.8~1.0 1.25~1.45 1.15~1.3 2.5~3.0 1.0~1.1 1.0~1.1 注1: 土壤比较干燥, 则应采取表中较小值, 比较潮湿, 则取较大值。所测得接地电阻值, 应乘以季节系数, 季节系数是依据地质土壤干湿程序选择。乘以季节系数以后电阻值应满足下表中不一样土壤电阻率所要求电阻值。 土壤电阻率 欧.米р 100及以下 100以上至500 500以上至1000 1000以上至 以上 工频接地电阻 欧 10 15 20 25 30 接地摇表在线接好后, 将仪表置于水平位置, 检验检流计指针, 是否在中心线上, 不然用零位调整器调整。然后将“倍度标准”放在最大倍率(如X100)位置上, 慢慢转动发电机摇把, 同时放置测量标度盘, 使检流计指针指于中心线上, 当检充计指针靠近平衡时, 加紧发电机转速, 使其达成额定转速, 调整“测量标度盘”使指针指于中心线上, 如“测量标度盘”读数小于1时, 应将“倍率标度”置于较小倍数, 再重新调整测量标度盘, 得到正确度数。用“测量标度盘”读数乘以“倍率标度”倍数, 即得所测接地电阻数值。 4、 统计表格及签证项目 接地装置电阻及土壤电阻率测量完成, 应立刻填写《接地装置施工检验及评级统计》对电阻值不满足要求应重新加优点理, 直到满足要求为止, 并立刻请甲方监理在验收资料上签字。 5、 表格式样: (1) 表面式接地装置质量等级评定标准及检验方法表 (2) 深埋式接地装置质量等级评定标准及检验方法表
展开阅读全文

开通  VIP会员、SVIP会员  优惠大
下载10份以上建议开通VIP会员
下载20份以上建议开通SVIP会员


开通VIP      成为共赢上传

当前位置:首页 > 包罗万象 > 大杂烩

移动网页_全站_页脚广告1

关于我们      便捷服务       自信AI       AI导航        抽奖活动

©2010-2026 宁波自信网络信息技术有限公司  版权所有

客服电话:0574-28810668  投诉电话:18658249818

gongan.png浙公网安备33021202000488号   

icp.png浙ICP备2021020529号-1  |  浙B2-20240490  

关注我们 :微信公众号    抖音    微博    LOFTER 

客服