收藏 分销(赏)

030骨架隔墙分项工程检验批质量验收记录TJ4330.docx

上传人:可**** 文档编号:936979 上传时间:2024-04-08 格式:DOCX 页数:15 大小:93.80KB 下载积分:11 金币
下载 相关 举报
030骨架隔墙分项工程检验批质量验收记录TJ4330.docx_第1页
第1页 / 共15页
030骨架隔墙分项工程检验批质量验收记录TJ4330.docx_第2页
第2页 / 共15页


点击查看更多>>
资源描述
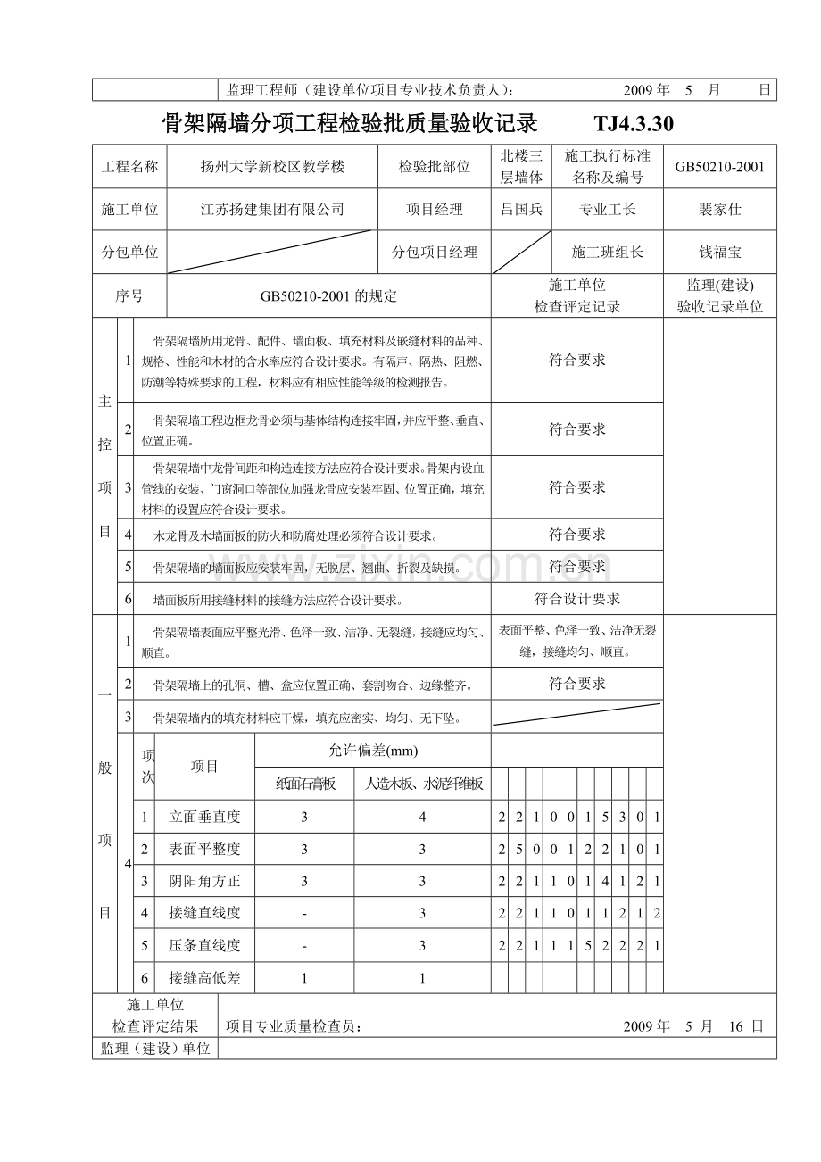
骨架隔墙分项工程检验批质量验收记录 TJ4.3.30 工程名称 扬州大学新校区教学楼 检验批部位 南楼三层墙体 施工执行标准 名称及编号 GB50210-2001 施工单位 江苏扬建集团有限公司 项目经理 吕国兵 专业工长 裴家仕 分包单位 分包项目经理 施工班组长 钱福宝 序号 GB50210-2001的规定 施工单位 检查评定记录 监理(建设) 验收记录单位 主 控 项 目 1 骨架隔墙所用龙骨、配件、墙面板、填充材料及嵌缝材料的品种、规格、性能和木材的含水率应符合设计要求。有隔声、隔热、阻燃、防潮等特殊要求的工程,材料应有相应性能等级的检测报告。 符合要求 2 骨架隔墙工程边框龙骨必须与基体结构连接牢固,并应平整、垂直、位置正确。 符合要求 3 骨架隔墙中龙骨间距和构造连接方法应符合设计要求。骨架内设血管线的安装、门窗洞口等部位加强龙骨应安装牢固、位置正确,填充材料的设置应符合设计要求。 符合要求 4 木龙骨及木墙面板的防火和防腐处理必须符合设计要求。 符合要求 5 骨架隔墙的墙面板应安装牢固,无脱层、翘曲、折裂及缺损。 符合要求 6 墙面板所用接缝材料的接缝方法应符合设计要求。 符合设计要求 一 般 项 目 1 骨架隔墙表面应平整光滑、色泽一致、洁净、无裂缝,接缝应均匀、顺直。 表面平整、色泽一致、洁净无裂缝,接缝均匀、顺直。 2 骨架隔墙上的孔洞、槽、盒应位置正确、套割吻合、边缘整齐。 符合要求 3 骨架隔墙内的填充材料应干燥,填充应密实、均匀、无下坠。 4 项次 项目 允许偏差(mm) 纸面石膏板 人造木板、水泥纤维板 1 立面垂直度 3 4 5 2 3 2 2 1 2 2 2 2 2 表面平整度 3 3 1 2 2 1 0 1 1 2 5 1 3 阴阳角方正 3 3 2 1 1 2 1 1 1 2 5 1 4 接缝直线度 - 3 2 1 1 2 1 2 5 1 2 1 5 压条直线度 - 3 2 1 1 1 0 1 2 1 0 4 6 接缝高低差 1 1 施工单位 检查评定结果 项目专业质量检查员: 2009年 5 月 17 日 监理(建设)单位验收结论 监理工程师(建设单位项目专业技术负责人): 2009年 5 月 日 骨架隔墙分项工程检验批质量验收记录 TJ4.3.30 工程名称 扬州大学新校区教学楼 检验批部位 北楼三层墙体 施工执行标准 名称及编号 GB50210-2001 施工单位 江苏扬建集团有限公司 项目经理 吕国兵 专业工长 裴家仕 分包单位 分包项目经理 施工班组长 钱福宝 序号 GB50210-2001的规定 施工单位 检查评定记录 监理(建设) 验收记录单位 主 控 项 目 1 骨架隔墙所用龙骨、配件、墙面板、填充材料及嵌缝材料的品种、规格、性能和木材的含水率应符合设计要求。有隔声、隔热、阻燃、防潮等特殊要求的工程,材料应有相应性能等级的检测报告。 符合要求 2 骨架隔墙工程边框龙骨必须与基体结构连接牢固,并应平整、垂直、位置正确。 符合要求 3 骨架隔墙中龙骨间距和构造连接方法应符合设计要求。骨架内设血管线的安装、门窗洞口等部位加强龙骨应安装牢固、位置正确,填充材料的设置应符合设计要求。 符合要求 4 木龙骨及木墙面板的防火和防腐处理必须符合设计要求。 符合要求 5 骨架隔墙的墙面板应安装牢固,无脱层、翘曲、折裂及缺损。 符合要求 6 墙面板所用接缝材料的接缝方法应符合设计要求。 符合设计要求 一 般 项 目 1 骨架隔墙表面应平整光滑、色泽一致、洁净、无裂缝,接缝应均匀、顺直。 表面平整、色泽一致、洁净无裂缝,接缝均匀、顺直。 2 骨架隔墙上的孔洞、槽、盒应位置正确、套割吻合、边缘整齐。 符合要求 3 骨架隔墙内的填充材料应干燥,填充应密实、均匀、无下坠。 4 项次 项目 允许偏差(mm) 纸面石膏板 人造木板、水泥纤维板 1 立面垂直度 3 4 2 2 1 0 0 1 5 3 0 1 2 表面平整度 3 3 2 5 0 0 1 2 2 1 0 1 3 阴阳角方正 3 3 2 2 1 1 0 1 4 1 2 1 4 接缝直线度 - 3 2 2 1 1 0 1 1 2 1 2 5 压条直线度 - 3 2 2 1 1 1 5 2 2 2 1 6 接缝高低差 1 1 施工单位 检查评定结果 项目专业质量检查员: 2009年 5 月 16 日 监理(建设)单位验收结论 监理工程师(建设单位项目专业技术负责人): 2009年 5 月 日 骨架隔墙分项工程检验批质量验收记录 TJ4.3.30 工程名称 扬州大学新校区教学楼 检验批部位 中楼三层墙体 施工执行标准 名称及编号 GB50210-2001 施工单位 江苏扬建集团有限公司 项目经理 吕国兵 专业工长 裴家仕 分包单位 分包项目经理 施工班组长 钱福宝 序号 GB50210-2001的规定 施工单位 检查评定记录 监理(建设) 验收记录单位 主 控 项 目 1 骨架隔墙所用龙骨、配件、墙面板、填充材料及嵌缝材料的品种、规格、性能和木材的含水率应符合设计要求。有隔声、隔热、阻燃、防潮等特殊要求的工程,材料应有相应性能等级的检测报告。 符合要求 2 骨架隔墙工程边框龙骨必须与基体结构连接牢固,并应平整、垂直、位置正确。 符合要求 3 骨架隔墙中龙骨间距和构造连接方法应符合设计要求。骨架内设血管线的安装、门窗洞口等部位加强龙骨应安装牢固、位置正确,填充材料的设置应符合设计要求。 符合要求 4 木龙骨及木墙面板的防火和防腐处理必须符合设计要求。 符合要求 5 骨架隔墙的墙面板应安装牢固,无脱层、翘曲、折裂及缺损。 符合要求 6 墙面板所用接缝材料的接缝方法应符合设计要求。 符合设计要求 一 般 项 目 1 骨架隔墙表面应平整光滑、色泽一致、洁净、无裂缝,接缝应均匀、顺直。 表面平整、色泽一致、洁净无裂缝,接缝均匀、顺直。 2 骨架隔墙上的孔洞、槽、盒应位置正确、套割吻合、边缘整齐。 符合要求 3 骨架隔墙内的填充材料应干燥,填充应密实、均匀、无下坠。 4 项次 项目 允许偏差(mm) 纸面石膏板 人造木板、水泥纤维板 1 立面垂直度 3 4 2 1 1 2 1 1 2 5 1 2 2 表面平整度 3 3 2 1 0 0 1 0 5 1 0 1 3 阴阳角方正 3 3 0 1 1 2 2 1 0 1 1 2 4 接缝直线度 - 3 0 1 1 2 1 5 1 2 1 1 5 压条直线度 - 3 2 1 1 1 2 1 5 1 2 2 6 接缝高低差 1 1 施工单位 检查评定结果 项目专业质量检查员: 2009年 5 月 18 日 监理(建设)单位验收结论 监理工程师(建设单位项目专业技术负责人): 2009年 5 月 日 骨架隔墙分项工程检验批质量验收记录 TJ4.3.30 工程名称 扬州大学新校区教学楼 检验批部位 南楼四层墙体 施工执行标准 名称及编号 GB50210-2001 施工单位 江苏扬建集团有限公司 项目经理 吕国兵 专业工长 裴家仕 分包单位 分包项目经理 施工班组长 钱福宝 序号 GB50210-2001的规定 施工单位 检查评定记录 监理(建设) 验收记录单位 主 控 项 目 1 骨架隔墙所用龙骨、配件、墙面板、填充材料及嵌缝材料的品种、规格、性能和木材的含水率应符合设计要求。有隔声、隔热、阻燃、防潮等特殊要求的工程,材料应有相应性能等级的检测报告。 符合要求 2 骨架隔墙工程边框龙骨必须与基体结构连接牢固,并应平整、垂直、位置正确。 符合要求 3 骨架隔墙中龙骨间距和构造连接方法应符合设计要求。骨架内设血管线的安装、门窗洞口等部位加强龙骨应安装牢固、位置正确,填充材料的设置应符合设计要求。 符合要求 4 木龙骨及木墙面板的防火和防腐处理必须符合设计要求。 符合要求 5 骨架隔墙的墙面板应安装牢固,无脱层、翘曲、折裂及缺损。 符合要求 6 墙面板所用接缝材料的接缝方法应符合设计要求。 符合设计要求 一 般 项 目 1 骨架隔墙表面应平整光滑、色泽一致、洁净、无裂缝,接缝应均匀、顺直。 表面平整、色泽一致、洁净无裂缝,接缝均匀、顺直。 2 骨架隔墙上的孔洞、槽、盒应位置正确、套割吻合、边缘整齐。 符合要求 3 骨架隔墙内的填充材料应干燥,填充应密实、均匀、无下坠。 4 项次 项目 允许偏差(mm) 纸面石膏板 人造木板、水泥纤维板 1 立面垂直度 3 4 0 1 1 1 2 6 1 0 1 1 2 表面平整度 3 3 2 1 1 2 1 2 0 1 5 1 3 阴阳角方正 3 3 5 1 0 1 2 1 0 2 2 1 4 接缝直线度 - 3 2 1 0 1 2 0 1 2 1 1 5 压条直线度 - 3 2 1 2 1 0 4 0 1 2 1 6 接缝高低差 1 1 施工单位 检查评定结果 项目专业质量检查员: 2009年 5 月 24 日 监理(建设)单位验收结论 监理工程师(建设单位项目专业技术负责人): 2009年 5 月 日 骨架隔墙分项工程检验批质量验收记录 TJ4.3.30 工程名称 扬州大学新校区教学楼 检验批部位 北楼四层墙体 施工执行标准 名称及编号 GB50210-2001 施工单位 江苏扬建集团有限公司 项目经理 吕国兵 专业工长 裴家仕 分包单位 分包项目经理 施工班组长 钱福宝 序号 GB50210-2001的规定 施工单位 检查评定记录 监理(建设) 验收记录单位 主 控 项 目 1 骨架隔墙所用龙骨、配件、墙面板、填充材料及嵌缝材料的品种、规格、性能和木材的含水率应符合设计要求。有隔声、隔热、阻燃、防潮等特殊要求的工程,材料应有相应性能等级的检测报告。 符合要求 2 骨架隔墙工程边框龙骨必须与基体结构连接牢固,并应平整、垂直、位置正确。 符合要求 3 骨架隔墙中龙骨间距和构造连接方法应符合设计要求。骨架内设血管线的安装、门窗洞口等部位加强龙骨应安装牢固、位置正确,填充材料的设置应符合设计要求。 符合要求 4 木龙骨及木墙面板的防火和防腐处理必须符合设计要求。 符合要求 5 骨架隔墙的墙面板应安装牢固,无脱层、翘曲、折裂及缺损。 符合要求 6 墙面板所用接缝材料的接缝方法应符合设计要求。 符合设计要求 一 般 项 目 1 骨架隔墙表面应平整光滑、色泽一致、洁净、无裂缝,接缝应均匀、顺直。 表面平整、色泽一致、洁净无裂缝,接缝均匀、顺直。 2 骨架隔墙上的孔洞、槽、盒应位置正确、套割吻合、边缘整齐。 符合要求 3 骨架隔墙内的填充材料应干燥,填充应密实、均匀、无下坠。 4 项次 项目 允许偏差(mm) 纸面石膏板 人造木板、水泥纤维板 1 立面垂直度 3 4 0 1 1 1 2 6 1 0 1 1 2 表面平整度 3 3 2 2 1 1 2 5 1 2 2 0 3 阴阳角方正 3 3 2 2 2 1 1 0 1 5 1 2 4 接缝直线度 - 3 5 2 1 2 1 2 1 2 0 2 5 压条直线度 - 3 2 2 1 0 1 2 1 0 2 5 6 接缝高低差 1 1 施工单位 检查评定结果 项目专业质量检查员: 2009年 5 月 23 日 监理(建设)单位验收结论 监理工程师(建设单位项目专业技术负责人): 2009年 5 月 日 骨架隔墙分项工程检验批质量验收记录 TJ4.3.30 工程名称 扬州大学新校区教学楼 检验批部位 中楼四层墙体 施工执行标准 名称及编号 GB50210-2001 施工单位 江苏扬建集团有限公司 项目经理 吕国兵 专业工长 裴家仕 分包单位 分包项目经理 施工班组长 钱福宝 序号 GB50210-2001的规定 施工单位 检查评定记录 监理(建设) 验收记录单位 主 控 项 目 1 骨架隔墙所用龙骨、配件、墙面板、填充材料及嵌缝材料的品种、规格、性能和木材的含水率应符合设计要求。有隔声、隔热、阻燃、防潮等特殊要求的工程,材料应有相应性能等级的检测报告。 符合要求 2 骨架隔墙工程边框龙骨必须与基体结构连接牢固,并应平整、垂直、位置正确。 符合要求 3 骨架隔墙中龙骨间距和构造连接方法应符合设计要求。骨架内设血管线的安装、门窗洞口等部位加强龙骨应安装牢固、位置正确,填充材料的设置应符合设计要求。 符合要求 4 木龙骨及木墙面板的防火和防腐处理必须符合设计要求。 符合要求 5 骨架隔墙的墙面板应安装牢固,无脱层、翘曲、折裂及缺损。 符合要求 6 墙面板所用接缝材料的接缝方法应符合设计要求。 符合设计要求 一 般 项 目 1 骨架隔墙表面应平整光滑、色泽一致、洁净、无裂缝,接缝应均匀、顺直。 表面平整、色泽一致、洁净无裂缝,接缝均匀、顺直。 2 骨架隔墙上的孔洞、槽、盒应位置正确、套割吻合、边缘整齐。 符合要求 3 骨架隔墙内的填充材料应干燥,填充应密实、均匀、无下坠。 4 项次 项目 允许偏差(mm) 纸面石膏板 人造木板、水泥纤维板 1 立面垂直度 3 4 2 1 2 3 0 1 2 0 2 3 2 表面平整度 3 3 2 1 0 2 1 0 5 2 1 2 3 阴阳角方正 3 3 1 2 0 1 2 0 1 2 1 2 4 接缝直线度 - 3 2 0 1 0 2 1 2 0 1 2 5 压条直线度 - 3 2 1 0 1 2 0 5 2 2 1 6 接缝高低差 1 1 施工单位 检查评定结果 项目专业质量检查员: 2009年 5 月 25 日 监理(建设)单位验收结论 监理工程师(建设单位项目专业技术负责人): 2009年 5 月 日 骨架隔墙分项工程检验批质量验收记录 TJ4.3.30 工程名称 扬州大学新校区教学楼 检验批部位 南楼五层墙体 施工执行标准 名称及编号 GB50210-2001 施工单位 江苏扬建集团有限公司 项目经理 吕国兵 专业工长 裴家仕 分包单位 分包项目经理 施工班组长 钱福宝 序号 GB50210-2001的规定 施工单位 检查评定记录 监理(建设) 验收记录单位 主 控 项 目 1 骨架隔墙所用龙骨、配件、墙面板、填充材料及嵌缝材料的品种、规格、性能和木材的含水率应符合设计要求。有隔声、隔热、阻燃、防潮等特殊要求的工程,材料应有相应性能等级的检测报告。 符合要求 2 骨架隔墙工程边框龙骨必须与基体结构连接牢固,并应平整、垂直、位置正确。 符合要求 3 骨架隔墙中龙骨间距和构造连接方法应符合设计要求。骨架内设血管线的安装、门窗洞口等部位加强龙骨应安装牢固、位置正确,填充材料的设置应符合设计要求。 符合要求 4 木龙骨及木墙面板的防火和防腐处理必须符合设计要求。 符合要求 5 骨架隔墙的墙面板应安装牢固,无脱层、翘曲、折裂及缺损。 符合要求 6 墙面板所用接缝材料的接缝方法应符合设计要求。 符合设计要求 一 般 项 目 1 骨架隔墙表面应平整光滑、色泽一致、洁净、无裂缝,接缝应均匀、顺直。 表面平整、色泽一致、洁净无裂缝,接缝均匀、顺直。 2 骨架隔墙上的孔洞、槽、盒应位置正确、套割吻合、边缘整齐。 符合要求 3 骨架隔墙内的填充材料应干燥,填充应密实、均匀、无下坠。 4 项次 项目 允许偏差(mm) 纸面石膏板 人造木板、水泥纤维板 1 立面垂直度 3 4 2 1 2 1 5 1 2 1 2 0 2 表面平整度 3 3 2 1 5 2 1 0 1 1 2 0 3 阴阳角方正 3 3 2 1 0 1 1 2 0 1 5 1 4 接缝直线度 - 3 2 1 0 1 2 0 5 1 0 1 5 压条直线度 - 3 0 1 1 0 2 2 1 0 1 2 6 接缝高低差 1 1 施工单位 检查评定结果 项目专业质量检查员: 2009年 5 月 31 日 监理(建设)单位验收结论 监理工程师(建设单位项目专业技术负责人): 2009年 5 月 日 骨架隔墙分项工程检验批质量验收记录 TJ4.3.30 工程名称 扬州大学新校区教学楼 检验批部位 中楼五层墙体 施工执行标准 名称及编号 GB50210-2001 施工单位 江苏扬建集团有限公司 项目经理 吕国兵 专业工长 裴家仕 分包单位 分包项目经理 施工班组长 钱福宝 序号 GB50210-2001的规定 施工单位 检查评定记录 监理(建设) 验收记录单位 主 控 项 目 1 骨架隔墙所用龙骨、配件、墙面板、填充材料及嵌缝材料的品种、规格、性能和木材的含水率应符合设计要求。有隔声、隔热、阻燃、防潮等特殊要求的工程,材料应有相应性能等级的检测报告。 符合要求 2 骨架隔墙工程边框龙骨必须与基体结构连接牢固,并应平整、垂直、位置正确。 符合要求 3 骨架隔墙中龙骨间距和构造连接方法应符合设计要求。骨架内设血管线的安装、门窗洞口等部位加强龙骨应安装牢固、位置正确,填充材料的设置应符合设计要求。 符合要求 4 木龙骨及木墙面板的防火和防腐处理必须符合设计要求。 符合要求 5 骨架隔墙的墙面板应安装牢固,无脱层、翘曲、折裂及缺损。 符合要求 6 墙面板所用接缝材料的接缝方法应符合设计要求。 符合设计要求 一 般 项 目 1 骨架隔墙表面应平整光滑、色泽一致、洁净、无裂缝,接缝应均匀、顺直。 表面平整、色泽一致、洁净无裂缝,接缝均匀、顺直。 2 骨架隔墙上的孔洞、槽、盒应位置正确、套割吻合、边缘整齐。 符合要求 3 骨架隔墙内的填充材料应干燥,填充应密实、均匀、无下坠。 4 项次 项目 允许偏差(mm) 纸面石膏板 人造木板、水泥纤维板 1 立面垂直度 3 4 2 1 2 0 1 2 0 1 2 2 2 表面平整度 3 3 2 5 2 0 1 0 1 2 2 2 3 阴阳角方正 3 3 1 0 2 1 0 6 1 2 2 1 4 接缝直线度 - 3 0 1 2 0 5 1 2 1 1 2 5 压条直线度 - 3 2 1 0 2 1 0 1 2 1 2 6 接缝高低差 1 1 施工单位 检查评定结果 项目专业质量检查员: 2009年 6 月 1 日 监理(建设)单位验收结论 监理工程师(建设单位项目专业技术负责人): 2009年 6 月 日 骨架隔墙分项工程检验批质量验收记录 TJ4.3.30 工程名称 扬州大学新校区教学楼 检验批部位 南楼二层墙体 施工执行标准 名称及编号 GB50210-2001 施工单位 江苏扬建集团有限公司 项目经理 吕国兵 专业工长 裴家仕 分包单位 分包项目经理 施工班组长 钱福宝 序号 GB50210-2001的规定 施工单位 检查评定记录 监理(建设) 验收记录单位 主 控 项 目 1 骨架隔墙所用龙骨、配件、墙面板、填充材料及嵌缝材料的品种、规格、性能和木材的含水率应符合设计要求。有隔声、隔热、阻燃、防潮等特殊要求的工程,材料应有相应性能等级的检测报告。 符合要求 2 骨架隔墙工程边框龙骨必须与基体结构连接牢固,并应平整、垂直、位置正确。 符合要求 3 骨架隔墙中龙骨间距和构造连接方法应符合设计要求。骨架内设血管线的安装、门窗洞口等部位加强龙骨应安装牢固、位置正确,填充材料的设置应符合设计要求。 符合要求 4 木龙骨及木墙面板的防火和防腐处理必须符合设计要求。 符合要求 5 骨架隔墙的墙面板应安装牢固,无脱层、翘曲、折裂及缺损。 符合要求 6 墙面板所用接缝材料的接缝方法应符合设计要求。 符合设计要求 一 般 项 目 1 骨架隔墙表面应平整光滑、色泽一致、洁净、无裂缝,接缝应均匀、顺直。 表面平整、色泽一致、洁净无裂缝,接缝均匀、顺直。 2 骨架隔墙上的孔洞、槽、盒应位置正确、套割吻合、边缘整齐。 符合要求 3 骨架隔墙内的填充材料应干燥,填充应密实、均匀、无下坠。 4 项次 项目 允许偏差(mm) 纸面石膏板 人造木板、水泥纤维板 1 立面垂直度 3 4 2 1 0 1 2 1 2 1 5 1 2 表面平整度 3 3 2 1 0 1 2 1 5 1 2 2 3 阴阳角方正 3 3 0 2 1 2 1 2 1 5 1 2 4 接缝直线度 - 3 2 1 0 2 1 4 1 2 2 1 5 压条直线度 - 3 2 1 0 1 2 1 2 5 2 1 6 接缝高低差 1 1 施工单位 检查评定结果 项目专业质量检查员: 2009年 6 月 7 日 监理(建设)单位验收结论 监理工程师(建设单位项目专业技术负责人): 2009年 6 月 日 骨架隔墙分项工程检验批质量验收记录 TJ4.3.30 工程名称 扬州大学新校区教学楼 检验批部位 北楼二层墙体 施工执行标准 名称及编号 GB50210-2001 施工单位 江苏扬建集团有限公司 项目经理 吕国兵 专业工长 裴家仕 分包单位 分包项目经理 施工班组长 钱福宝 序号 GB50210-2001的规定 施工单位 检查评定记录 监理(建设) 验收记录单位 主 控 项 目 1 骨架隔墙所用龙骨、配件、墙面板、填充材料及嵌缝材料的品种、规格、性能和木材的含水率应符合设计要求。有隔声、隔热、阻燃、防潮等特殊要求的工程,材料应有相应性能等级的检测报告。 符合要求 2 骨架隔墙工程边框龙骨必须与基体结构连接牢固,并应平整、垂直、位置正确。 符合要求 3 骨架隔墙中龙骨间距和构造连接方法应符合设计要求。骨架内设血管线的安装、门窗洞口等部位加强龙骨应安装牢固、位置正确,填充材料的设置应符合设计要求。 符合要求 4 木龙骨及木墙面板的防火和防腐处理必须符合设计要求。 符合要求 5 骨架隔墙的墙面板应安装牢固,无脱层、翘曲、折裂及缺损。 符合要求 6 墙面板所用接缝材料的接缝方法应符合设计要求。 符合设计要求 一 般 项 目 1 骨架隔墙表面应平整光滑、色泽一致、洁净、无裂缝,接缝应均匀、顺直。 表面平整、色泽一致、洁净无裂缝,接缝均匀、顺直。 2 骨架隔墙上的孔洞、槽、盒应位置正确、套割吻合、边缘整齐。 符合要求 3 骨架隔墙内的填充材料应干燥,填充应密实、均匀、无下坠。 4 项次 项目 允许偏差(mm) 纸面石膏板 人造木板、水泥纤维板 1 立面垂直度 3 4 2 1 2 3 2 1 0 5 1 2 2 表面平整度 3 3 2 1 0 2 1 0 1 2 5 1 3 阴阳角方正 3 3 2 1 0 1 2 0 1 0 1 1 4 接缝直线度 - 3 2 0 1 1 0 1 5 2 1 1 5 压条直线度 - 3 1 2 1 2 2 2 1 0 1 2 6 接缝高低差 1 1 施工单位 检查评定结果 项目专业质量检查员: 2009年 6 月 6 日 监理(建设)单位验收结论 监理工程师(建设单位项目专业技术负责人): 2009年 6 月 日 骨架隔墙分项工程检验批质量验收记录 TJ4.3.30 工程名称 扬州大学新校区教学楼 检验批部位 中楼二层墙体 施工执行标准 名称及编号 GB50210-2001 施工单位 江苏扬建集团有限公司 项目经理 吕国兵 专业工长 裴家仕 分包单位 分包项目经理 施工班组长 钱福宝 序号 GB50210-2001的规定 施工单位 检查评定记录 监理(建设) 验收记录单位 主 控 项 目 1 骨架隔墙所用龙骨、配件、墙面板、填充材料及嵌缝材料的品种、规格、性能和木材的含水率应符合设计要求。有隔声、隔热、阻燃、防潮等特殊要求的工程,材料应有相应性能等级的检测报告。 符合要求 2 骨架隔墙工程边框龙骨必须与基体结构连接牢固,并应平整、垂直、位置正确。 符合要求 3 骨架隔墙中龙骨间距和构造连接方法应符合设计要求。骨架内设血管线的安装、门窗洞口等部位加强龙骨应安装牢固、位置正确,填充材料的设置应符合设计要求。 符合要求 4 木龙骨及木墙面板的防火和防腐处理必须符合设计要求。 符合要求 5 骨架隔墙的墙面板应安装牢固,无脱层、翘曲、折裂及缺损。 符合要求 6 墙面板所用接缝材料的接缝方法应符合设计要求。 符合设计要求 一 般 项 目 1 骨架隔墙表面应平整光滑、色泽一致、洁净、无裂缝,接缝应均匀、顺直。 表面平整、色泽一致、洁净无裂缝,接缝均匀、顺直。 2 骨架隔墙上的孔洞、槽、盒应位置正确、套割吻合、边缘整齐。 符合要求 3 骨架隔墙内的填充材料应干燥,填充应密实、均匀、无下坠。 4 项次 项目 允许偏差(mm) 纸面石膏板 人造木板、水泥纤维板 1 立面垂直度 3 4 2 1 0 2 2 3 2 1 2 3 2 表面平整度 3 3 2 1 1 2 1 1 0 1 0 5 3 阴阳角方正 3 3 1 0 2 1 0 2 5 1 0 1 4 接缝直线度 - 3 0 1 2 1 2 0 2 4 1 0 5 压条直线度 - 3 0 2 1 3 2 1 0 1 2 2 6 接缝高低差 1 1 施工单位 检查评定结果 项目专业质量检查员: 2009年 6 月 8 日 监理(建设)单位验收结论 监理工程师(建设单位项目专业技术负责人): 2009年 6 月 日 骨架隔墙分项工程检验批质量验收记录 TJ4.3.30 工程名称 扬州大学新校区教学楼 检验批部位 南楼一层墙体 施工执行标准 名称及编号 GB50210-2001 施工单位 江苏扬建集团有限公司 项目经理 吕国兵 专业工长 裴家仕 分包单位 分包项目经理 施工班组长 钱福宝 序号 GB50210-2001的规定 施工单位 检查评定记录 监理(建设) 验收记录单位 主 控 项 目 1 骨架隔墙所用龙骨、配件、墙面板、填充材料及嵌缝材料的品种、规格、性能和木材的含水率应符合设计要求。有隔声、隔热、阻燃、防潮等特殊要求的工程,材料应有相应性能等级的检测报告。 符合要求 2 骨架隔墙工程边框龙骨必须与基体结构连接牢固,并应平整、垂直、位置正确。 符合要求 3 骨架隔墙中龙骨间距和构造连接方法应符合设计要求。骨架内设血管线的安装、门窗洞口等部位加强龙骨应安装牢固、位置正确,填充材料的设置应符合设计要求。 符合要求 4 木龙骨及木墙面板的防火和防腐处理必须符合设计要求。 符合要求 5 骨架隔墙的墙面板应安装牢固,无脱层、翘曲、折裂及缺损。 符合要求 6 墙面板所用接缝材料的接缝方法应符合设计要求。 符合设计要求 一 般 项 目 1 骨架隔墙表面应平整光滑、色泽一致、洁净、无裂缝,接缝应均匀、顺直。 表面平整、色泽一致、洁净无裂缝,接缝均匀、顺直。 2 骨架隔墙上的孔洞、槽、盒应位置正确、套割吻合、边缘整齐。 符合要求 3 骨架隔墙内的填充材料应干燥,填充应密实、均匀、无下坠。 4 项次 项目 允许偏差(mm) 纸面石膏板 人造木板、水泥纤维板 1 立面垂直度 3 4 2 3 0 5 1 2 0 1 2 3 2 表面平整度 3 3 2 1 1 2 2 4 1 0 2 1 3 阴阳角方正 3 3 0 1 2 2 0 1 2 5 2 1 4 接缝直线度 - 3 2 1 2 2 0 1 4 2 1 2 5 压条直线度 - 3 1 2 2 1 0 1 2 2 5 2 6 接缝高低差 1 1 施工单位 检查评定结果 项目专业质量检查员: 2009年 6 月 14 日 监理(建设)单位验收结论 监理工程师(建设单位项目专业技术负责人): 2009年 6 月 日 骨架隔墙分项工程检验批质量验收记录 TJ4.3.30 工程名称 扬州大学新校区教学楼 检验批部位 北楼一层墙体 施工执行标准 名称及编号 GB50210-2001 施工单位 江苏扬建集团有限公司 项目经理 吕国兵 专业工长 裴家仕 分包单位 分包项目经理 施工班组长 钱福宝 序号 GB50210-2001的规定 施工单位 检查评定记录 监理(建设) 验收记录单位 主 控 项 目 1 骨架隔墙所用龙骨、配件、墙面板、填充材料及嵌缝材料的品种、规格、性能和木材的含水率应符合设计要求。有隔声、隔热、阻燃、防潮等特殊要求的工程,材料应有相应性能等级的检测报告。 符合要求 2 骨架隔墙工程边框龙骨必须与基体结构连接牢固,并应平整、垂直、位置正确。 符合要求 3 骨
展开阅读全文

开通  VIP会员、SVIP会员  优惠大
下载10份以上建议开通VIP会员
下载20份以上建议开通SVIP会员


开通VIP      成为共赢上传

当前位置:首页 > 包罗万象 > 大杂烩

移动网页_全站_页脚广告1

关于我们      便捷服务       自信AI       AI导航        抽奖活动

©2010-2025 宁波自信网络信息技术有限公司  版权所有

客服电话:0574-28810668  投诉电话:18658249818

gongan.png浙公网安备33021202000488号   

icp.png浙ICP备2021020529号-1  |  浙B2-20240490  

关注我们 :微信公众号    抖音    微博    LOFTER 

客服