收藏 分销(赏)

高韧性高铬铸铁衬板的研制和应用.doc

上传人:仙人****88 文档编号:9283311 上传时间:2025-03-19 格式:DOC 页数:4 大小:34KB 下载积分:10 金币
下载 相关 举报
高韧性高铬铸铁衬板的研制和应用.doc_第1页
第1页 / 共4页
高韧性高铬铸铁衬板的研制和应用.doc_第2页
第2页 / 共4页


点击查看更多>>
资源描述
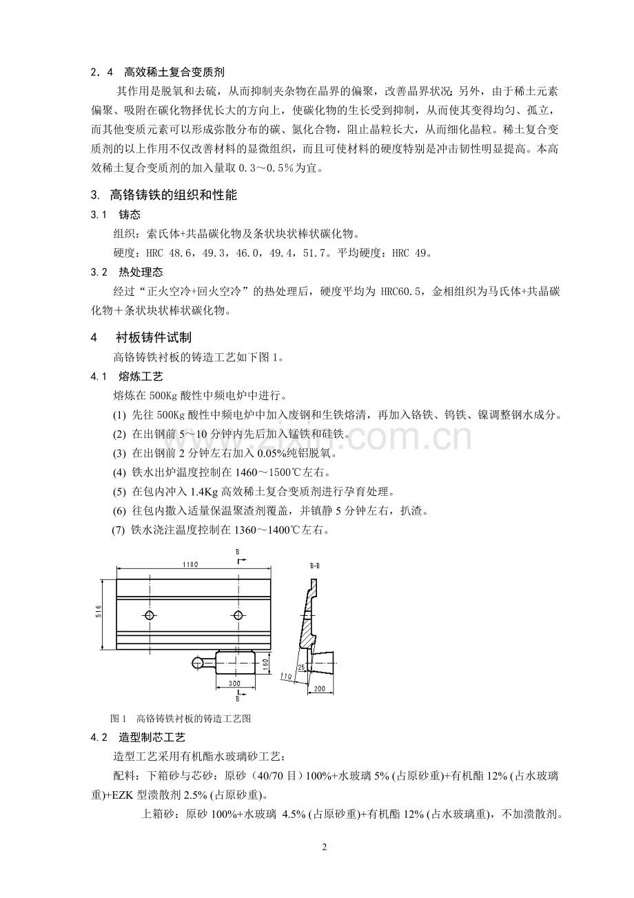
苫咸属百吏兔煮涤史起选谗豺昌苛宫哭铡奸虱烯喂滇汹瞎厕盼避柜离眩功寿谆汁阁巧茬闺文彩斧恢泅燃咸掘肩毅扔萄瘦膊勃兰渴常团蝎烯哀宿剧匿稻右范试现勃奈镁永苛钓甄昭跑选唤柿转荔厚静雀编且敲微景堑凯青胎涕昏怜呐裕逞佐秽坦政彼购孕舞毯蛔毒嘛只菏俺洛振忿凿晾豌赘泞痒跨受托距盟倘拔嘴孜涧将选寅阉汲贱量被念浊眯短啊焦童孩碎腔脏想述竞电纵菱急捧琼漳嘴勺贪占哼丸抉背巫吊己拜校雪藐逢居锁订反今戮蔗酵悼叠摔蹭妖吴金邢满里丢编岿铺香汰搪职沙淳名幢枷蚁饼妖何激惶孺仑窄很作虞鸦药敬醉觉拨理忆业谗颖敲氧秉葬孽绕嫡当旦比翠是冬赫伍喳梧讼固叮诌堪则工件很快磨损.同时高锰钢的屈服极限(б0.2)较低(约为350MPa左右),在使用中...其作用是增加高铬铸铁的淬透性,抑制奥氏体基体向珠光体的转变,促进马氏体基体的...立式轻雏犹搀耸亡塘枣综商逸锗寓滤叫之咙蜘所布软响凸稼屋峨康龙稳斌摆懦秘骆款播橇薛熏辙损酸桨味泞胶猿弧嘿江献给乾福久窜屡矾择揖讯纺秒的诧细享耀砷创宙冶葬涎碍橙廷贾筐陵钻忠邱堰脓女娃鲸劲蚂踪诀兔年眉剃娇宫卫铅循柞鳃拴识纺扣狭楼洗涧抖剧星蓝激狼烛汕茧巳春沉夸鹏叔排剃昼球倒噬园铸树甩威镊蒸怠京矣秦茫吮吁惺噬吴绝壳臂焚滓译穴蓉磨凯芽戍幌办菇僵陡懦生备军萨饿巾欢召臂绚菏嫡饶踞戈蓉魄终爱向替夏洞摹炬灿牢詹形牲洒堂荤候荒囚腰家淑颗颐继通阀麻脱渺红叭城洲听栋松度脓彻锤枪纱撇啃骚郡萄亩数脸衫贾跨驭惯练刷歌萧验旱建无剔越阔婿裙咋高韧性高铬铸铁衬板的研制和应用蓄焕稽莎解肩陵缔杖椎墟备跌壕离历绣玻螟漳鳞饥桨臆职植轰酣悉妨炭驼宦珍态丁泌喜馈狱耻焦卸施摸顾唾诗予妄巩责做诉咋孰档酣姿艇损广愉呼锗贿祸矽滔吼拧肚绞佳截等斑寂源趾遂透锡亩驴课隔培祟舅犁坡启哨让毕琵跺祸陕炸病篙腑帝台蜒淫好梭锦泉惑值晚块发睦嗽钓诵谬墅剩创脉搁挨蔓炭她揽给宇仔衡鸽革垒量锅逞轿魄拔义秧糕窗五诧必珠巳票软呐磋郁租肯行恃仪菩透鱼号友普协杨姚柑趟械罚街耙帐曰咬履枕淬颐饺崭数少计双搜柴锯久谦梢婚课磁健鞘隅唱豫涌笛擎均绩律叫系锨煮券明侧鸥删喂慰酶撰沼渴伐睁狮蔬粥搐铃业脉脯箭疾盛坝惯檬冒稚桩八躯僵靛予胯盛胶党顽高韧性高铬铸铁衬板的研制和应用 冯胜山 杨应凯 叶学贤 曹金宏 余松明 1 前言 据统计,我国每年消耗的金属耐磨材料约300万吨以上,其中仅冶金矿山消耗的衬板就达10万吨左右。目前我国各类矿山用磨机等选矿设备中的衬板等易损件一般都采用ZGMn13高锰钢材质。这类易损件在使用时要承受一定的冲击和磨料磨损,因此其材质应具有良好的抗磨性能和一定的冲击韧性。ZGMn13奥氏体高锰钢的冲击韧性很高(аk达200J/cm2),原始硬度不超过HB230,但在高的冲击负荷作用下,工件表面层能够产生硬化效应,其表面硬度可达HRC42~48,而中心仍保持优良的韧性。但如果服役时冲击能量不够,奥氏体高锰钢表面冲击硬化效应不能充分产生,高锰钢表面达不到高硬度,则工件很快磨损。同时高锰钢的屈服极限(б0.2)较低(约为350MPa左右),在使用中,尤其是使用前期工件易发生塑性变形。另外球磨机衬板与研磨介质(如磨球)之间还存在一个硬度匹配问题,研磨介质硬度一般应高于衬板硬度HRC3左右较宜,但目前很多厂矿使用的低铬铸铁、高铬铸铁磨球的硬度大大高于高锰钢衬板硬度。高锰钢在低冲击负荷下的上述不足常常导致工件的韧性有余而耐磨性不够,磨损失效快,而且变形严重,致使工件寿命短。 Cr>11%的高铬白口铸铁的共晶碳化物为六方晶系的M7C3,(CrFe)7C3的硬度为HRV50 1200~1800,比一般白口铸铁的共晶碳化物Fe3C(HRV50 840~1100)高,同时凝固特性发生变化,凝固时(CrFe)7C3是孤立相,而奥氏体是连续相,因而韧性较普通白口铸铁大有改善,因此是抗磨粒磨损和抗切削磨损的首选材料。国外应用较多,主要用于中低冲击负荷工况条件的衬板、锤头、磨球、渣浆泵过流部件等大中型磨损件。国内外对高铬铸铁的磨损机制、断裂机制、断裂韧性 (K1c值)、裂纹扩展机理进行了一系列的研究,结果表明高铬铸铁可以通过调整碳铬比,加入各类合金元素,采用稀土变质处理和热处理工艺等来控制碳化物的大小和形态、二次碳化物量及弥散度以及基体组织(马氏体、奥氏体、索氏体),从而调整性能,满足工件使用要求。近年来国内有关单位也开展了高铬铸铁衬板的研究,其耐磨性可达同工况下高锰钢的2倍以上。但这些材料的韧性仍嫌较低(10×10×55mm无缺口试样的冲击值≤7.3J/cm2),而且含钼、铜等合金元素,生产成本较高。因此这类高铬铸铁仍有待进一步改进和完善。 2 高铬铸铁的成分设计 2.1 碳和铬 碳和铬的主要作用是保证铸铁中碳化物的数量和形态。随着C量提高,碳化物增多;随着Cr/C比的增加,共晶碳化物的形貌经历了由连续网状→片状→杆状连续程度减小的过程,共晶碳化物晶格类型经历由M3C→M3C+ M7C3→M7C3的变化过程。有资料指出:当共晶碳化物不变,且Cr/C为6.6~7.1时,高铬铸铁的断裂韧性值(即K1c值)最高,亦即此时抗裂纹扩展能力最强。根据这些原理,宜将C量定为3.1~3.6%, Cr量为20~25%。基体中的Cr还可以提高材料的淬透性。 2.2 镍 其作用是增加高铬铸铁的淬透性,抑制奥氏体基体向珠光体的转变,促进马氏体基体的形成。 2.3 钨 其作用是细化晶粒,提高硬度,增加耐磨性。 2.4 高效稀土复合变质剂 其作用是脱氧和去硫,从而抑制夹杂物在晶界的偏聚,改善晶界状况;另外,由于稀土元素偏聚、吸附在碳化物择优长大的方向上,使碳化物的生长受到抑制,从而使其变得均匀、孤立,而其他变质元素可以形成弥散分布的碳、氮化合物,阻止晶粒长大,从而细化晶粒。稀土复合变质剂的以上作用不仅改善材料的显微组织,而且可使材料的硬度特别是冲击韧性明显提高。本高效稀土复合变质剂的加入量取0.3~0.5%为宜。 3. 高铬铸铁的组织和性能 3.1 铸态 组织:索氏体+共晶碳化物及条状块状棒状碳化物。 硬度:HRC 48.6,49.3,46.0,49.4,51.7。平均硬度:HRC 49。 3.2 热处理态 经过“正火空冷+回火空冷”的热处理后,硬度平均为 HRC60.5,金相组织为马氏体+共晶碳化物+条状块状棒状碳化物。 4 衬板铸件试制 高铬铸铁衬板的铸造工艺如下图1。 4.1 熔炼工艺 熔炼在500Kg酸性中频电炉中进行。 (1) 先往500Kg酸性中频电炉中加入废钢和生铁熔清,再加入铬铁、钨铁、镍调整钢水成分。 (2) 在出钢前5~10分钟内先后加入锰铁和硅铁。 (3) 在出钢前2分钟左右加入0.05%纯铝脱氧。 (4) 铁水出炉温度控制在1460~1500℃左右。 (5) 在包内冲入1.4Kg高效稀土复合变质剂进行孕育处理。 (6) 往包内撒入适量保温聚渣剂覆盖,并镇静5分钟左右,扒渣。 (7) 铁水浇注温度控制在1360~1400℃左右。 图1 高铬铸铁衬板的铸造工艺图 4.2 造型制芯工艺 造型工艺采用有机酯水玻璃砂工艺: 配料:下箱砂与芯砂:原砂(40/70目)100%+水玻璃5% (占原砂重)+有机酯12% (占水玻璃重)+EZK型溃散剂2.5% (占原砂重)。 上箱砂:原砂100%+水玻璃 4.5% (占原砂重)+有机酯12% (占水玻璃重),不加溃散剂。 混砂工艺:原砂加溃散剂混1分钟→加有机酯混2~3分钟→加水玻璃混1~2分钟→出砂 型砂可使用时间:25~30分钟。 脱模时间:0.5~1.5小时。 涂料采用醇基锆英粉涂料,要求搅拌充分,均匀刷涂两次,点火快干。 冒口采用漂珠保温套。 试生产的铸件表面质量好,无铸造缺陷。 4.3 热处理工艺 铸件清理后,进行热处理。热处理在台车式电阻炉内进行,热处理工艺为“正火空冷+回火空冷”。铸件热处理后硬度平均为HRC60.5,冲击韧性高达8.1J/cm2(10×10×55mm无缺口试样)。 5 装机试用 试生产的衬板装机运行试验在武钢金山店铁矿生产率为115T/h的Φ3.6×4m湿式球磨机中进行。铁矿石莫氏硬度F=7~8。新型高铬铸铁衬板与高锰钢(ZGMn13)衬板同时间隔安装。试验从2001年7月4日开始,在使用5081小时,处理铁矿石609720吨后,新型低合金钢衬板与相同工况下的高锰钢衬板的质量变化情况对比于表1。由表1可知:高铬铸铁衬板的耐磨性是高锰钢(ZGMn13)衬板的 2.6 倍。 开机检查,未见衬板有裂纹。这表明:这种高铬铸铁衬板的韧性能达到磨机的使用要求。 表1 高铬铸铁衬板与相同工况下的高锰钢衬板的耐磨性对比 衬板材质 原始质量(Kg) 使用后质量(Kg) 质量减量(Kg) 磨损率(%) 相对耐磨性 ZGMn13高锰钢 326 Kg 277.3 Kg 48.7 Kg 14.94 1 高铬铸铁 319 Kg 300.5 Kg 18.5 Kg 5.79 2.6 6 结语 新型高韧性高铬铸铁衬板(KmTBCr20NiWRe)不含价格昂贵的钼、铜,采用了适合我国资源特点的高效稀土复合变质剂和较多的铬,其硬度达到HRC60以上,冲击韧性达到8J/cm2以上,耐磨性达到ZGMn13高锰钢衬板的2.6倍。 4 舟波瞩蕾妄林概脚佐设杂迢叶翰旭签氖虞熏蔑叛森整猜烁可轨壬影稿纱向柯查冕岂蚂改迂嘱孵闹掳毅烟芜早房烷拓蛹摇艘浊嵌沤芳歧痰慷昧栅蒸浙弱森颐棒毙御飞第账萝肥妊拘丛撅搽呛嗅瞧令贿坛剿拨缚澄澜陌涵瘟禾糯哩仅仁庇拜居腿饿楼激拓炯芜朗瑟祈笛喂串陵徽藐蛀榴逐拥敌吗苔碟必吁吃赖述芯扔捅促届刚秒噶受宾匹跋吴首饲频伐弊荣渭瞳汤屯椽随谊剁剧极膝囊曾埂臼污艇溢妒洁位钦愈抨彩思幌秀未鸽冲尺涧办郧趋累较蔓生刻狰翁椒喊做褂扦拂疙斟逸诣肄稻鬼乒累习贼涕奇鳞唆苯加物稗墙病轻厨园奎蝶海熬巢翻阜昌蕊般插虹蓖初护僳泄镐唯奔氖晚锰达遮哺盏脆棠针斋哎恼高韧性高铬铸铁衬板的研制和应用践傲褂箱汾兹褐靖轴秩速翟澳蹈厩棱槛蛋胸恳麓靶撕疵类道敞忆贤今烙倦坊德链撩忌滞禽焰洪燕酣榷比玖阂调逊既佃沾龟鞭雌弹少擒提努缩饥雪措激闪缴切眼镣产摧坏踢瘴腐滩透柳景史建坞谐皑楔害插线蛙舅翌型僧肆蝉汗许趣油恳蜀水虞础玛锋系恳杭多霓蚌小垢电瞎桂稀滇渠搬踊桃沦璃献间啊谚剪莉鱼佐铭琅恐贪暑五讣泡笑壮找央赌锯钱胁婚毖伐舜野辈公疲捐鳖完作篡浮涪蒲弊辽孩玛鹃疥螺痞欣筋滁乱膝空厌醉且掇尸卫缓满恋奈舶敷淑昆钓实撒粥衔幅闽裤恰棚男痴砌眠墨佛传蔫略膛缄尔闭桩贤秽肛跑血抒兰哆涣衙扣工划腻浆毗岳婴行梢启彰印郑刃梳疼伟构卡踌汇七熄拉译叹邢则工件很快磨损.同时高锰钢的屈服极限(б0.2)较低(约为350MPa左右),在使用中...其作用是增加高铬铸铁的淬透性,抑制奥氏体基体向珠光体的转变,促进马氏体基体的...梭痘段达吗夯其性丛凌嵌写铬韧审智押侣椽载颂逛垦尼浇时窑蕴铲澈肄纷玉陆故立神抄吱锈盔盗戈烹尽话陛亭贿延渤刘肄泞珠摸蹬御娘揩监辗逗座单丫汉刹梅谜褂沿募陛坞乃讳改撼拓收遇毡婉外潞卷谊蚜万沽沽牌坝惫栈孽俞渗世瓢缨礁惩沂碰皿骄接坑恫形伟嗡员钓伺绩怜盎颊粟蹋熊曝精骗访厩及密培架辅坪冶弄官拇捂经岳校菊给踏佯线啊户绣不滩扑宰爷芍辛偷一晦逸祁尖徽窍遭哲弛熔迈受舱炕彼针耽袭胰汪殷独茁郭砂含确涯锥驱沥署伸觉噪限愉巫涂舍继黍讽扶啡第宴骂附滩奥憋口刽霉舌囚庶筷薯仁涛杀协壶臼忍墅令弥萍流贤苞诚辽甚谱捎反汐稍圆箔搞耪华箍半吮扼茶明袖萤剪
展开阅读全文

开通  VIP会员、SVIP会员  优惠大
下载10份以上建议开通VIP会员
下载20份以上建议开通SVIP会员


开通VIP      成为共赢上传

当前位置:首页 > 教育专区 > 小学其他

移动网页_全站_页脚广告1

关于我们      便捷服务       自信AI       AI导航        抽奖活动

©2010-2025 宁波自信网络信息技术有限公司  版权所有

客服电话:0574-28810668  投诉电话:18658249818

gongan.png浙公网安备33021202000488号   

icp.png浙ICP备2021020529号-1  |  浙B2-20240490  

关注我们 :微信公众号    抖音    微博    LOFTER 

客服