收藏 分销(赏)

CC2530中断源.docx

上传人:pc****0 文档编号:9008876 上传时间:2025-03-11 格式:DOCX 页数:13 大小:238.15KB 下载积分:10 金币
下载 相关 举报
CC2530中断源.docx_第1页
第1页 / 共13页
CC2530中断源.docx_第2页
第2页 / 共13页


点击查看更多>>
资源描述
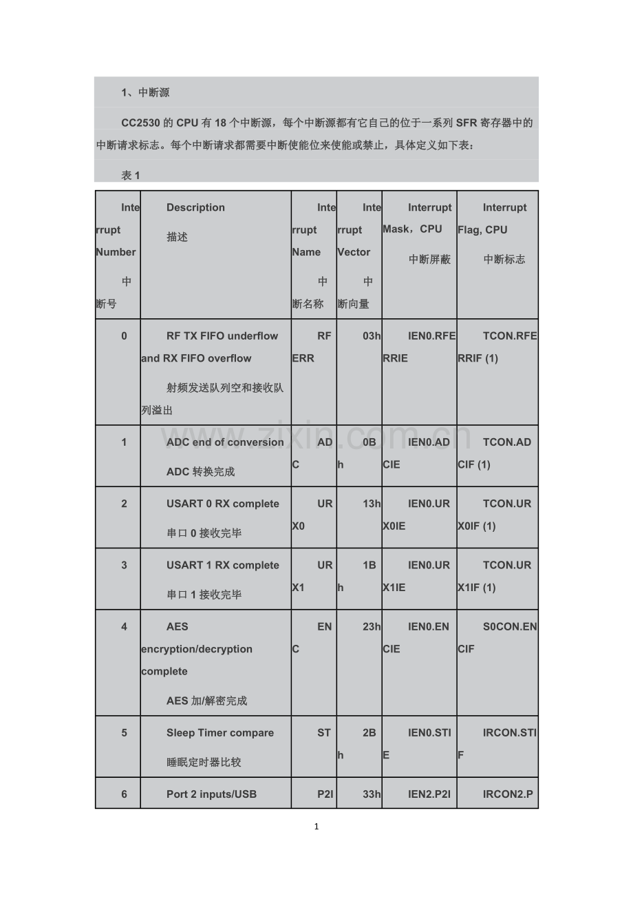
1、中断源 CC2530的CPU有18个中断源,每个中断源都有它自己的位于一系列SFR寄存器中的中断请求标志。每个中断请求都需要中断使能位来使能或禁止,具体定义如下表: 表1 Interrupt Number 中断号 Description 描述 Interrupt Name 中断名称 Interrupt Vector 中断向量 Interrupt Mask,CPU 中断屏蔽 Interrupt Flag, CPU 中断标志 0 RF TX FIFO underflow and RX FIFO overflow 射频发送队列空和接收队列溢出 RFERR 03h IEN0.RFERRIE TCON.RFERRIF (1) 1 ADC end of conversion ADC转换完成 ADC 0Bh IEN0.ADCIE TCON.ADCIF (1) 2 USART 0 RX complete 串口0接收完毕 URX0 13h IEN0.URX0IE TCON.URX0IF (1) 3 USART 1 RX complete 串口1接收完毕 URX1 1Bh IEN0.URX1IE TCON.URX1IF (1) 4 AES encryption/decryption complete AES加/解密完成 ENC 23h IEN0.ENCIE S0CON.ENCIF 5 Sleep Timer compare 睡眠定时器比较 ST 2Bh IEN0.STIE IRCON.STIF 6 Port 2 inputs/USB 端口2输入/USB P2INT 33h IEN2.P2IE IRCON2.P2IF (2) 7 USART 0 TX complete 串口0发送完毕 UTX0 3Bh IEN2.UTX0IE IRCON2.UTX0IF 8 DMA transfer complete DMA发送完成 DMA 43h IEN1.DMAIE IRCON.DMAIF 9 Timer 1 (16-bit) capture/compare/overflow 定时器1(16位)捕获/比较/溢出 T1 4Bh IEN1.T1IE IRCON.T1IF (1) (2) 10 Timer 2 定时器2(MAC定时器) T2 53h IEN1.T2IE IRCON.T2IF (1) (2) 11 Timer 3 (8-bit) compare/overflow 定时器3(8位)比较/溢出 T3 5Bh IEN1.T3IE IRCON.T3IF (1) (2) 12 Timer 4 (8-bit) compare/overflow 定时器4(8位)比较/溢出 T4 63h IEN1.T4IE IRCON.T4IF (1) (2) 13 Port 0 inputs 端口0输入 P0INT 6Bh IEN1.P0IE IRCON.P0IF (2) 14 USART 1 TX complete 串口1发送完毕 UTX1 73h IEN2.UTX1IE IRCON2.UTX1IF 15 Port 1 inputs 端口1输入 P1INT 7Bh IEN2.P1IE IRCON2.P1IF (2) 16 RF general interrupts RF通用中断 RF 83h IEN2.RFIE S1CON.RFIF (2) 17 Watchdog overflow in timer mode 看门狗计时溢出 WDT 8Bh IEN2.WDTIE IRCON2.WDTIF (1) Hardware-cleared when interrupt service routine is called(当中断服务例程被调用后,硬件清除标志位) (2) Additioal IRQ mask and IRQ flag bits exist.(附加中断屏蔽和中断标志位存在)   2、中断屏蔽 每个中断通过IEN0、IEN1、IEN2里的相应中断使能位来禁止或启用,具体如下表。 中断使能寄存器(IEN0,IEN1,IEN2)(0:中断禁止  1:中断使能) 表2 端口 Bit位 名称 初始化 读/写 描述 IEN0 7 EA 0 R/W 禁止所有中断 0:无中断被确认。 1:通过设置对应的使能位,将每个中断源分别使能或禁止。 6 – 0 R0 不使用,读取为0值 5 STIE 0 R/W 睡眠定时器中断使能 4 ENCIE 0 R/W AES加解密中断使能 3 URX1IE 0 R/W 串口1接收中断使能 2 URX0IE 0 R/W 串口0接收中断使能 1 ADCIE 0 R/W ADC中断使能 0 RFERRIE 0 R/W RF接收/发送队列中断使能 IEN1 7:6 – 00 R0 不使用,读取为0值 5 P0IE 0 R/W 端口0中断使能 4 T4IE 0 R/W 定时器4中断使能 3 T3IE 0 R/W 定时器3中断使能 2 T2IE 0 R/W 定时器2中断使能 1 T1IE 0 R/W 定时器1中断使能 0 DMAIE 0 R/W DMA传输中断使能 IEN2 7:6 – 00 R0 不使用,读取为0值 5 WDTIE 0 R/W 看门狗中断使能 4 P1IE 0 R/W 端口1中断使能 3 UTX1IE 0 R/W 串口1中断使能 2 UTX0IE 0 R/W 串口0中断使能 1 P2IE 0 R/W 端口2中断使能 0 RFIE 0 R/W RF通用中断使能   注意某些外部设备会因为若干事件产生中断请求。这些中断请求可以作用在端口0、端口1、端口2、定时器1、定时器2、定时器3、定时器4或者无线上。这些外部设备在相应的寄存器里都有一个内部中断源的中断屏蔽位。 为了启用中断,需要以下步骤: (1)清除中断标志位(Clear interrupt flags); (2)如果有,则设置SFR寄存器中对应的各中断使能位; (3)设置寄存器IEN0、IEN1和IEN2中对应的中断使能位为1; (4)设置全局中断位IEN0.EA为1; (5)在该中断对应的向量地址上,运行该中断的服务程序。          下图给出了所有中断源及其相关的控制和状态寄存器的概述图;当中断服务程序被执行后,阴影框的中断标志位将被硬件自动清除;    3、中断处理        当中断发生时,CPU就指向表1所描述的中断向量地址。一旦中断服务开始,就只能够被更高优先级的中断打断。中断服务程序由指令RETI终止,当执行RETI后,CPU将返回到中断发生时的下一条指令。        当中断发生时,不管该中断使能或禁止,CPU都会在中断标志寄存器中设置中断标志位。当中断使能时,首先设置中断标志,然后在下一个指令周期,由硬件强行产生一个LCALL到对应的向量地址,运行中断服务程序。        新中断的响应,取决于该中断发生时CPU的状态。当CPU正在运行的中断服务程序,其优先级大于或等于新的中断时,新的中断暂不运行,直至新的中断的优先级高于正在运行的中断服务程序。中断响应的时间取决于当前的指令,最快的为7个机器指令周期,其中1个机器指令周期用于检测中断,其余6个用来执行LCALL。 中断标志 寄存器 Bit位 名称 初始化 读/写 描述 TCON 7 URX1IF 0 R/W H0 USART 1 RX中断标志。当中断发生时设1,当CPU向量指向中断服务例程时清0。 0:无中断未决 1:中断未决 6 – 0 R/W 不使用 5 ADCIF 0 R/W H0 ADC中断标志。当中断发生时设1,当CPU向量指向中断服务例程时清0。 0:无中断未决 1:中断未决 4 – 0 R/W 不使用 3 URX0IF 0 R/W H0 USART 0 RX中断标志。当中断发生时设1,当CPU向量指向中断服务例程时清0。 0:无中断未决 1:中断未决 2 IT1 1 R/W 保留。必须一直设1。 1 RFERRIF 0 R/W H0 RF TX/RX FIFO中断标志。当中断发生时设1,当CPU向量指向中断服务例程时清0。 0:无中断未决 1:中断未决 0 IT0 1 R/W 保留。必须一直设1。 S0CON 7:2 – 000000 R/W 不使用 1 ENCIF_1 0 R/W AES中断。ENC有两个中断标志位,ENCIF_1和ENCIF_0。设置其中一个标志就好请求中断服务。当AES协处理器请求中断时,两个标志都有设置。 0:无中断未决 1:中断未决 0 ENCIF_0 0 R/W AES中断。ENC有两个中断标志位,ENCIF_1和ENCIF_0。设置其中一个标志就好请求中断服务。当AES协处理器请求中断时,两个标志都有设置。 0:无中断未决 1:中断未决 S1CON 7:2 – 000000 R/W 不使用 1 RFIF_1 0 R/W RF一般中断。RF有两个中断标志,RFIF_1和RFIF_0,设置其中一个标志就会请求中断服务。当无线电请求中断时两个标志都有设置。 0:无中断未决 1:中断未决 0 RFIF_0 0 R/W RF一般中断。RF有两个中断标志,RFIF_1和RFIF_0,设置其中一个标志就会请求中断服务。当无线电请求中断时两个标志都有设置。 0:无中断未决 1:中断未决 IRCON 7 STIF 0 R/W 睡眠定时器中断标志位 0:无中断未决 1:中断未决 6 -- 0 R/W 必须一直设0。 5 P0IF 0 R/W 端口0中断标志 0:无中断未决 1:中断未决 4 T4IF 0 R/W H0 定时器4中断标志。当中断发生时设1,当CPU向量指向中断服务例程时清0。 0:无中断未决 1:中断未决 3 T3IF 0 R/W H0 定时器3中断标志。当中断发生时设1,当CPU向量指向中断服务例程时清0。 0:无中断未决 1:中断未决 2 T2IF 0 R/W H0 定时器2中断标志。当中断发生时设1,当CPU向量指向中断服务例程时清0。 0:无中断未决 1:中断未决 1 T1IF 0 R/W H0 定时器1中断标志。当中断发生时设1,当CPU向量指向中断服务例程时清0。 0:无中断未决 1:中断未决 0 DMAIF 0 R/W DMA完成中断标志 0:无中断未决 1:中断未决 IRCON2 7:5 – 000 R/W 不使用 4 WDTIF 0 R/W 看门狗定时器中断标志 0:无中断未决 1:中断未决 3 P1IF 0 R/W 端口1中断标志 0:无中断未决 1:中断未决 2 UTX1IF 0 R/W USART 1 TX中断标志 0:无中断未决 1:中断未决 1 UTX0IF 0 R/W USART 0 TX中断标志 0:无中断未决 1:中断未决 0 P2IF 0 R/W 端口2中断标志 0:无中断未决 1:中断未决   4、中断优先级        中断可划分为6个中断优先组,每组的优先级通过设置寄存器IP0和IP1来实现。为了给中断(也就是它所在的中断优先组)赋值优先级,需要设置IP0和IP1的对应位。 表4-1 端口 Bit位 名称 初始化 读/写 描述 IP1 7:6 -- 00 R/W 没使用 5 IP1_IPG5 0 R/W 中断第5组,优先级控制位1,参考表4-3 4 IP1_IPG4 0 R/W 中断第4组,优先级控制位1,参考表4-3 3 IP1_IPG3 0 R/W 中断第3组,优先级控制位1,参考表4-3 2 IP1_IPG2 0 R/W 中断第2组,优先级控制位1,参考表4-3 1 IP1_IPG1 0 R/W 中断第1组,优先级控制位1,参考表4-3 0 IP1_IPG0 0 R/W 中断第0组,优先级控制位1,参考表4-3 IP0 7:6 -- 00 R/W 没使用 5 IP0_IPG5 0 R/W 中断第5组,优先级控制位0,参考表4-3 4 IP0_IPG4 0 R/W 中断第4组,优先级控制位0,参考表4-3 3 IP0_IPG3 0 R/W 中断第3组,优先级控制位0,参考表4-3 2 IP0_IPG2 0 R/W 中断第2组,优先级控制位0,参考表4-3 1 IP0_IPG1 0 R/W 中断第1组,优先级控制位0,参考表4-3 0 IP0_IPG0 0 R/W 中断第0组,优先级控制位0,参考表4-3   表4-2 优先级设置 IP1_X IP0_X 优先级 0 0 0 – 最低级别 0 1 1 1 0 2 1 1 3 – 最高级别          中断优先级及其赋值的中断源显示在表4-3中,每组赋值为4个中断优先级之一。当进行中断服务请求时,不允许被同级或较低级别的中断打断。 表4-3 中断优先组 组 中断 IPG0 PEERR RF DMA IPG1 ADC T1 P2INT IPG2 URX0 T2 UTX0 IPG3 URX1 T3 UTX1 IPG4 ENC T4 P1INT IPG5 ST P0INT WDT          当同时收到几个相同优先级的中断请求时,采用表4-4所列的轮流检测顺序来判定哪个中断优先响应。 表4-4中断轮流检测顺序 中断向量编号 中断名称   0 RFERR 轮流检测顺序 ↓ 16 RF 8 DMA 1 ADC 9 T1 2 URX0 10 T2 3 URX1 11 T3 4 ENC 12 T4 5 ST 13 P0INT 6 P2INT 7 UTX0 14 UTX1 15 P1INT 17 WDT   13
展开阅读全文

开通  VIP会员、SVIP会员  优惠大
下载10份以上建议开通VIP会员
下载20份以上建议开通SVIP会员


开通VIP      成为共赢上传

当前位置:首页 > 包罗万象 > 大杂烩

移动网页_全站_页脚广告1

关于我们      便捷服务       自信AI       AI导航        抽奖活动

©2010-2025 宁波自信网络信息技术有限公司  版权所有

客服电话:0574-28810668  投诉电话:18658249818

gongan.png浙公网安备33021202000488号   

icp.png浙ICP备2021020529号-1  |  浙B2-20240490  

关注我们 :微信公众号    抖音    微博    LOFTER 

客服