收藏 分销(赏)

普通方案报审批.docx

上传人:仙人****88 文档编号:8950912 上传时间:2025-03-09 格式:DOCX 页数:25 大小:96.72KB 下载积分:10 金币
下载 相关 举报
普通方案报审批.docx_第1页
第1页 / 共25页
普通方案报审批.docx_第2页
第2页 / 共25页


点击查看更多>>
资源描述
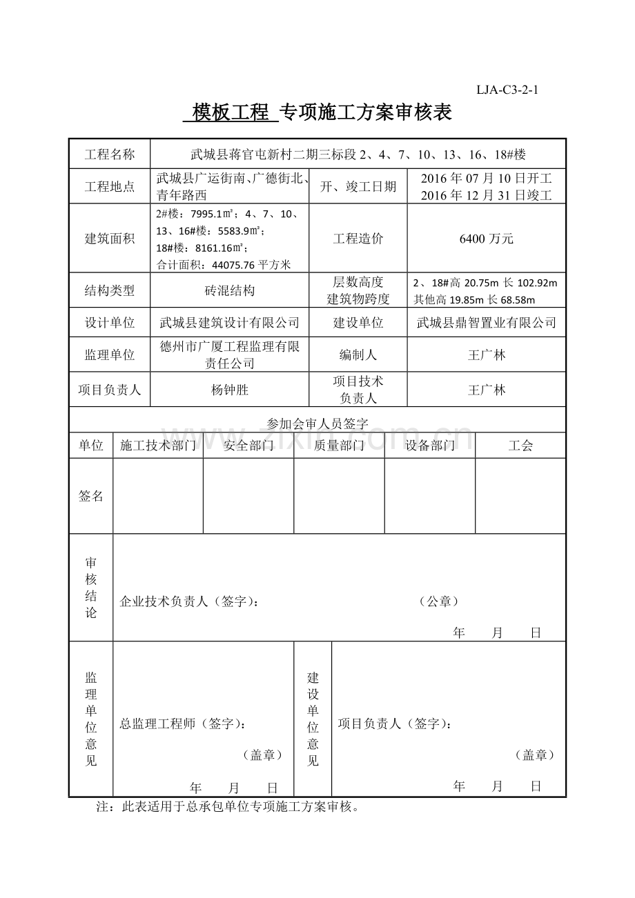
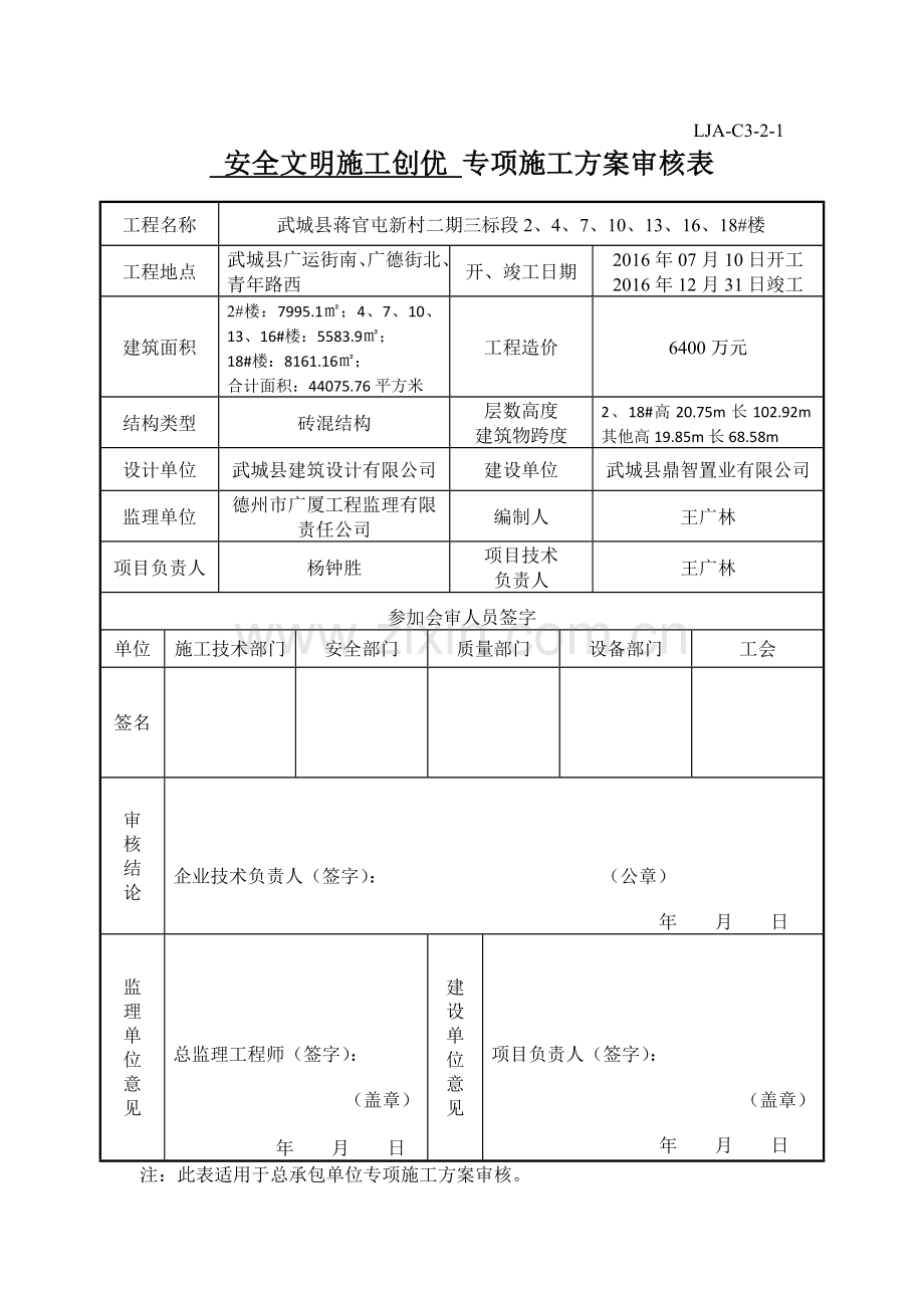
LJA-C3-2-1 安全文明施工创优 专项施工方案审核表 工程名称 武城县蒋官屯新村二期三标段2、4、7、10、13、16、18#楼 工程地点 武城县广运街南、广德街北、青年路西 开、竣工日期 2016年07月10日开工 2016年12月31日竣工 建筑面积 2#楼:7995.1㎡;4、7、10、13、16#楼:5583.9㎡; 18#楼:8161.16㎡; 合计面积:44075.76平方米 工程造价 6400万元 结构类型 砖混结构 层数高度 建筑物跨度 2、18#高20.75m长102.92m其他高19.85m长68.58m 设计单位 武城县建筑设计有限公司 建设单位 武城县鼎智置业有限公司 监理单位 德州市广厦工程监理有限责任公司 编制人 王广林 项目负责人 杨钟胜 项目技术 负责人 王广林 参加会审人员签字 单位 施工技术部门 安全部门 质量部门 设备部门 工会 签名 审 核 结 论                   企业技术负责人(签字): (公章)                      年  月  日 监 理 单 位 意 见 总监理工程师(签字): (盖章)                    年  月  日 建 设 单 位 意 见 项目负责人(签字): (盖章)                     年  月  日 注:此表适用于总承包单位专项施工方案审核。 LJA-C3-2-1 模板工程 专项施工方案审核表 工程名称 武城县蒋官屯新村二期三标段2、4、7、10、13、16、18#楼 工程地点 武城县广运街南、广德街北、青年路西 开、竣工日期 2016年07月10日开工 2016年12月31日竣工 建筑面积 2#楼:7995.1㎡;4、7、10、13、16#楼:5583.9㎡; 18#楼:8161.16㎡; 合计面积:44075.76平方米 工程造价 6400万元 结构类型 砖混结构 层数高度 建筑物跨度 2、18#高20.75m长102.92m其他高19.85m长68.58m 设计单位 武城县建筑设计有限公司 建设单位 武城县鼎智置业有限公司 监理单位 德州市广厦工程监理有限责任公司 编制人 王广林 项目负责人 杨钟胜 项目技术 负责人 王广林 参加会审人员签字 单位 施工技术部门 安全部门 质量部门 设备部门 工会 签名 审 核 结 论                   企业技术负责人(签字): (公章)                      年  月  日 监 理 单 位 意 见 总监理工程师(签字): (盖章)                    年  月  日 建 设 单 位 意 见 项目负责人(签字): (盖章)                     年  月  日 注:此表适用于总承包单位专项施工方案审核。 LJA-C3-2-1 金属扣件双排落地式脚手架 专项施工方案审核表 工程名称 武城县蒋官屯新村二期三标段2、4、7、10、13、16、18#楼 工程地点 武城县广运街南、广德街北、青年路西 开、竣工日期 2016年07月10日开工 2016年12月31日竣工 建筑面积 2#楼:7995.1㎡;4、7、10、13、16#楼:5583.9㎡; 18#楼:8161.16㎡; 合计面积:44075.76平方米 工程造价 6400万元 结构类型 砖混结构 层数高度 建筑物跨度 2、18#高20.75m长102.92m其他高19.85m长68.58m 设计单位 武城县建筑设计有限公司 建设单位 武城县鼎智置业有限公司 监理单位 德州市广厦工程监理有限责任公司 编制人 王广林 项目负责人 杨钟胜 项目技术 负责人 王广林 参加会审人员签字 单位 施工技术部门 安全部门 质量部门 设备部门 工会 签名 审 核 结 论                   企业技术负责人(签字): (公章)                      年  月  日 监 理 单 位 意 见 总监理工程师(签字): (盖章)                    年  月  日 建 设 单 位 意 见 项目负责人(签字): (盖章)                     年  月  日 注:此表适用于总承包单位专项施工方案审核。 LJA-C3-2-1 群塔作业 专项施工方案审核表 工程名称 武城县蒋官屯新村二期三标段2、4、7、10、13、16、18#楼 工程地点 武城县广运街南、广德街北、青年路西 开、竣工日期 2016年07月10日开工 2016年12月31日竣工 建筑面积 2#楼:7995.1㎡;4、7、10、13、16#楼:5583.9㎡; 18#楼:8161.16㎡; 合计面积:44075.76平方米 工程造价 6400万元 结构类型 砖混结构 层数高度 建筑物跨度 2、18#高20.75m长102.92m其他高19.85m长68.58m 设计单位 武城县建筑设计有限公司 建设单位 武城县鼎智置业有限公司 监理单位 德州市广厦工程监理有限责任公司 编制人 王广林 项目负责人 杨钟胜 项目技术 负责人 王广林 参加会审人员签字 单位 施工技术部门 安全部门 质量部门 设备部门 工会 签名 审 核 结 论                   企业技术负责人(签字): (公章)                      年  月  日 监 理 单 位 意 见 总监理工程师(签字): (盖章)                    年  月  日 建 设 单 位 意 见 项目负责人(签字): (盖章)                     年  月  日 注:此表适用于总承包单位专项施工方案审核。 LJA-C3-2-1 两年治理两年行动 专项施工方案审核表 工程名称 武城县蒋官屯新村二期三标段2、4、7、10、13、16、18#楼 工程地点 武城县广运街南、广德街北、青年路西 开、竣工日期 2016年07月10日开工 2016年12月31日竣工 建筑面积 2#楼:7995.1㎡;4、7、10、13、16#楼:5583.9㎡; 18#楼:8161.16㎡; 合计面积:44075.76平方米 工程造价 6400万元 结构类型 砖混结构 层数高度 建筑物跨度 2、18#高20.75m长102.92m其他高19.85m长68.58m 设计单位 武城县建筑设计有限公司 建设单位 武城县鼎智置业有限公司 监理单位 德州市广厦工程监理有限责任公司 编制人 王广林 项目负责人 杨钟胜 项目技术 负责人 王广林 参加会审人员签字 单位 施工技术部门 安全部门 质量部门 设备部门 工会 签名 审 核 结 论                   企业技术负责人(签字): (公章)                      年  月  日 监 理 单 位 意 见 总监理工程师(签字): (盖章)                    年  月  日 建 设 单 位 意 见 项目负责人(签字): (盖章)                     年  月  日 注:此表适用于总承包单位专项施工方案审核。 LJA-C3-2-1 质量创天衢杯 专项施工方案审核表 工程名称 武城县蒋官屯新村二期三标段2、4、7、10、13、16、18#楼 工程地点 武城县广运街南、广德街北、青年路西 开、竣工日期 2016年07月10日开工 2016年12月31日竣工 建筑面积 2#楼:7995.1㎡;4、7、10、13、16#楼:5583.9㎡; 18#楼:8161.16㎡; 合计面积:44075.76平方米 工程造价 6400万元 结构类型 砖混结构 层数高度 建筑物跨度 2、18#高20.75m长102.92m其他高19.85m长68.58m 设计单位 武城县建筑设计有限公司 建设单位 武城县鼎智置业有限公司 监理单位 德州市广厦工程监理有限责任公司 编制人 王广林 项目负责人 杨钟胜 项目技术 负责人 王广林 参加会审人员签字 单位 施工技术部门 安全部门 质量部门 设备部门 工会 签名 审 核 结 论                   企业技术负责人(签字): (公章)                      年  月  日 监 理 单 位 意 见 总监理工程师(签字): (盖章)                    年  月  日 建 设 单 位 意 见 项目负责人(签字): (盖章)                     年  月  日 注:此表适用于总承包单位专项施工方案审核。 LJA-C3-2-1 起重吊装 专项施工方案审核表 工程名称 武城县蒋官屯新村二期三标段2、4、7、10、13、16、18#楼 工程地点 武城县广运街南、广德街北、青年路西 开、竣工日期 2016年07月10日开工 2016年12月31日竣工 建筑面积 2#楼:7995.1㎡;4、7、10、13、16#楼:5583.9㎡; 18#楼:8161.16㎡; 合计面积:44075.76平方米 工程造价 6400万元 结构类型 砖混结构 层数高度 建筑物跨度 2、18#高20.75m长102.92m其他高19.85m长68.58m 设计单位 武城县建筑设计有限公司 建设单位 武城县鼎智置业有限公司 监理单位 德州市广厦工程监理有限责任公司 编制人 王广林 项目负责人 杨钟胜 项目技术 负责人 王广林 参加会审人员签字 单位 施工技术部门 安全部门 质量部门 设备部门 工会 签名 审 核 结 论                   企业技术负责人(签字): (公章)                      年  月  日 监 理 单 位 意 见 总监理工程师(签字): (盖章)                    年  月  日 建 设 单 位 意 见 项目负责人(签字): (盖章)                     年  月  日 注:此表适用于总承包单位专项施工方案审核。 LJA-C3-2-1 扬尘治理 专项施工方案审核表 工程名称 武城县蒋官屯新村二期三标段2、4、7、10、13、16、18#楼 工程地点 武城县广运街南、广德街北、青年路西 开、竣工日期 2016年07月10日开工 2016年12月31日竣工 建筑面积 2#楼:7995.1㎡;4、7、10、13、16#楼:5583.9㎡; 18#楼:8161.16㎡; 合计面积:44075.76平方米 工程造价 6400万元 结构类型 砖混结构 层数高度 建筑物跨度 2、18#高20.75m长102.92m其他高19.85m长68.58m 设计单位 武城县建筑设计有限公司 建设单位 武城县鼎智置业有限公司 监理单位 德州市广厦工程监理有限责任公司 编制人 王广林 项目负责人 杨钟胜 项目技术 负责人 王广林 参加会审人员签字 单位 施工技术部门 安全部门 质量部门 设备部门 工会 签名 审 核 结 论                   企业技术负责人(签字): (公章)                      年  月  日 监 理 单 位 意 见 总监理工程师(签字): (盖章)                    年  月  日 建 设 单 位 意 见 项目负责人(签字): (盖章)                     年  月  日 注:此表适用于总承包单位专项施工方案审核。 LJA-C3-2-1 塔吊基础 专项施工方案审核表 工程名称 武城县蒋官屯新村二期三标段2、4、7、10、13、16、18#楼 工程地点 武城县广运街南、广德街北、青年路西 开、竣工日期 2016年07月10日开工 2016年12月31日竣工 建筑面积 2#楼:7995.1㎡;4、7、10、13、16#楼:5583.9㎡; 18#楼:8161.16㎡; 合计面积:44075.76平方米 工程造价 6400万元 结构类型 砖混结构 层数高度 建筑物跨度 2、18#高20.75m长102.92m其他高19.85m长68.58m 设计单位 武城县建筑设计有限公司 建设单位 武城县鼎智置业有限公司 监理单位 德州市广厦工程监理有限责任公司 编制人 王广林 项目负责人 杨钟胜 项目技术 负责人 王广林 参加会审人员签字 单位 施工技术部门 安全部门 质量部门 设备部门 工会 签名 审 核 结 论                   企业技术负责人(签字): (公章)                      年  月  日 监 理 单 位 意 见 总监理工程师(签字): (盖章)                    年  月  日 建 设 单 位 意 见 项目负责人(签字): (盖章)                     年  月  日 注:此表适用于总承包单位专项施工方案审核。 LJA-C3-2-1 塔吊安装与拆除 专项施工方案审核表 工程名称 武城县蒋官屯新村二期三标段2、4、7、10、13、16、18#楼 工程地点 武城县广运街南、广德街北、青年路西 开、竣工日期 2016年07月10日开工 2016年12月31日竣工 建筑面积 2#楼:7995.1㎡;4、7、10、13、16#楼:5583.9㎡; 18#楼:8161.16㎡; 合计面积:44075.76平方米 工程造价 6400万元 结构类型 砖混结构 层数高度 建筑物跨度 2、18#高20.75m长102.92m其他高19.85m长68.58m 设计单位 武城县建筑设计有限公司 建设单位 武城县鼎智置业有限公司 监理单位 德州市广厦工程监理有限责任公司 编制人 王广林 项目负责人 杨钟胜 项目技术 负责人 王广林 参加会审人员签字 单位 施工技术部门 安全部门 质量部门 设备部门 工会 签名 审 核 结 论                   企业技术负责人(签字): (公章)                      年  月  日 监 理 单 位 意 见 总监理工程师(签字): (盖章)                    年  月  日 建 设 单 位 意 见 项目负责人(签字): (盖章)                     年  月  日 注:此表适用于总承包单位专项施工方案审核。 LJA-C3-2-1 项目部应急救援与应急响应预案 专项施工方案审核表 工程名称 武城县蒋官屯新村二期三标段2、4、7、10、13、16、18#楼 工程地点 武城县广运街南、广德街北、青年路西 开、竣工日期 2016年07月10日开工 2016年12月31日竣工 建筑面积 2#楼:7995.1㎡;4、7、10、13、16#楼:5583.9㎡; 18#楼:8161.16㎡; 合计面积:44075.76平方米 工程造价 6400万元 结构类型 砖混结构 层数高度 建筑物跨度 2、18#高20.75m长102.92m其他高19.85m长68.58m 设计单位 武城县建筑设计有限公司 建设单位 武城县鼎智置业有限公司 监理单位 德州市广厦工程监理有限责任公司 编制人 王广林 项目负责人 杨钟胜 项目技术 负责人 王广林 参加会审人员签字 单位 施工技术部门 安全部门 质量部门 设备部门 工会 签名 审 核 结 论                   企业技术负责人(签字): (公章)                      年  月  日 监 理 单 位 意 见 总监理工程师(签字): (盖章)                    年  月  日 建 设 单 位 意 见 项目负责人(签字): (盖章)                     年  月  日 注:此表适用于总承包单位专项施工方案审核。 LJA-C3-2-1 企业应急救援与应急响应预案 专项施工方案审核表 工程名称 武城县蒋官屯新村二期三标段2、4、7、10、13、16、18#楼 工程地点 武城县广运街南、广德街北、青年路西 开、竣工日期 2016年07月10日开工 2016年12月31日竣工 建筑面积 2#楼:7995.1㎡;4、7、10、13、16#楼:5583.9㎡; 18#楼:8161.16㎡; 合计面积:44075.76平方米 工程造价 6400万元 结构类型 砖混结构 层数高度 建筑物跨度 2、18#高20.75m长102.92m其他高19.85m长68.58m 设计单位 武城县建筑设计有限公司 建设单位 武城县鼎智置业有限公司 监理单位 德州市广厦工程监理有限责任公司 编制人 王广林 项目负责人 杨钟胜 项目技术 负责人 王广林 参加会审人员签字 单位 施工技术部门 安全部门 质量部门 设备部门 工会 签名 审 核 结 论                   企业技术负责人(签字): (公章)                      年  月  日 监 理 单 位 意 见 总监理工程师(签字): (盖章)                    年  月  日 建 设 单 位 意 见 项目负责人(签字): (盖章)                     年  月  日 注:此表适用于总承包单位专项施工方案审核。 LJA-C3-2-1 预防五大伤害 专项施工方案审核表 工程名称 武城县蒋官屯新村二期三标段2、4、7、10、13、16、18#楼 工程地点 武城县广运街南、广德街北、青年路西 开、竣工日期 2016年07月10日开工 2016年12月31日竣工 建筑面积 2#楼:7995.1㎡;4、7、10、13、16#楼:5583.9㎡; 18#楼:8161.16㎡; 合计面积:44075.76平方米 工程造价 6400万元 结构类型 砖混结构 层数高度 建筑物跨度 2、18#高20.75m长102.92m其他高19.85m长68.58m 设计单位 武城县建筑设计有限公司 建设单位 武城县鼎智置业有限公司 监理单位 德州市广厦工程监理有限责任公司 编制人 王广林 项目负责人 杨钟胜 项目技术 负责人 王广林 参加会审人员签字 单位 施工技术部门 安全部门 质量部门 设备部门 工会 签名 审 核 结 论                   企业技术负责人(签字): (公章)                      年  月  日 监 理 单 位 意 见 总监理工程师(签字): (盖章)                    年  月  日 建 设 单 位 意 见 项目负责人(签字): (盖章)                     年  月  日 注:此表适用于总承包单位专项施工方案审核。 LJA-C3-2-1 职业病防治 专项施工方案审核表 工程名称 武城县蒋官屯新村二期三标段2、4、7、10、13、16、18#楼 工程地点 武城县广运街南、广德街北、青年路西 开、竣工日期 2016年07月10日开工 2016年12月31日竣工 建筑面积 2#楼:7995.1㎡;4、7、10、13、16#楼:5583.9㎡; 18#楼:8161.16㎡; 合计面积:44075.76平方米 工程造价 6400万元 结构类型 砖混结构 层数高度 建筑物跨度 2、18#高20.75m长102.92m其他高19.85m长68.58m 设计单位 武城县建筑设计有限公司 建设单位 武城县鼎智置业有限公司 监理单位 德州市广厦工程监理有限责任公司 编制人 王广林 项目负责人 杨钟胜 项目技术 负责人 王广林 参加会审人员签字 单位 施工技术部门 安全部门 质量部门 设备部门 工会 签名 审 核 结 论                   企业技术负责人(签字): (公章)                      年  月  日 监 理 单 位 意 见 总监理工程师(签字): (盖章)                    年  月  日 建 设 单 位 意 见 项目负责人(签字): (盖章)                     年  月  日 注:此表适用于总承包单位专项施工方案审核。 LJA-C3-2-1 安全文明施工 专项施工方案审核表 工程名称 武城县蒋官屯新村二期三标段2、4、7、10、13、16、18#楼 工程地点 武城县广运街南、广德街北、青年路西 开、竣工日期 2016年07月10日开工 2016年12月31日竣工 建筑面积 2#楼:7995.1㎡;4、7、10、13、16#楼:5583.9㎡; 18#楼:8161.16㎡; 合计面积:44075.76平方米 工程造价 6400万元 结构类型 砖混结构 层数高度 建筑物跨度 2、18#高20.75m长102.92m其他高19.85m长68.58m 设计单位 武城县建筑设计有限公司 建设单位 武城县鼎智置业有限公司 监理单位 德州市广厦工程监理有限责任公司 编制人 王广林 项目负责人 杨钟胜 项目技术 负责人 王广林 参加会审人员签字 单位 施工技术部门 安全部门 质量部门 设备部门 工会 签名 审 核 结 论                   企业技术负责人(签字): (公章)                      年  月  日 监 理 单 位 意 见 总监理工程师(签字): (盖章)                    年  月  日 建 设 单 位 意 见 项目负责人(签字): (盖章)                     年  月  日 注:此表适用于总承包单位专项施工方案审核。 LJA-C3-2-1 临时用电 专项施工方案审核表 工程名称 武城县蒋官屯新村二期三标段2、4、7、10、13、16、18#楼 工程地点 武城县广运街南、广德街北、青年路西 开、竣工日期 2016年07月10日开工 2016年12月31日竣工 建筑面积 2#楼:7995.1㎡;4、7、10、13、16#楼:5583.9㎡; 18#楼:8161.16㎡; 合计面积:44075.76平方米 工程造价 6400万元 结构类型 砖混结构 层数高度 建筑物跨度 2、18#高20.75m长102.92m其他高19.85m长68.58m 设计单位 武城县建筑设计有限公司 建设单位 武城县鼎智置业有限公司 监理单位 德州市广厦工程监理有限责任公司 编制人 王广林 项目负责人 杨钟胜 项目技术 负责人 王广林 参加会审人员签字 单位 施工技术部门 安全部门 质量部门 设备部门 工会 签名 审 核 结 论                   企业技术负责人(签字): (公章)                      年  月  日 监 理 单 位 意 见 总监理工程师(签字): (盖章)                    年  月  日 建 设 单 位 意 见 项目负责人(签字): (盖章)                     年  月  日 注:此表适用于总承包单位专项施工方案审核。 LJA-C3-2-1 隐患监控措施 专项施工方案审核表 工程名称 武城县蒋官屯新村二期三标段2、4、7、10、13、16、18#楼 工程地点 武城县广运街南、广德街北、青年路西 开、竣工日期 2016年07月10日开工 2016年12月31日竣工 建筑面积 2#楼:7995.1㎡;4、7、10、13、16#楼:5583.9㎡; 18#楼:8161.16㎡; 合计面积:44075.76平方米 工程造价 6400万元 结构类型 砖混结构 层数高度 建筑物跨度 2、18#高20.75m长102.92m其他高19.85m长68.58m 设计单位 武城县建筑设计有限公司 建设单位 武城县鼎智置业有限公司 监理单位 德州市广厦工程监理有限责任公司 编制人 王广林 项目负责人 杨钟胜 项目技术 负责人 王广林 参加会审人员签字 单位 施工技术部门 安全部门 质量部门 设备部门 工会 签名 审 核 结 论                   企业技术负责人(签字): (公章)                      年  月  日 监 理 单 位 意 见 总监理工程师(签字): (盖章)                    年  月  日 建 设 单 位 意 见 项目负责人(签字): (盖章)                     年  月  日 注:此表适用于总承包单位专项施工方案审核。 LJA-C3-2-1 施工组织设计审核表 工程名称 武城县蒋官屯新村二期三标段2、4、7、10、13、16、18#楼 工程地点 武城县广运街南、广德街北、青年路西 开、竣工日期 2016年07月10日开工 2016年12月31日竣工 建筑面积 2#楼:7995.1㎡;4、7、10、13、16#楼:5583.9㎡; 18#楼:8161.16㎡; 合计面积:44075.76平方米 工程造价 6400万元 结构类型 砖混结构 层数高度 建筑物跨度 2、18#高20.75m长102.92m其他高19.85m长68.58m 设计单位 武城县建筑设计有限公司 建设单位 武城县鼎智置业有限公司 监理单位 德州市广厦工程监理有限责任公司 编制人 王广林 项目负责人 杨钟胜 项目技术 负责人 王广林 参加会审人员签字 单位 施工技术部门 安全部门 质量部门 设备部门 工会 签名 审 核 结 论                   企业技术负责人(签字): (公章)                      年  月  日 监 理 单 位 意 见 总监理工程师(签字): (盖章)                    年  月  日 建 设 单 位 意 见 项目负责人(签字): (盖章)                     年  月  日 注:此表适用于总承包单位专项施工方案审核。 LJA-C3-2-1 环境因素预防与控制措施 专项施工方案审核表 工程名称 武城县蒋官屯新村二期三标段2、4、7、10、13、16、18#楼 工程地点 武城县广运街南、广德街北、青年路西 开、竣工日期 2016年07月10日开工 2016年12月31日竣工 建筑面积 2#楼:7995.1㎡;4、7、10、13、16#楼:5583.9㎡; 18#楼:8161.16㎡; 合计面积:44075.76平方米 工程造价 6400万元 结构类型 砖混结构 层数高度 建筑物跨度 2、18#高20.75m长102.92m其他高19.85m长68.58m 设计单位 武城县建筑设计有限公司 建设单位 武城县鼎智置业有限公司 监理单位 德州市广厦工程监理有限责任公司 编制人 王广林 项目负责人 杨钟胜 项目技术 负责人 王广林 参加会审人员签字 单位 施工技术部门 安全部门 质量部门 设备部门 工会 签名 审 核 结 论                   企业技术负责人(签字): (公章)                      年  月  日 监 理 单 位 意 见 总监理工程师(签字): (盖章)                    年  月  日 建 设 单 位 意 见 项目负责人(签字): (盖章)                     年  月  日 注:此表适用于总承包单位专项施工方案审核。 LJA-C3-2-1 消防应急救援与应急响应预案 专项施工方案审核表 工程名称 武城县蒋官屯新村二期三标段2、4、7、10、13、16、18#楼 工程地点 武城县广运街南、广德街北、青年路西 开、竣工日期 2016年07月10日开工 2016年12月31日竣工 建筑面积 2#楼:7995.1㎡;4、7、10、13、16#楼:5583.9㎡; 18#楼:8161.16㎡; 合计面积:44075.76平方米 工程造价 6400万元 结构类型 砖混结构 层数高度 建筑物跨度 2、18#高20.75m长102.92m其他高19.85m长68.58m 设计单位 武城县建筑设计有限公司 建设单位 武城县鼎智置业有限公司 监理单位 德州市广厦工程监理有限责任公司 编制人 王广林 项目负责人 杨钟胜 项目技术 负责人 王广林 参加会审人员签字 单位 施工技术部门 安全部门 质量部门 设备部门 工会 签名 审 核 结 论                   企业技术负责人(签字): (公章)                      年  月  日 监 理 单 位 意 见 总监理工程师(签字): (盖章)                    年  月  日 建 设 单 位 意 见 项目负责人(签字): (盖章)                     年  月  日 注:此表适用于总承包单位专项施工方案审核。 LJA-C3-2-1 土方开挖 专项施工方案审核表 工程名称 武城县蒋官屯新村二期三标段2、4、7、10、13、16、18#楼 工程地点 武城县广运街南、广德街北、青年路西 开、竣工日期 2016年07月10日开工 2016年12月31日竣工 建筑面积 2#楼:7995.1㎡;4、7、10、13、16#楼:5583.9㎡; 18#楼:8161.16㎡; 合计面积:44075.76平方米 工程造价 6400万元 结构类型 砖混结构 层数高度 建
展开阅读全文

开通  VIP会员、SVIP会员  优惠大
下载10份以上建议开通VIP会员
下载20份以上建议开通SVIP会员


开通VIP      成为共赢上传

当前位置:首页 > 包罗万象 > 大杂烩

移动网页_全站_页脚广告1

关于我们      便捷服务       自信AI       AI导航        抽奖活动

©2010-2025 宁波自信网络信息技术有限公司  版权所有

客服电话:0574-28810668  投诉电话:18658249818

gongan.png浙公网安备33021202000488号   

icp.png浙ICP备2021020529号-1  |  浙B2-20240490  

关注我们 :微信公众号    抖音    微博    LOFTER 

客服