收藏 分销(赏)

发动机总体构造教案.doc

上传人:仙人****88 文档编号:8924352 上传时间:2025-03-08 格式:DOC 页数:9 大小:81.50KB 下载积分:10 金币
下载 相关 举报
发动机总体构造教案.doc_第1页
第1页 / 共9页
发动机总体构造教案.doc_第2页
第2页 / 共9页


点击查看更多>>
资源描述
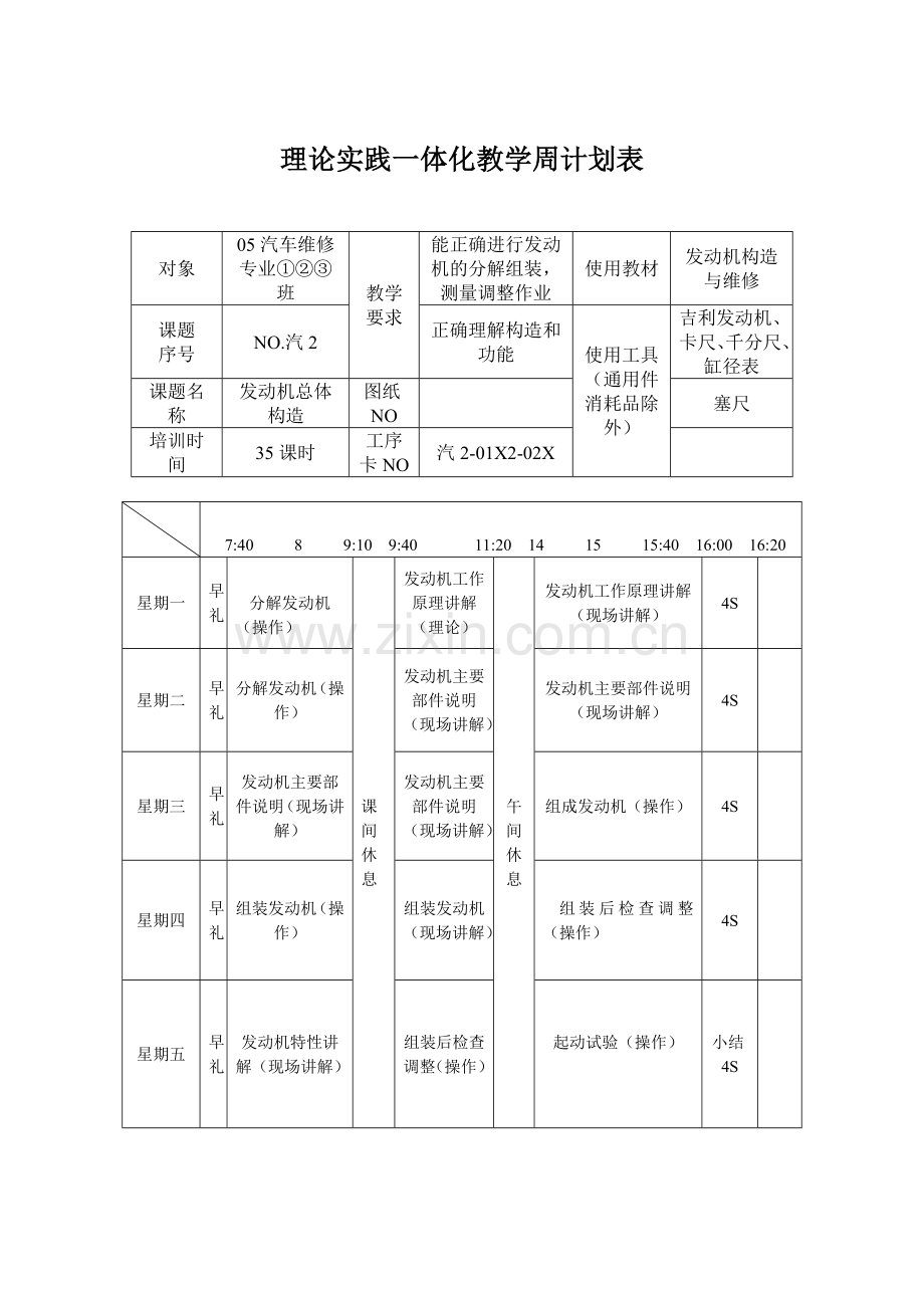
教 案 课题 发动机总体构造 课时 35课时 课型 新授课 课题分析 该课题是为了对汽车构造不了解的刚进学校不久的学生设立的适应性课题,目的在于让学生了解汽车构造中最核心的总成—发动机的构造与原理,知道现代汽车的科学性与复杂性,从而增强学生学习的兴趣和信心,在第二周实习这个课题,让学生对汽车知识有个初步的了解,再加上发动机构造的拆装实习,激发学生的学习专业技能的兴趣。 教学目的 1、初步理解发动机总体构造和工作原理 2、熟悉发动机的各组成部分的名称 3、初步掌握吉利发动机JL376Q的拆装工艺 教学重点 发动机的构造和工作原理 教学维点 发动机的构造和工作原理 教学方法 理论实践一体化教学法 丰田吉利教学模式 应准备的教具 发动机20台、拆装工具20套 理论实践一体化教学周计划表 对象 05汽车维修专业①②③班 教学 要求 能正确进行发动机的分解组装,测量调整作业 使用教材 发动机构造与维修 课题 序号 NO.汽2 正确理解构造和功能 使用工具 (通用件消耗品除外) 吉利发动机、卡尺、千分尺、缸径表 课题名称 发动机总体构造 图纸NO 塞尺 培训时间 35课时 工序卡NO 汽2-01X2-02X 7:40 8 9:10 9:40 11:20 14 15 15:40 16:00 16:20 星期一 早礼 分解发动机 (操作) 课间休息 发动机工作原理讲解(理论) 午间休息 发动机工作原理讲解(现场讲解) 4S 星期二 早礼 分解发动机(操作) 发动机主要部件说明(现场讲解) 发动机主要部件说明(现场讲解) 4S 星期三 早礼 发动机主要部件说明(现场讲解) 发动机主要部件说明(现场讲解) 组成发动机(操作) 4S 星期四 早礼 组装发动机(操作) 组装发动机(现场讲解) 组装后检查调整(操作) 4S 星期五 早礼 发动机特性讲解(现场讲解) 组装后检查调整(操作) 起动试验(操作) 小结4S 教学过程 一、组织教学(15分钟/天) (一)早礼(在上课之前完成) 主要内容是早操,目的是使全身筋骨活动,以免在实践操作过程当中肌肉拉伤。 (二)问候 (三)学生考勤 (四)安全教育 1、基本注意事项 (1)要遵守本工种安全操作规程; (2)经常注意4S(清洁、清扫、整理、整顿); (3)危险作业,要在实习指导老师的指导下想办法,提出方案,努力改善; (4)受伤或身体不适要向老师提出,并接受老师处理意见; (5)穿戴好劳动保护用品,工作服要干净整齐、宽松、得体; (6)实习厂地不允许说笑、打闹,要按规定路线行走。 2、通用作业安全须知(4S) 整理:把需要的物品与不需要的物品分开; 整顿:保管物品要放在取放方便的位置; 清洁:整理脏、乱; 清扫:除去灰尘等。 3、汽车修理专业安全须知 (1)基本注意事项 1)遵守实习场内的安全规程; 2)实习时要听从指导教师安全操作知识的讲解,并严格依照执行; 3)实习场地内的所有设备,未经指导教师允许不能乱动手,及进入乘坐; 4)实习期间有事应请假,不准随意进出实习场地。 (2)实习前 1)实习着装必须齐全,整洁; 2)身体状况不佳,必须向指导教师报告; 3)汽车驶入,驶出实习场地时应配合指导教师,做好安全工作; 4)举升汽车时,支点必须牢固,可靠,经指导教师确认后,方可举升; 5)没有安全支架支撑和没有安全帽时不准进入车下作业; 6)停放车辆时车轮下必须放置轮挡。 (3)实习中 1)起动发动机前,应检查旋转部件是否紧固,并远离两侧; 2)两人以上配合操作时应相协调后进行下一步操作内容; 3)发动机运转,调整及检测时手和工具必须远离旋转部件; 4)汽车下面有人时,驾驶室内不准坐人; 5)实习时不准摆弄和实习内容无关的开关及操作装置; 6)实习内容结束时,应请指导教师检验后方可离开。 (4)实习后 1)认真清点,整理工具,发现异常要及时报告,认真做好“4S”; 2)以上诸条若不遵守出现后果自负,受到严厉处罚。 二、理论讲解 (一)星期一(2课时/天) 第一节 发动机的作用和基本工作原理 发动机定义:将某一种形式的能量转换为机械能的机器 发动机作用:将液体或气体的化学能通过燃烧后转化为热能,再把热能通过膨胀转化为机械能并对外输出动力。 一、发动机的基本术语(如图1-3所示) 1、 上止点 是指活塞离曲轴回转中心的最远 处,即活塞最高位置。 2、 下止点 是指活塞离曲轴回转中心的最近 处,即活塞最低位置。 3、 活塞行程(S) 是制上、下两止点间的距离。 4、 曲轴半径(R) 指与连杆大端相连接的曲柄 销的中心线到曲柄回转中心线的距离。 5、 气缸工作容积(Vh)指活塞从上止点到下止 点所让出的空间容积。 6、 燃烧室容积(Vc) 指活塞在上止点时,活 塞顶上的空间容积。 7、 气缸总容积(Va)指活塞在下止点时,活塞 顶上的空间容积。 Va=Vc﹢Vh 8、 发动机工作容积(Vl)指发动机所有气缸工 作容积之和,也称发动机排量。 9、 压缩比(ε) 指气缸总容积与燃烧室容积的比值。 ε=Va / Vc =(Vh ﹢Vc )/Vc=1 ﹢Vh / Vc 二、冲程发动机的简单工作原理 工作循环:发动机将热能转化为机械能的过程是经过进气、压缩、作功和排气四个连续的过程来实现的,每进行一次这样的过程叫一个工作循环。 四冲程发动机:凡是曲轴旋转两周,活塞往复四个行程完成一个工作循环的发动机称为四冲程发动机。 (一) 四冲程汽油机的简单工作原理 工作循环是由进气、压缩、作功和排气四个行程所组成的,如图1—4所示 1.进气行程 活塞:由曲轴带动从上止点向下止点运动 进气门打开;排气门关闭 气缸容积逐渐变大,形成一定真空,于是经过滤清的空气与化油器供给的汽油混合形成可燃混合气通过进气门被吸入气缸 进气终了压力:0。075~0。090Mpa<大气压 进气终了温度:370~440 2.压缩行程 活塞:从下止点到上止点 进、排气门关闭 压缩比越大,压缩终了的温度和压力就会越高,燃烧的速度越快,发动机发出的功率越大,经济性也好 现在汽车汽油机压缩比为6~10 压缩终了温度:600~800K 压缩终了压力:0。6~1。2Mpa 3.作功行程 活塞:从上止点到下止点 进、排气门关闭 瞬时压力:3~5Mpa 瞬时温度:2200~2800K 4.排气行程 活塞:从下止点到上止点 进气门关闭、排气门打开 终了温度:900~1200K 终了压力:0.105~0.115Mpa ( 二)四冲程柴油机简单工作原理 四冲程柴油机简单工作原理与汽油机相似,但由于所使用的燃料的性质不同,可燃混合气的形成和着火方式与汽油机有很大的区别。 (二)星期二、三、四(2课时/天) 第二节 发动机总体构造 一、发动机组成 1.曲柄连杆机构 组成:机体组,活塞连杆组,曲轴飞轮组 作用:将燃料燃烧所产生的热能,经机构由活塞的直线往复运动转变为曲轴旋转运动而对外作功。 2.配气机构 组成:进、排气门,气门弹簧,挺杆,凸轮轴和正时齿轮 作用:使新鲜气体及时进入气缸,并使燃烧所产生的废气及时排出气缸 3.汽油机燃料供给系 组成:燃油箱,汽油泵,汽油滤清器,化油器,空气滤清器,进、排歧管,排气消声器 作用:向气缸内恭维已配好的可燃混合气,并控制进入气缸内可燃混合的数量,以调节发动机输出功率和转速,最后将燃烧后的废气排出气缸。 4.冷却系 风冷却和水冷却两种 水冷却系组成:水泵,散热器,风扇,分水管,节温器和水套 作用:利用冷却水冷却高温零件,并通过散热器将热量散发到大气中去,从而保证发动机在正常温度状态下工作。 5.润滑系 组成:机油泵,润滑油道,集滤器,机油滤清吕,限压阀,油底壳等 作用:将润滑油分送至各个摩擦面,以减少摩擦力,减缓机件磨损,并清洗、冷却摩擦表面,从而延长发动机使用寿命。 6.点火系 组成:电源,点火开关,点火线圈,高压线,分电器和火花塞 作用:按一定时刻向气缸内提供电火花以点燃缸内的可燃混合气 7.起动系 组成:起动机和起动继电器 作用:带动飞轮旋转以获得必要的动能和起动转速,使静止的发动机起动并转入自行运转状态。 二、国产内燃机型号编制规则 尾 部 中 部 后 部 首 部 ① ② ① ② ③ ④ ① ② ① 1.首部 ①产品系列符号 ②换代标志 产品系列和换代标志由制造厂根据需要自选相应字母表示,但需要主管部门或由标准化机构批准。 2.中部 ①缸数符号 ②气缸排列形式符号 ③冲程符号 ④缸径符号:用缸径的mm数表示 3.后部 ①结构特征符号:F——风冷 无符号——水冷 ②用途特征:Q——汽车用 T——拖拉机用 M——摩托车用 4.尾部 同一系列产品因改进等原因需要区别时,由制造厂选用适当符号表示 例:EQ6100——1 东风汽车公司生产六缸、四冲程、直列、缸径100mm、水冷、第一种类型产品 (三)星期五(2课时/天) 第三节 发动机的主要性能指标和特征 一、发动机主要性能指标 1.有效转矩Me和有效功率Pe Me=Pe×1000×60/(2πn)=9550×Pe/n n——发动机转速(r/min) 2.有效耗油率 Ge是有效经济性指标,它指发动机每发出1Kw的有效功率,在1H内所消耗的燃油克数。 Ge=Gr/Pe×103(g/Kw·h) 二、发动机的特性 1.速度特性 在化油器节气门开度(或喷油泵供油拉杆位置一定)的条件下,发动机有效功率Pe,有效转矩Me,有效耗油率Ge,随发动机转速变化的规律。 2.负荷特性 发动机转速一定逐渐改变气门开度,发动机每小时耗油量Gt,有效耗油率Ge,随有效功率Pe变化的关系,称发动机负荷特性。 用来评定不同转速及不同负荷下发动机的经济性。 三、认识实训(5课时/天) (一)实训内容 1、分解发动机 2、发动机各零部件认识 (二)实训要求 1、了解四冲程发动机的工作过程 2、认识汽油机的主要组成零部件名称和结构 (四)实训过程 第一步 操作示范指导:老师一边操作一边讲解拆装工艺;学生一起听老师讲解,看老师操作; 第二步 学生分组练习,老师巡回指导:老师讲解完拆装工艺并示范后,学生分组训练,老师巡回指导,及时发现操作中的问题; 第三步 个别指导:巡回指导中发现个别学生不会或者出错,及时进行个别指导,以使所有学生共同进步,如果发现大部分学生出错,则要重新进行操作示范指导; 第四步 结束指导:所有学生操作完后进行点评,然后进入下一个工序 (四)吉利发动机的拆装步骤(具体拆装工艺见拆装工序卡) 1.汽油泵 T12 2.分电器 12梅花扳手 3.化油器 开口12 梅花12 对角线拧紧 4.进气歧管 T12两侧向中间对角线分若干次拧松 5.交流发电机 开口14和12梅花 6.机油滤清器 T12 7.排气歧管 T12防损伤 8.悬挂支架 套筒14 9.曲轴皮带轮 T14 10.水泵皮带轮 梅花10 11.正时齿轮室罩 松张紧轮,正时皮带作记号,对准正时记号 12.正时皮带 13.张紧轮 14.曲轴正时齿轮及法兰盘 15.气缸盖总成 先用扭力扳手后用T形扳手 16.水泵总成 出水管 17.油底壳 套筒10 对角线分若干次拧松 18.平衡齿轮室罩 用T12 T14 19.机油泵总成 20.活塞连杆组 21.飞轮 22.曲轴轴承盖 23.曲轴 按拆卸顺序摆好,防止零件伤人 四、课题小结(1.5课时) 1、发动机的简单工作原理 2、发动机总体构造 3、发动机的主要性能指标和特性 4、发动机认识实训 教 案 复习思考题 发动机各零部件之间装配的相对关系是怎样的 作业练习题 《发动机构造与维修》P17练习题第二、三题 学生预习内容 第二章 曲柄连杆机构的构造与维修 实施情况及修订意见记载 序号 日期 实施情况 修订意见 1 星期一 安全教育 2 星期一 发动机分解 3 星期一 发动机的作用和基本工作原理 4 星期二、三 发动机总体构造 5 星期四 发动机组装 6 星期五 发动机特性 7 星期五 检查调整起动 编制人 日期 检查人 日期 抽查人 日期 2005年9月13日
展开阅读全文

开通  VIP会员、SVIP会员  优惠大
下载10份以上建议开通VIP会员
下载20份以上建议开通SVIP会员


开通VIP      成为共赢上传

当前位置:首页 > 教育专区 > 其他

移动网页_全站_页脚广告1

关于我们      便捷服务       自信AI       AI导航        抽奖活动

©2010-2026 宁波自信网络信息技术有限公司  版权所有

客服电话:0574-28810668  投诉电话:18658249818

gongan.png浙公网安备33021202000488号   

icp.png浙ICP备2021020529号-1  |  浙B2-20240490  

关注我们 :微信公众号    抖音    微博    LOFTER 

客服