收藏 分销(赏)

墙柱面天棚工程量清单计价实例.docx

上传人:pc****0 文档编号:8899835 上传时间:2025-03-07 格式:DOCX 页数:4 大小:45.44KB 下载积分:10 金币
下载 相关 举报
墙柱面天棚工程量清单计价实例.docx_第1页
第1页 / 共4页
墙柱面天棚工程量清单计价实例.docx_第2页
第2页 / 共4页


点击查看更多>>
资源描述
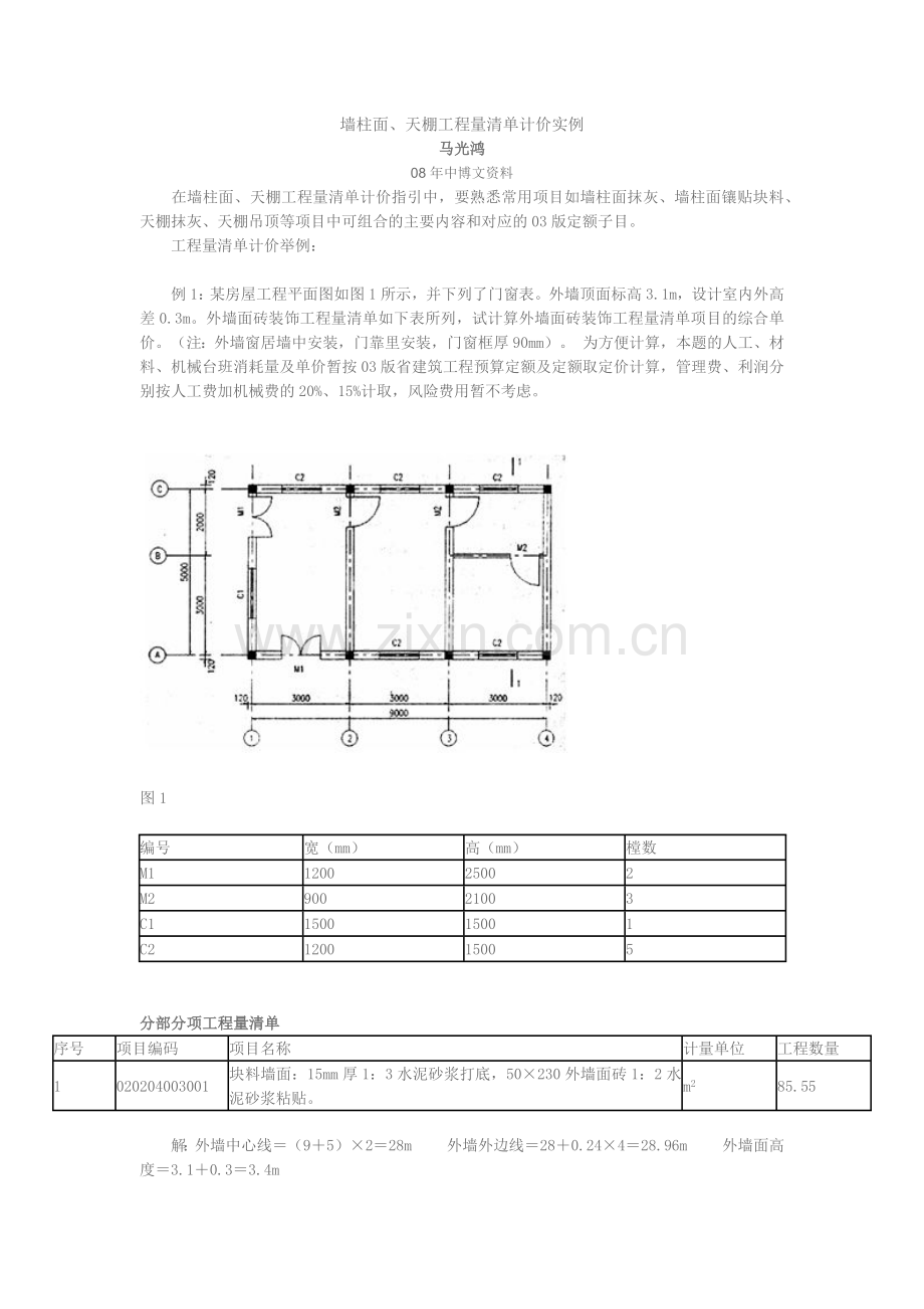
墙柱面、天棚工程量清单计价实例 马光鸿 08年中博文资料   在墙柱面、天棚工程量清单计价指引中,要熟悉常用项目如墙柱面抹灰、墙柱面镶贴块料、天棚抹灰、天棚吊顶等项目中可组合的主要内容和对应的03版定额子目。   工程量清单计价举例:     例1:某房屋工程平面图如图1所示,并下列了门窗表。外墙顶面标高3.1m,设计室内外高差0.3m。外墙面砖装饰工程量清单如下表所列,试计算外墙面砖装饰工程量清单项目的综合单价。(注:外墙窗居墙中安装,门靠里安装,门窗框厚90mm)。 为方便计算,本题的人工、材料、机械台班消耗量及单价暂按03版省建筑工程预算定额及定额取定价计算,管理费、利润分别按人工费加机械费的20%、15%计取,风险费用暂不考虑。 图1   编号 宽(mm) 高(mm) 樘数 M1 1200 2500 2 M2 900 2100 3 C1 1500 1500 1 C2 1200 1500 5   分部分项工程量清单 序号 项目编码 项目名称 计量单位 工程数量 1 020204003001 块料墙面:15mm厚1:3水泥砂浆打底,50×230外墙面砖1:2水泥砂浆粘贴。 m2 85.55   解:外墙中心线=(9+5)×2=28m   外墙外边线=28+0.24×4=28.96m   外墙面高度=3.1+0.3=3.4m   外墙门窗洞口面积=1.2×2.5×2+1.5×1.5×1+1.2×1.5×5=17.25m2     外墙门窗洞口侧壁面积=(1.2+2.5×2)×2×(0.24-0.09)+[(1.5+1.5)×2+(1.2+1.5)×2×5]×(0.24-0.09)/2=1.86+2.48=4.34m2     根据03版预算定额规则计算外墙面砖装饰相关子目的工程量并套用定额:     11-93  外墙面砖(50×230)1:2水泥砂浆粘贴:     外墙面镶贴块料工程量=外墙外边线×镶贴高度-外墙门窗洞口面积+外墙门窗洞口侧壁面积=28.96×3.4-17.25+4.34=85.55m2        每m2    人工费=11.328元    材料费=29.4953元    机械费=0.1073元     11B—1  外墙面15厚1:3水泥砂浆抹底灰:  85.55 m2     (注:本补充定额详见建筑工程综合解释)     每m2   人工费=2.79元    材料费=2.7687元    机械费=0.0894元     按下列表式计算外墙面砖装饰工程量清单项目的综合单价:   分部分项工程量清单项目综合单价计算表 工程名称:某工程                                  计量单位:m2 项目编码:020204003001                            工程数量:85.55 项目名称:外墙面砖装饰                             综合单价:51.59元 序号 定额   编号 工程内容 单位 数量 人工费 材料费 机械 使用费 管理费 利润 风险 费用 小计 1 11-93 外墙面砖(50×230)1:2水泥砂浆粘贴 m2 85.55 969.11 2523.32 9.18 195.66 146.74 0 3844.01 2 11B-1 15厚1:3水泥砂浆抹底灰 m2 85.55 238.68 236.86 7.65 49.27 36.95 0 569.41     合计     1207.79 2760.18 16.83 244.93 183.69 0 4413.42  注:表中   综合单价=4413.42÷85.55=51.59 元/m2   思考题:请你考虑一下外墙面抹灰、内墙面抹灰和内墙面镶贴块料的工程量计算思路。   参考计算公式:   外墙面抹灰工程量=外墙外边线×抹灰高度-外墙门窗洞口面积   内墙面抹灰工程量=(外墙内边线+内墙净长线×2-∑T形搭接墙厚-井道内边线)×抹灰高度-外墙门窗洞口面积-内墙门窗洞口面积×2      内墙面镶贴块料工程量=(外墙内边线+内墙净长线×2-∑T形搭接墙厚-井道内边线)×镶贴高度-外墙门窗洞口面积-内墙门窗洞口面积×2+外内墙门窗洞口侧壁面积   例2: 某房屋建筑的客厅U38型不上人轻钢龙骨石膏板吊顶,其天棚构造图如图2所示,该天棚吊顶工程量清单如下表所列,试计算该工程量清单项目的综合单价。   为方便计算,本题的人工、材料、机械台班消耗量及单价暂按03版省建筑工程预算定额及定额取定价计算,管理费、利润分别按人工费加机械费的20%、12%计取,风险费用暂不考虑。 图2                                           分部分项工程量清单 序号 项目编码 项目名称 计量单位 工程数量 1 020302001001 轻钢龙骨石膏板天棚吊顶: 客厅U38型不上人轻钢龙骨石膏板吊顶,龙骨间距为450×450mm。天棚水平投影面积共55.71 m2,其中平面天棚41.41 m2,跌级式天棚14.304 m2。 m2 55.71     解:根据03版预算定额规则计算轻钢龙骨石膏板吊顶相关子目的工程量并套用定额:     12-43  U38型不上人轻钢龙骨(跌级式): (7.16+4.76)×2×(0.3×2)=14.304 m2     每m2   人工费=6.627元  材料费=28.2131元     12-42 U38型不上人轻钢龙骨(平面): 8.76×6.36-14.304=55.714-14.304=41.41 m2     每m2   人工费=5.097元  材料费=21.1793元     12-78 石膏板面层.安在U型轻钢龙骨上(平面):  41.41 m2     每m2   人工费=3.879元  材料费=11.1906元     12-79 石膏板面层.安在U型轻钢龙骨上(跌级式):14.304+(7.16+4.76)×2×0.15=14.304+3.576=17.88m2     每m2   人工费=4.656元  材料费=12.0808元     按下列表式计算轻钢龙骨石膏板吊顶工程量清单项目的综合单价:   分部分项工程量清单项目综合单价计算表 工程名称:某工程                                    计量单位:m2 项目编码:020302001001                              工程数量:55.71 项目名称:轻钢龙骨石膏板天棚吊顶                    综合单价:48.21元 序号 定额   编号 工程内容 单 位 数量 人工费 材料费 机械 使用费 管理费 利润 风险 费用 小计 1 12-42 U38型不上人轻钢龙骨(平面) m2 41.41 211.07 877.03 0 42.21 25.33 0 1155.64 2 12-43 U38型不上人轻钢龙骨(跌级式) m2 14.304 94.79 403.56 0 18.96 11.37 0 528.68 3 12-78 石膏板面层.安在U型轻钢龙骨上(平面) m2 41.41 160.63 463.40 0 32.13 19.28 0 675.44 4 12-79 石膏板面层.安在U型轻钢龙骨上(跌级式) m2 17.88 83.25 216.00 0 16.65 9.99 0 325.89     合计     549.74 1959.99 0 109.95 65.97 0 2685.65   注:表中综合单价=2685.65÷55.71=48.21 元/m2
展开阅读全文

开通  VIP会员、SVIP会员  优惠大
下载10份以上建议开通VIP会员
下载20份以上建议开通SVIP会员


开通VIP      成为共赢上传

当前位置:首页 > 包罗万象 > 大杂烩

移动网页_全站_页脚广告1

关于我们      便捷服务       自信AI       AI导航        抽奖活动

©2010-2026 宁波自信网络信息技术有限公司  版权所有

客服电话:0574-28810668  投诉电话:18658249818

gongan.png浙公网安备33021202000488号   

icp.png浙ICP备2021020529号-1  |  浙B2-20240490  

关注我们 :微信公众号    抖音    微博    LOFTER 

客服