收藏 分销(赏)

ATB-25生产配合比说明.doc

上传人:s4****5z 文档编号:8793519 上传时间:2025-03-02 格式:DOC 页数:4 大小:98.50KB 下载积分:10 金币
下载 相关 举报
ATB-25生产配合比说明.doc_第1页
第1页 / 共4页
ATB-25生产配合比说明.doc_第2页
第2页 / 共4页


点击查看更多>>
资源描述
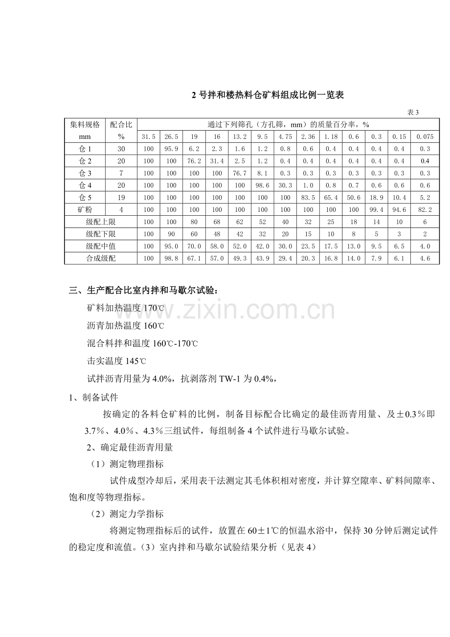
ATB-25沥青碎石 生产配合比设计说明 一、设计依据 1、试验依据 ①《公路沥青路面施工技术规范》(JTG F40-2004) ②《公路工程沥青及沥青混合料试验规程》(JTJ052-2000) ③《公路工程集料试验规程》(JTG E42-2005) ④ 本路段《路面工程施工图设计》 ⑤招标文件补充技术规范省高指《标准化施工指南》 二、目标配合比设计结果 (见表1) 表1 集料规格 19-26.5 9.5-19 4.75-9.5 0-4.75 砂 矿粉 沥青用量 TW-1 抗剥落剂 比例(%) 28 28 13 19 8.0 4.0 4.0 0.4 目标合成级配 筛孔(mm) 31.5 26.5 19 16 13.2 9.5 4.75 2.36 1.18 0.6 0.3 0.15 0.075 合成级配 (%) 100 98.5 67.8 57.0 50.2 42.6 30.3 20.6 15.9 12.9 8.2 6.0 4.7 三、确定各热料仓的矿料比例 1、确定2号拌和楼的热料仓筛孔尺寸分别为4mm、10mm、16mm、22mm、28mm。 2、根据ATB-25沥青碎石目标配合比确定的矿料比例,对2号拌和楼进行上料热料仓筛分,现场取样,对各热料仓矿料进行各项指标试验。结果见表2、表3 各热料仓矿料密度一览表 表2 矿料名称 (mm) 1号仓 (22-28) 2号仓 (16-22) 3号仓 (10-16) 4号仓 (4-10) 5号仓 (0-4) 矿粉 毛体积相对密度 2.599 2.584 2.583 2.584 2.548 2.708 2号拌和楼热料仓矿料组成比例一览表 表3 集料规格 mm 配合比% 通过下列筛孔(方孔筛,mm)的质量百分率,% 31.5 26.5 19 16 13.2 9.5 4.75 2.36 1.18 0.6 0.3 0.15 0.075 仓1 30 100 95.9 6.2 2.3 1.6 1.2 0.8 0.6 0.4 0.4 0.4 0.4 0.3 仓2 20 100 100 76.2 31.4 2.5 1.2 0.4 0.4 0.4 0.4 0.4 0.4 0.4 仓3 7 100 100 100 100 76.7 8.1 0.3 0.3 0.3 0.3 0.3 0.3 0.3 仓4 20 100 100 100 100 100 98.6 30.3 1.0 0.8 0.7 0.6 0.6 0.6 仓5 19 100 100 100 100 100 100 100 83.5 65.4 50.6 18.9 10.4 5.2 矿粉 4 100 100 100 100 100 100 100 100 100 100 99.4 94.6 82.2 级配上限 100 100 80 68 62 52 40 32 25 18 14 10 6 级配下限 100 90 60 48 42 32 20 15 10 8 5 3 2 级配中值 100 95.0 70.0 58.0 52.0 42.0 30.0 23.5 17.5 13.0 9.5 6.5 4.0 合成级配 100 98.8 67.1 57.0 49.3 43.9 29.4 20.3 16.8 14.0 7.9 6.1 4.6 三、生产配合比室内拌和马歇尔试验: 矿料加热温度170℃ 沥青加热温度160℃ 混合料拌和温度160℃-170℃ 击实温度145℃ 试拌沥青用量为4.0%,抗剥落剂TW-1为0.4%, 1、制备试件 按确定的各料仓矿料的比例,制备目标配合比确定的最佳沥青用量、及±0.3%即 3.7%、4.0%、4.3%三组试件,每组制备4个试件进行马歇尔试验。 2、确定最佳沥青用量 (1)测定物理指标 试件成型冷却后,采用表干法测定其毛体积相对密度,并计算空隙率、矿料间隙率、饱和度等物理指标。 (2)测定力学指标 将测定物理指标后的试件,放置在60±1℃的恒温水浴中,保持30分钟后测定试件的稳定度和流值。(3)室内拌和马歇尔试验结果分析(见表4) 室内拌和马歇尔试验结果一览表 表4 沥青用量 (%) 毛体积相对密度 实测最大理论相对密度 空隙率(%) 矿料间隙率(%) 饱和度 (%) 稳定度 (KN) 流值(0.1mm) 残留稳定度 (%) 3.7 2.337 2.474 5.5 13.0 57.3 11.46 27.6 \ 4.0 2.341 2.468 5.1 13.1 60.8 12.48 30.4 \ 4.3 2.340 2.460 4.9 13.4 63.6 11.97 32.2 \ 技术指标 / / 3.0-6.0 / 55-70 ≥7.5 15-40 ≥75 根据室内拌和马歇尔试验结果分析,初步选定沥青用量为4.0%。 四、生产配合比拌和楼试拌及取样试验: 矿料加热温度170℃-190℃(矿粉不加热) 沥青加热温度160℃-170℃ 干拌时间5s 湿拌时间45s 混合料出厂温度160℃-170℃ 室内击实温度145℃ 按照目标配合比确定最佳沥青用量和确定的各热料仓的矿料比例进行试拌取样,制作试件,每组4个试件,进行马歇尔试验,及沥青含量、矿料级配试验,沥青含量、矿料级配试验结果见表5,马歇尔试验结果见表6 沥青含量、矿料级配试验结果一览表 表5 沥青用量(%) 31.5 26.5 19 16 13.2 9.5 4.75 2.36 1.18 0.6 0.3 0.15 0.075 4.02 100 98.1 68.0 58.9 50.0 44.3 28.5 20.9 17.6 15.0 7.7 5.3 3.8 设计级配 100 98.8 67.1 57.0 49.3 43.9 29.4 20.3 16.8 14.0 7.9 6.1 4.6 偏差 0 -0.7 +0.9 +1.9 +0.7 +0.4 -0.9 +0.6 +0.8 +1.0 -0.2 -0.8 -0.8 拌和楼试拌马歇尔试验结果一览表 表6 沥青用量 (%) 毛体积相对密度 实测最大理论相对密度 空隙率(%) 矿料间隙率(%) 饱和度 (%) 稳定度 (KN) 流值(0.1mm) 残留稳定度 (%) 4.02 2.340 2.466 5.1 \ \ 12.01 30.2 \ 技术指标 / / 3.0-6.0 / 55-70 ≥7.5 15-40 ≥75 根据拌和楼试拌马歇尔试验结果分析,确定沥青用量4.0%各项指标符合规范及设计要求。 五、配合比设计结论 通过室内拌和及拌和楼试拌马歇尔试验结果确定的沥青用量与目标配合比确定的沥青用量一致,因此2号拌和楼生产配合比确定的沥青用量为4.0 %。结果见表7: 表7 矿料名称 1号仓 2号仓 3号仓 4号仓 5号仓 矿粉 沥青用量 TW-1 抗剥落剂 比例(%) 30 20 7 20 19 4 4.0 0.4 生产配合比设计级配 筛孔尺寸 (mm) 31.5 26.5 19 16 13.2 9.5 4.75 2.36 1.18 0.6 0.3 0.15 0.075 通过量(%) 100 98.8 67.1 57.0 49.3 43.9 29.4 20.3 16.8 14.0 7.9 6.1 4.6 六、附有关试验资料 1、沥青混合料配合比报告 2、沥青混合料马歇尔试验报告(室内拌和) 3、沥青混合料马歇尔试验记录(室内拌和) 4、沥青混合料沥青含量及矿料筛分试验报告 5、沥青混合料沥青含量及矿料筛分试验记录 6、沥青混合料马歇尔试验报告(拌和楼试拌) 7、沥青混合料马歇尔试验记录(拌和楼试拌) 8、矿料级配合成报告 9、原材料试验记录(各热料仓筛分、密度试验;矿粉筛分、密度试验) 10、沥青原材料检测报告 11、沥青原材料检测记录 12、沥青质量保证单 13、沥青委托试验
展开阅读全文

开通  VIP会员、SVIP会员  优惠大
下载10份以上建议开通VIP会员
下载20份以上建议开通SVIP会员


开通VIP      成为共赢上传

当前位置:首页 > 包罗万象 > 大杂烩

移动网页_全站_页脚广告1

关于我们      便捷服务       自信AI       AI导航        抽奖活动

©2010-2026 宁波自信网络信息技术有限公司  版权所有

客服电话:0574-28810668  投诉电话:18658249818

gongan.png浙公网安备33021202000488号   

icp.png浙ICP备2021020529号-1  |  浙B2-20240490  

关注我们 :微信公众号    抖音    微博    LOFTER 

客服