收藏 分销(赏)

装饰工程现场复尺单范本.docx

上传人:xrp****65 文档编号:8790804 上传时间:2025-03-02 格式:DOCX 页数:23 大小:33KB 下载积分:10 金币
下载 相关 举报
装饰工程现场复尺单范本.docx_第1页
第1页 / 共23页
装饰工程现场复尺单范本.docx_第2页
第2页 / 共23页


点击查看更多>>
资源描述
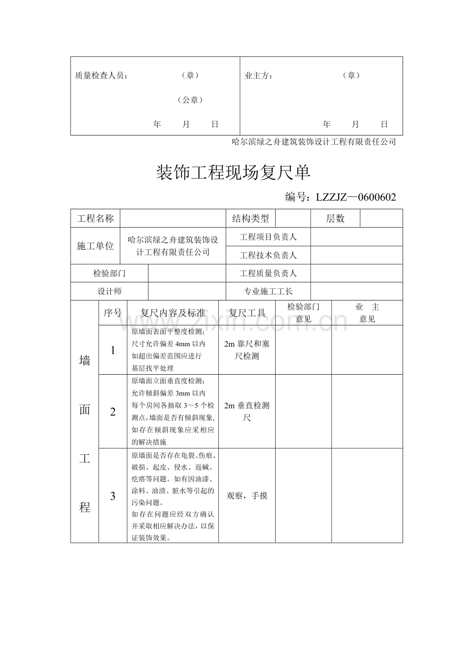
装饰工程现场复尺单 编号:LZZJZ—0600601 工程名称 结构类型 层数 施工单位 哈尔滨绿之舟建筑装饰设计工程有限责任公司 工程项目负责人 工程技术负责人 检验部门 工程质量负责人 设计师 专业施工工长 棚 面 工 程 序号 复尺内容及标准 复尺工具 检验部门 意见 业 主 意见 1 原天棚表面平整度检测; 尺寸允许偏差4mm以内 如超出偏差范围应进行 基层找平处理 2m靠尺和塞尺检测 2 原天棚水平标高检测; 以室内500线为标准每个房间各抽取3~5个点测量棚面标高是否一致,如不一致应采相应的解决措施 水准仪定位 2m水平检测尺;垂直检测尺 3 原天棚是否存在龟裂、 伤痕、破损、起皮、侵水、返碱、疙瘩等问题。 如存在问题应经双方确认并采取相应解决办法,以保证装饰效果。 观察,手摸 4 原天棚是否存在因油漆、涂料、油渍、脏水等引起的污染问题。如存在问题应经双方确认并采取相应解决办法,以保证装饰效果。 观察 质量检查人员: (章) (公章) 年 月 日 业主方: (章) 年 月 日 哈尔滨绿之舟建筑装饰设计工程有限责任公司 装饰工程现场复尺单 编号:LZZJZ—0600602 工程名称 结构类型 层数 施工单位 哈尔滨绿之舟建筑装饰设计工程有限责任公司 工程项目负责人 工程技术负责人 检验部门 工程质量负责人 设计师 专业施工工长 墙 面 工 程 序号 复尺内容及标准 复尺工具 检验部门 意见 业 主 意见 1 原墙面表面平整度检测; 尺寸允许偏差4mm以内 如超出偏差范围应进行 基层找平处理 2m靠尺和塞尺检测 2 原墙面立面垂直度检测; 允许倾斜偏差3mm以内 每个房间各抽取3~5个检测点,墙面是否有倾斜现象,如存在倾斜现象应采相应的解决措施 2m垂直检测尺 3 原墙面是否存在龟裂、伤痕、破损、起皮、侵水、返碱、疙瘩等问题。如有因油漆、涂料、油渍、脏水等引起的污染问题。 如存在问题应经双方确认并采取相应解决办法,以保证装饰效果。 观察,手摸 4 原墙面与其交接面接口处阴阳角方正检测 尺寸允许偏差4mm以内 如超出偏差范围应进行 基层找平处理 直角检测尺 质量检查人员: (章) (公章) 年 月 日 业主方: (章) 年 月 日 哈尔滨绿之舟建筑装饰设计工程有限责任公司 装饰工程现场复尺单 编号:LZZJZ—0600603 工程名称 结构类型 层数 施工单位 哈尔滨绿之舟建筑装饰设计工程有限责任公司 工程项目负责人 工程技术负责人 检验部门 工程质量负责人 设计师 专业施工工长 地 面 工 程 序号 复尺内容及标准 复尺工具 检验部门 意见 业 主 意见 1 原地面表面平整度检测; 尺寸允许偏差4mm以内 每个房间各抽取3~5个检测点,如超出偏差范围应进行基层找平处理 2m靠尺和塞尺检测 2 原地面水平标高检测; 以室内500线为标准每个房间各抽取5~7个点测量棚面标高是否一致,如不一致应采相应的解决措施 水准仪定位 2m水平检测尺;垂直检测尺 3 地热管线检测试验 施工前应对地热管线进行给水复检。如有泄漏堵涨等现象应经双方确认并及时采取相应解决办法 时间:哈市(5月~次年10月) 观察 质量检查人员: (章) (公章) 年 月 日 业主方: (章) 年 月 日 哈尔滨绿之舟建筑装饰设计工程有限责任公司 装饰工程现场复尺单 编号:LZZJZ—0600604 工程名称 结构类型 层数 施工单位 哈尔滨绿之舟建筑装饰设计工程有限责任公司 工程项目负责人 工程技术负责人 检验部门 工程质量负责人 设计师 专业施工工长 门 窗 工 程 序号 复尺内容及标准 复尺工具 检验部门 意见 业 主 意见 1 门窗扇与上边框缝隙检测 留缝限值1~2mm以内 门窗扇与侧边框缝隙检测 留缝限值1~2.5mm以内 窗扇与下边框缝隙检测 留缝限值2~3mm以内 如超出限值应打胶处理或采用其他方法处理 钢尺检查 2 门窗槽口正、侧面垂直度 尺寸允许偏差3mm以内 如超出偏差范围应进行基层找平处理 1m垂直检测尺 3 门窗槽口水平度 尺寸允许偏差3mm以内 如超出偏差范围应进行基层找平处理 1m水平检测尺 4 门窗槽口对角线差,如超出偏差范围应进行基层找平处理 ≤2000mm时 尺寸允许偏差3mm以内 钢尺检查 >2000mm时 尺寸允许偏差5mm以内 质量检查人员: (章) (公章) 年 月 日 业主方: (章) 年 月 日 哈尔滨绿之舟建筑装饰设计工程有限责任公司 装饰工程现场复尺单 编号:LZZJZ—0600605 工程名称 结构类型 层数 施工单位 哈尔滨绿之舟建筑装饰设计工程有限责任公司 工程项目负责人 工程技术负责人 检验部门 工程质量负责人 设计师 专业施工工长 水 电 工 程 序号 复尺内容及标准 复尺工具 检验部门 意见 业 主 意见 1 室内地面防水检测 (墙面防水高度200mm以内)应先做24小时闭水试验如出现漏渗问题,应需重做防水。 观察 2 给排水管道及接口处检查 包括给排水管道通水试管,如出现漏渗问题,应由业主及时解决,或更换管件。 观察 3 室内电路送电检查 包括①灯具、开关、插座的用电位置的漏电及保护情况,②电线的老化、短路、负荷标准、接头挂锡等问题检查。如有问题应及时解决或更换线路。 万能表 观察 4 室内漏电保护开关、空气断路器检查 检查漏电保护开关、空气断路器电压、电流是否符合设计要求;能否满足设计负荷 万能表 观察 质量检查人员: (章) (公章) 年 月 日 业主方: (章) 年 月 日 哈尔滨绿之舟建筑装饰设计工程有限责任公司 现 场 签 证 编号:LZZJZ—0600201 工程名称 日 期 年 月 日 项 目 编 号 第 号 签证原因和内容: 项目负责人: (章) (公章) 年 月 日 业主方: (章) 年 月 日 注:签证一式三份,施工单位、业主、及存档各一份 哈尔滨绿之舟建筑装饰设计工程有限责任公司 工 程 开 工 报 告 编号:LZZJZ—0600101 工程名称 编号 施工单位 哈尔滨绿之舟建筑装饰设计有限责任公司 施工班组: 监理单位 设计单位 建筑面积 工程结构 层数 装饰面积 预算价格 承包形式 合同价格 计划工期 年 月 日 年 月 日 备 注 施工单位: (公章) 年 月 日 业主: (章) 年 月 日 设 计 变 更 单 编号:LZZJZ—0600202 工程名称 编 号 第 号 设 计 工 长 变更项目: 变更原因和内容: 项目负责人: (章) (公章) 年 月 日 业主方: (章) 年 月 日 注:变更一式三份,施工单位、业主、及存档各一份 哈尔滨绿之舟建筑装饰设计工程有限责任公司 隐蔽工程检查验收记录 编号:LZZJZ—0600303 工 程 名 称 图纸编号 验 收 项 目 验收时间 年 月 日 隐蔽工程说明 内容及附图 业主检查验收意见 施工工长: (章) 技术负责人: (章) 质量负责人: (章) 哈尔滨绿之舟建筑装饰设计工程有限责任公司 材料进场验收记录 编号:LZZJZ—0600301 工 程 名 称 进场批次 验 收 材 料 验收时间 年 月 日 材料进场说明及 内容 材料名称: 材料产地(附检验报告): 材料数量: 施工位置: 备 注 业主验收意见 施工工长: (章) 技术负责人: (章) 质量负责人: (章) 哈尔滨绿之舟建筑装饰设计工程有限责任公司 施工项目列表 编号:LZZJZ—0600401 工程名称 项目负责人 客 厅 分部项目名称 预算编号 主 卧 室 分部项目名称 预算编号 项目负责人: (章) (公章) 年 月 日 业主方: (章) 年 月 日 哈尔滨绿之舟建筑装饰设计工程有限责任公司 施工项目列表 编号:LZZJZ—0600402 工程名称 项目负责人 次 卧 室 分部项目名称 预算编号 书 房 分部项目名称 预算编号 项目负责人: (章) (公章) 年 月 日 业主方: (章) 年 月 日 哈尔滨绿之舟建筑装饰设计工程有限责任公司 施工项目列表 编号:LZZJZ—0600403 工程名称 项目负责人 厨 房 分部项目名称 预算编号 卫 生 间 分部项目名称 预算编号 项目负责人: (章) (公章) 年 月 日 业主方: (章) 年 月 日 哈尔滨绿之舟建筑装饰设计工程有限责任公司 施工项目列表 编号:LZZJZ—0600404 工程名称 项目负责人 阳 台 分部项目名称 预算编号 餐 厅 分部项目名称 预算编号 项目负责人: (章) (公章) 年 月 日 业主方: (章) 年 月 日 哈尔滨绿之舟建筑装饰设计工程有限责任公司 主控材料列表 编号:LZZJZ—0600501 工程名称 项目负责人 基层板材 材料名称、数量、品牌 项目位置 饰面板材 材料名称、数量、品牌 项目位置 项目负责人: (章) (公章) 年 月 日 业主方: (章) 年 月 日 哈尔滨绿之舟建筑装饰设计工程有限责任公司 主控材料列表 编号:LZZJZ—0700101 工程名称 果园星城D3栋2单元504 项目负责人 丛铁峰 地板 材料名称、数量、品牌 项目位置 地面 门窗 材料名称、数量、品牌 项目位置 厨房 项目负责人: (章) (公章) 年月日 业主方: (章) 年 月 日 哈尔滨绿之舟建筑装饰设计工程有限责任公司 主控材料列表 编号:LZZJZ—0700102 工程名称 项目负责人 地板 材料名称、数量、品牌 项目位置 材料名称、数量、品牌 项目位置 项目负责人: (章) (公章) 年月日 业主方: (章) 年 月 日 哈尔滨绿之舟建筑装饰设计工程有限责任公司 工 程 竣 工 报 告 编号:LZZJZ—0711002 工程名称 编号 工程地点 施工单位 哈尔滨绿之舟建筑装饰设计有限责任公司 预算价格 设计单位 合同价格 建筑面积 工程结构 砖混 层数 装饰面积 合同工期 天 承包形式 实际工期 天 工程工期 年月日至年月日 验 收 结 论 备 注 施工单位: (公章) 年月日 业主: (章) 年月日 工程 通知单 编号:LZZJZ—0600203 工程名称 编 号 第 号 项目负责人 工 长 工程延期(停工)原因和内容: 备 注 项目负责人: (章) (公章) 年 月 日 业主方: (章) 年 月 日 哈尔滨绿之舟建筑装饰设计工程有限责任公司 乳胶漆 工程分部施工质量验收记录 编号:LZZJZ—0711002 工程名称 结构类型 层数 施工单位 哈尔滨绿之舟建筑装饰设计有限责任公司 技术部门负责人 质量部门负责人 项目技术负责人 项目质量负责人 序号 子分部工程名称 分项工程数 施工单位检验意见 业主验收意见 1 2 3 4 5 6 7 8 9 10 施工质量控制资料核查 施工观感质量检查评价意见 检 验 验 收 单 位 施工单位 项目负责人: (章) 年月日 设计单位 项目负责人: (章) 年月日 业 主 (章) 年 月 日 哈尔滨绿之舟建筑装饰设计工程有限责任公司 水电隐蔽 工程分部施工质量验收记录 编号:LZZJZ—0711002 工程名称 结构类型 层数 施工单位 哈尔滨绿之舟建筑装饰设计有限责任公司 技术部门负责人 质量部门负责人 项目技术负责人 项目质量负责人 序号 子分部工程名称 分项工程数 施工单位检验意见 业主验收意见 1 2 3 4 5 6 7 8 9 10 施工质量控制资料核查 施工观感质量检查评价意见 检 验 验 收 单 位 施工单位 项目负责人: (章) 年月日 设计单位 项目负责人: (章) 年月日 业 主 (章) 年 月 日 哈尔滨绿之舟建筑装饰设计工程有限责任公司 墙地砖铺设 工程分部施工质量验收记录 编号:LZZJZ—0700101 工程名称 结构类型 层数 施工单位 哈尔滨绿之舟建筑装饰设计有限责任公司 技术部门负责人 质量部门负责人 项目技术负责人 项目质量负责人 序号 子分部工程名称 分项工程数 施工单位检验意见 业主验收意见 1 2 3 4 5 6 7 8 9 10 施工质量控制资料核查 施工观感质量检查评价意见 检 验 验 收 单 位 施工单位 项目负责人: (章) 年月日 设计单位 项目负责人: (章) 年月日 业 主 (章) 年 月 日 哈尔滨绿之舟建筑装饰设计工程有限责任公司
展开阅读全文

开通  VIP会员、SVIP会员  优惠大
下载10份以上建议开通VIP会员
下载20份以上建议开通SVIP会员


开通VIP      成为共赢上传

当前位置:首页 > 管理财经 > 其他

移动网页_全站_页脚广告1

关于我们      便捷服务       自信AI       AI导航        抽奖活动

©2010-2026 宁波自信网络信息技术有限公司  版权所有

客服电话:0574-28810668  投诉电话:18658249818

gongan.png浙公网安备33021202000488号   

icp.png浙ICP备2021020529号-1  |  浙B2-20240490  

关注我们 :微信公众号    抖音    微博    LOFTER 

客服