收藏 分销(赏)

前端与干线设备安装、调试.docx

上传人:pc****0 文档编号:8759550 上传时间:2025-03-01 格式:DOCX 页数:10 大小:50.94KB 下载积分:10 金币
下载 相关 举报
前端与干线设备安装、调试.docx_第1页
第1页 / 共10页
前端与干线设备安装、调试.docx_第2页
第2页 / 共10页


点击查看更多>>
资源描述
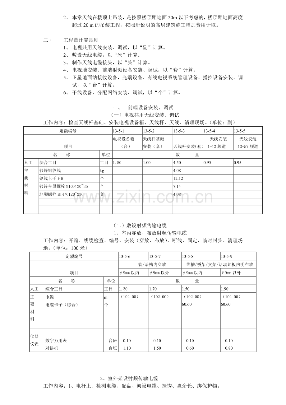
n 更多企业学院: 《中小企业管理全能版》 183套讲座+89700份资料 《总经理、高层管理》 49套讲座+16388份资料 《中层管理学院》 46套讲座+6020份资料  《国学智慧、易经》 46套讲座 《人力资源学院》 56套讲座+27123份资料 《各阶段员工培训学院》 77套讲座+ 324份资料 《员工管理企业学院》 67套讲座+ 8720份资料 《工厂生产管理学院》 52套讲座+ 13920份资料 《财务管理学院》 53套讲座+ 17945份资料  《销售经理学院》 56套讲座+ 14350份资料 《销售人员培训学院》 72套讲座+ 4879份资料 说明及工程量计算规则 一、 说明 1、 本章定额适用与有线广播电视、卫星电视、闭路电视系统设备的安装调试工程。 2、 本章天线在楼顶上吊装,是按照楼顶距地面20m以下考虑的,楼顶距地面高度超过20 m的吊装工程,按照册说明的高层建筑施工增加费用计取。 二、 工程量计算规则 1、 电视共用天线安装、调试,以“副”计算。 2、 敷设天线电缆,以“米”计算。 3、 制作天线电缆接头,以“头”计算。 4、 电视墙安装、前端射频设备安装、调试,以“套”计算。 5、 卫星地面站接收设备,光端设备、有线电视系统管理设备、播控设备安装、调试,以“台”计算。 6、 干线设备、分配网络安装、调试,以“个”计算。 一、 前端设备安装、调试 (一)电视共用天线安装、调试 工作内容:检查天线杆基础、安装电视设备箱、天线杆、天线、清理现场。(单位:副) 定额编号 13-5-1 13-5-2 13-5-3 13-5-4 13-5-5 项目 电视设备箱 (台) 天线杆基础 安装(套) 天线杆安装(套) 天线安装 1-12频道 天线安装 13-57频道 名 称 单位 数 量 人工 综合工日 工日 1.80 1.00 4.50 0.95 0.95 主 要 材 料 镀锌钢绞线 kg 4.08 钢线卡子∮6 个 12.12 镀锌带母螺栓M10×20~35 个 7.14 地脚螺栓M14×120~230 套 4.08                         (二)敷设射频传输电缆 1、室内穿放、布放射频传输电缆 工作内容:开箱、线缆检查、编号、安装(穿放、布放)、断线、固定、临时封头、清理场地。(单位:100米) 定额编号 13-5-6 13-5-7 13-5-8 13-5-9 项目 管/暗槽内穿放 线槽/桥架/支架/活动地板内明布放 ∮9mm以内 ∮9mm以外 ∮9mm以内 ∮9mm以外 名 称 单位 数 量 人工 综合工日 工日 1.30 1.70 1.50 1.90 主 要 材 料 电缆 电缆卡子(综合) m 个 (102.00) (102.00) (102.00) 60.60 (102.00) 60.60 仪器 仪表 数字万用表 对讲机  台班  台班  0.10  1.10  0.10  1.50  0.10  0.60  0.10  0.80 2、室外架设射频传输电缆 工作内容:1、电杆上:检测电缆、配盘、架设电缆、挂钩、盘余长、绑保护物。 2、墙壁上:安装支撑物、布放吊线、做终端、配盘、架设电缆、挂钩、盘余长、绑保护物。(单位:100米) 定额编号 13-5-10 13-5-11 13-5-12 13-5-13 项目 在电杆上架设射频电缆 在墙壁上架设射频电缆 ∮9mm以内 ∮9mm以外 ∮9mm以内 ∮9mm以外 名 称 单位 数 量 人工 综合工日 工日 2.50 3.00 3.00 3.50 主 要 材 料 电缆 m (102.00) (102.00) (102.00) (102.00) 镀锌铁丝16#~17# kg 0.10 0.10 0.10 0.10 拉线环(大号) 个 4.04 4.04 电缆挂钩25 个 202.00 202.00 202.00 202.00 镀锌钢绞线 kg 11.22 11.22 U型钢卡 副 14.14 14.14 镀锌滚花膨胀螺栓 套 24.48 24.48 终端转角墙担 根 4.04 4.04 中间支持物 套 8.08 8.08 平顶射钉(螺纹) 个 25.25 25.25 仪器 仪表 对讲机    台班    1.60    1.80    2.00   2.00 3、制作射频电缆接头 工作内容:检查器材、成端接头、固定接头。 (单位:头) 定额编号 13-5-14 13-5-15 项目 射频电缆接头(10个) 架空 地面 名 称 单位 数 量 人工 综合工日 工日 1.00 0.80 主 要 材 料 F型插头(75-7) 个 10.10 10.10 棉纱头 kg 0.10 0.05 4、卫星天线安装、调试 工作内容:天线和天线架的搬运、安装及吊装,天线安装就位,调正方向和俯仰角,调试输出电平,整理测试记录,检查、紧固天线各部件,补漆。吊装设备的安装、拆除,清理施工现场。(单位:副) 定额编号 13-5-16 13-5-17 13-5-18 13-5-19 13-5-20 13-5-21 项目 天线在楼顶天线架上吊装(楼顶距地面20m以下) ∮2m以内 ∮3.2m以内 ∮4m以内 ∮6m以内 ∮7.2m以内 ∮15m以内 名 称 单位 数 量 人工 综合工日 工日 6.50 7.50 10.00 31.00 53.00 80.00 主 要 材 料 天线及配套件 套 (1.00) (1.00) (1.00) (1.00) (1.00) (1.00) 汽油70# kg 1.50 1.80 2.00 2.20 2.40 3.00 机械 电动卷扬机(单筒快速) 2t 台班 0.80 1.00 1.20 2.00 2.60 3.40 仪 器 仪 表 数字万用表 台班 2.00 2.00 2.00 2.00 2.00 2.00 场强仪 台班 3.00 3.00 3.00 3.00 3.00 3.00 频谱分析仪 台班 1.00 1.00 1.00 1.00 1.00 1.00 对讲机 台班 4.00 4.40 5.00 8.00 10.00 20.00 定额编号 13-5-22 13-5-23 13-5-24 13-5-25 13-5-26 13-5-27 项目 天线在地面水泥底座上及天线架上吊装 ∮2m以内 ∮3.2m以内 ∮4m以内 ∮6m以内 ∮7.2m以内 ∮15m以内 名 称 单位 数 量 人工 综合工日 工日 5.40 6.60 9.00 26.00 45.00 70.00 主 要 材 料 天线及配套件 套 (1.00) (1.00) (1.00) (1.00) (1.00) (1.00) 汽油70# kg 1.50 1.80 2.00 2.20 2.40 3.00 机械 电动卷扬机(单筒快速) 2t 台班 0.80 1.00 1.20 2.00 2.60 3.40 仪 器 仪 表 数字万用表 台班 2.00 2.00 2.00 2.00 2.00 2.00 场强仪 台班 3.00 3.00 3.00 3.00 3.00 3.00 频谱分析仪 台班 1.00 1.00 1.00 1.00 1.00 1.00 (三)、设备安装 1、前端机柜 工作内容:开箱清理、搬运、组装机柜、机柜就位、固定,接机柜电源线,制作、安装地线,清理工作现场。(单位:个) 定额编号 13-5-28 项目 前端机柜(卫星接收机机柜)安装 1.6~2.0m 名 称 单位 数 量 人工 综合工日 工日 2.40 主 要 材 料 地脚螺栓M14×120~230 套 4.08 地脚螺栓M10×25 套 1.02 棉纱头  Kg 0.20 2、电视墙安装 工作内容:开箱检查、清洁搬运、安装固定、附件安装、接地等。(单位:套) 定额编号 13-5-29 13-5-30 项目 带抽屉电视墙 监视器12以下 监视器24以下 名 称 单位 数 量 人工 综合工日 工日 8.00 18.00 主 要 材 料 地脚螺栓M14×120~230 套 6.12 12.24 地脚螺栓M10×25 套 1.02 1.02 棉纱头 kg 0.10 0.10 3、前端射频设备安装、调试 工作内容:搬运、开箱清点、通电检查、就位、制作接头、对线标记、扎线、清理施工现场。调试各频道输入RF电平幅度、调试各频道的输出幅度及射频参数,填写调试报告。 (单位:套) 定额编号 13-5-31 13-5-32 13-5-33 13-5-34 13-5-35 13-5-36 项 目 全频道前端 邻频前端 挂式邻频前端 10个频道 每增加 1个频道 12个频道 每增加 1个频道 12个频道 每增加 1个频道 名 称 单位 数 量 人工 综合工日 工日 2.50 0.25 2.30 0.25 2.40 0.25 主 要 材 料 扎线卡 个 36.36 3.03 36.36 3.03 棉纱头 kg 0.05 0.05 0.05 0.05 0.05 0.05 仪 器 仪 表 场强仪 台班 1.00 0.10 1.00 0.10 1.00 0.10 4、 卫星地面站接收设备安装、调试 工作内容:搬运、开箱、通电检查、清点设备、调试、安装固定、接线、通电、调试记录、标记、扎线、清理施工现场。(单位:台) 定额编号 13-5-37 13-5-38 13-5-39 13-5-40 13-5-41 项 目 卫星地面接收设备安装、调试 接收机 解码器(解压器) 数字信号转换器 制式转换器 功分器 名 称 单位 数 量 人工 综合工日 工日 0.70 0.80 0.75 0.55 0.20 材 料 棉纱头 套 0.05 0.05 0.05 0.05 0.05 仪 器 仪 表 场强仪 台班 0.30 0.40 0.40 0.30 0.10 频谱分析仪 台班 0.30 0.40 0.40 0.30 0.10 (四)光端设备安装、调试 工作内容:搬运、开箱检查、安装固定、熔接光缆光纤,制作射频接头、接线、调测记录、整理调测记录,填写调测报告。(单位:台) 定额编号 13-5-42 13-5-43 13-5-44 13-5-45 13-5-46 13-5-47 13-5-48 项 目 光系统前端设备安装 模拟光发射机 FM光 发射机 数字光 发射机 反向光 接收机 终端盒(12 芯)(套) 调试 (套) 直接调制 外调制 名 称 单位 数 量 人工 综合工日 工日 3.00 4.00 6.00 6.00 1.00 6.00 2.00 仪 器 仪 表 光功率计 台班 1.50 2.00 2.00 3.00 0.50 1.00 光时域反射仪 台班 1.50 2.00 2.00 3.00 0.50 1.00 光纤熔接机 台班 3.00 频谱分析仪 台班 1.50 2.00 2.00 3.00 (五)有线电视系统管理设备安装、调试 工作内容:搬运、开箱清点、检验、划线、定位、设备安装,固定、接线,做标志。 (单位:台) 定额编号 13-5-49 13-5-50 13-5-51 13-5-52 13-5-53 13-5-54 13-5-55 13-5-56 项 目 寻址 控制器 视频 加密器 数据 通道 控制器 数据 分支器 数据 控制器 网络(费)管理 控制器 收费管理系统 调试 网络管理系统调试 名 称 单位 数 量 人工 综合工日 工日 2.00 2.00 2.00 1.00 2.00 2.00 4.00 4.00 主 要 材 料 标志牌 个 2.10 4.20 2.10 3.15 2.10 棉纱头 kg 0.05 0.05 0.05 0.05 0.05 0.05 0.05 0.05 仪 器 仪 表 数字万用表 台班 0.50 0.50 频谱分析仪 台班 1.00 1.00 (六)播控设备安装、调试 工作内容:搬运、开箱清点,安装就位、调试、固定、接线、接地、做标志、清理现场。 (单位:台) 定额编号 13-5-57 13-5-58 13-5-59 13-5-60 13-5-61 13-5-62 13-5-63 13-5-64 13-5-65 项 目 播控台安装(长度) 控制设备安装 1.60m 以内 2.60m 以内 1.20m 以内 组合式 电源 自控器 矩阵 切换器 时钟 控制器 电平循环监测报警器 台标 发生器 时标 发生器 名 称 单位 数 量 人工 综合工日 工日 6.00 8.00 4.00 0.80 0.80 0.80 0.50 0.70 0.70 主 要 材 料 扎线卡 个 505.00 505.00 505.00 标志牌 个 4.20 2.10 2.10 2.10 2.10 棉纱头 kg 0.05 0.05 0.05 0.05 0.05 0.05 0.05 0.05 0.05 仪 器 仪 表 数字万用表 台班 0.20 定额编号 13-5-66 13-5-67 13-5-68 13-5-69 13-5-70 13-5-71 13-5-72 项 目 控制设备安装 播控台 调试 字幕 叠加器 监视器 视(音) 频处理器 时钟 校正器 视频 分配器 画中画 播出机 名 称 单位 数 量 人工 综合工日 工日 0.80 0.20 0.80 0.80 0.80 0.80 0.80 材 料 扎线卡 个 202.00 50.50 202.00 50.50 252.50 50.50 标志牌 个 4.20 4.20 2.10 2.10 9.45 2.10 仪 器 仪 表 光功率计 台班 0.10 0.10 二、干线设备安装、调试 (一)干线设备安装 工作内容:开箱检验、清理搬运、组装保护箱(地面)、安装紧固、组装内件、固定尾纤(尾缆)、接地、加接电源、调试设备、标记等。 定额编号 13-5-73 13-5-74 13-5-75 13-5-76 13-5-77 13-5-78 13-5-79 项 目 光接收机 光放大器 线路放大器 室 外 室 内 室 内 室 外 室 内 地 面 架 空 地面 架 空 名 称 单位 数 量 人工 综合工日 工日 材 料 塑料膨胀管∮6×35 只 4.12 4.12 木螺钉M8 个 4.16 4.16 镀锌铁丝8#~12# kg 0.10 0.10 棉纱头 kg 0.05 0.05 0.05 0.05 0.05 0.05 0.05 仪 器 仪 表 光功率计 台班 0.50 1.00 0.40 1.20 0.60 1.20 光时域反射仪 台班 0.50 1.00 0.40 1.20 0.60 1.20 场强仪 台班 0.50 1.00 0.40 1.20 0.60 1.20 数字万用表 台班 0.50 工作内容:1、安装供电器:开箱检查、清洁搬运、组装保护箱(室外)、安装紧固、接线、取电、做插头、接地、做标记等。 2、安装无源器件:检查器件、安装固定、做接头等。 定额编号 13-5-16 13-5-17 13-5-18 13-5-19 13-5-20 13-5-21 项目 供 电 器 无 源 器 件 室 外 室 内 室 外 室 内 地 面 电杆上 地 面 架 空 名 称 单位 人工 综合工日 工日 1.50 2.00 1.00 0.50 0.60 0.40 主 要 材 料 塑料膨胀管∮6×35 只 0.05 0.05 0.05 0.10 0.05 0.05 木螺钉M6 个 0.05 棉纱头 kg 0.05 仪 器 仪 表 数字万用表 台班 0.50 0.50 (二)干线设备调试 工作内容:1、调试放大器:测试输入电平,调整衰耗、均衡,做测试记录。 2、调试供电器:测试输出电压、电流,测试放大器供电电压,做记录。 单位:个 定额编号 13-5-86 13-5-87 13-5-88 13-5-89 13-5-90 13-5-91 13-5-92 13-5-93 项 目 调试放大器 调试供电器 单 向 双 向 10 台以内 10 台以上 地面 架空 地面 架空 地面 电杆上 地面 电杆上 名 称 单位 单 位 人工 综合工日 工日 1.00 1.50 1.25 1.75 1.50 2.50 1.75 2.75 主 要 材 料 膨胀螺栓M10 套 4.08 4.08 仪 器 仪 表 场强仪 台班 0.50 0.40 三、分配网络 (一)放大器安装 工作内容:开箱检验、固定保护箱、装放大器、引入工作电源等。 单位:10个 定额编号 13-5-94 13-5-95 项 目 放 大 器 明 装 暗 装 名 称 单位 数 量 人工 综合工日 工日 1.00 0.80 主 要 材 料 膨胀螺栓M10 套 4.08 4.08 棉纱头 kg 0.05 0.05 仪 器 仪 表 场强仪 台班 0.50 0.40 (二)分支器、分配器、均衡器、衰减器安装 工作内容:检查器件、清理端口、清理暗盒、做接头、整理布线等。 单位:10个 定额编号 13-5-96 13-5-97 13-5-98 项 目 放 大 器 均衡器、衰减器 明 装 暗 装 名 称 单位 数 量 人工 综合工日 工日 2.00 1.40 0.40 主 要 材 料 塑料膨胀管∮6×35 只 25.75 25.75 棉纱头 kg 0.05 0.05 木螺钉M6 个 26.00 26.00 (三)用户终端盒安装 工作内容:检查器件、安装固定、做接头、布线连接、清理暗盒、连线调试。单位:10个 定额编号 13-5-99 13-5-100 项 目 埋 设 暗 盒 明 装 (86×86、75×100) 暗 装 (200×150) 名 称 单位 数 量 人工 综合工日 工日 1.60 4.20 主 要 材 料 用户暗盒 个 (10.10) 塑料膨胀管∮6×35 只 51.50 棉纱头 kg 0.05 0.05 (四)暗 盒 埋 设 工作内容:现场勘查设计、剔槽(孔、洞)、埋管、回敷、清理管道、埋设暗盒等。 单位:10个 定额编号 13-5-101 13-5-102 项 目 用户终端盒 明 装 暗 装 名 称 单位 数 量 人工 综合工日 工日 1.60 4.20 主 要 材 料 用户暗盒 个 (10.10) 分支器、分配器暗盒 个 (10.10) 棉纱头 kg 0.05 0.05 (五)楼板、墙壁穿洞 工作内容:定位、打孔、清理等。 单位:个 定额编号 13-5-103 13-5-104 13-5-105 13-5-106 13-5-107 13-5-108 13-5-109 13-5-110 项 目 楼层打孔(孔径mm) 墙壁打孔(墙厚mm) 预制板 混凝土 砖墙 混凝土墙 25 35 25 35 240 370 ≤180 >180 名 称 单位 单 位 人工 综合工日 工日 0.10 0.12 0.12 0.14 0.12 0.13 0.14 0.18 机 械 水钻 台班 0.05 0.06 0.06 0.07 0.06 0.07 0.07 0.09 (六)网络终端调试 工作内容:调试放大器(包括回传)、测试、记录、整理,测试用户终端、机上变换器、服务器、FM音箱。记录、整理、预置用户电视频道等。 定额编号 13-5-111 13-5-112 项 目 调试放大器 调试用户终端(户) 名 称 单位 数 量 人工 综合工日 工日 1.50 0.10 仪 器 仪 表 场强仪 台班 0.50 0.50 彩色监视器 台班 0.50 0.50
展开阅读全文

开通  VIP会员、SVIP会员  优惠大
下载10份以上建议开通VIP会员
下载20份以上建议开通SVIP会员


开通VIP      成为共赢上传

当前位置:首页 > 管理财经 > 管理学资料

移动网页_全站_页脚广告1

关于我们      便捷服务       自信AI       AI导航        抽奖活动

©2010-2026 宁波自信网络信息技术有限公司  版权所有

客服电话:0574-28810668  投诉电话:18658249818

gongan.png浙公网安备33021202000488号   

icp.png浙ICP备2021020529号-1  |  浙B2-20240490  

关注我们 :微信公众号    抖音    微博    LOFTER 

客服