收藏 分销(赏)

LGK通用说明书1.doc

上传人:s4****5z 文档编号:8656775 上传时间:2025-02-24 格式:DOC 页数:11 大小:264.50KB 下载积分:10 金币
下载 相关 举报
LGK通用说明书1.doc_第1页
第1页 / 共11页
LGK通用说明书1.doc_第2页
第2页 / 共11页


点击查看更多>>
资源描述
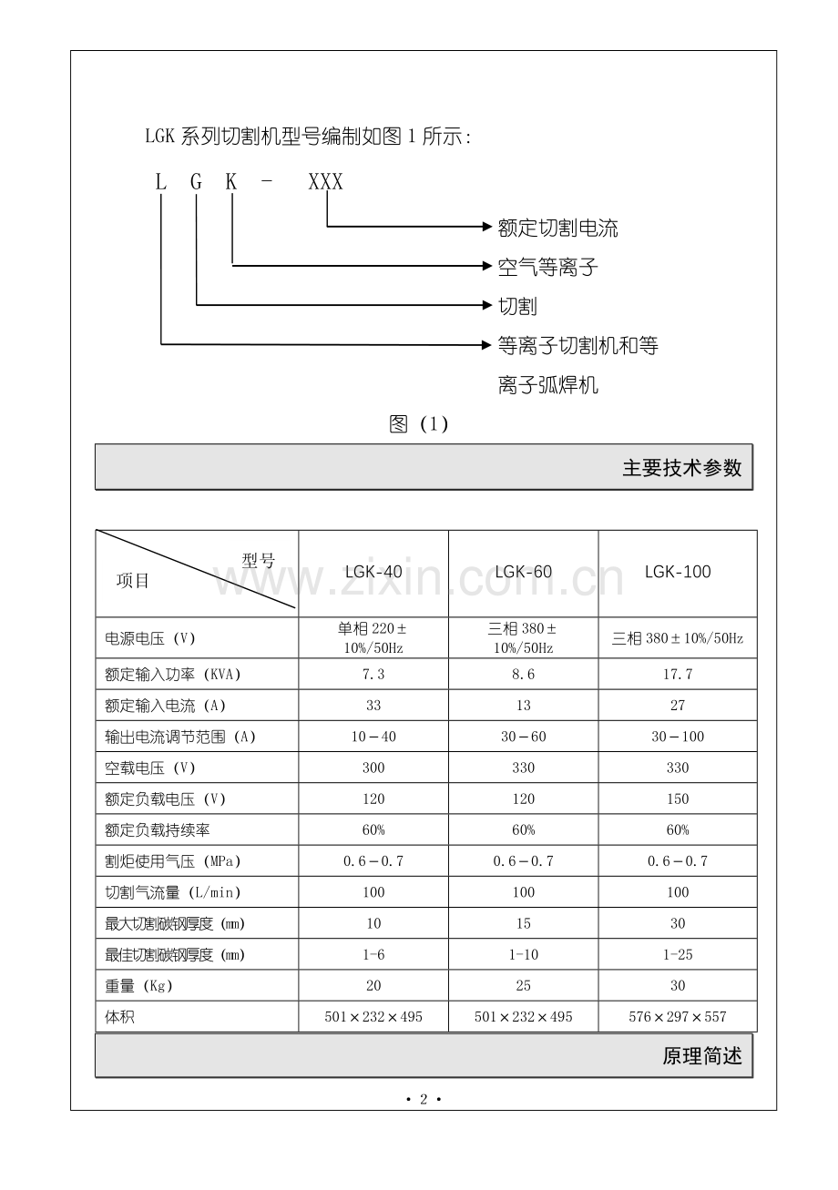
用途及特点 LGK系列逆变式空气等离子切割机属于一种全新设计的金属加工设备,采用了二十世纪末先进的绝缘栅大功率晶体管IGBT及脉冲宽度调制(PWM)软开关技术设计制造。该系列切割机可以切割所有金属材料,特别适合于切割火焰切割法不能切割的高合金钢和有色金属。该系列切割机具有理想的静外特性及良好的动态特性,具备高频引弧功能,特点如下: C 电弧能量高度集中,稳定性好,切割力强。 C 切割速度快(是气割的3 – 5倍)。 C 切割成本低。 C 切口狭窄,光洁,整齐,接近于垂直。 C 工件变形小。 C 切割电流连续可调。 C 引弧容易。 C 操作非常方便。 C 重量轻,体积小,便于移动。 C 高效率,高功率因数,是一种高效节能设备。 C 噪音低,适应性强。 C 具有自锁,非自锁两种功能,适应长短割缝的不同要求,能减少工人的劳动强度。 C 便于组成自动切割设备。 有高频引弧功能。 C 该系列空气等离子切割机的制造符合标准 JB/T 7438-94《空气等离子弧切割机》的要求。 型号编制及说明 LGK系列切割机型号编制如图1所示: L G K - XXX 额定切割电流 空气等离子 切割 等离子切割机和等 离子弧焊机 图(1) 主要技术参数 项目 型号 LGK-40 LGK-60 LGK-100 电源电压(V) 单相220±10%/50Hz 三相380±10%/50Hz 三相380±10%/50Hz 额定输入功率(KVA) 7.3 8.6 17.7 额定输入电流(A) 33 13 27 输出电流调节范围(A) 10-40 30-60 30-100 空载电压(V) 300 330 330 额定负载电压(V) 120 120 150 额定负载持续率 60% 60% 60% 割炬使用气压(MPa) 0.6-0.7 0.6-0.7 0.6-0.7 切割气流量(L/min) 100 100 100 最大切割碳钢厚度(mm) 10 15 30 最佳切割碳钢厚度(mm) 1-6 1-10 1-25 重量(Kg) 20 25 30 体积 501×232×495 501×232×495 576×297×557 原理简述 3~380V/50Hz(220V/50Hz) LGK系列切割机原理图如图2所示: 整流滤波 中频变压器 中频逆变 整流 给定 控制电路 高频引弧装置 图(2) 本系列切割机采用了IGBT中频逆变技术,工频三相380V(单相220V)电源输入,直接整流后送给由IGBT等器件组成的逆变器变为中频交流,经中频变压器隔离、中频整流器整流滤波后输出一适合于切割的直流电。通过这个过程,提高了切割机的动态响应能力,减小了变压器、电抗器的体积和重量,同时也提高了整机用电效率。 控制的电路设计实现了整机闭环控制, 使切割电源具有垂直陡降的外特性和良好的抗电网波动能力。给定电路输入给定信号,用于调节输出电流;反馈电路对输出电流进行采样放大,从而得到满足要求的反馈信号;脉宽调制(PWM)电路对给定信号和反馈信号进行比较,以决定输出脉冲宽度;驱动电路将控制脉冲进行功率放大驱动IGBT。保护电路实现过流、欠压、过热等极端情况下的保护,确保IGBT 的可靠工作。切割机采用合理的逻辑顺序控制,能实现提前送气、高频引弧、切割、滞后关气等过程。 LGK系列逆变切割机输出特性如图3所示: U(V) U0 I(A) 40 60 100 图(3) 操作使用说明 1. 使用条件 1.1 环境条件 (1) 周围空气温度范围 在切割时 -10℃~40℃; 在运输和贮存过程中 -25℃~55℃。 (2) 空气相对湿度 在40℃时 ≦50%; 在20℃时 ≦90%。 (3) 周围空气中的灰尘、酸、腐蚀性气体或物质等不超过正常含量。 (4) 海拔高度不超过1000M; 1.2 供电电压品质 (1) 波形应为标准的正弦波,有效值为380V±10%(或220 V±10%), 频率为50Hz±1%。 (2) 三相电压的不平衡度≦5%。 2. 功能介绍 2.1 切割机前面板 LGK-100切割机前面板如图4所示。 图(4) (1) 气检/切割转换开关(K1) K1处于气检位置时,检查气路是否正常;处于切割位置 时,进行正常切割。 (2)自锁/非自锁转换开关(K2) K2处于非自锁位置时,按下割枪开关可正常切割,松开开关即停止切割,适合于短割缝切割;处于自锁位置时,按下割枪开关 引弧成功后,可松开开关正常切割,当再次按下割枪开关后停止切割,适合于长割缝切割。 (3)工作指示灯 指示切割机是否接通输入电源。 (4)保护指示灯 指示切割机内是否温度过高。灯亮时自动停止工作。 (5)电流调节旋钮 用于调节切割电流的大小。 (6)输出电缆接线柱(+) 通过输出电缆接被割工件。 (7)转移弧接线柱(+) 接切割枪的转移弧引线。 备注:LGK-40、60切割机无此项。 (8)切割枪气电接线柱(-) 接切割枪的气电接头。 (9)控制插座 接切割枪的控制插头。 2.2 切割机后面板 切割机后面板如图5所示。 图(5) (1) 自动空气开关 此开关的作用主要是在切割机过载或发生故障时自动断电,以保护切割机。一般情况下,此开关向上扳至接通的位置。启停切割机应尽量使用配电板(柜)上的电源开关,不要把本开关当作电源开关使用。 (2) 电源输入电缆 花色线要可靠接地,其余三根线接三相380V/50Hz电源(LGK- 40切割机接单相220V)。 (3)空气过滤器 通过气管接空气压缩机,其作用是减压及滤除空气水分。调节其 旋钮,可改变过滤器输出空气压力,压力值见压力表,一般不应超过0.7MP。积水杯积水不应触及滤芯,应及时松开下部水阀,将水放出。如果积水过多进入切割枪,将会影响引弧和切割质量。 (4) 防触电标志 (5)铭牌 (6)风机转向标志 输入电缆的接线相序应保证风机转向与要求相符(向机内吹风)。 (7)风机 对机内发热器件进行冷却。 (8) 接地螺栓 为保证人身安全和切割机的正常使用,请务必用导线将此螺栓可靠接地,或者将输入电缆中的接地线可靠接地。 3.设备安装 本切割机体积小,重量轻,易于搬运,可随工人流动作业。如能自 备小车,则移动更加方便。放置切割机的位置只要保证地面平坦即可。 LGK-100切割机外部电气连接如图6所示。 图(6) 选用空气压缩机工作压力≥0.8Mpa,气流量≥250L/min。将压缩气源接至空气过滤器的进气嘴。开启空气压缩机使其气压达到所需压力。合上后面板上空气开关。 4.操作程序 4.1 检查安装正确无误后,通电,工作指示灯亮,轴流风扇工作。 4.2 调节空气过滤器至所需气压。将前面板上的K1拨至“气检”位置, 机内气阀开通,预通气1分钟,以去除割枪中的冷凝水汽,然后将K1 拨至“切割”位置。 4.3 a.LGK- 40,60切割机采用接触式切割枪。进行切割时,应先将 切割枪喷嘴接触工件,再按下割枪控制开关进行引弧。 b.LGK – 100切割机采用非接触式切割枪。进行切割时,应将切 割枪喷嘴离开工件3 ~ 5mm进行引弧,切割时不能让喷嘴接触工件。 4.4 一般应在工件的边缘处开始切割,亦可在工件的任意点开始切割,但此时割枪应稍向一侧倾斜,以便吹掉熔化的金属,形成初始的切口。 4.5 在切割过程中,切割枪应始终匀速移动。 4.6 停止切割时,应待等离子弧熄灭后,才可以将割枪移离工件,否则,工件有可能被损坏。 使用注意事项 1. 操作者必须穿戴防护鞋、防护服及手套,并用防护眼镜保护好眼睛。 2. 割枪带电时,严禁卸下喷嘴。更换电极、喷嘴时应断电进行,确保人身安全。 3. 切割过程中发现割缝异常、断弧、引弧困难等问题,应检查喷嘴、电极等易损件。损耗过大应及时更换。 4. 装配电极、气筛、喷嘴及喷嘴罩时,应注意同轴装配,喷嘴罩必须压紧喷嘴。 5. 切割时不能过快移动割枪,以免割不透工件引起弧焰回流烧毁喷嘴。也应避免割速过慢影响切口质量。 6. 切割过程中,空气压缩机压力应保持0.6Mpa以上。空气减压阀的积水应及时放掉。 7. 本机设有欠压保护。当电网电压过低时,切割机不工作。 8. 本机设有过热保护。当机内温度过高时,切割机不工作。前面板上保护指示灯亮。 9.常见故障现象见附录A 产品成套及配件 № 名称、规格、型号 数量 备注 01 LGK-xxx切割机 1台 02 切割枪 1套 气冷式 03 电极 * 04 喷嘴 * 05 气筛 * 06 喷嘴罩 * 07 输出电缆 1套 5米 08 使用说明书 1份 09 产品合格证 1份 10 保修证书 1份 11 装箱单 1份 12 13 附录A № 现象 原因 措施 1 开机后,工作指示灯不亮,切割机不工作 ① 切割机缺相 ② 机内保险管(2A)断 ③ 断线 ① 检查电源 ② 检查风机、电源变压器、主控板是否完好 ③ 查线 2 过热指示灯亮 ① 机内温度过高 ② 温度继电器坏 ① 待机器冷却后使用 ② 更换 3 气检时无气体流出 ① 电磁阀坏 ② 气路堵塞 ③ K1开关坏 ④ 过滤器输出压力过高 ① 检查更换 ② 检查气路 ③ 更换 4 割枪控制开关失灵 ① 开关坏 ② 断线 ③ 控制板坏 ① 更换 ② 接线 ③ 更换 5 切口过宽 ① 切割速度过慢 ② 喷嘴烧损 ① 提高速度 ② 更换 6 切口偏 ① 割枪喷嘴烧坏 ② 喷嘴和电极没对中 ③ 割枪不垂直 ① 更换 ② 调整 ③ 调整垂直 备注:若切割枪出现其它故障请专业人员维修。 ·11·
展开阅读全文

开通  VIP会员、SVIP会员  优惠大
下载10份以上建议开通VIP会员
下载20份以上建议开通SVIP会员


开通VIP      成为共赢上传

当前位置:首页 > 百科休闲 > 其他

移动网页_全站_页脚广告1

关于我们      便捷服务       自信AI       AI导航        抽奖活动

©2010-2025 宁波自信网络信息技术有限公司  版权所有

客服电话:0574-28810668  投诉电话:18658249818

gongan.png浙公网安备33021202000488号   

icp.png浙ICP备2021020529号-1  |  浙B2-20240490  

关注我们 :微信公众号    抖音    微博    LOFTER 

客服