收藏 分销(赏)

石油化工企业设计防火规范安全距离表Word.docx

上传人:鱼** 文档编号:810955 上传时间:2024-03-23 格式:DOCX 页数:7 大小:57.17KB 下载积分:5 金币
下载 相关 举报
石油化工企业设计防火规范安全距离表Word.docx_第1页
第1页 / 共7页
石油化工企业设计防火规范安全距离表Word.docx_第2页
第2页 / 共7页


点击查看更多>>
资源描述
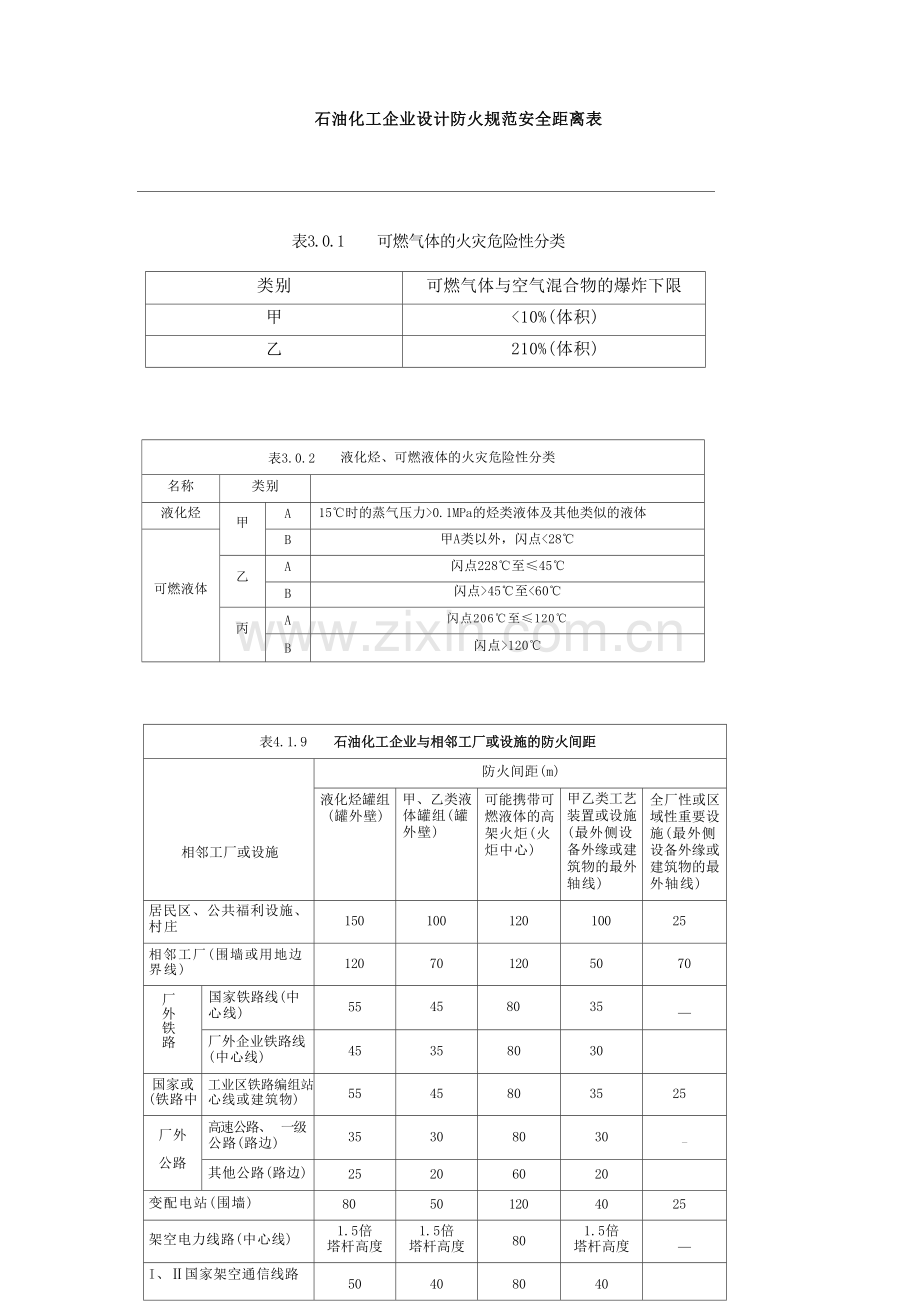
石油化工企业设计防火规范安全距离表 表3.0.1 可燃气体的火灾危险性分类 类别 可燃气体与空气混合物的爆炸下限 甲 <10%(体积) 乙 210%(体积) 表3.0.2 液化烃、可燃液体的火灾危险性分类 名称 类别 液化烃 甲 A 15℃时的蒸气压力>0.1MPa的烃类液体及其他类似的液体 可燃液体 B 甲A类以外,闪点<28℃ 乙 A 闪点228℃至≤45℃ B 闪点>45℃至<60℃ 丙 A 闪点206℃至≤120℃ B 闪点>120℃ 表4.1.9 石油化工企业与相邻工厂或设施的防火间距 相邻工厂或设施 防火间距(m) 液化烃罐组 (罐外壁) 甲、乙类液 体罐组(罐 外壁) 可能携带可 燃液体的高 架火炬(火 炬中心) 甲乙类工艺 装置或设施 (最外侧设 备外缘或建 筑物的最外 轴线) 全厂性或区 域性重要设 施(最外侧 设备外缘或 建筑物的最 外轴线) 居民区、公共福利设施、 村庄 150 100 120 100 25 相邻工厂(围墙或用地边 界线) 120 70 120 50 70 厂外铁路 国家铁路线(中 心线) 55 45 80 35 — 厂外企业铁路线 (中心线) 45 35 80 30 国家或 (铁路中 工业区铁路编组站 心线或建筑物) 55 45 80 35 25 厂外 公路 高速公路、 一级 公路(路边) 35 30 80 30 — 其他公路(路边) 25 20 60 20 变配电站(围墙) 80 50 120 40 25 架空电力线路(中心线) 1.5倍 塔杆高度 1.5倍 塔杆高度 80 1.5倍 塔杆高度 — I、Ⅱ国家架空通信线路 (中心线) 50 40 80 40 通航江、河、海岸边 25 25 80 20 地区 埋地 输油 管道 原油及成品油 (管道中心) 30 30 60 30 30 液化烃(管道中 心 ) 60 60 80 60 60 地区埋地输气管道(管道 中心) 30 30 60 30 30 装卸油品码头(码头前沿) 70 60 120 60 60 表4.1.10 石油化工企业与同类企业及油库的防火间距 项 目 防火间距(m) 液化烃 罐组(罐 外壁) 甲、乙类液 体罐组(罐 外壁) 可能携带可 燃液体的高 架火炬(火 炬中心) 甲乙类工艺装置 或设施(最外侧 设备外缘或建筑 物的最外轴线) 全厂性或区域性 重要设施(最外侧 设备外缘或建筑 物的最外轴线) 液化烃罐组(罐外 壁 ) 60 60 90 70 90 甲、乙类液体罐组 (罐外壁) 60 1.5D〔见注 2) 90 50 60 可能携带可燃液体 的高架火炬(火炬 中心) 90 90 (见注4) 90 90 甲乙类工艺装置或 设施(最外侧设备 外缘或建筑物的最 外轴线) 70 50 90 40 40 全厂性或区域性重 要设施(最外侧设 备外缘或建筑物的 最外轴线) 90 60 90 40 20 明火地点 70 40 60 40 20 注:1.括号内指防火间距起止点; 2. 表中D为较大罐的直径。当小于30m时,取30m; 当大于60m时,可取60m; 当丙类可燃 液体罐相邻布置时,防火间距可取30m; 3. 与散发火花地点的防火间距,可按与明火地点的防火间距减少50%,但散发火花地点 应布置在火灾爆炸危险区域之外; 4. 辐射热不应影响相邻火炬的检修和运行; 5. 丙类工艺装置或设施的防火间距,可按甲、乙类工艺装置或设施的规定减少10m (火 炬除外),但不应小于30m; 6. 石油化工工业园区内公用的输油(气)管道,可布置在石油化工企业围墙或用地边 界线外。 表 4 2 7 2 石油化工厂总平面右置的胁火阅距 项 口 工了图置(鲁重 一厂重 屋夜构 人增心 些上可都老体型罐 食中 作用见麻国律 有中中公工重 笔化量量罐 之重去或国车 金☆神 我望县 可出 气博 重 语十湿层丰图 C见联体 .乙购重志馆 过明,内得习装 县国吃糖 言地 … m … 名18上 啊里上 …… or,ooo下 … 85 的的的貌 古 一马平气 8 … 10 or xiamm 5am1 6人nrov尸 3有加上 高章装中的 权 性 : 肆量 量 的任 2 需 (花 :民 工之的量(单m 全!重理貌施 2022 己 2 22 H 一果 2011 C C 漫1 12 四 二期 器 草 味 : ] 均上可明原体 甲M。2女重过罐 25000+ 0 28 0 0 见塞G2.1 #920π*部O 0 2 81 50 M 2 1 >40m1.20: X1) 5500m'波清武 26 20 75 40 叉 29 8026 35000**2001 8i 28 昌 8% 浮3.内学到成两 A置大述 >道Cr-点00m³ 量 21 :401.0, 4i 与 : :4 81 280′成斗武 12 票 室 75 产点属予物大平通中立框办试在 啪 器 22 含 首 是是11 动处超常盐 整晒力贰陆苷 置 ! 10 武 额1 4! 8页 8 动 2000-'0009! 80 临 4] 0 0C 50 45 85 2 1 2 20 -11m' 81 a 1 20 ■ I 1 业中体点陆春 面 西 塑 面 溪 司 43 41 载 4 4 43 和 发真盖 *00 临 a 51 n 0 50 如 n 0 全 能气体防区 201和:³减和 7% 1 21 治 1 1 0 41 1 ”M 201 响比星业题图 感地律 思睛部巨 2 2 0 亚 档 至 4! 的 2 型 书 风年前即跑 当 90 % 55 91 加 15 0 % 活 1 插 1L 50 临图确据2M,看T出罐a 22 45 2 20 2 语 2 12 语 × 43 % M 语 端请响 业屋 0 品 钻 2 2 第 2 器 17 省 45 式 4 器 2 甲M,之员产序数1,客与明唱电库 0I 511 01 M 周I 1 1 41 重)罩 20 1i 1 甲受价山置1畏,金用溪 22 45 2 3 22 2 2 2 2 2 记 设 22 2 10 0 22 1! 3 它甲。只 立或素配公强验吨物国 ■招话系上黑寻落专中专配红军,共叫車 × 博 42 20 x 2 1! 2 IE 2 H 12 X 21 2 2 4想 1! 4! 0 2 词志量题蹈1晶地九,清治错) 语 25 22 试 记 2 B 记 话 2 3 器 4 M 22 2 0 中清选亏吃1中心学!。季则及产品心单电论,肾圆油 *0 — 15 22 * 0 酱 温 1: 怕 1 可减满购矿查资 星次 90 20 1 20 00 1 D] 0 90 0 20 20 90 0 0 ] 0 省 20 PO G2 0 0 90 区国填(中少线,或用地助骨线 量 器 2 41 3 2 监 25 43 器 书 41 2 表5.21 设备、建筑物平面布置的防火间距(m) 项阳 淳别 室、机 距 间 。 变邑 电 所 。 北验 重,办 县重 火设备 操作温度低干自感点的工艺改备 可地气体 压留机或 压媚机督 蓉置储葫(息喜积 其他工范表音或其率 可想气德 洁化格 可燃速林 可增气体 姨化 短 202-1090m² 50 100m² 100~1000m² 乙 甲 乙 甲 , 琴 乙 乙 丙A 乙 甲 中 2 控制室、机相同、蛋配电唐、业验室、办会室 明头酸备 15 躁作温 度倡子 自想点 的工范 没备 可地气体压缩轧或压喻机房 15 22.6 乙 9 9 装置踏罐 (悲容 积 可地 气体 200-1000m³ 考 15 15 9 75 乙 9 75 7.5 灌化经 50-100m】 甲 22.5 22.5 16 9 可地 廉体 100-1000m² 尊 乙A 15 15 9 7.5 乙…、西A 9 9 75 7.5 暴他工艺 设备证房 间 可地气体 15 15 9 9 7.5 9 9 7.5 乙 9 9 7.5 75 7.5 7.5 液化體 甲 15 225 9 7.5 9 7.5 9 9 7.5 町地速粹 粤 乙A 15 15 9 9 7.5 9 9 7.5 乙 ….因 9 9 7.5 7.5 7.5 7.5 □ 作晶度等于吸言子自速点的工屯境备 16 45 9 4.6 9 9 16 9 9 4.6 7.5 含可地液体的河水地、隔油池,酬性门水罐,青淮与水题 15 15 9 9 7.5 9 9 7.5 丙类物县仓里、乙费物县密存间 15 15 15 9 15 9 16 15 9 9 9 15 黄置留 籍组 (总客 权 ) 想气非 >1000m²-3000m 粤。乙 20 20 15 30 15 25. 20 15 15 15 25 15 20 液化怪 >100m²-500m² 甲 30 30 25 30 25 20 20 30 可地波 >1000m³-6000m² 甲 乙A 25 28 2% 20 20 15 26 20 25 乙 因 20 20 20 15 15 15 20 15 1 20 表6.2.8 罐组内相邻可燃液体地上储罐的防火间距 储罐型式 类别 固定项罐 ≤1000m³ > 00m 浮顶、内浮顶罐 卧罐 甲B、乙类 0.75D 0.6D 丙A类 0.4D 0.4D 0.8m 内B类 2m 5m 注 :1.表中D为相邻较大罐的直径,单罐容积大于1000m³的储键取直径或高度的较大值 表5.4.3 污水处理场内的设备、建(构)筑物平面布置的防火间距(m) 类别 变配电所、化验 室、办公室等 含可燃液体的隔 油池、污水池等 集中布置 的水泵房 污油罐、含油 污水调节罐 焚烧 炉 污油 泵房 变配电所、化验室、办公室等 15 15 15 15 含可燃液体的隔油池、污水池等 15 15 15 15 集中布置的水泵房 —— 15 15 — —— 污油罐、含油污水调节罐 15 15 15 15 — 焚烧炉 15 15 — 15 污油泵房 15 15 2. 储存不同类别液体的或不同型式的相邻储罐的防火间距应采用本表规定的较大值; 3. 现有浅盘式内浮顶罐的防火间距同固定顶罐; 4. 可燃液体的低压储罐,其防火间距按固定顶罐考虑: 5. 储存丙B 类可燃液体的浮顶、内浮顶罐,其防火间距大于15m时,可取15m。 表6.3.3 液化烃、可燃气体、助燃气体的罐组内储罐的防火间距 介质 球罐 卧(立) 罐 全冷冻式储罐(容积) 水槽式 气柜 干式 气柜 ≤100m³ >100m³ 液化烃 全压力式或半 冷冻式储罐 有事故持放至 火炬的措施 0.5D 1.0D * 本 水 水 无事故拌放至 火炬的措施 1.0D 非 * 水 * 全冷冻式储罐 ≤100m³ 家 * 1.5m 0.5D 求 * >100m³ * * 0.5D 0.5D 助燃气体 球罐 0.5D 0.65D * * 水 水 卧(立)罐 0.65D 0.65D 客 本 率 率 可燃气体 水槽式气柜 家 * * * 0.5D 0.65D 干式气柜 本 水 * * 0.65D 0.65D 球罐 0.5D * 客 本 0.65D 0.65D 注:1.D为相邻较大储罐的直径; 2. 液氨储罐间的防火间距要求应与液化烃储罐相同;液氧储罐间的防火间距应按《建筑设计防 火规范》 (GB50016) 的要求执行; 3. 沸点低于45℃的甲8类液体压力储罐,按全压力式液化烃储罐的防火间距执行; 4. 液化烃单罐容积≤200 m3 的卧(立)罐之间的防火间距超过1.5m 时,可取1.5m; 5. 助燃气体卧(立)罐之间的防火间距超过1.5m 时,可取1.5m; 6." · "表示不应同组布置。
展开阅读全文

开通  VIP会员、SVIP会员  优惠大
下载10份以上建议开通VIP会员
下载20份以上建议开通SVIP会员


开通VIP      成为共赢上传

当前位置:首页 > 环境建筑 > 防水防火防腐

移动网页_全站_页脚广告1

关于我们      便捷服务       自信AI       AI导航        抽奖活动

©2010-2026 宁波自信网络信息技术有限公司  版权所有

客服电话:0574-28810668  投诉电话:18658249818

gongan.png浙公网安备33021202000488号   

icp.png浙ICP备2021020529号-1  |  浙B2-20240490  

关注我们 :微信公众号    抖音    微博    LOFTER 

客服