收藏 分销(赏)

8.静设备安装施工方案.doc

上传人:胜**** 文档编号:809030 上传时间:2024-03-23 格式:DOC 页数:19 大小:299.50KB 下载积分:11 金币
下载 相关 举报
8.静设备安装施工方案.doc_第1页
第1页 / 共19页
8.静设备安装施工方案.doc_第2页
第2页 / 共19页


点击查看更多>>
资源描述
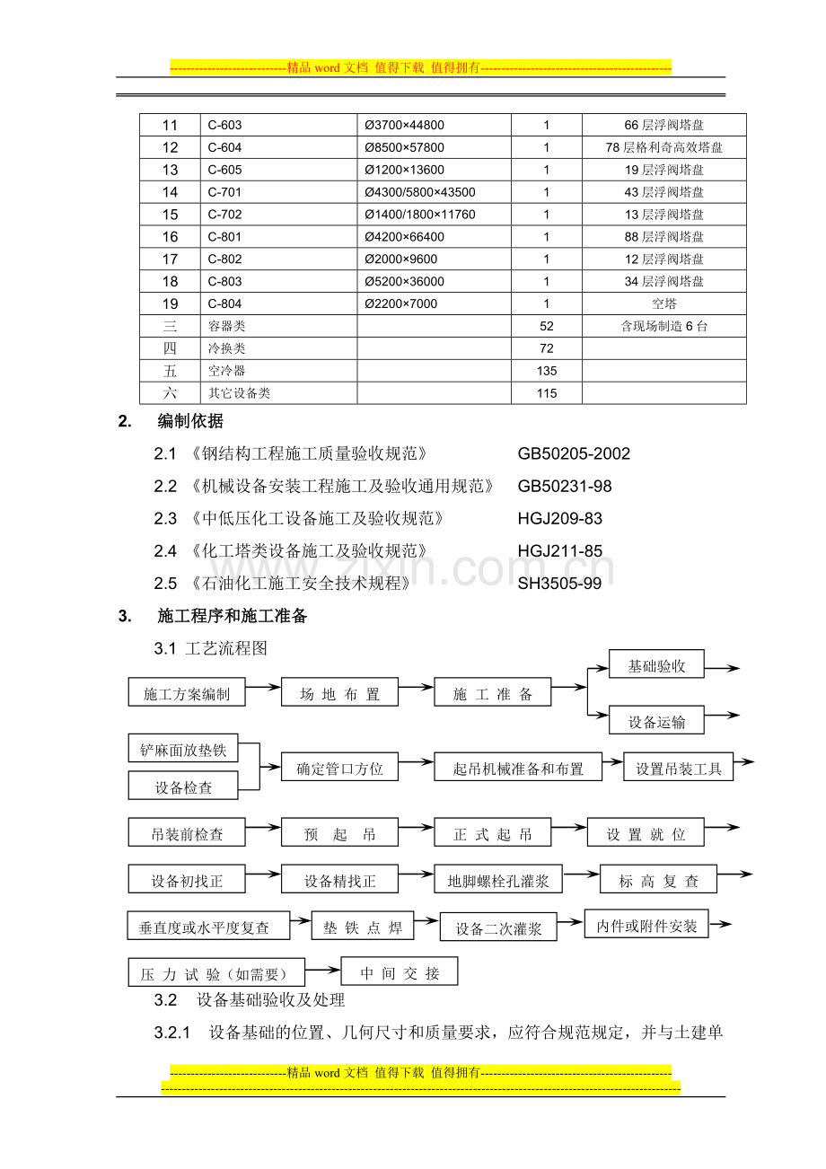
----------------------------精品word文档 值得下载 值得拥有---------------------------------------------- 5.1.2.6大型静设备安装施工方案 1. 概述 1.1 工程特点 C7芳烃联合装置共有静止设备403台,包括反应器9台,塔器19台,容器类52台,换热器72台,空冷器135片,其它设备115台。本方案仅对整体设备的安装进行阐述。现场制造及现场组装设备见制造及组装施工方案。 1.2 施工部署 根据设备布置情况,考虑设备安装的原则为:先框架内设备,再框架外设备;先厂房内设备,再厂房外设备;先装置内后装置外设备,先大型关键超重设备后小型设备。由于本工程的工号较多,场地分散,因此可安排场地分散的工号同时施工。 1.3 主要设备技术参数 序号 设 备 位 号 规格 台数 备注 一 反应器 1 R-401A/B Ø3500×16950 2 立式 2 R-501A/B Ø4200×13450 2 立式 3 R-502 Ø5300×8000 1 立式 4 R-601 Ø600×8350 1 立式 5 R-701 Ø4700×3560 1 立式 6 R-702A/B Ø4100×11240 2 立式 二 塔类 1 C-401 Ø4200×42650 1 60层浮阀塔盘 2 C-402 Ø7600/9000×81200 1 111层格利奇/现场分段制造 3 C-403 Ø5800/7400×115700 1 169层格利奇/现场制造 4 C-404 Ø3700×64600 1 98层浮阀塔盘 5 C-501 Ø4800×44800 1 62层浮阀塔盘 6 C-502 Ø4900/5600/6800×49600 1 66层浮阀塔盘 7 C-503 Ø4100×456100 1 62层浮阀塔盘 8 C-504 Ø2400/3700/4700×33690 1 42层浮阀塔盘 9 C-601 Ø8100×17748 1 内件进口/现场制造 10 C-602 Ø5600×46750 1 63层浮阀塔盘 11 C-603 Ø3700×44800 1 66层浮阀塔盘 12 C-604 Ø8500×57800 1 78层格利奇高效塔盘 13 C-605 Ø1200×13600 1 19层浮阀塔盘 14 C-701 Ø4300/5800×43500 1 43层浮阀塔盘 15 C-702 Ø1400/1800×11760 1 13层浮阀塔盘 16 C-801 Ø4200×66400 1 88层浮阀塔盘 17 C-802 Ø2000×9600 1 12层浮阀塔盘 18 C-803 Ø5200×36000 1 34层浮阀塔盘 19 C-804 Ø2200×7000 1 空塔 三 容器类 52 含现场制造6台 四 冷换类 72 五 空冷器 135 六 其它设备类 115 2. 编制依据 2.1 《钢结构工程施工质量验收规范》 GB50205-2002 2.2 《机械设备安装工程施工及验收通用规范》 GB50231-98 2.3 《中低压化工设备施工及验收规范》 HGJ209-83 2.4 《化工塔类设备施工及验收规范》 HGJ211-85 2.5 《石油化工施工安全技术规程》 SH3505-99 3. 施工程序和施工准备 施工方案编制 场 地 布 置 施 工 准 备 基础验收 设备运输 铲麻面放垫铁 设备检查 确定管口方位 起吊机械准备和布置 设置吊装工具 吊装前检查 预 起 吊 正 式 起 吊 设 置 就 位 设备初找正 设备精找正 地脚螺栓孔灌浆 标 高 复 查 垂直度或水平度复查 垫 铁 点 焊 设备二次灌浆 内件或附件安装 压 力 试 验(如需要) 中 间 交 接 3.1 工艺流程图 3.2 设备基础验收及处理 3.2.1 设备基础的位置、几何尺寸和质量要求,应符合规范规定,并与土建单位办理中交手续。 3.2.2 基础、预埋件、预埋栓等尺寸和位置允差应符合相关规范的规定。 3.2.3 对基础进行外观检查,不得有裂纹、蜂窝、空洞、露筋等缺陷。 3.2.4 设备基础表面应铲除麻面,麻点深度一般不小于10mm,密度为3~5点/dm2,表面不允许有油污或疏松层。 3.2.5 放置垫铁处的基础表面应铲平,其水平度允许偏差为1mm/m。 3.2.6 设备验收应三方一同参加即甲方、乙方及供货商。 3.2.7 设备应无缺损件,表面无锈蚀等缺陷。设备及其零、部件及专业工具等,应妥善保管,防止损坏或丢失。 3.2.8 设备的验收应按设备的技术文件清点其零部件。 3.2.9 应核对设备的主要安装尺寸,应与设计相符。 4. 设备基础验收 4.1 设备安装前,基础须经正式交接验收。基础施工单位应提交质量合格证明书、测量记录及其它施工技术资料,基础上应明显地划出标高基准线、纵横中心线。 4.2 按以下规定对基础进行检查: a、基础外观不得有裂纹、蜂窝、空洞及露筋等缺陷。 b、基础各部尺寸及位置的偏差不得超过以下规定: 项次 项 目 名 称 允许偏差值(mm) 1 基础坐标位置(纵、横轴线) ±20 2 基础各不同平面的标高 0~-20 3 基础上平面外形尺寸 ±20 3 基础上平面的水平度:每米/全长 5/10 4 竖向偏差:每米/全高 5/20 5 预埋地脚螺栓 标高(顶端) 0~+20 中心距(在根部和顶部两处测量) ±2 6 预埋地脚螺栓孔 中心位置 ±10 深度 +20~0 孔壁铅垂度 10 c、基础混凝土强度应达到设计要求,周围土方应回填充分夯实、整平,地脚螺栓的螺纹部分应无损坏及锈蚀。 4.3 基础表面在设备安装前应进行修整。需二次灌浆的基础表面要铲好麻面,基础表面不得有油垢及疏松层,放置垫铁处应铲平,其水平度允许偏差为2毫米/米。预留地脚螺栓孔内的杂物应清除干净。 5. 设备的验收、清点、检查及保管 5.1 交付安装的设备及附件,必须符合设计要求,并附有出厂合格证明书及安装说明书等技术文件。 5.2 检查与清点应在有关人员参加下,对照图样检查及清点,并作好记录。 a、箱号、箱数以及包装情况; b、设备的名称、型号和规格; c、装箱清单、设备技术文件、资料及专用工具; d、设备有无缺损件、表面有无损坏及锈蚀等; e、其它需要记录的情况。 5.3 核对输送介质的转动设备的主要零件、密封件以及垫片的品种和规格。对于出厂时已装配、调整完善的转动设备不得拆卸。 5.4 核对设备的主要安装尺寸并应与工程设计相符。 5.5 对不能及时安装的设备,如需现场停放较长时间,则必须在不妨碍交通及其它工程施工的条件下,选择适当支承点并垫上道木,易损坏及零星部件应拆除,进行专门保管,并采取防雨措施。对部分转动设备的管孔、注油孔等应封闭。 6. 设备安装前应进行下列准备工作 6.1 安装前应按设计图样或技术文件要求,画出安装基准线及定位基准标记;对相互有衔接的设备,还应按衔接的要求确定共同的基准。 6.2 安装前应对设备、附件及地脚螺栓进行检查,不得有损坏或锈蚀;检查立式设备的纵向中心线的标记,检查设备的方位标记,对于不能满足安装要求的,应予补充,并作明显标记。 6.3 核对设备底座上的地脚螺栓孔距离尺寸,应与基础地脚螺栓位置相一致。 7. 设备安装方法 7.1 立式及卧式设备安装方法 7.1.1 设备安装前,应仔细核对设备的方位,确认无误后方可就位。 7.1.2 设备的找正与找平应按基础上的安装基准线(中心标记、水平标记)对应设备上的基准测点进行调整和测量。设备各支承的底面标高以基础上的标高基准线为基准。 7.1.3 塔类设备安装前应核对出厂质量证明书的主要技术数据,并对设备进行复测。检查塔壁上的纵向中心线是否清晰正确,并在上下两端作出明显标记,作为安装找正的基准点。检查塔内壁上的基准圆周线,应与设备主轴线垂直,再以基准圆周线为准,逐层检查塔盘支持圈的间距、水平度及其它内件的位置,应付符合塔盘技术条件的要求。 7.1.4 塔类设备找垂直度的同时,抽查塔盘或支持圈的水平度应符合塔盘技术条件的有关规定。 7.1.5 换热器类设备安装关键是能够保证设备的自由膨胀伸缩,标高、中心和水平度应严格按规范要求执行。 立式设备找正图1 A 中部 h 基准线 下部 上部 00 900 7.1.6 设备找正时,根据要求用基础灰志进行,不允许用紧固或放松地脚螺栓及局部加压等方法,其安装误差应符合规范规定。 7.1.7 设备找正,立式设备找正采用经纬仪分别在0°、90°两个方向同时测量(见立式设备找正图1),垂直度允许偏差为1/1000(但≤30mm)。 7.1.8 立式设备的梯子平台在吊装前安装,保温需在吊装找正后进行。 基准线 D—E B—C D C—E B—D 径向水平度检查 轴向水平度检查 卧式设备找正图2 L 7.1.9 卧式设备的找正:卧式设备水平度的找正关键在于正确选择设备水平度的基准面,一般选择设备的主法兰口,水平或铅垂的轮廓面或指定的基准面、加工面(见卧式设备找正图2)。卧式设备采用U型管道液位计和水平仪找正,找正方法采用斜垫铁调整。 注:D—设备外径 L—卧式设备两支座间距离 h—立式设备两端部测点间距离 7.1.10 设备找平时,根据要求用基础灰志调整,使用无收缩水泥系砂浆为基础灰志材料。 7.1.11 设置基础灰志之处须充分湿水,使基础表面完全湿透。基础灰志之高度以能保持灌浆间隙为25~50mm为准。 7.1.12 设备安装误差应符合下表规定: 项目 设备形式 中心线 标高 水平度 铅垂度 方位 立式设备 D≤2000,±5mm D>2000, ±10mm ±5mm H/1000,且不超过30mm 沿底圆周测D≤2000,允差为10mm, D>2000,允差为15mm 卧式设备 ±5mm ±5mm 轴:L/1000,径:2D/1000 7.1.13 对于卧式换热器设备,其滑动侧的地脚螺栓在螺栓孔中的位置不得阻碍设备位移。当采用滑动底板时,设备支座的滑动面应进行清理,并涂上润滑油。 7.2 设备灌浆 7.2.1 地脚螺栓孔灌浆前,应再次确认螺栓孔内是否清理干净。并用水将螺栓孔内稍微浸润。 7.2.2 设备灌浆应设备找正完毕后24小时内进行。 7.2.3 设备基础面灌浆前,用水将基础面完全浸润湿透。 7.2.4 设备底座与基础间采用无收缩性灰浆灌浆并养生。 7.2.5 地脚螺栓预留孔内及基础面的灌浆层应一次灌满,其混凝土的标号比基础标号高一级,并捣固密实。 8. 换热设备的试验 设备在制造过程中已经水压试验合格,在现场一般不进行水压试验,如甲方另有要求则需进行。 8.1 换热设备在现场进行严密性试验时,其目的以检验主法兰的密封性能。 8.2 换热设备的试压在设备到场后在地面进行,也可在设备就位后进行。 8.3 换热设备试验程序 a、浮头式换热设备 施工准备→→设置管束抽芯装置→→拆除封头管箱及外头盖→→拆除浮头盖和浮头勾圈→→抽出管束→→安装管束与壳体间垫→→管束安装至壳体内→→安装封头管箱→→安装浮头盖和浮头勾圈→→管程水压试验→→检查管箱和浮头法兰垫片→→安装外头盖→→壳程水压试验检查壳程主垫片→→交付设备安装或工艺配管 b、U型管式换热设备 施工准备→→拆除封头管箱→→抽出管束→→安装管束与壳体间垫片→→管束安装至壳体内→→安装封头管箱垫片→→安装封头管箱→→管程水压试验→→壳程水压试验→→交付设备安装或工艺配管 c、固定及双管板式换热设备 施工准备→→拆除封头管箱→→更换封头管箱垫片→→安装封头管箱→→ 管程水压试验→→交付设备安装或工艺配管 8.4 试验方法及步骤 a、管束的抽芯、装芯采用吊车配合,利用倒链或卷扬机牵引。 b、换热器垫片安装前,为保证水压试验时密封无泄漏,应在垫片上紧密地缠绕一层聚四氟乙烯带(垫片上缠绕聚四氟乙烯带应得到甲方确认);垫片安装时应小心,避免打折和挤伤。 c、试验介质采用清洁水。 d、试验压力为设备的设计压力。 e、每次试验时,使用两只量程相同并经过校正的压力表,压力表的量程为最大被测压力的1.5~2倍,压力表精度不低于1.5级。试验压力以装设在设备最高处的压力表读数为准。 f、设备管口封闭采用钢盲板,用管口配对法兰将其压紧。在设备上部管口盲板上设一排气阀和压力表;在设备下部管口盲板上设进水口和加压口。 g、试验时,须将设备内的空气排尽,试压过程中,应保持设备表面的干燥。 h、试验时压力应缓慢上升,达到规定试验压力后,保压30min后,将压力降至试验压力的80%,并保持足够长的时间对所有焊接接头和连接部位进行检查,以无损坏变形、无泄漏,压力表不降为合格。如有渗漏,降压处理后重新试验,直至合格。 i、水压试验完毕,应及时将水排尽,并用压缩空气将换热器的管程、壳程内表面吹开。注意排水时不得将水直接排至基础附近。 j、试验前应通知监理部门、经理部质量检查员对试验过程进行监督检查。 8.5 设备试压完毕应立即交付设备安装或进行配管施工,同时填写“设备压力试验记录”、“设备吹洗记录”和“设备清理、检查、封闭记录”,报监理部门检查确认。 9. 空冷器安装 9.1 施工方法: 9.1.1 按装箱单由业主、制造厂家、施工单位三方核对构架、风机组合件是否缺件 9.1.2 所有组合件应做好件号标记 9.1.3 填写设备进场交接检查表,并办理报审事宜。 9.2 空冷器安装程序 构架安装 风筒安装 风机安装 管束安装 管束水压实验 梯子、平台、栏杆安装 检查、检验 9.3 空冷器的吊装 9.3.1 由于施工场地狭小,开箱检查后摆放面积比较大,构件繁多,吊车站位困难,吊车需根据现场实际情况进行选择。 9.3.2 空冷器一般安装在管廊上方,需要根据设备情况、吊车站位、距离等选择合适的吊车进行吊装。 9.4 空冷器安装要求 9.4.1 构架除应按注明的尺寸公差安装外,立柱垂直度偏差不大于6mm,立柱顶面(包括构架横梁)的高度不大于4mm,单跨对角线不大于10mm,任意两对角线不大于20mm。 9.4.2 风筒的直径允差及圆柱度允差为风筒直径±3mm,风筒圆柱度3mm 9.4.3 风机支架的安装及传动轴的找正:垂直轴的风机支架均应调整找正使传动轴垂直、其允差应不大于0.4/1000。并保证主轴与风筒同心,沿圆周取四点测量不得大于5mm .且叶尖与风筒内壁之间隙不得小于9mm(2.4m风机不得小于6m),且最小间隙不得小于最大间隙之半。 9.4.4 轮毂的安装 手调、半自调、自调轮毂均靠锥形轴套与主轴连接。 9.4.4.1 把传动轴端部、键、锥形轴套内、外表面及轮毂体的锥形孔进行彻底清洗,再薄薄涂上一层油脂,先吧锥形轴套装在轴上,再将轮毂体滑装到锥形轴套上,并使锥形轴套的光孔对齐轮毂体上的螺纹孔、用螺栓拧紧力矩为60+20N.m 。 9.4.4.2 对自调风机要检查轮毂轴线对传动轴的同轴度。为此用转动轮毂,在轮毂的塔形筒顶部经加工部分的圆柱面上检查跳动量,允许的最大跳动量为0.5mm。超过规定时,可调整锥形轴套上螺栓拧紧力矩,本条可与第4.3.4.1条合为一步进行,边拧紧边打跳动量,直至满足该项技术要求为止。 9.4.5 叶片安装 9.4.5.1 使用卸卡环工具或用螺丝刀将半圆卡环从叶片槽中取出,把紧固螺钉退到与叶片座内面齐平,把叶根装入叶片座,半圆卡环装入槽中,然后初步上紧固螺钉,将叶片定位。 9.4.5.2 调整叶片角度 叶片的理论弦线与水平线的夹角称为设计安装角(φ)。为了测量的方便,检验切面选在距叶尖25mm处进行测量,此处测得的叶片角度称为测量角(α),测量弦线与理论弦线有一夹角(β),故叶片安装角φ=α+β=α+40。 叶片安装角φ=120 叶片角度的测量方法有二种: a 、气泡量角器测量法:在检验切面(距叶尖约25mm)处放置平尺,将量角器调到测量角α值,放置平尺上,旋转叶片角度使气泡处于中间位置,则实际安装角φ正确。 b、划线比较测量法:对卧式风机用第一种方法测量不方便。故用划线比较测量法,在风筒内径最低处离叶尖中心孔较近的地方,用比划一叶片旋转平面迹线,在最低点处划叶片测量角迹线,两线夹角即为标准测量角α。在距叶25mm截面处放一平钢板尺与测量角迹线比较,如一致,则安装角φ正确。 9.4.5.3 检查叶尖亮度,其高度互差应不大于8mm,如超出该值,可通过4个紧固螺拧紧时的先后次序和拧紧力矩的大小调整,必要时也可在紧固螺钉与叶根肩之间加垫片调整。 工作约100h后,检查叶片的4个紧固螺钉有无松动,日常的停机维修,也要检查紧固螺钉的紧度,如发现有松动应拧紧,否则运转中叶片会松动而损坏。 9.4.6 皮带轮与皮带轮的安装: 9.4.6.1 皮带轮装上手,调整主、从动皮带轮的对称面的同面度,其偏移不大于a/400,调节方法可在风机板和电机板下加垫铁或调整用于调节电机位置的螺栓来调整同面度。检查方法用一线绳在两皮带轮端面接紧。 9.4.6.2 皮带预紧力的控制 风机使用的皮带,均为联组带,它比单根传动有更高的传动效率。 为了保证皮带传动正常工作,首先调整电机位置,并检查皮带的预紧力。检查预紧力的方法是在两皮带轮毂距的中点加固定的载荷后测量皮带的挠度,当挠度达到下述要求时,即为合格。 9.4.7 风机叶片安装角度误差不大于±0.50。风机轮毂安装平面度不大于0.2/1000。风机大小皮带轮安装平面度误差不大于3mm。 9.4.8 构架与管束、管束与管束的间隙大于10mm,应填塞石棉绳(板),以减少风量的泄露。 10. 内件安装 10.1 安装前清除表面油污、焊渣、铁锈、毛刺等杂物,对内件进行分层整理安装。 10.2 塔盘安装前应进行预组装,预组装时在塔外按组装图把塔盘零件部分组装一层,调整并检查塔盘是否符合要求。 10.3 内件安装一般应在设备耐压试验合格,并清扫干净后进行。如在试验前进行,应采取措施,需在设备上焊接的部件,必须在耐压试验前施焊。 10.4 内件安装时,应严格按图样规定施工,以确保传质、传热时气液分布均匀。 10.5 设备填料支承的安装应平整牢固,填料应干净不带泥砂等污物;填料装填工作应在设备压力试验并吹扫干净后进行。 11. 塔内件安装 11.1 塔内件安装的一般规定 11.1.1 塔内件的验收、清点、检查及保管应符合下列规定; a、交付安装的塔内件必须符合设计要求,并附有出厂合格证明书及安装说明书等技术文件。 b、塔内件开箱应在有关人员参加下,对照装箱单及图样进行检查与清点。 c、内件安装时,塔盘板、降液板、横梁等可放置在现场保管,但要防止变形、损坏、腐蚀等情况发生;现场应保持平整清洁,不影响其它工程施工。 d、易损易失零部件,应按类按规格作好标记后,存放在库房保管。 11.1.2 内件安装前,应清除表面油污、焊渣、铁锈、泥沙及毛刺等杂物,对塔盘零部件还应编注序号以便安装。 11.1.3 安装塔盘人员应遵守下列规定: a、一层塔盘的承载人数不得超过塔盘的承载能力,一般不宜超过下表的规定: 一层塔盘允许承载人数表 塔内径(毫米) <1500 1500~2000 2000~2500 2500~3200 人数 2 2 3 4 b、塔内施工人员须穿干净的胶底鞋,且不得将体重加在塔板上,应站在梁上面或木板上; c、人孔及人孔盖的密封面及塔底管口应采取保护措施,避免砸坏或堵塞;搬运和安装塔盘零部件时,要轻拿轻放,防止碰撞弄脏,避免变形损坏; d、施工人员除携带该层紧固件和必需工具外,严禁携带多余的部件,每层塔盘安装完毕后,必须进行检查,不得将工具等遗忘在塔内。 11.1.4 内件安装应在塔体压力试验合格并清扫干净后进行;内件安装时,应严格按图样规定施工,以确保传质、传热时气液分布均匀。 11.2 塔盘构件安装 11.2.1 塔盘构件安装宜按下列顺序进行: 支撑点测量-→降液板安装-→横梁安装-→受液盘安装-→塔盘板安装-→溢流堰安装-→气液分布元件安装-→通道板拆装-→清理杂物-→检查人员最终检查-→通道板安装 人孔封闭-→填写封闭记录 11.2.2 塔盘支持圈水平度、间距的复测方法、部位及标准应符合下列规定: 水 木板 玻璃管 固定卡子 待测工件 软胶管 φ80钢管 贮液器 a、塔体安装合格后,将水平仪的储罐固定在一层支持圈上或特设的支架上,刻 度尺下端放在支持圈测点上,各测点玻璃管液面计读数的差值即为水平度偏差值(见图二)    图(二)用水平仪测量支持圈水平度 支持圈水平度复测点位置及数量按下图的规定(见图三): 1 2 3 4 5 6 1 2 3 4 8 7 6 5 1 2 3 6 5 4 1 2 3 4 5 6 7 8 D<2400     2400≤D≤4000 图(三)塔盘支持圈测量点位置及数量 c、支持圈与塔壁焊接后,其上表面在300毫米弦长上的局部水平度偏差不得超过1毫米,整个支持圈上表面水平度允许偏差按下表的规定: 整个支持圈上表面水平度允许偏差(毫米) 塔体内径 允许偏差 D≤1600 ≤3 1600<D≤4000 ≤5 d、相邻两层支持圈的间距允许偏差不得超过±3毫米,每20层内任意两层支持圈间距允许偏差不得超过±10毫米。 11.2.3 降液板的支持板安装偏差应符合下列规定(见图四): A B G Q B R1 R2 图(四)降液板支持板安装位置 a、螺栓孔水平面间距A允许偏差不得超过3毫米; b、支持板安装部位B允许偏差为±2B/100; c、支持板倾斜度Q允许偏差为±2G/100; d、支持板安装位置R1允许偏差为±5R1/1000,但不大于6毫米; e、支持板安装位置R2允许偏差为±5R2/1000,但不大于12毫米。 11.2.4 降液板安装应符合下列规定: a、降液板的长度允许偏差+0~-4毫米,宽度尺寸允许偏差+0~-2毫米,降液板的螺孔距离允许偏差为±1毫米。  b、降液板安装位置要求: ① 液板底端与受液盘上表面的垂直距离K允许偏差为±3毫米(见图五); ② 液板与受液盘立边或进口堰边的水平距离D允许偏差为+5~-3毫米(见图五);  ③ 液板至塔内壁通过设备中心的垂直距离A允许偏差为±6毫米(见图六); ④ 间降液板间距B允许偏差为±6毫米(见图六) c、固定在降液板上的塔板支承件,其上表面与支持圈上表面应在同一水平线上,允许偏差为+1~-0.5毫米。 D +5 -3 K±3 D +5 -3 K±3 图(五)降液板安装允许偏差 A±6 E±3 E±3 B±6 A±6 图(六)降液板、塔板支承板安装允许偏差 11.2.5 梁安装应符合下列规定: a、梁上表面的水平度在300毫米长度不得超过1毫米,总长度弯曲度允许偏差为梁长度的1/1000,但不得超过5毫米; b、梁安装的中心位置与图示尺寸的偏差不得超过2毫米; c、梁安装后,其上表面与支持圈上表面应在同一水平度上,梁的水平度偏差:D≤1600,水平度≤3毫米;1600<D≤4000,水平度≤5毫米。 11.2.6 受液盘安装应符合下列规定: a、受液盘板的长度允许偏差为+0~-4毫米,宽度尺寸允许偏差为+0~-2毫米; b、受液盘的局部水平度在300毫米长度内不得超过2毫米。整个受液盘的弯曲度,当受液盘长度小于或等于4米时不得超过3毫米; c、受液盘其他安装要求与塔盘相同。 11.2.7 分块式塔盘板安装应符合下列要求: a、塔盘板两端支承板间距E允许偏差为±3毫米(见图六); b、塔盘板长度允许偏差为+0~-4毫米,宽度尺寸允许偏差为+0~-2毫米; c、塔盘板局部不平度在300毫米长度内不得超过2毫米,塔盘板在整个板面内的弯曲度按下表的规定: 整块塔盘板允许弯曲度(毫米) 塔盘板长度 弯 曲 度 筛板、浮阀 <1000 2 1000~1500 2.5 >1500 3 d、塔盘板的安装应在降液板、横梁的螺栓紧固后进行,先组装两侧弓形板,再由塔壁两侧向塔中心循序组装塔盘板; e、塔盘板安装时,先临时固定,待各部位尺寸与间隙调整符合要求后,再用卡子,螺栓予以紧固; f、每组装一层塔盘板,即用水平仪校准塔盘水平度,水平度合格后,拆除通道板放在塔盘上。 11.2.8 塔盘板水平度测量方法及合格标准应符合下列规定: a、立装塔盘板水平度测量方法、位置及数量,如下图所示: x1 x2 x9 x10 x3 x4 x5 x6 x7 x8 x1 x2 x3 x4 x5 x6 x1 x2 x9 x10 x3 x4 x5 x6 x7 x8 x1 x2 x3 x4 x5 x6 D<2400     2400≤D≤4000 单流塔盘板水平度测点 双流塔盘板水平度测点 b、塔盘板安装后,塔盘面水平度允许偏差按下表的规定: 塔盘面上水平度允许偏差(毫米) 塔体内径 水平度允许偏差 D≤1600 4 1600<D≤4000 6 c、安装在塔盘板上的卡子、螺栓的规格、位置、紧固度应符合图样规定; d、样板的排列、板孔与梁距离、板与梁或支持圈搭接尺寸及密封填料等应符合图样规定。 11.2.9 溢流堰安装应符合下列规定: a、溢流堰(出口堰与进口堰)安装后,堰顶端水平度允许偏差应按下表(1)的规定;堰高允许偏差应按下表(2)的规定: (1)溢流堰顶端水平度允许偏差(毫米) 塔盘直径 允许偏差 D≤1500 3 1500<D≤2500 4.5 D>2500 6 (2)溢流堰高度允许偏差(毫米) 塔盘直径 允许偏差 D≤3000 ±1.5 b、组装可调进口堰时,进口堰与降压板的间隙用进口堰进行调整,进口堰固定后,在其两端安装调整板并用螺栓固定,进口堰与塔壁应无间隙。 11.3 塔盘气液分布元件的安装 11.3.1 浮阀安装应符合下列规定: a、浮阀质量应符合规范的规定。安装时,宜检查浮阀的重量,并且测浮阀腿的高度、弯曲度、伤痕、表面毛刺等情况; b、浮阀安装后应检查浮阀腿在塔板内的挂连情况、浮阀腿煨弯长度及角度(或铆固)情况(宜用专用工具)应符合设计要求;手从下边托浮阀时,应能上下活动,开度一致,没有卡涩现象。 11.3.2 筛板安装应符合下列要求: a、筛板质量应符合规范的规定。各层筛板的孔径与孔距均应符合图样要求; b、筛板孔边应无毛刺,孔中应无杂物。 11.3.3 塔盘全部安装完成后,检查人员应会同有关人员按要求进行检查; 在最终检查之前,应清除塔盘上及塔底的杂物;最终检查之后安装塔盘通道板、人孔盖,并进行封闭,同时填写“塔盘安装检查记录”。 11.4 填料、催化剂及其支承结构的安装 a、支承结构安装后应平稳、牢固; b、支承结构的通道孔径及孔距应符合设计要求,孔不得堵塞; c、支承结构安装后的水平度不得超过2D/1000,且不大于4毫米。 12. 设备爬梯、操作平台制安 12.1 设备梯子、操作平台制作前应熟悉相关施工图纸,及相关的施工要求。 12.2 检查所有设备梯子、平台钢格板的规格应符合图纸的要求,梯子、平台的栏杆及支撑件材质应符合图纸的要求。 12.3 梯子、平台制作 12.3.1 设备平台、爬梯制作时应在平台板上放样画线,样板尺寸与图纸不得有误差。 12.3.2 平台支撑组装尺寸偏差使用钢尺检查长度和宽度允许偏差为,两对角线允许偏差为±3mm。 12.3.3 梯梁长度和宽度方向组装允许偏差为±5mm,梯子踏步间距允许偏差为±5mm。 12.3.4 栏杆高度偏差使用钢尺检查,允许偏差为±5mm。 12.3.5 钢格子板满铺后,其表面平直度允许偏差为±6mm/m,检查时可以使用1米直尺和塞尺检查。 12.3.6 梯子、平台的安装 12.3.7 钢平台、梯子安装应在设备就位基本找平后,使用吊车或人工机械的方法由上至下分片分段安装。 12.3.8 对于较高的塔器上的梯子、平台,在吊车起重量允许的前提下,可随设备一起吊装,以减少高空作业。 12.3.9 钢平台及梯子安装于设备上时,应校正平台及梯子踏步板的水平度符合国家规范要求 13. 压力试验(如果需要) 13.1 耐压试验以清洁水进行,对有特殊要求不宜用液体作承压试验的中低压设备,可用气体代替液体进行耐压试验,气压试验介质为空气、氮气。 13.2 碳素钢试压水温不得低于5℃,奥氏体不锈钢试压水质氯离子含量不超过25PPm。 13.3 压力试验时缓慢升压至试验压力,中低压设备停压10分钟,然后降至设计压力作严密性检查,至少保持30分钟,对所有焊缝和连接部位检查,无变形、渗漏、不降压力为合格。 13.4 水压试验完后,及时将水排净,并用压缩空气或氮气将设备表面吹干。 13.5 气密试验所用的气体应为干燥、洁净的空气、氮气,对要求脱脂的设备应用无油气体。气体温度不得低于5℃。 13.6 气密试验时,缓慢升压至设计压力,至少保持30分钟,同时以喷涂发泡剂等方法检查所有焊缝和连接部位,以无泄漏、不降压为合格。 13.7 设备试验完毕后,清除内部的铁锈、灰尘、水分等杂物,及时封闭,并填写记录。 ----------------------------精品word文档 值得下载 值得拥有---------------------------------------------- -----------------------------------------------------------------------------------------------------------------------------
展开阅读全文

开通  VIP会员、SVIP会员  优惠大
下载10份以上建议开通VIP会员
下载20份以上建议开通SVIP会员


开通VIP      成为共赢上传

当前位置:首页 > 品牌综合 > 施工方案/组织设计

移动网页_全站_页脚广告1

关于我们      便捷服务       自信AI       AI导航        抽奖活动

©2010-2026 宁波自信网络信息技术有限公司  版权所有

客服电话:0574-28810668  投诉电话:18658249818

gongan.png浙公网安备33021202000488号   

icp.png浙ICP备2021020529号-1  |  浙B2-20240490  

关注我们 :微信公众号    抖音    微博    LOFTER 

客服