收藏 分销(赏)

南方花苑14、15#施工组织设计.doc

上传人:胜**** 文档编号:805282 上传时间:2024-03-22 格式:DOC 页数:107 大小:987.50KB 下载积分:11 金币
下载 相关 举报
南方花苑14、15#施工组织设计.doc_第1页
第1页 / 共107页
南方花苑14、15#施工组织设计.doc_第2页
第2页 / 共107页


点击查看更多>>
资源描述
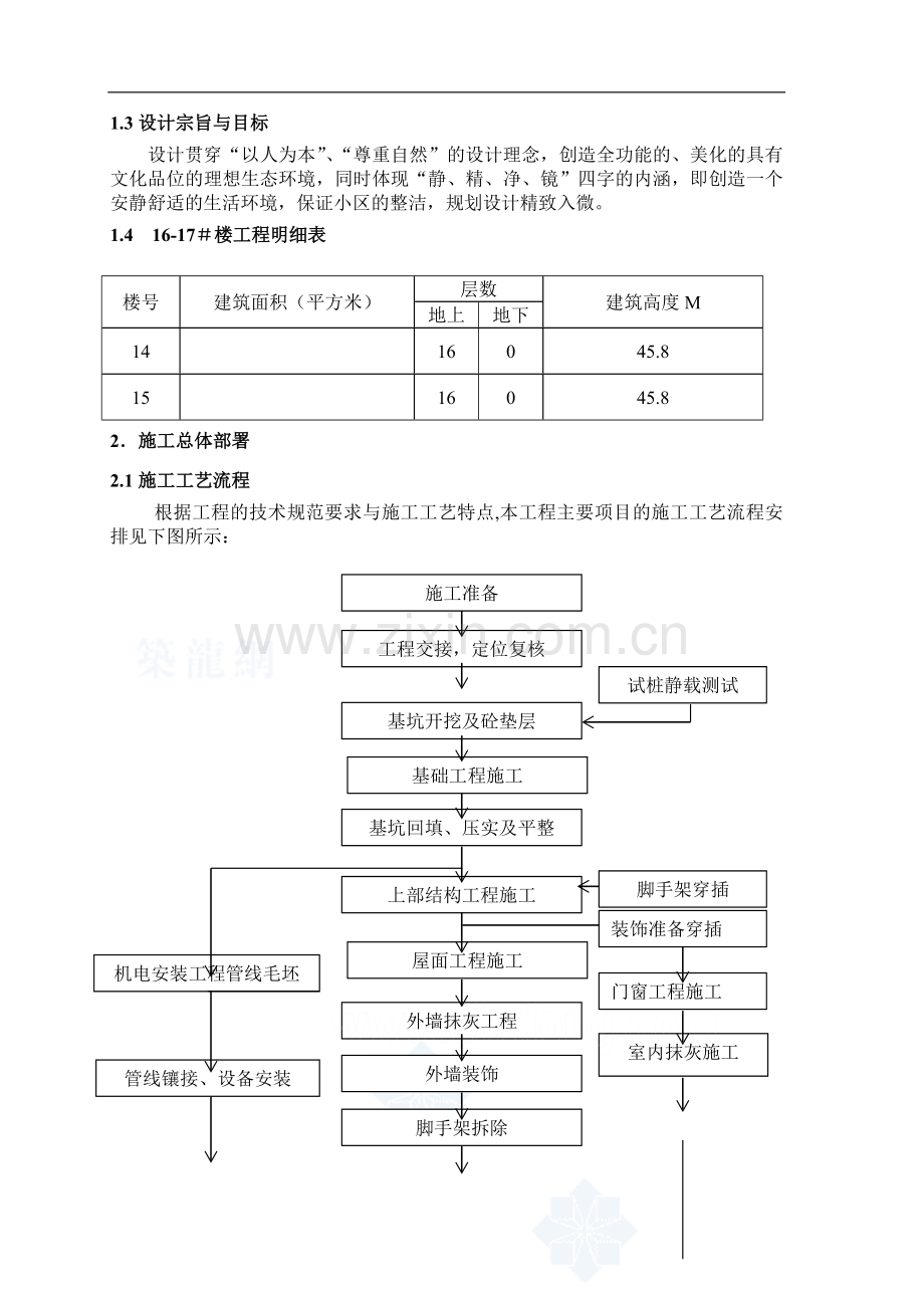
1.工程概况 1.1工程概况 (1)工程简述: 本小区工程为政府安置小区,共21栋楼,本标段为14#.15#楼。14#楼地上16层, ㎡;15#楼地上16层, ㎡ (2)桩基与基础: 采用预应力管桩基础。 (3)上部结构体系: 本标段包括14、15#共2幢住宅楼,均为剪力墙结构。 (4)建筑构造 1.墙体 各楼墙体填充材料均为200、100厚节能砖 2.楼地面 2.1底层住宅门厅、电梯厅、地上部分楼梯间等公共空间部位均做防滑地砖面层颜色另定。 2.2配电间、楼梯间、设备房做20厚水泥砂浆地面。 2.3起居室、卧室、贮藏间做30厚细石砼随打随抹,预留30厚用户自理。 2.4厕所:20厚水泥砂浆,预留30厚用户自理。 2.5厨房、餐厅:20厚水泥砂浆,预留30厚用户自理。 (5)屋面 1.非上人屋面:从下至上构造为:现浇混凝土屋面板、30厚(最薄处)1:10高强憎水性珍珠岩保温板向雨水口找坡2%、水泥砂浆找平、聚酯防水复合片材1.2厚、40厚挤塑聚苯乙烯泡膜塑料板保温、土工布、40厚C20 细石混凝土随打随抹光压平、20厚水泥砂浆(设钢丝编制网片) 2.上人屋面:从下至上构造为:现浇混凝土屋面板、30厚(最薄处)1:10高强憎水性珍珠岩保温板向雨水口找坡2%、水泥砂浆找平、聚酯防水复合片材1.2厚、40厚挤塑聚苯乙烯泡膜塑料板保温、土工布、40厚C20 细石混凝土随打随抹光压平、20厚1:4干硬性水泥砂浆、防滑地砖300*300从中心向四周均分。 3.屋面防水为Ⅱ级防水,使用年限15年。 (6)外墙 1.采用涂料,首层局部外墙采用面砖。 (7)内墙 起居室、卧室、储藏间、餐厅采用腻子批嵌,平整砂光;卫生间、厨房采用12厚水泥砂浆打底扫毛或划出纹道;楼梯间刷白色乳胶漆,一底两度。 (8)顶棚 除楼梯间为乳胶漆一底二度,其余为腻子批嵌,平整砂光。 (9)门窗 外门窗均采用塑钢门窗。单元门采用成品防盗组合门,并装有对讲系统;窗台低于900均做防护栏杆。 1.2工程位置 该地块位于阜宁县宏玮大酒店西侧。 1.3设计宗旨与目标 设计贯穿“以人为本”、“尊重自然”的设计理念,创造全功能的、美化的具有文化品位的理想生态环境,同时体现“静、精、净、镜”四字的内涵,即创造一个安静舒适的生活环境,保证小区的整洁,规划设计精致入微。 1.4 16-17#楼工程明细表 楼号 建筑面积(平方米) 层数 建筑高度M 地上 地下 14 16 0 45.8 15 16 0 45.8 2.施工总体部署 2.1施工工艺流程 根据工程的技术规范要求与施工工艺特点,本工程主要项目的施工工艺流程安排见下图所示: 施工准备 工程交接,定位复核 基坑开挖及砼垫层 试桩静载测试 基础工程施工 脚手架穿插 基坑回填、压实及平整 上部结构工程施工 装饰准备穿插 屋面工程施工 外墙抹灰工程 门窗工程施工 机电安装工程管线毛坯 管线镶接、设备安装 外墙装饰 室内抹灰施工 脚手架拆除 管线与设备调试 室外总体工程施工 室内局部精装饰 验收准备与竣工 2.2施工阶段划分 分阶段、按步骤组织施工,针对各阶段的工程特点明确分期管理目标,并落实相应的技术与管理措施,这是加强施工过程控制的有效方法。根据本工程施工工艺流程的安排与各分部分项工程的具体施工内容,全部工程将大致划分为以下六个施工阶段: 1.基坑围护阶段:包括施工前期准备、现场测量定位、及降水。 2.基础施工阶段:包括基坑开挖、垫层、桩基测试及钢筋砼基础,砌基础墙、基础回填土等施工。 3.主体结构施工阶段:包括各单位工程的上部混凝土结构施工、填充墙砌筑、屋面保温、防水施工等内容。 4.内外装饰阶段:包括内装饰准备、门窗安装、内装饰、外装饰、地坪及墙面涂料等施工内容。 5.室外总体阶段:包括室外管线埋设、入口小广场、建筑小品、道路、绿化、围墙、市政管线接驳等施工内容。 6.竣工收尾及验收准备阶段:包括零星工程修补、工程质量预验收、施工机械及多余材料退场、临设拆除、场内清理及竣工资料整理归档等工作。 (机电安装工程穿插在土建施工中同时进行,基本不占绝对工期,只占流水工期,故不作为独立的施工阶段考虑。) 2.3施工流水方式 本工程项目多,施工面较大。为了充分利用施工作业的空间与时间,确保各阶段的施工保持相对的连续性、节奏性和均衡性,并尽量避免发生窝工或劳动力与材料过度集中投入的高峰现象,各施工阶段的作业将尽可能采取平面搭接、工序穿插衔接的流水施工方式。根据本工程的具体施工情况,组织平面搭接与流水作业的主要措施为: 1.本工程由2幢楼组成,工程施工将组成2个流水段.两个作业段组织区域内流水作业,以此保证施工组织的合理性。 2.机电安装工程穿插在结构施工阶段同步施工。机电管线毛坯、镶接及设备安装与调试等工序自成体系,形成专业的施工流水。 2.4主要施工方法选择 根据本工程特点分析,结合业主对工期、质量及安全文明施工管理等方面的要求,我公司经多方案的比较、论证,决定对主要的分部分项工程选择以下施工方法: 1.采用基坑大开挖,坑内组织排水的方案。基坑开挖选用液压反铲挖土机,分层开挖至坑底设计标高以上约30cm处,然后由人工进行扦土清底,以避免机械挖土超深,及扰动工程桩与原土地基。 4.土方开挖流程: (1)原则上从东向西施工; (2)考虑场地土方总量多余,原则上土方留足回填土方,其余外运。 5.结构工程主要施工方法如下述: (1)所有钢筋均由场内集中加工成型后运至各单体,按单发料。钢筋接头采用绑扎形式。竖向钢筋F>16采用电渣压力焊工艺,这样既能节约钢筋,又可提高质量。 (2)所有梁、柱、板等混凝土结构现浇构件均采用九夹板木模。模板的支撑采用f48钢管。 (3)除个别非结构部位,砼全部采用砼拌站供应的商品砼。采用长臂汽车泵直接布料入模,超过汽车泵作业之外的采用固定泵。 4.外墙脚手架: (1)采用双排f48钢管落地满搭脚手架,绿网全封闭。 5.垂直、水平运输机械: (1)施工的垂直与水平运输采取塔吊机械,以此提高劳动效率、减轻作业强度。 (2)本工程采用1台Rmax=40m的附着式塔吊。 (3)塔吊安装时间:基坑施工底板浇筑完成,塔吊基础混凝土过养护期之后。 3.施工总进度计划及控制计划进度的措施 3.1施工总工期 3.1.1通过认真学习招标文件与施工图纸,并全面分析了施工的具体条件后,我公司决定以 日历天作为本工程的施工总工期,以此满足招标文件的要求。 日历天将作为工程合同工期履行,并按合同要求进行对工期的奖罚。目前总施工计划暂时按招标文件规定的二○一○年八月十日日作为计划开始日作安排,如现场条件未成熟则相应顺延。 3.1.2工期节点目标安排: 根据分阶段控制施工进度的需要,在施工过程中有必要对各单体的重要分部分项工程设定工期节点目标,并把按期完成节点目标作为实现工期总目标的保证措施。本工程各单体主要分项的工期节点目标安排如下: 3.2施工总进度计划表 单位工程 开工日期 ±0.000 以下(完成) 结构封顶 竣工 总天数 14# 2010.8.10 15# 2010.8.10 3.3控制计划进度的措施 为了确保工期按期竣工,施工现场将建立计划与进度的管理体系,从组织、指挥、协调、工艺技术、生产资源优化及作业调度等各方面落实控制施工进度的措施,主要进度保证措施如下: 3.3.1现场的组织保证措施 1.在现场组建管理职能齐全的强有力施工总承包管理班子。项目经理、项目副经理及其他主要管理人员不但应具有丰富的类似工程施工管理经验,而且还是业务素质高、责任性强,并具有组织、指挥及协调等方面的综合能力,以此保证管理工作的高质量、高效率。 2.总承包管理班子内部建立以项目施工副经理为主管的计划工作管理体系,明确各业务部门的计划管理与进度控制责任,并在总进度控制计划的指导下全面抓好分部分项工程实施性计划的编制、执行、检查及分析、总结等工作环节,加强对计划的动态管理,以此保证计划对施工的预控作用。 3.3.2工艺技术的保证措施 在商品住宅的建筑施工方面,我公司积累了丰富的施工经验,并形成了成熟的工艺技术体系与施工方法。在商品住宅的施工中,成熟的工艺技术与合理的施工工法是保证工程顺利进展的必要条件。针对本工程的特点与施工技术要求,我公司成熟的工艺技术保证措施主要落实在以下几个方面。 1.基坑坑内降水设计与施工; 2.模板及支撑体系的设计与施工; 3.竖向钢筋电焊压力焊连接技术; 4.混凝土泵送与布料技术; 5.建筑外脚手架施工工艺及垂直运输的机械平面布置技术; 6.住宅建筑外墙防止渗水的技术措施; 3.3.3优化生产资源配置的保证措施 1.根据施工需要配备足够的机械设备。施工机械在进场前必须附有保养合格证,并接受试运转检查,以保证性能良好,使用正常。 2.劳动力的配置应满足数量与质量的要求,应采用竞争的方式选择高素质的作业队伍。工人上岗前必须接受培训。在劳动力的使用上实行奖励制度,并落实优质优价的措施,以此提高工人的积极性与责任心。 3.施工所需的物资必须做到严格按计划供应。总承包的材料管理部门在施工总进度计划的指导下,根据月、旬、周的作业计划要求编制相应的物资使用计划,明确按时供料的责任。 4.按进度计划要求精心编制材料与设备进场计划、构件外加工计划及劳动力的使用计划,使生产资源的供应能满足施工的需要。 3.3.4计划管理的保证措施 1.根据合同明确的施工总工期与控制工期节点目标的要求,总承包计划管理部门于每月25日编制下月的施工进度计划,由项目经理审核批准后实施。在月度计划的指导下,计划管理部门必须进一步编制旬、周的作业计划,下达至施工作业队伍实施。 2.为了进一步深化计划的编制工作,在结构施工期间,应分楼层细化作业进度计划,以便及时发现并克服作业中的薄弱环节,从而发挥计划对作业进度的预控作用。 3.加强对总工期目标的管理,严格控制对工期影响较大的施工分项项目的工期节点。对于基础、上部结构、内外装饰及机电安装等关键项目,建立工期节点控制目标,并与施工作业队签订目标考核责任状,落实经济奖罚措施。 4.优化工序流程,充分利用本工程施工面较大的有利条件,尽量采取穿插、搭接的方式组织多工种的流水、交叉作业,以达到提高工效及合理压缩工期的目的。 3.3.5控制安装工程进度的保证措施 加强土建与机电安装的施工配合与协调,分阶段控制机电安装工程的施工进度。全部机电安装工程分为以下三个阶段组织施工: 1.预留、预埋及管线毛坯阶段:与土建的基础、结构施工阶段同时展开。配合土建施工,机电各系统的管道预留、预埋及干管的毛坯安装随基础、结构施工同步进行。 2.各系统支管安装及设备安装阶段:与土建的结构、装饰施工阶段同时展开。配合土建施工,各系统的支管安装、管道分段试压与测试及设备安装等工序随土建结构与装饰施工同步进行。 3.管线镶接、设备调试及各系统调试阶段:各系统的配管、穿线,设备的单机调试,以及各系统的调试在土建装饰阶段的后期全面展开,并在装饰工程结束后占一定的绝对工期。土建装饰收尾应配合机电各系统的设备安装与调试。 3.3.6减少不必要工时损失的保证措施 1.自正式接到中标通知,即进行施工组织准备、技术准备及现场准备,使各项施工准备工作尽量少占甚至不占工期。 2.严格控制操作质量,确保各分部分项工程做到一次成活、一次成优,以此减少返工造成的工时损失。 3.内装饰与机电安装工程实行样板间或样板层引路的方法,以避免在施工过程中发生设计修改、变更的情况。 4.加强成品保护工作,减少返工修理量,把有限的劳动力用于正常的施工中。 5.为了压缩竣工收尾时间、确保工程按期达到高质量的竣工标准,有关场地清理、零星工程整修及竣工验收准备等工作必须在施工后期及早穿插进行。 3.4项目计划管理体系图 业主总计划 动态及劳动工资计划 材料供应计划 机械设备配置计划 技术组织措施计划 财务计划 工程降本计划 指定分包商施工计划 年度施工计划 年度施工计划、财务计划 月旬周施工计划 项目总计划 单位工程施工组织设计 项目施工组织总计划 公司主管部门 年度施工技术财务指标 3.5项目计划保证体系 进度保证体系 设备管理 外部协调 完成进度计划 施工 内部协调 机具供应 材料供应 劳务管理 专业队伍 分包管理 生产调度体系 组织管理体系 资源供应体系 计划管理体系 4.施工总平面布置 4.1分阶段施工平面布置 根据拟建工程的地理位置与施工现场的实际条件,结合对施工现场的踏勘,了解现场的具体情况,综合考虑到各个施工阶段的实际需要,按工程各个阶段进行平面布置。 4.1.1基础阶段施工平面布置 在此阶段场内临时道路应修筑完成,便于土方开挖及基础阶段的材料进场。本工程采用1台Rmax=40m的附着式塔吊,负责高层各单体的水平及垂直运输。 4.1.2结构阶段施工平面布置 (1)水、电应调整到位,现场设二组搅拌机设施,满足砂浆制作。 4.1.3装饰阶段施工平面布置 待单体结构完成,即拆除塔吊,另设二处粉刷机械场地,设4~6台砂浆机(视进度情况而定)。 4.2施工道路 根据平面布置的要求,现场设置一条6m宽的施工主道路,在场内形成基本通道,可供两部卡车正常对开。施工道路的做法:素土夯实,150厚碎石垫层,200厚砼路面,道路出入口处应按市政管理的要求,设洗车设备、排水设施及路口加固措施。 4.3施工用电用水、排水管线及消防布置 1.施工用电: 由业主提供的电源。施工用电自配电房引出,沿工地围墙顶部架空布置,并在地面每隔30~40m 设置一个分配电箱,然后根据需要将用电接至施工面的开关控制箱。电线穿越施工道路时须用钢套管进行加固处理。塔吊顶部与工地四角设投光灯,用于夜间施工照明。 2.施工用水: 施工用水的水源设在工地西北面。施工用水从水源引出,采用50mm管径的镀锌管沿工地四周直埋地下30cm处,然后根据需要接出分管及水龙头。 3.现场排水: 现场排水由设置在道路边的临时排水沟引流,经沉淀池进行沉淀处理后排放至场外的下水管网。生活废水与临时厕所化粪池的隔出水应通过污水管道排放至场外。出工地大门旁设车辆清洗设备。 4.消防器材设置: 根据安全施工的有关规定,现场必须设置消防灭火设施。因此,场内应定点设置各类灭火器材。 4.4临时建筑 根据基地实际情况,现场可搭设6.3×15.6m二层活动房作为办公室及生活设施等临时建筑,以满足施工需要(参见平面布置图)。 4.5施工总平面管理 施工总平面设计是优化施工管线布设,临建修筑,合理堆放设备、材料,便于道路畅通,实现文明施工,确保施工顺利进行的基础;是指导、检查现场科学管理的依据。合理的设计是关键,而认真实施是保证,否则施工现场仍会出现脏、乱、差的局面,严重影响场容,影响企业社会形象。因此,强化施工现场的总平面管理显得尤为重要。其主要措施如下: 1.建立分阶段设计、分阶段实施措施: 随着施工生产每个阶段开展的不同特点,除了主干道、管线、临建、大塔相对固定外,对进出场材料堆放、小型设备的安设,可随施工生产的开展差异较大时,可作适当的调整。如基坑围护施工、地下基础工程、主体结构以及装修工程施工分阶段绘制不同要求的场布图。这样可以充分反映这个阶段不同的特征,有利于指导施工生产,提高现场文明标化程度。 2.实行施工总包管理责任制: 施工现场往往有若干个清包方同时在不同的施工区域和部位组织施工。从材料、设备的进场,垂直运输,临时堆放,临设搭建等都存在一定的矛盾,故在总平面管理方面,合同应明确实行总包负责制。凡合同明确的要求,总包方有义务给予合理解决,充分体现现场总包方实行统一指挥、协商一致的总包负责制。现场项目经理在总平面管理中始终坚持全面负责制。 3.建立定期检查评比制: 根据项目经理全面负责制要求,一般每周一次小检查,每月一次评比的例行规定,由项目经理或其委托人,负责参加施工的各方代表逐一检查现场给排水系统,供电线路,现场办公室,材料、设施的堆放、搭设是否符合平面图要求。堆放的整齐程度、操作区域的落手清现状等边检查、边记录。检查完毕集中评议,按打分细则充分及时公布。对于连续两次排名前列者,可以适当给予奖励并张榜表彰;对于连续两次检查末名者,限期整改,给予象征性罚款处理;对于严重影响施工场容者,经教育整改措施不力的,按合同条款处理。 4.影响施工生产应承担经济责任: 在施工中不准任何单位、班组乱堆材料、乱拉电线、乱搭临棚、阻塞道路、大面积污染环境等不文明行为。一经发现立即查明单位、班组、原因,根据危害程度确定承担经济责任。金额较大时可先定处理结果之后,在结帐时扣除,对款额轻微的,直接课罚现金,同时用书面形式写出检查,以便吸取教训。 5.完善修改审批手续制: 经批准的施工总平面图一般应从严遵照执行,在实施过程中按变化情况提出修改申请,经项目经理批准提出修改后的施工平面图,按新图组织实施。 6.施工总平面管理与标化管理要有机结合地进行: 总平面管理与标化建设总目标是一致的,是相互关联的,因此不能孤立地进行,即总平面管理水平高低、实施优劣体现在场容场貌改观程度,两者必须由项目经理统一指挥,减少事故发生,实现安全生产目的。 4.6施工总平面图(附页) 5.主要施工机械配备及施工用电用水量测算 5.1主要施工机械配备 序 机械名称 单位 数量 功率小计KW 使用阶段 1 喷射真空泵QJD60 组 3 8×3 坑内降水 2 挖土机WY-100 台 1 柴油 挖土 3 挖土机WLY-40 台 1 柴油 挖土 4 土方车15T 辆 若干 柴油 挖土 5 空压机1m3 台 1 13 6 钢筋切断机GJ5-40 台 1 10 现场配筋 7 钢筋弯曲机GJ7-40 台 1 10 现场配筋 8 钢筋碰焊机 台 1 100 现场配筋 9 电焊机B×7-400 台 4 20×4 结构施工 10 氧气、乙炔 套 1 —— 结构施工 11 潜水泵 台 4 3×4 基础施工 12 36m汽车泵BP3000 台 1 柴油 浇砼 13 砼固定泵BP3000HDRD18 台 1 柴油 浇砼 14 砼运输车8m3 辆 若干 柴油 浇砼 15 塔吊 台 3 47×3 结构施工 16 0.4m3强制式搅拌机 台 2 13×2 结构施工 17 人货两用电梯 台 0 0 18 蛙式打夯机 台 2 7×2 回填土 19 砼振动机 台 10 3.5×10 浇砼 20 砂浆搅拌机 台 4 3.5×4 砌墙 21 木工圆锯 台 2 3×2 结构 22 切管套丝机Z1T-SQ-B5型 台 1 0.75 施工全过程 23 切管套丝机TQ-150型 台 1 0.75 施工全过程 24 交流焊机BX1-300F-3 台 2 施工全过程 25 液压弯管器SWG-4D 台 1 施工全过程 26 手动试压泵SSY-2.5-80 台 1 施工全过程 27 电动试压泵4DSB 台 1 施工全过程 28 液压弯排机SWP-10A 台 1 施工全过程 29 石材切割机4100NH 台 1 1.2 装饰 30 角向磨光机9520NB 台 2 0.67 装饰 31 电锤Z1C-SD 台 1 0.62 装饰 32 电锤Z1C-SH02-26 台 2 0.65 装饰 33 砂轮机SiST-150-200 台 1 0.55 施工全过程 34 液压扩孔器TK10-1型 台 1 施工全过程 35 接地电阻测试仪ZC-29B-2 台 1 施工全过程 36 兆欧表ZC25B-3 个 1 施工全过程 5.2施工用电测算 对照施工机械的配备数量及各施工阶段的机械使用情况,高层上部结构施工阶段的用电量为最大。该阶段的施工总用电量可按以下公式计算(注:现场钢筋制作应在晚间施工,与结构施工时间分开): ΣP1=275KW ΣP2=40KVA P=1.1×(0.6×175/0.7+0.6×40)×1.1=390.5KW 照明用电按动力用电10%已计算在内。施工高峰阶段实际需要的用电量约390.5KW。建设单位应提供的400KVA用电量能满足施工高峰阶段的用电需要。这一问题可通过调整工序安排与大型施工机械的使用时间等措施解决。 5.3施工用水量测算 现场用水包括施工用水、生活用水、设备用水及消防用水。施工用水、生活用水及设备用水之和估计为5L/S,消防用水为10L/S。经测算,建设单位应提供管径100mm水源头子可基本满足现场用水的需要。消防用水应借助于市政管网。 6.各分部分项工程施工技术方案 6.1工程定位、测量 本工程在我们进场前,业主已完成工程桩基施工,测量定位时应对前期的工程桩定位及标高进行复核,并建立土建永久施工定位桩及标高。如与前期发生矛盾,应经业主、监理认可,商量解决办法。 6.1.1标高的引测及测点布置: 本工程的标高由国家水准点 高程为 (黄海高程系统)引测到现场稳固的地方和导线控制桩位上,并定期复核,作为施工中控制现场标高的重要依据。 6.1.2工程总体平面轴线定位 根据业主提供的现场小区红线座标、设计提供的桩位示意图及总平面图中建筑物的角点座标,并复核建筑物外轴线与小区规划道路,建筑红线相关的间距尺寸,符合要求后,即进行总体轴线定位控制。 6.1.3 ±0.000以下平面主轴线控制 由于楼型复杂且各单体每个单元相互关系不一,各单体形成独立的主轴线控制网较为困难,故利用总体控制每个单体的主轴线,然后通过全站仪测量,连接每个单体的主要轴线,并通过计算完成施工座标。然后使用全站仪进行实地测量,形成轴线控制网。同时根据现场实际情况须设置加密控制点,以提高基坑施工放线的精度。该轴线控制网还将作为基坑施工中定期复核平面主轴线的依据。 6.1.4 ±0.000以上主楼垂直控制基准点的布置和转换 在±0.000标高的楼层平面上设置垂直控制基准点,每个号房至少布置3个垂直控制基准点。基准点位的误差严格控制在±1毫米以内,并以所布置的垂直控制基准点作为进行各楼层平面轴线投放的依据。建筑轴线采用内控法,建筑在每层的楼板基准点位置开设200×200mm的方孔,供垂直控制轴线传递之用。 垂直控制轴线基准点的转换:原则上每隔四层高度时,在楼层平面上转换布设一次垂直控制轴线的基准点。 轴线复核:各个基准点投测完毕,在该层的楼板面上将经纬仪架在投测点上,经复核校正各投测点之间的精度误差后,才能在楼层平面上投测轴线的正确位置,并交付施工使用。 在施工中,每层楼面上都必须认真开测轴线,且每隔四层楼层,需会同技术负责人,监理方、业主对楼层所开测的轴线位置进行复核、检查、签证。 6.1.5具体实施及质量保证措施 按布置点用红外测距仪(精度2″, ±lmm±lPPm)进行平面控制点和平面轴线控制点的测放,要求满足控制点之间的距离误差≤±2mm,测角中误差≤±5″,因为点位的布置都呈闭合状,故放好后还需进行闭合检查。若精度满足要求,则平差分配其误差;若精度达不到,重新施放,直至满足精度为止。用钢针刻划在预埋铁板上,并涂上红油漆标志作为控制点。在控制点作好之后,还需经监理及甲方所定第三方测量复核合格后才好使用。高层楼层相应的位置预留200×200mm与±0.000层面控制点相应的小方孔,在±0.000层面控制点设置测站,将J2经纬仪置中、调平,装上弯管棱镜,在测站天顶上设置目标分划板。目标分划板可采用磨砂玻璃。在传递过程中,将仪器纵横轴线与目标分划板上纵横轴重合,移动目标分划板,使之交点与仪器轴线交点重合,将仪器照准架旋转90度、180度、270度、360度画出一个圆圈,这个圆圈就是仪器竖向误差圈,量出00′间距,看是否满足施工要求(≤±2mm),如达不到要求则移动目标分划板,使0向00′移l/200′距离,重复操作直至满足精度为止。在楼层上还需用经纬仪进行90度闭合检查。在丈量距离时,需用同一把检定过的钢尺进行量距测放,避免产生误差。 1.测量时应注意事项: (1)为便于施工,标靶可采用磨砂玻璃制作,便于视觉分辨能力,提高测量精度。 (2)由于混凝土的收缩徐变使基准控制点之间产生相对位移,相互间的距离会变化,因此基准点位应定期校核纠正。 (3)选择有利天气进行观测:选择晴朗天气的早晨,但应避开太阳光强烈直射时间或雨天,将自然气候的影响减少到最低限度。 2.标高控制: (1)场内控制点设置: 本工程应根据建设方提供的城市水准点。用精度水准仪(精度1″)从甲供水准点引测到施工区域形成一个闭合环,要求满足闭合差≤±3mm。若满足精度要求,则平差分配其误差;若精度达不到,重新测放,直到满足精度为止。用细铅笔画好,涂上红油漆标志作为高程控制点引入场内。在不受工程施工影响,便于取用的空间地段设置二只点作为施工标高控制与沉降观察的场内半永久性水准标高控制点,该点须采取保护措施,定期与城市水准点校核,并作好复核记录备案,作为施工中控制现场标高的重要依据,并根据复核记录随时在施工测量工作中作技术调整。 (2)±0.00以下高程测量: 1)以基准水准控制点为依据,用精密水准仪采用往返水准测量的方法,将高程引测至基坑边的临时水准控制点位置。 2)设定一个可垂直传递高程的基坑边,搭设一个固定支架,将钢尺一端固定在支架挂钩上用重锤垂直吊下。 3)采用两台水准仪一上一下同时测量,上面一台水准仪读出钢尺上的数据并计算±0.00标高高程。下面一台水准仪把高程传递至施工作业面层 (3)±0.00以上高程测量: 1)建筑物出±0.00以后,头层框架柱模板拆除,即把高程引测于建筑物四角墙面柱上,利用电梯间的核心筒,用精密水准仪将高程引测至电梯间的边侧,并用红漆作好标记,设置标高为+0.500。 2)各楼层标高控制:高层依电梯间边设置好的标高控制点作为楼层短肢剪力墙施工时的楼面墙、梁、板标高控制依据,待上一层施工完毕,及时把标高控制点移向上一层电梯间边侧,作为再上一层楼面墙、梁、板标高控制的依据。 3)标高控制应按一个起点,即+0.500向上传递。 4)楼层施工完毕(如拆模、砌墙后),及时测放出该楼层的水平线。水平线的控制标高为该楼层的相对50cm标志线。 3.沉降量的控制及沉降观察点的布设和测量: (1)沉降观察的目的: 为全面了解整个工程在施工各层次及竣工后的沉降数据,沉降观察应及时委托有资质检测机构进行。沉降观察主要是为了掌握建筑物结构施工至各层次及装饰、竣工之后的沉降变化情况,综合分析数据,作出预报,为工程安全、质量服务。同时根据测得的数据资料,对设计所预定的沉降值进行对比、验证。 (2)沉降观察点的布置: 1)根据设计要求(或施工规范)要求布置沉降观察点位。 2)沉降观察点位应在头层框架柱外墙侧面,待拆模之后立即布设,并测出其初次高程。 3)采用II等水准测量精度仪器要求进行观测,并从场内设置的半永久性高程控制点引测并组成一个水准观察环线。观察使用精密水准仪S1和精密水准尺。 (3)沉降观察的操作: 1)沉降观察操作要求前、后视距离差不大于2m,视距累计差不大于3m,视距最大距离不超过40m。 2)操作与记录: 本工程根据设计院设计图纸的要求进行沉降点布设,利用市政水准点引入的现场半永久性的水准点标高观测,原则上每完成一层结构以后进行一次沉降观察。装饰工程施工时每三层进行一次沉降观察,竣工后二年内每半年进行一次沉降观察。做好测量原始记录,绘制各沉降观察点的沉降量——时间变化图,随工程资料一并移交业主。 4.测量仪器和精度要求: 仪器名称 厂牌 型号 精度 数量 全站仪 SET-2C 2″+(3mm+2PPm*D) 1台 水准仪 C32 +2.0mm/km 2台 天顶仪 ZL 1:200000 1台 经纬仪 T2 2″ 2台 钢卷尺 50m ±1mm 2把 钢卷尺 30m ±1mm 2把 塑钢塔尺 5m ±1mm 1台 在测量工作中严格按国标(工程测量规范)要求执行,每次成果数据均应留底存档。 以上仪器设备均应在合格的计量单位鉴定,并在规定的使用期限内使用。 5.测量精度主要保证措施: (1)全站仪工作状态应满足要点: 1)保存和运输: ①运输时:当要装运仪器时,请使用索佳的外包装(包装箱和纸箱),如在野外移动测站时,可采用下述两种方法: ——将仪器放入包装箱子,然后移站。 ——不将仪器从三角架上取下(必须保证仪器是牢固的拧在三角架上)直接将三角架腿分开架在肩上,进行移动,尽量保持仪器处于垂直竖立位置。 ②清洁和干燥:清洗前,先吹掉镜头和棱镜上的灰尘,对物镜和棱镜要特别小心。不要用手指触摸镜头。清洗镜头时,要用干净、柔软的布进行擦拭。如有必要,可稍微蘸点纯酒精(不要使用其它液体,其会破坏仪器合成材料部分)。 ——如果仪器打湿了,须先让其风干后才放进包装箱内。 ——在运输或长期不用以后,使用时须测定仪器的各种误差(如水平视准差、垂直度盘指标差等)。 ——放置仪器时,如果放置在太阳光下或在车辆内部等气温较高的地方,请注意将仪器保存在其存储温度范围内。 ③电缆和插头:保持插头清洁、干燥。请随时注意插头是否连接上,假如插头上有污物,须进行清理。如果在测量过程中,插头没连接好将会丢失测量数据。 ④棱镜结雾:如果反射镜比周边环境温度还低,其面上将产生灰雾。这不必擦除,只需将棱镜放在温度稍高的地方,如汽车或用衣服包住。过一会儿其温度升高道与周围环境温度一致时,灰雾灰自动清除。 ⑤保存:如果仪器受潮,须干燥和清洁仪器、包装箱、泡沫衬垫及所有附件,让这一切彻底干燥后才装箱。 2)安全指南: ①使用范围:本工程所用的SET-2C适用以下功能: ——照准目标点或反射棱镜 ——测量水平角和垂直角 ——测距 ——记录测量结果 ——用应用软件进行计算 ②使用故障及其预防措施 主要故障: 警示:无操作说明或操作说明不完整会导致不正确和有害的使用。可造成人力、物力、财力的浪费,甚至将给外界环境带来不良后果。 预防:使用者必须遵循厂家或仪器负责人给出的安全须知。 警示:充电器和PCMCIA卡阅读器不应在潮湿和酷寒的地方使用。如这些装置受潮,使用时将会发生电击。 预防:在屋内使用充电器和PCMCIA卡阅读器,并且房间须保持干燥以免使其受潮,如果这些装置受潮,不要使用。 警示:如果拆开充电器或PCMCIA阅读器,在下述两种情况会发生、电击。 —— 触摸其通电部分 —— 打开后,仪器没有修理好就使用。 预防:不要自行拆开这些装置,如有故障到索佳指定技术部门修理。 注意:如果附件砼仪器连接不正确,不牢固,将会导致仪器的损害或人的损伤。 预防:当安置仪器时,确信这些附件(如脚架、三角基座、外接的EDM装置、连接电缆等)已经固连正确,避免其导致坠落或其他机械损害。 注意:在运输或保存充电电池时,如有不当的物理影响,有可能造成火灾。 预防:在运输或保存充电电池之前,先将电放掉(如:将电池连接好仪器,将仪器置于跟踪测距模式直道电池里的电放完)。 警示:如果仪器存贮不当,会导致以下情况 —— 如果仪器所含的聚合物部分燃烧,将会产生有损健康的毒气。 —— 如果电池温度太高或受损,将会引起爆炸、燃烧、腐蚀以及排放毒气造成环境污染。 —— 如果不负责任的交给未经授权使用的人使用该仪器,其误操作可能会带来仪器的严重损坏,甚至造成环境污染。 —— 补偿器中硅油渗漏将会给仪器的光学、电子部分带来损坏。 预防:仪器的保存应与用户所在国的规定一致,要注意防止未经许可的人接触仪器。 注意:如果仪器已有故障或被摔过或被不正确地使用后或调整过以后,仪器可能得出错误的解雇哦。 预防:定期测试仪器和在允许范围内调整仪器。在重要的测量工作之前或之后须将仪器进行检定。 注意:不要用仪器直接去观察太阳,这样会造成眼睛受伤以及仪器内置EDM测距头损坏。 预防:避免将望远镜头直接对准太阳。 警示:不适当的设站点有可能损伤仪器,如将仪器设在交通地段、建筑工地和工业安装区。 预防:尽量将仪器安置在稳定的地方,在交通要道或繁乱地方使用时遵守有关规则。 警示:如室内计算机用于野外,将可能发生电击的损伤。 预防:遵守计算机厂商所给的应用指南,以及如何用索佳仪器连接的指令。 (2)经纬仪 经纬仪工作状态应满足竖盘垂直,水平度盘水平,视角望远镜上、下转动时,视准轴形成的视准面必须是一个竖直平面。 (3)水准仪 水准仪应调平基座平面及水准管与视准轴平行。 (4) 钢卷尺 钢卷尺作业时应进行鉴定,并修正温度测定误差。应消除作业时对线误差、倾斜误差、拉力不均匀误差,并在规定的使用期限内使用。 (5)测角 采用三测回法,测角误差控制在±10秒。 (6)测距 采用往返二次测距,取平均值。 (7) 误差 平面轴线误差控制在2mm之内,垂直误差控制在±2mm之内,主楼总高度误差控制在2cm之内。 (8)测量人员 测量、定位、操平、放线应在项目内指定专业人员,不能随意换人 6.2±0.00以下结构施工 6.3.1施工顺序 1.基础施工顺序 放出基坑〔基槽〕灰线→土方开挖→基础垫层施工→基础弹线、轴线复核→工程桩验收→基础梁钢筋绑扎(柱插筋)→模板(侧模)施工→隐蔽工程验收→基础砼浇筑→基础墙砌筑→基础墙、梁→防潮层施工→回填土。 6.3.2工程桩及基坑验收 1.工程桩验收: (1)基坑土方挖好之后应对工程桩桩位、桩数、桩顶标高等施工质量进行验收,并应为本工程动测试验做好准备以及提供必要的作业面。未经验收不得进入下道工序的施工。 (2)工程桩验收时由现场关砌按轴线位置拉好麻线及测绘出桩顶十字线,由现场项目工程师、监理工程师共同验收,并做好记录,标明每根桩的标高及位置偏差值,绘制桩位竣工图。 (3)所有工程桩应由监理及设计单位签字认可合格后并通知有关政府质量监督部门对工程桩进行验收合格后可进入下道工序,所有桩基工程的施工资料应装订成册,及时归档。 2.基坑验收: (1)垫层砼施工应紧跟挖土工作之后,一般要求基坑土体暴露面积不超过1天时间,且会同监理方及设计院及时进行基坑验槽,随即垫层砼即覆盖上,以防止坑底土体受雨水侵蚀而影响基础质量。 (2)垫层砼浇捣前应预先设定好标高,砼浇捣时采用平板振动机振捣密实,稍待收水后再用木蟹打磨平整。 6.3.3高层基础筏板砖胎膜砌筑
展开阅读全文

开通  VIP会员、SVIP会员  优惠大
下载10份以上建议开通VIP会员
下载20份以上建议开通SVIP会员


开通VIP      成为共赢上传

当前位置:首页 > 品牌综合 > 施工方案/组织设计

移动网页_全站_页脚广告1

关于我们      便捷服务       自信AI       AI导航        抽奖活动

©2010-2026 宁波自信网络信息技术有限公司  版权所有

客服电话:0574-28810668  投诉电话:18658249818

gongan.png浙公网安备33021202000488号   

icp.png浙ICP备2021020529号-1  |  浙B2-20240490  

关注我们 :微信公众号    抖音    微博    LOFTER 

客服