收藏 分销(赏)

分享龙华中学科技综合楼幕墙工程(施工方案).doc

上传人:可**** 文档编号:803491 上传时间:2024-03-22 格式:DOC 页数:16 大小:171.50KB 下载积分:11 金币
下载 相关 举报
分享龙华中学科技综合楼幕墙工程(施工方案).doc_第1页
第1页 / 共16页
分享龙华中学科技综合楼幕墙工程(施工方案).doc_第2页
第2页 / 共16页


点击查看更多>>
资源描述
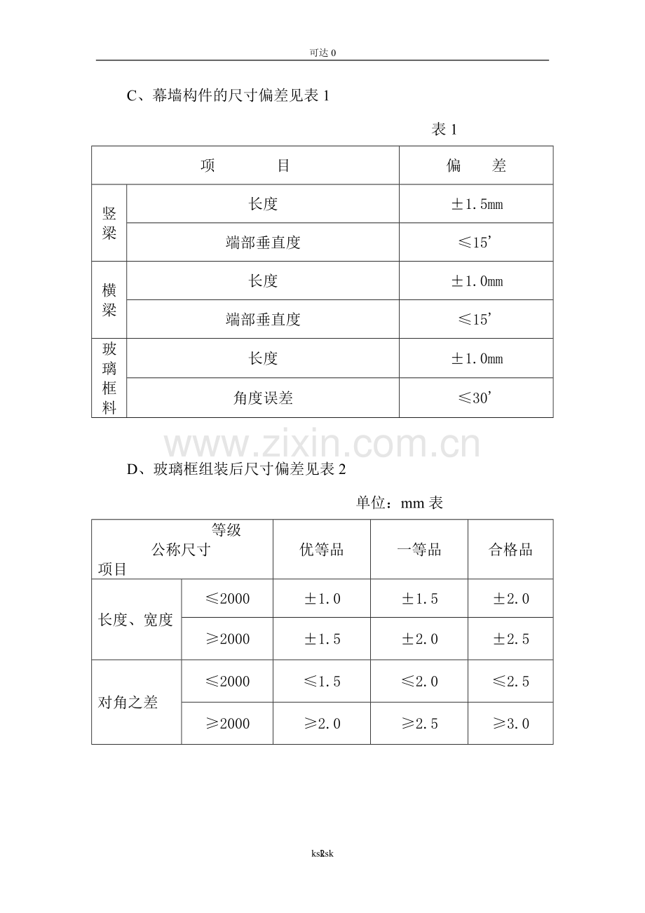
可达0 一、 工程概况: 龙华中科技大楼建筑为八层,总标高32.7m,每层标碻不同,幕墙最大分格待到安装主横梁完毕再作准确分格,因为主体偏差少许。幕墙为钢化清色玻璃,型号为138系列,主体主外向铝机线装饰条横梁隔度加铝机线。 二、 加工制作 1、幕墙零部件加工制作的质量控制体系: A、幕墙应符合中化人民共和国行业标准《玻璃幕墙工程技术规范》JGJ102-96的规定,并严按照设计图纸及技术文件制造。 B、材料: 1)幕墙用的铝型材应符合GB5237-93标准和合同及设计图纸的要求,所选用的其他材料应符合现行的国标、专业标准、部标的规定,进口材料应符合其相应的国际先进标准; 2)凡使用金属材料的地方,除不锈钢外,与铝料接触的地方应作防腐处理; 3)幕墙使用的玻璃应符合建筑设计要求,产品质量应符合相应的国家标准、专业标准; 4)幕墙使用的硅酮建筑密封剂必须符合美国“DOW CORNING”或“GE”产品性能指标; 5)优质幕墙其主要材料必须选用优质产品。 C、幕墙构件的尺寸偏差见表1 表1 项 目 偏 差 竖梁 长度 ±1.5mm 端部垂直度 ≤15' 横梁 长度 ±1.0mm 端部垂直度 ≤15' 玻璃框料 长度 ±1.0mm 角度误差 ≤30' D、玻璃框组装后尺寸偏差见表2 单位:mm表 等级 公称尺寸 项目 优等品 一等品 合格品 长度、宽度 ≤2000 ±1.0 ±1.5 ±2.0 ≥2000 ±1.5 ±2.0 ±2.5 对角之差 ≤2000 ≤1.5 ≤2.0 ≤2.5 ≥2000 ≥2.0 ≥2.5 ≥3.0 E、加工后每根构件的局部擦划伤应符合表3的规定。 表3 等级 项目 优等品 一等品 合格品 擦划伤深度 不大于氧化膜厚度 不大于氧化膜厚度的1.5倍 不大于氧化膜厚度的2.5倍 擦伤总面积 ≤100mm2 ≤200 mm2 ≤300 mm2 划伤总长度 ≤20 mm ≤30 mm ≤40 mm 擦划伤总处数 少于2处 少于3处 少于4处 F、玻璃框组装后相邻构件装配间隙及同一平面高低差见表4 单位:mm表4 等级 项目 优等品 一等品 合格品 同一平面高低差 0.3 0.4 0.5 相邻构件装配间隙 0.5 0.8 G、开启窗的四角结合处符合下列规定 1) 接合处应严密,并应涂无腐蚀作用的密封胶 2) 平面高低差的要求同玻璃框 3) 接缝处间隙б≤0.4 mm H、检验规范 1)产品出厂前应经检验部门检验合格,签发合格证方可出厂; 2)抽样方法构件每一品种不得少于10%(最少3件)其中有一件不合格的,加倍抽查,如仍有1件以上不合格,则合部认为不合格全部返工、 自检、复检合格后方可出厂。 3)安装后在一项工程的全面积上任意抽检3处,如有一处不合格时加倍抽检,其中仍有一处不合格达20%,应全部返修,复检合格后方可交付。 2、玻璃幕墙玻璃与铝材粘接的质量控制体系 玻璃幕墙的玻璃与铝材粘接工艺是整个工程的关键工序,它直接影响到整个工程的质量,使用寿命及外观效果等;是一个公司技术的基本体现,故,本公司设立了专用的注胶房,从美国进口了专用注胶机,根据有关胶的性能及使用规范制定了《结构密封胶施工操作规程》,严格控制注胶质量。 三、产品保护及运输 1、运输方面,考虑到距离较近,帮此所有加工部分均在厂内完成后运往工地,包装及运输过程中的破损均由我公司承担。 2、所有型材、构件在运输前需贴保护胶纸,(该胶纸待工程竣工验收时才可除去),且构件间用发泡纸间隔,以保证构件表面不被划伤,破坏,玻璃在安装上墙后,我公司将与有关单位密切配合,作好玻璃成品保护工作。 3、连接用紧固件采用不锈钢件,钢支座与铝料接触处需垫防蚀垫片,以防弱电腐蚀。 四、安装施工 1、施工前的准备工作 A、接建设单位工程施工组织设计后,制定详尽的幕墙安装施工计划,其内容包括工艺程序,总体安装计划网络控制图,并提交建设单位审核批准。 B、会同建设方及设计院认真审核施工图,进行各个施工工序的图纸会审。 C、做好现场封闭工作,做好建筑物内各位置的安全检查,发现问题及时向建设方报告,以求妥善解决。 D、落实材料采购计划,对所选材料会同建设方会签,封样。 E、做好施工工具的进场前检查,确保进场工具的完好率达到100%。 F、对各施工班组进行进场前的教育,牢固树立安全第一的思想。 G、对各施工班组进场前组织图纸及技术交底,确保进场后即刻施工。 H、设置现场材料,半成品临时仓库,现场临时办公室和部分工棚。 I、设置临时施工用水用电。 J、根据施工要求,需由土建施工单位提供玻璃幕墙施工所需的中心线、水平线、进出位线,我公司的专职测量人员将根据土建提供的施工用线进行复测,以达到施工要求。 2、施工组织和管理 A、施工组织(见下组织机构图) 地盘项目经理 公司采购部 公司生产部 公司技术部 公司工程部 项目管理员 施工队 质检组 工地办 1)为确保工程的顺利进行,按期完工,成立工地办公室,设立地盘项目经理1人,全面负责工程施工的组织领导,现场技术的指导和处理及现场各方面的协调工作。 2)设立项目管理员1人,专门分管现场进度,材料组织,技术质量及安全等工作。 3)施工队设队长1人,质量检查员1人,安全检查员1人,以做全面负责人员的施工组织,施工质量及安全工作的实施。 4)施工队约为15-20人。 B、施工管理 1)材料管理:由地盘经理全面负责材料的采购、工厂半成品出库的运输、工地设置专职保管员对材料进行保管和发放,并负责检查材料及半成品的质量,确保工程的需材料及半成品及时送到工地。 2)现场进度管理:由地盘项目经理全面负责,督促施工队确保施工进度计划的实施。对质检员反映的问题及时采取措施加以解决,同时协调好与其他施工单位的关系,及时和建设方、工地的监理联系和沟通,坚决贯彻建设方的意见并将每周协调会议纪要送达建设方审阅,以便更好地做好工作。 3)技术管理和质量管理:由项目经理专门负责,由施工队质检员对施工质量进行跟踪记录,在每周的协调会上通报质量问题,检查各施工人员是否按设计图和施工规范施工,杜绝施工中的偷工减料和不负责任的行为。对每一道工序进行检查,不符要求者不进行下一道工序的施工,对于施工中出现的技术问题及时处理。 4)安全管理:由项目管理员专门负责,由施工队安全员全面负责工地安全工作,对工地出现的违法违纪现象坚决予以制止,消灭事故隐患,对所有安全措施随时检查。严格执行国家有关精神,并招待现场及公司有关安全施工制度,做到安全施工。 3、幕墙安装工艺 A、安装顺序:放线安土建提供的中心线经我方复测后,上、下放钢线,由水平仪检测,进出位线与中心线放线相同。每层楼的支座点焊后由水平仪检测,相邻座水平误差应符合设计标准,支座的焊接应防止焊接时的受热变形,其顺序为上、下、左、右,并需清查和检查焊缝及校核。 B、支座的安装顺序:主支座的焊接工作在土建施工封顶后从幕墙工程的底部开始向上安装,并根据土建的施工进度进行。 C、玻璃幕墙的主梁安装顺序,幕墙主梁的安装工作也由幕墙的底部开始向上安装,待支座的安装校核后开始。 主梁的安装工艺: (1)对照施工图检查主梁的尺寸及加工孔位是否正确。 (2)将主梁副件(压块、芯套、防腐垫片、付支座等)装上主梁 (3)主梁安装,调整支座连接螺栓,以确保主梁安装水平及垂直度,相邻的主梁上、下水平差不得大于±1mm,同层的主梁差不大于±2mm。 D、横梁的安装:将横梁两端的连接件固定在柱的预定位置,然后安装横梁,且要留出伸缩缝尺寸。相邻两根横梁的水平标高偏差不大于1mm。同层标高偏差不大于2mm。 E、玻璃框的安装工艺:玻璃框(含开启扇)均在厂内制作,工地安装时应先确认其安装的位置,安装工作由幕墙的顶部开始向下安装。 安装的工艺:从主梁上用角码锁好横梁,将玻璃框定位后上好压块,以确保玻璃框不移动,玻璃框装好后应检查及调整缝宽水平及垂直度固定后用白泡沫条及耐候胶填缝。 F、幕墙清洁:工程安装完后,逐层从上到下清洁玻璃一次。 4、技术措施: A、为保证工程的安装质量,各安装环节应严格按施工工艺及规范执行。所有测量工具要求统一,不合格的器具严禁使用。 B、施工中使用的仪器使用前应进行校核。 C、施工前工程技术人员应与施工队进行技术交底工作,将各环节顺序交代清楚。 D、图纸必须齐全(施工节点、大样图)等各式图纸一式两份。 E、执行图纸及合同中规定的技术要求,图纸与规定有出入的地方,按合同执行。 5、施工的机械设备及材料的堆放: A、为确保工程进度和质量,我公司已配备有如下机具,随时可以投入本工程的制作和施工。 主要机具名称 数量 1、电脑双头锯、平锯 1台 厂内加工制 2、多工位钻床、冲床 1台 作用 3、钻床、机 2台 4、打胶机 1台 5、手提电锯 1台 6、电焊机 2台 7、手电钻(钻、攻两用) 2台 8、砂轮切割机 2台 9、50米、3.5米钢卷尺 2把 10、长短水平尺 各3把 11、经纬仪 1台 12、液庄冲击钻 1把 B、材料的堆放:材料的堆放由土建施工单位提供200平方米的现场临时保管间;及楼层安装材料的临时堆放场所,每层楼均需有。 6、吊装方式: 所有材料现场的运输均需借助土建单位的垂直运输机械完成。 五、对土建的要求 A、提供现场材料堆放的临时场所及施工人员的临时住所。 B、提供施工用水、电,电源接线箱每层楼均需有。 C、提供施工用土建原有的中心线、水平线。 D、提供材料的垂直运输机械及幕墙安装用脚手架。 E、做好幕墙四周的水泥沙浆的填塞工作。 F、做好成品保护工作,如有损坏,我方保留要求赔偿的权利特别在玻璃挂上之前,室内的泥水作业必须完成后,我方才能开始玻璃作业。 下面为附送毕业论文致谢词范文!不需要的可以编辑删除!谢谢! 毕业论文致谢词 我的毕业论文是在韦xx老师的精心指导和大力支持下完成的,他渊博的知识开阔的视野给了我深深的启迪,论文凝聚着他的血汗,他以严谨的治学态度和敬业精神深深的感染了我对我的工作学习产生了深渊的影响,在此我向他表示衷心的谢意 这三年来感谢广西工业职业技术学院汽车工程系的老师对我专业思维及专业技能的培养,他们在学业上的心细指导为我工作和继续学习打下了良好的基础,在这里我要像诸位老师深深的鞠上一躬!特别是我的班主任吴廷川老师,虽然他不是我的专业老师,但是在这三年来,在思想以及生活上给予我鼓舞与关怀让我走出了很多失落的时候,“明师之恩,诚为过于天地,重于父母”,对吴老师的感激之情我无法用语言来表达,在此向吴老师致以最崇高的敬意和最真诚的谢意! 感谢这三年来我的朋友以及汽修0932班的四十多位同学对我的学习,生活和工作的支持和关心。三年来我们真心相待,和睦共处,不是兄弟胜是兄弟!正是一路上有你们我的求学生涯才不会感到孤独,马上就要各奔前程了,希望(,请保留此标记。)你们有好的前途,失败不要灰心,你的背后还有汽修0932班这个大家庭! 最后我要感谢我的父母,你们生我养我,纵有三世也无法回报你们,要离开你们出去工作了,我在心里默默的祝福你们平安健康,我不会让你们失望的,会好好工作回报社会的。 致谢词2 在本次论文设计过程中,感谢我的学校,给了我学习的机会,在学习中,老师从选题指导、论文框架到细节修改,都给予了细致的指导,提出了很多宝贵的意见与建议,老师以其严谨求实的治学态度、高度的敬业精神、兢兢业业、孜孜以求的工作作风和大胆创新的进取精神对我产生重要影响。他渊博的知识、开阔的视野和敏锐的思维给了我深深的启迪。这篇论文是在老师的精心指导和大力支持下才完成的 感谢所有授我以业的老师,没有这些年知识的积淀,我没有这么大的动力和信心完成这篇论文。感恩之余,诚恳地请各位老师对我的论文多加批评指正,使我及时完善论文的不足之处。 谨以此致谢最后,我要向百忙之中抽时间对本文进行审阅的各位老师表示衷心的感谢。 开学自我介绍范文:首先,我想说“荣幸”,因为茫茫人海由不相识到相识实在是人生一大幸事,更希望能在三年的学习生活中能够与大家成为好同学,好朋友。其次我要说“幸运”,因为在短暂的私下接触我感觉我们班的同学都很优秀,值得我学习的地方很多,我相信我们班一定将是团结、向上、努力请保留此标记。)的班集体。最后我要说“加油”衷心地祝愿我们班的同学也包括我在内通过三年的努力学习最后都能够考入我们自己理想中的大学,为老师争光、为家长争光,更是为了我们自己未来美好生活和个人价值,加油。哦,对了,我的名字叫“***”,希望大家能记住我,因为被别人记住是一件幸福的事!! )查看更多与本文《高中生开学自我介绍》相关的文章。 下面为附送毕业论文致谢词范文!不需要的可以编辑删除!谢谢! 毕业论文致谢词 我的毕业论文是在韦xx老师的精心指导和大力支持下完成的,他渊博的知识开阔的视野给了我深深的启迪,论文凝聚着他的血汗,他以严谨的治学态度和敬业精神深深的感染了我对我的工作学习产生了深渊的影响,在此我向他表示衷心的谢意 这三年来感谢广西工业职业技术学院汽车工程系的老师对我专业思维及专业技能的培养,他们在学业上的心细指导为我工作和继续学习打下了良好的基础,在这里我要像诸位老师深深的鞠上一躬!特别是我的班主任吴廷川老师,虽然他不是我的专业老师,但是在这三年来,在思想以及生活上给予我鼓舞与关怀让我走出了很多失落的时候,“明师之恩,诚为过于天地,重于父母”,对吴老师的感激之情我无法用语言来表达,在此向吴老师致以最崇高的敬意和最真诚的谢意! 感谢这三年来我的朋友以及汽修0932班的四十多位同学对我的学习,生活和工作的支持和关心。三年来我们真心相待,和睦共处,不是兄弟胜是兄弟!正是一路上有你们我的求学生涯才不会感到孤独,马上就要各奔前程了,希望(,请保留此标记。)你们有好的前途,失败不要灰心,你的背后还有汽修0932班这个大家庭! 最后我要感谢我的父母,你们生我养我,纵有三世也无法回报你们,要离开你们出去工作了,我在心里默默的祝福你们平安健康,我不会让你们失望的,会好好工作回报社会的。 致谢词2 在本次论文设计过程中,感谢我的学校,给了我学习的机会,在学习中,老师从选题指导、论文框架到细节修改,都给予了细致的指导,提出了很多宝贵的意见与建议,老师以其严谨求实的治学态度、高度的敬业精神、兢兢业业、孜孜以求的工作作风和大胆创新的进取精神对我产生重要影响。他渊博的知识、开阔的视野和敏锐的思维给了我深深的启迪。这篇论文是在老师的精心指导和大力支持下才完成的 感谢所有授我以业的老师,没有这些年知识的积淀,我没有这么大的动力和信心完成这篇论文。感恩之余,诚恳地请各位老师对我的论文多加批评指正,使我及时完善论文的不足之处。 谨以此致谢最后,我要向百忙之中抽时间对本文进行审阅的各位老师表示衷心的感谢。 开学自我介绍范文:首先,我想说“荣幸”,因为茫茫人海由不相识到相识实在是人生一大幸事,更希望能在三年的学习生活中能够与大家成为好同学,好朋友。其次我要说“幸运”,因为在短暂的私下接触我感觉我们班的同学都很优秀,值得我学习的地方很多,我相信我们班一定将是团结、向上、努力请保留此标记。)的班集体。最后我要说“加油”衷心地祝愿我们班的同学也包括我在内通过三年的努力学习最后都能够考入我们自己理想中的大学,为老师争光、为家长争光,更是为了我们自己未来美好生活和个人价值,加油。哦,对了,我的名字叫“***”,希望大家能记住我,因为被别人记住是一件幸福的事!! )查看更多与本文《高中生开学自我介绍》相关的文章。 16 ksksk
展开阅读全文

开通  VIP会员、SVIP会员  优惠大
下载10份以上建议开通VIP会员
下载20份以上建议开通SVIP会员


开通VIP      成为共赢上传

当前位置:首页 > 品牌综合 > 施工方案/组织设计

移动网页_全站_页脚广告1

关于我们      便捷服务       自信AI       AI导航        抽奖活动

©2010-2026 宁波自信网络信息技术有限公司  版权所有

客服电话:0574-28810668  投诉电话:18658249818

gongan.png浙公网安备33021202000488号   

icp.png浙ICP备2021020529号-1  |  浙B2-20240490  

关注我们 :微信公众号    抖音    微博    LOFTER 

客服