收藏 分销(赏)

WCDMA切换原理.doc

上传人:xrp****65 文档编号:7673952 上传时间:2025-01-11 格式:DOC 页数:20 大小:1.05MB 下载积分:10 金币
下载 相关 举报
WCDMA切换原理.doc_第1页
第1页 / 共20页
WCDMA切换原理.doc_第2页
第2页 / 共20页


点击查看更多>>
资源描述
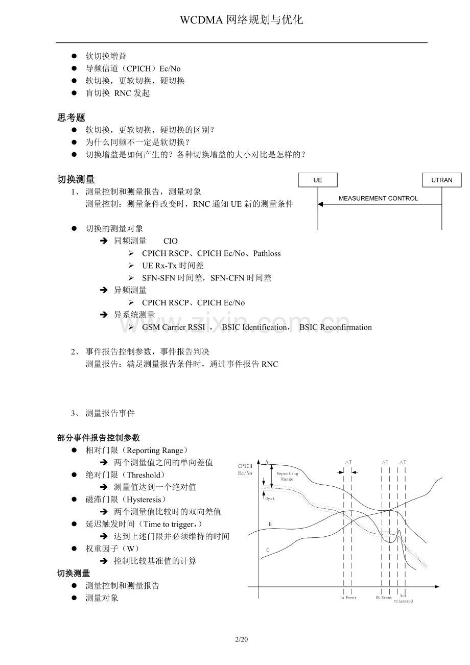
WCDMA网络规划与优化 WCDMA切换原理 切换概述: 1、 切换原因与目的 即将离开当前使用小区的信号覆盖区时(为UE提供连续的无中断的通信服务,切换的基本目标); 覆盖当前区域小区负载不平衡时(资源共享); 与当前使用小区业务特性不符时(根据速度分层、业务分层(例HSDPA),以高效率地使用资源); 负载平衡:小区的容量极限的特性,提出了系统里的资源共享需求。 2、 切换方法与分类 CELL_DCH状态下小区的变更(切换,直接重试 (Directed Retry)); IDLE,CELL_FACH,CELL_PCH,URA_PCH状态下驻留小区的变更;小区选择重选(又称前向切换) 切换增益:最大比合并或选择合并,可以减少衰落的影响。并降低UE发射功率 3、 切换基本过程-三步曲 a、 测量:测量控制-测量的执行与结果的处理-测量报告(主要由UE完成); b、 判决:以测量为基础-资源申请与分配(主要由网络端完成(RNC RRM)); c、 执行:信令过程-支持失败回退-测量控制更新 切换基本概念 l 活动集 Active Set =3 l 监视集 Monitor Set l 检测集 Decter Set 1a 1b事件 l 事件报告 è 事件转周期报告 l 周期报告 l Radio Link (RL) l Radio Link Set (RLS) l 合并方式:最大比合并、选择合并 l 软切换增益 l 导频信道(CPICH)Ec/No l 软切换,更软切换,硬切换 l 盲切换 RNC发起 思考题 l 软切换,更软切换,硬切换的区别? l 为什么同频不一定是软切换? l 切换增益是如何产生的?各种切换增益的大小对比是怎样的? 切换测量 1、 测量控制和测量报告,测量对象 测量控制:测量条件改变时,RNC通知UE新的测量条件 l 切换的测量对象 è 同频测量 CIO Ø CPICH RSCP、CPICH Ec/No、Pathloss Ø UE Rx-Tx时间差 Ø SFN-SFN时间差,SFN-CFN时间差 è 异频测量 Ø CPICH RSCP、CPICH Ec/No è 异系统测量 Ø GSM Carrier RSSI , BSIC Identification, BSIC Reconfirmation 2、 事件报告控制参数,事件报告判决 测量报告:满足测量报告条件时,通过事件报告RNC 3、 测量报告事件 部分事件报告控制参数 l 相对门限(Reporting Range) è 两个测量值之间的单向差值 l 绝对门限(Threshold) è 测量值达到一个绝对值 l 磁滞门限(Hysteresis) è 两个测量值比较时的双向差值 l 延迟触发时间(Time to trigger,) è 达到上述门限并必须维持的时间 l 权重因子(W) è 控制比较基准值的计算 切换测量 l 测量控制和测量报告 l 测量对象 l 事件报告控制参数 l 事件报告判决 l 测量报告事件 测量控制和测量报告 测量控制:测量条件改变时,RNC通知UE新的测量条件 测量报告:满足测量报告条件时,通过事件报告RNC 测量对象 l 切换的测量对象 è 同频测量 CIO Ø CPICH RSCP、CPICH Ec/No、Pathloss Ø UE Rx-Tx时间差 Ø SFN-SFN时间差,SFN-CFN时间差 è 异频测量 Ø CPICH RSCP、CPICH Ec/No è 异系统测量 Ø GSM Carrier RSSI , BSIC Identification, BSIC Reconfirmation 为什么测量CPICH信道? 测量模型 l 层一的测量时间是200ms,滤波方法由厂家决定 l 层三滤波系统可以配置 l 符合上报条件时进行上报 部分事件报告控制参数 l 相对门限(Reporting Range) è 两个测量值之间的单向差值 l 绝对门限(Threshold) è 测量值达到一个绝对值 l 磁滞门限(Hysteresis) è 两个测量值比较时的双向差值 l 延迟触发时间(Time to trigger,) è 达到上述门限并必须维持的时间 l 权重因子(W) è 控制比较基准值的计算 事件报告控制参数 事件报告判决 l 事件报告根据判决不等式判决 例:1A事件判决不等式 1、路径损耗量 2、其他测量量 M:测量值 (measurement) R:相对门限值 (relative) H:磁滞值 W:权重因子,目前一般为0 l 其他事件的判决不等式可参考指导书 测量的报告方式 l 事件报告 è 满足报告条件时,发送测量报告 l 周期报告(事件转周期报告) è 部分事件报告后,RNC未进行相应的切换控制,则转周期报告 è 报告的间隔与总次数受参数控制 报告条件有哪些? 同频测量事件 l 同频的测量事件采用1x 来标志,同频事件报告种类 Ø 1A,相对门限增加事件,表示一个小区的质量已经接近最好小区或者活动集质量。当UE的活动集满后,停止报告1A事件。 Ø 1B,相对门限删除事件,表示一个小区的质量比最好小区或活动集质量差得较多, Ø 1C,替换事件,表示一个小区已经比活动集中的小区好; Ø 1D,最好小区变化事件 Ø 1E, Ø 1F,测量值低于绝对门限事件 为何加入激活集中的信号要保持在一定的门限内? 异频和异系统测量事件 l 异频测量事件用2X来标识。 Ø 2B事件:当前使用使用频率质量低于绝对门限,非使用频率质量高于另一绝对门限。 Ø 2C事件:非使用频率质量高于一个绝对门限 。 Ø 2D事件:当前使用频率质量低于某一绝对门限,用于启动压缩模式。 Ø 2F事件:当前使用频率质量高于某一绝对门限,用于停止压缩模式。 l 异系统测量事件用3X标识。 Ø 3A事件:当前使用频率质量低于一个绝对门限,而GSM小区质量高于另一个绝对门限 Ø 3C事件:GSM小区质量高于一个绝对门限 UE内部测量 l 6G事件:当UE的下行接收时间和上行发射时间间隔小于绝对门限 。 l 6F事件:当UE的下行接收时间和上行发射时间间隔大于绝对门限。 l 当上下行发射时间间隔过在时,RNC会从激活集中删除相应的无线链路。 思考题 l RNC在哪些情况下发测量控制? l 同频、异频、异系统的测量开始时间相同吗? l 何时进行事件上报? l 事件上报的方式有哪些? l 同频测量包含哪些事件? l 异频测量包含哪些事件? 本章小结 本章讲解了测量的过程及控制,同频测量、异频测量、异系统测量事件报告等内容。 第三章 切换流程 l 软切换 l 同频硬切换 l 异频硬切换 l 异系统硬切换 软切换目录 l 软切换的测量 l 软切换流程 l 软切换常用参数 软切换测量 l 测量控制 è RNC根据激活集中最好小区下发测量控制 Ø 邻区列表 Ø 门限参数 Ø 切换测量量类型等 l 软切换/更软切换的测量量 è 测量类型:CPICH RSCP、CPICH Ec/No、Pathloss l 相关事件 è 报告类型:1A、1B、1C、1D、1F è UE观察到的CFN-SFN时间差 è 事件转周期报告 软切换流程_增加无线链路 软切换流程_删除无线链路 软切换常用参数 l 相对门限 è 1A、1B分别设置 è 1A的取值 < 1B的取值,使得删除链路困难避免乒乓 è 一般1A:设置3dB,1B设置6dB l 延迟触发时间 è 每个事件可单独设置 è 一般,1B取值>1A取值,使得删除链路困难,减少乒乓 è 一般1A:320ms,1B:640ms l 层三滤波系数风险比较大 è 所有的同频测量只能共用一个 è 该参数对事件触发的延迟和乒乓较敏感 è 一般设置为:3 è CIO 5dB (参数配置MML:SET INTRAFREQHO) 为可1B与1A事件要设置的有一定偏差? 是否在同频内一定可以进行软切换? 同频硬切换目录 l 同频硬切换测量与事件 l 同频硬切换流程 l 同频硬切换常用参数 同频硬切换测量与事件 l 同频硬切换的测量 è 与软切换类似 l 相关事件 è 1D事件 在软切换与同频硬切换中,上报的1D事件有无区别? RNC如何决定做哪种切换? 执行过程可能有什么样的不同?(引出下面的流程) 同频硬切换流程 在空口的信令流程中可能包含哪些参数? 完成硬切换的标志是什么? 在硬切换完成后,系统还要做什么工作? 同频硬切换常用参数 l BEBITRATETHD :BE业务切换速率判决门限 è 当BE业务的传输信道最大速率小于等于此门限时,系统对该业务用户做软切换 è 当BE业务的传输信道最大速率超过此门限时,系统对该业务用户做同频硬切换 l 1D事件相关参数 è time to trigger, hysteresis è 参数值既要能够及时跟踪小区的变化,完成切换,又要尽量减少乒乓切换 异频硬切换目录 l 异频硬切换概述 l 异频硬切换测量与事件 l 异频硬切换流程 l 异频硬切换常用参数 异频硬切换概述 l 特征 è 切换前后频点不同 è 对于只有一套接收机的UE,需要起压缩模式辅助测量 è 一般使用定时重建的硬切换方式 l 优点 è 切换成功率较同频硬切换高。 è 载频间负载平衡 è 对于分层小区可以实现不同速度合理配置 l 缺点 è 压缩模式导致额外的无线资源占用 è 定时重建的硬切换方式增加切换时间和掉话风险 l 使用场景 è 载频的非连续覆盖 è 负载切换 è 分层小区 问题: 异频硬切换与同频硬切换的测量有何不同? l 异频硬切换时,对于只有一套接收机的UE,需要压缩模式辅助测量。 l 起压模时,要占用额外的无线资源。 什么情况下会使用异频硬切换? l 载频的非连续覆盖 l 负载切换 l 分层小区 异频硬切换有何特点? 异频硬切换测量与事件 l 异频硬切换的测量 è 测量量: Ø CPICH RSCP、CPICH Ec/N0 è 不同的切换目的选用不同的测量类型: Ø 载频覆盖边缘:CPICH RSCP Ø 载频覆盖中心:CPICH Ec/No l 测量报告 è 事件报告 Ø 2D事件:当前使用频率质量低于某一绝对门限,用于启动压缩模式。 Ø 2F事件:当前使用频率质量高于某一绝对门限,用于停止压缩模式。 Ø 2B事件:当前使用使用频率质量低于绝对门限,非使用频率质量高于另一绝对门限。用于覆盖切换触发。 Ø 2C事件:非使用频率质量高于某一绝对门限。用于负载切换触发。 è 周期报告 具体事件上报后的判决见附录。 为何在载频的边缘与覆盖中心采用不同的测量量类型。 在软切换与同频硬切换中,上报的1D事件有无区别? RNC如何决定做哪种切换? 执行过程可能有什么样的不同?(引出下面的流程) 异频硬切换流程 这个流程与同频硬切换有何不同? l 在信令中携带的频率参数不同。 在空口的信令流程中可能包含哪些参数? 完成硬切换的标志是什么? 在硬切换完成后,系统还要做什么工作? 常用参数(一) 异频覆盖切换参数: è 异频测量报告方式:周期还是事件 è 异频测量量 :选择CPICH Ec/No or CPICH RSCP è 异频测量层三滤波系数、延迟触发时间、迟滞 è 异频测量启停门限 :对于CPICH Ec/No, CPICH RSCP,针对CS、PS,对于2D、2F分别配置 è 异频覆盖切换门限 :目标小区质量门限 è 异频硬切换使用频率质量门限 è 异频切换最低接入门限 异频覆盖切换参数参见MML: ADD CELLINTERFREQHO 问题: 为何要在系统中为CS,PS业务配置不同的压缩门限? l 业务需要的Eb/No不同,因此要求的RSCP也不同。 如果UE同时使用CS与PS业务时,根据哪一项业务的2D,2F参数来决定启动压缩模式? l 任何业务达到门限即启动压模。 UE发出2D参数即开始压模模式吗? l 由RNC进行RB重配后进入压缩模式。 在非覆盖切换时的依据是什么? l 2C事件,即非使用频率高于一个绝对门限。 异系统硬切换目录 l 系统间硬切换概述 l 系统间测量 l 系统间切换算法 l 系统间切换流程 l 系统间硬切换常用参数 异系统硬切换概述 l 范畴 è WCDMA FDD <->GSM è WCDMA FDD <->WCDMA TDD è WCDMA FDD <->CDMA2000 l 特征 è 切换前后采用的无线接入技术(RAT)不同 è 一般需要压缩模式辅助测量 l 优点 è 覆盖:可以解决不同系统的过渡问题 è 容量:最大限度提高老设备利用率(2G->3G) l 缺点 è 流程复杂,对设备兼容性要求高 è 终端(UE)复杂 问题: 异频硬切换与同频硬切换的测量有何不同? l 异频硬切换时,对于只有一套接收机的UE,需要压缩模式辅助测量。 l 起压模时,要占用额外的无线资源。 什么情况下会使用异频硬切换? l 载频的非连续覆盖 l 负载切换 l 分层小区 异频硬切换有何特点? 异系统测量与事件 l 系统间切换的测量(GSM测量) è 测量类型: Ø GSM Carrier RSSI Ø BSIC Identification Ø BSIC Reconfirmation è 测量处理:层一滤波、层三滤波 è 测量报告 Ø 事件报告 – 2D事件:启动GSM测量 – 2F事件: 停止GSM测量 – 3A事件:当前使用频率质量低于一个绝对门限,而GSM小区质量高于另一个绝对门限。 – 3C事件:GSM小区质量高于一个绝对门限。 问题: 异频硬切换与异系统硬切换的2D与2F事件有无区别? UE如何决定进行异频测量还是异系统测量? l 由RNC的测量控制信息决定,UE只是执行。 异系统硬切换判决算法 l 系统间切换的判决 è 异系统覆盖切换 Ø 事件方式 – 3A事件:当前使用频率质量低于一个绝对门限,而GSM小区质量高于另一个绝对门限。 Ø 周期方式 – 评估:根据周期上报GSM RSSI测量值和GSM目标小区的BSIC 确认状态,评估GSM RSSI超过绝对门限的小区,如果同时满足要求,则优先考虑BSIC确认过的小区 è 异系统非覆盖切换 Ø 事件方式 – 3C事件是指GSM小区质量高于一个绝对门限。 系统间切换流程 常用参数(一) l 异系统覆盖切换参数 è 异系统测量启停门限:决定2D、2F门限,针对测量量是CPICH Ec/No, CPICH RSCP,分CS、PS业务分别各配置一套 è 异系统2D2F测量量: 选择CPICH Ec/No, CPICH RSCP è BSIC确认选择开关 è 异系统覆盖切换门限 :异系统覆盖切换的GSM RSSI门限 针对CS,PS业务分别配置 è 异系统切换使用频率质量门限 è 延迟触发时间、迟滞:每个事件一套 è 惩罚时长 l 参数配置参见MML:ADD CELLINTERRATHO 思考题 l 简述软切换与更软切换的区别? l 什么是压缩模式? l 画出硬切换信令流程图? l 在各种事件中使用哪一种测量量来作比较比较合适? è 提示:Io是随系统负载在变化的。 本章小结 l 本章重点讲述了WCDMA系统几种基本的切换:软切换、更软切换、同频硬切换、异频硬切换、异系统切换的基本概念、区别、发生场景、信令流程等; 补充内容 l 压缩模式测量 l 同频硬切换的判决算法 l HSDPA切换 l 盲切与直接重试 压缩模式目录 l 压缩模式的目的 l 压缩模式示意图 l 压缩模式的实现方式 l HSDPA直接重试算法 l 压缩模式序列的约束 l 常用参数 压缩模式的目的 l 目的: è FDD下进行异频测量或异系统测量 l 原因: è 下行压缩:一套收发信机只能同时工作在一组收发频率上,若要对其它频率的信号进行测量,接收机需停止工作,将频率切换到目标频率进行测量。为了保证下行信号的正常发送,需将原来信号在剩余发送时间内发送。 è 上行压缩:当测量频率与上行发送频率较近时( GSM 1800/1900 使用频率与FDD 上行的工作频率相近),为保证测量效果,需同时停止上行信号的发送。 压缩模式示意图 压缩模式的实现方式 l 实现方式 è 扩频因子减半 Ø 压缩帧扩频因子减半使用,必要时使用替换扰码 Ø 优点:RNC处理简单、能够提供较大的TGL Ø 缺点:占用NodeB的处理能力、降低码资源的利用率,不适用于SF=4、对覆盖影响较大、替换扰码会带来较大干扰 è 打孔方式(CR建议协议取消) Ø 降低编码冗余度 Ø 优点:高层较为简单,SF=4可用,不影响码资源利用率 Ø 缺点:受限于信道编码特性,减小了编码增益 è 高层调度 Ø MAC层通过限制TFCS,改变下发数据速率 Ø 优点:引入的干扰相对较少 Ø 缺点:高层(层二)处理复杂,仅适用于非实时数据业务 压缩模式(四) l 关键问题 è FDD小区搜索性能,互补的样式序列 压缩模式 è 功控性能 Ø 压缩时隙后的功率发射:尽可能跟上无线信道的变化 Ø 恢复期的功控过程:加速功控的收敛过程 Ø 压缩帧中的功控:ITP Ø 恢复期中的功控:RPP Ø 功控补偿:DeltaSIR,DeltaSIRAfter è 跟踪性能 Ø 由于存在时钟漂移,因此为减小频率切换时的小区同步丢失,TGPL不能过大。(失步时间一般在300ms左右) è 干扰控制 Ø 压缩模式方式的选择 è 压缩模式的同步 Ø 启动同步 – CFN以256为周期循环 – UE和NodeB接收信令时延不同 – 保证UE和NodeB的启动时刻不会相差256 Ø 软切换同步 – 压缩模式启动后切换策略仍然是软切换优先 – 软切换有可能发生在不同NodeB间 – 保证新加入无线链路与原链路的压缩帧同步 压缩模式序列的约束 l 约束 è gap不能重叠:一帧中不能包含多个gap è 每一帧最多只能压缩7个slot è 不能连续存在三个压缩帧 è 多条压缩模式并行运行时,仍需满足以上要求 è TGPL1必须等于TGPL2 è 每条压缩模式样式序列仅能用于一种测量目的 è 上下行压缩模式样式序列参数不能单独配置 压缩模式序列参数示意图 常用参数(一) l TGCFN:压缩模式起始帧号 l TGSN:压缩模式起始时隙号 l TGL1:压缩空隙1长度 l TGL2:压缩空隙2长度 l TGD:压缩空隙2相对于TGSN的时隙偏移量 l TGPL1:压缩模式样式1长度 l TGPL2:压缩模式样式2长度 l 帧模式 è 单帧模式:一个完整的压缩空隙在一帧内 è 双帧模式:一个完整的压缩空隙分布在两个帧中 l 帧类型 è Frame Type A:获得最大的压缩空隙 è Frame Type B:在压缩空隙的固定位置插入TPC比特,提高中高速的功控性能,与ITP一起考虑 常用参数(二) l 功控参数 è RPP:恢复期上行链路功控模式 è ITP:压缩空隙后第一个时隙初始发射功率的模式 è DeltaSIR1:TGL1所在帧下行链路目标SIR增加值 è DeltaAfterSIR1:TGL1所在帧后一帧的下行链路目标SIR增加值。 è DeltaSIR2:TGL2所在帧下行链路目标SIR增加值 è DeltaAfterSIR2:TGL2所在帧后一帧的下行链路目标SIR增加值。 异频硬切换目录 l 异频硬切换压缩模式启动算法 l 异频硬切换分层小区速度估计算法 l 异频硬切换判决算法 l 同频硬切换执行细节 异频硬切换压缩模式启动算法 l 测量启动条件 è 2D事件:当前使用频率质量低于某一绝对门限,用于启动压缩模式。 è 速度估计算法判决启动异频测量 l 测量停止条件 è 2F事件 è 最优小区变更后,最优小区中不包含异频邻近小区 è 异频测量定时器超时。 è UE速度估计状态改变,分层小区算法中判决关闭相应的异频测量 è 硬切换时,如覆盖原因触发,则切换同时停止 异频硬切换分层小区速度估计算法 l 当UE位于分层小区覆盖范围内,启动速度估计算法 è 依据一定时间内的切换事件,判断UE速度是否符合当前层的要求 Ø UE速度估计结果为中速,维持在当前层 Ø 如果判断结果为高速,切换到高层网络,如果为低速,切换到低层网络 è 依据速度判决结果,如果采用异频分层,启动异频盲切换或者异频测量切换流程。当采用同频分层时,进行同频硬切换。 异频硬切换判决算法 l 异频硬切换的判决 è 覆盖切换触发条件 Ø 2B事件:当前使用使用频率质量低于绝对门限,非使用频率质量高于另一绝对门限。 è 负载切换触发条件 Ø 2C事件:非使用频率质量高于一个绝对门限 。 2C事件中的质量门限用哪一种测量量来触发比较合适? l Ec/Io l 如果是异频同覆盖时,如果小区参数设置一致,则Ec/Io根据负载的变化而不同。 同频硬切换执行细节 l 执行方式 è 如果UE上报CFN-SFN信息 Ø 同步硬切换 – 使用原来的DOFF值 – CFN帧号连续 è 如果UE未上报CFN-SFN信息 Ø 定时重建的硬切换 – 重新配置DOFF – CFN帧号根据DOFF计算 HSDPA切换目录 l 概述 l HSDPA切换测量 l 服务小区变更算法 l HSDPA直接重试算法 l 服务小区更新流程 l 常用参数 HSDPA切换概述 l 范畴: è 涉及HSDPA的HS-DSCH信道的切换。 Ø HSDPA的服务小区更新 Ø HSDPA<->DCH l 思路: è 对于满足门限的业务,尽量使用HSDPA资源。为实现吞吐量的最大化,尽量使HS-DSCH的服务小区跟随激活集里的最好小区。 HSDPA的测量 l HSDPA切换的测量 è 测量类型:CPICH RSCP、CPICH Ec/N0、Pathloss è 测量处理:层一滤波、层三滤波 è 测量报告 Ø 周期报告 Ø 事件报告 – 报告类型:1A,1B,1C,1D – 事件转周期报告 服务小区变更算法 l 在活动集中改变HS-PDSCH信道的服务小区 è 根据1D事件判断最优小区,及时切换 è 切换后启动切换禁止定时器避免乒乓切换 l 硬切换时改变HS-PDSCH信道的服务小区 è 硬切换同时在目标小区建HSDPA信道 è 如果目标小区不支持HSDPA,则建立DCH信道 l 软切换时改变HS-PDSCH信道的服务小区 è 当最优小区不支持HSDPA时,而当前服务HSDPA小区切换删除时,尽量将数据业务建立在HSDPA信道上。 HSDPA直接重试算法 l 基于新建业务 è 当只建立信令连接的用户初始建立PS业务时,根据信到类型映射原则满足映射到HSDPA的条件,但当前小区没有HSDPA支持能力或者当前小区支持HSDPA但没有足够资源时,触发到非紧急盲切换小区(支持HSDPA且有可用资源)的直接重试 l 基于业务量 è 当用户如果在CELL-FACH状态下由于业务量而触发C->D的信道切换,满足映射到HSDPA的条件,但当前小区没有HSDPA支持能力,或者当前小区支持HSDP但没有足够资源时,触发到非紧急盲切换小区(支持HSDPA且有可用资源)的直接重试 服务小区更新流程 盲切换与直接重试目录 l 范围和触发条件 l RRC直接重试 l RRC重定向 l RAB直接重试 范围和触发条件 l RRC直接重试 è 初始信令连接建立,请求小区拒绝时使用 l RRC重定向 è 初始信令连接建立,请求小区拒绝时并且RRC直接重试失败 l RAB直接重试 è 信令建立成功,但是业务建立失败时使用 l 盲切换 è 异频负载平衡(到异频小区的盲切换) è RRC直接重试 è RAB直接重试 RRC直接重试(一) l 使用场景(一) è 异频同覆盖小区间 RRC直接重试(二) l 使用场景(二) è 同频邻区间,UE处于软切换区 RRC重试常用参数 ADD CELLDRD l 同频直接重试最大次数 INTRAFDRMAXNUM l 异频直接重试最大次数 DRMAXUMTSNUM l 异系统直接重试最大次数 DRMAXGSMNUM è 在首次接入失败后,允许发起重试的最大次数 l 候选集绝对门限 CSTHRESHOLD è 直接重试候选集绝对门限,RACH测量报告中小区进入候选集的基本门限。此门限是UE正常通信所要求的最小Ec/N0值。 ADD INTERFREQNCELL l 盲切换优先级 BLINDHOPRIO RRC重定向 l 应用场景 è UE发起信令连接失败,并且RRC重试失败 RRC直接重试和重定向的说明 l 触发条件必须为信令准入失败 è 如果信令不做准入(直接允许接入),算法失效。只有在拥塞时才有效。 è 如果信令做准入,由于信令通常速率较低(3.4k), 所以触发的概率可能也较低。只有在小区拥塞时触发概率才较高。 l 优缺点比较: è RRC直接重试,用户感觉到的时延较小 è RRC重定向更灵活,且可以重选到GSM小区,但用户感觉到的延迟较大 RAB直接重试 l 使用场景 RRC直接重试和RRC重定向的流程区别? RRC直接重试和RRC重定向的触发条件 20/20
展开阅读全文

开通  VIP会员、SVIP会员  优惠大
下载10份以上建议开通VIP会员
下载20份以上建议开通SVIP会员


开通VIP      成为共赢上传

当前位置:首页 > 教育专区 > 其他

移动网页_全站_页脚广告1

关于我们      便捷服务       自信AI       AI导航        抽奖活动

©2010-2025 宁波自信网络信息技术有限公司  版权所有

客服电话:0574-28810668  投诉电话:18658249818

gongan.png浙公网安备33021202000488号   

icp.png浙ICP备2021020529号-1  |  浙B2-20240490  

关注我们 :微信公众号    抖音    微博    LOFTER 

客服