收藏 分销(赏)

消防软管卷盘和轻便龙头.doc

上传人:pc****0 文档编号:7549441 上传时间:2025-01-09 格式:DOC 页数:8 大小:169KB 下载积分:10 金币
下载 相关 举报
消防软管卷盘和轻便龙头.doc_第1页
第1页 / 共8页
消防软管卷盘和轻便龙头.doc_第2页
第2页 / 共8页


点击查看更多>>
资源描述
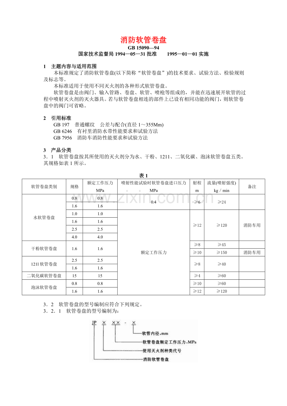
消防软管卷盘 GB 15090—94 国家技术监督局1994—05—31批准 1995—01—01实施   1 主题内容与适用范围 本标准规定了消防软管卷盘(以下简称“软管卷盘”)的技术要求、试验方法、检验规则及标志等。 本标准适用于使用不同灭火剂的各种形式软管卷盘。 软管卷盘是由阀门、输入管路、卷盘、软管、喷枪等组成的,并能在迅速展开软管的过程中喷射灭火剂的灭火器具。若与软管卷盘相连的部件上已设有相同功能的阀门,则软管卷盘中的阀门可省略。   2 引用标准 GB 197 普通螺纹 公差与配合(直径1~355Mm) GB 6246 有衬里消防水带性能要求和试验方法 GB 7956 消防车消防性能要求和试验方法   3 产品分类 3.1 软管卷盘按其所使用的灭火剂分为水、干粉、1211、二氧化碳、泡沫软管卷盘五类。其规格如表1所示。   表1 软管卷盘类别 规格 额定工作压力 MPa 喷射性能试验时软管卷盘进口压力 MPa 射程 m 流量(喷射强度) kg/min 备注 水软管卷盘 0.8 0.8 0.4 ≥6 ≥24   1.6 1.6 1.0 1.0 额定工作压力 ≥12 ≥120 消防车用 1.6 1.6 2.5 2.5 4.0 4.0 干粉软管卷盘 1.6 1.6 ≥8 ≥45   ≥10 ≥150 消防车用 121l软管卷盘 2.5 2.5 ≥8 ≥40   1.6 1.6 二氧化碳软管卷盘 15 15 ≥4 ≥60   泡沫软管卷盘 0.8 0.8 ≥10 ≥60   1.6 1.6 ≥12 ≥120     3.2 软管卷盘的型号编制应符合下列规定。 3.2.1 软管卷盘的型号编制为:     使用灭火剂种类代号: S——水; Y——1211; T——二氧化碳; F——干粉; P——泡沫。 3.2.2 软管卷盘型号示例如下: 灭火剂为水、额定工作压力为0.8MPa、软管内径为19mm的软管卷盘,其型号为; JPS 0.8—19   4 技术要求 4.1 喷射性能 软管卷盘应按第5.1条规定进行喷射性能试验,试验结果应符合表l规定。 在20±5℃时,蛋白泡沫灭火剂的发泡倍数应不小于6.0倍,25%析液时间应不小于90s;合成型泡沫灭火剂的发泡倍数应不小于5.0倍,25%析液时间应不小于60s。 4.2 密封性能 软管卷盘应按第5.2条规定进行密封性能试验.其任何部位均不得渗漏,软管缠绕轴应不发生明显变形。 4.3 卷盘管路的耐压性能 卷盘管路应按第5.3条规定进行水压试验。管路各部分不得有可见变形。水压试验的压力为额定工作压力的1.5倍。经过耐压试验后卷盘应能正常使用。 4.4 耐腐蚀性能 软管卷盘应按第5.4条规定,进行盐雾腐蚀试验。其表面应无起层、剥落或肉眼可见的点蚀凹坑。经过盐雾腐蚀试验后的软管卷盘应能正常操作。 4.5 抗载荷性能 对使用时暴露在外的软管卷盘,应按第5.5条规定进行抗载荷性能试验。试验后其密封性能应符合第4.2条规定。 4.6 结构要求 4.6.1 在软管卷盘内应有清除通路内残留灭火剂的措施。 4.6.2 卷盘旋转部分应能绕转臂的固定轴向外作水平摆动,摆动角应不小于90°。 4.6.3 单人使用的软管卷盘应设有保险机构,保证未打开进口阀时,软管不能展开。 4.6.4 卷盘进口阀的开启和关闭方向应有明显的标志。顺时针方向为关闭。 4.6.5 软管与卷盘的连接应保证软管缠绕时.靠近连接部位的软管不扁瘪。 4.7 转动性能 单人使用的软管卷盘,其转动的启动力矩应不大于20N·m。其余软管卷盘的启动力矩应不大于120N·m。 4.8 外观质量 卷盘表面应进行耐腐蚀处理。涂漆部分的漆层应均匀。 4.9 喷枪性能 4.9.1 喷枪应带有开关,且“开”与“关”的转换应由一个动作完成。 4.9.2 使用水的喷枪应为直流型或直流喷雾混合型。 4.9.3 喷枪的螺纹应符合GBl97中内螺纹7H级、外螺纹8g级的要求。螺纹应表面光洁、牙形完整。 4.9.4 喷枪在软管卷盘1.5倍额定工作压力下不得产生明显变形或断裂现象。 4.9.5 喷枪应按5.7.3条规定,从离地面1.50m高处自由落下。试验后喷枪应无碎裂并能正常操作使用。 4.9.6 使用1211和二氧化碳的软管卷盘的喷枪,其握持部位应有隔热措施。二氧化碳软管卷盘的喷枪还应有除静电措施。 4.10 软管性能 4.10.1 软管的规格及其内径,长度和相应的极限偏差应符合表2规定。   表2 mm 规格 内 径 长 度(m) 公称尺寸 极限偏差 基本尺寸 极限偏差(%) 13 13 ±0.8 15、20 25、30 ±1.0 16 16 19 19 25 25 ±1.2 30 40 60 32 32 38 38   4.10.2 软管的额定工作压力应与软管卷盘相同。软管的试验压力,爆破压力应分别为额定工作压力的1.5倍和3.0倍。分别不得有渗漏现象和破裂现象。 4.10.3 软管在额定工作压力下,外径的膨胀率应在-5%~+7%范围内。 4.10.4 软管在额定工作压力下的轴向伸长率应在-6%~+10%范围内。 4.10.5 除二氧化碳卷盘的软管外,其余软管应按第5.8.3条规定弯曲。弯曲后其外径增加率不得大于初始值的10%。 4.10.6 软管应按第5.8.4条规定的条件进行低温试验。在-5℃的低温试验后,软管应能立即展开。无卷曲现象,并能再次缠绕,且在额定工作压力下无渗漏。在低温条件下工作和使用二氧化碳的软管其试验温度为-30℃。 4.10.7 软管衬里及覆盖层材料的物理机械性能应符合相应材料的国家标准或行业标准的规定。 4.10.8 软管外表应无破损、划伤,局部隆起。   5 试验方法 5.1 喷射性能试验 在20土5℃条件下进行喷射性能试验。 5.1.1 射程 将软管展开,调节喷枪轴线使其仰角为30±2°,喷枪口中心到地面高度为1±0.05 m。将喷枪偏离测量方向,按表1规定将软管进口压力调节到规定值并开始喷射。然后将喷枪口转向测量方向,测出灭火剂喷洒密集中心到喷枪口在地面投影的距离,即为软管卷盘的射程。 对于1211和二氧化碳软管卷盘,在进行喷射性能试验时,则使其喷枪轴线成水平。测出1211和二氧化碳气体最集中处中心位置与喷枪口间的水于距离,即为软管卷盘的射程。 测得的射程应符合第3.1条的相应规定。 5.1.2 流量(喷射强度) 5.1.2.1 对于使用水和泡沫的软管卷盘,在将进口压力调节到表1规定值后,即向容器内喷射60s,测出容器内积液的质量即为流量。 5.1.2.2 对于使用其他灭火剂的软管卷盘,可在测定射程的同时用秒表测定灭火剂开始喷出枪口至射程测定结束的时间间隔,但时间间隔应不少于30s。然后测出试验前和喷射结束时灭火剂容器的质量差。用式(1)计算该软管卷盘的流量(喷射强度)g,所得结果应符合表1相应规定。 (1) 式中:q——软管卷盘的流量(喷射强度),kg/min; Q——灭火剂的喷射量,kg; t——喷射时间,min。 5.1.3 发泡倍数和25%析液时间 泡沫软管卷盘的发泡倍数和25%析液时间的测定按GB 7956第3.1.5条进行。其结果应符合本标准第4.1条规定。 5.2 密封性能试验 5.2.1 使软管完全缠绕,将软管卷盘进口端与水压试验台相连。并使管路灌满水,关闭喷枪、缓慢升压至额定工作压力,保压2min,卸压后将软管全部展开,检查软管缠绕轴是否变形,再升压至该压力,保压2min,结果应符合4.2条规定。 5.2.2 水压试验台应符合第5.3.2条规定。 5.3 卷盘管路的耐压试验 5.3.1 去除软管及喷枪。使余下部分的进口与水压试验台相连。将管路灌满水,封闭出口端。缓慢升压至第4.3条规定的压力,保压2min,结果应符合第4.3条规定。 5.3.2 水压试验台应符合下列要求 5.3.2.1 水压源的额定工作压力应不低于相应软管的爆破压力。 5.3.2.2 当系统内水压不大于3.0MPa时,压力显示器所显示的压力波动值应不大于±0.03MPa,水压大于3.0MPa时,压力波动值应不大于±0.05MPa。 5.3.2.3 压力显示器的下限为o,上限应在试验所需压力值的1.5~3.0倍范围内,精度不低于±1.5%。 5.4 耐腐蚀性试验 5.4.1 去除软管,将其余部分的表面用中性清洁液浸泡清洗,再用清水漂洗,干燥后将其悬挂在盐雾箱内,并使旋转轴垂直于地面。 5.4.2 盐雾腐蚀试验的试验条件如下: 盐溶液浓度 50±1g/L; 盐雾沉降率 1.0~2.0ml/h(在80cm2水平收集区内); 盐溶液住35℃时的pH值应保持在6.5~7.2范围内; 盐雾箱内存放试佯的空间温度勾35±2℃: 96 h内连续喷射。 5.4.3 盐雾试验后,用单手检查转动部分.看其能否正常转动。将试样在室内干燥1 h后用不超过40C的温水漂洗,待其干燥后检查试样表面状况。结果应符合第4.4条规定。 5.5 抗载荷试验 5.5.1 如图l所示。按制造厂规定的安装方法,将试样固定安装在冲击试验架亡,使试样通路灌满水,然后将截面为100mm×25 mm。长度比卷盘两侧板间距略长的钢板平放在两侧板上;将质量25kg、直径125mm的重锤从高处自由落下冲击钢板1次。重锤底面距钢板上平面300mm,落点为两侧板的中央位置。冲击后再按第5.2条进行试验,其结果应符合第4.2条规定。     5.5.2 按第5.5.1条规定安装试样并灌水。如图2所示在卷盘侧板上悬挂质量为80kg的砝码。72h后去除砝码.再按第5.2条规定进行试验,其结果应符合第4.2条规定。旋转轴仅为1个支承点的卷盘,悬挂点应距支承点最远。旋转轴多于1个支承点的,悬挂点应通过各支承点的支承中心。     5.6转动性能试验 使软管完全缠绕,在卷盘两侧板外沿连线中点悬挂重物,逐渐增加悬挂物质量,直至卷盘开始旋转。计算悬挂物所产生的力矩,结果应符合第4.7条规定。 5.7 喷枪性能试验 5.7.1 用螺纹环塞规检验喷枪上的螺纹,结果应符合第4.9.3条规定。 5.7.2 将喷枪安装在水压试验台上,灌水并排除喷枪内的空气,缓慢升压至第4.9.4条规定的试验压力,保压2min,结果应符合4.9.4条规定。 5.7.3 喷枪分别以喷嘴,开关朝下的位置,悬挂在试验架上,从离地1.50±0.05m的高度自由落在厚10cm的钢筋水泥制成的平台上。每个试样的每个位置重复跌落3次。结果应符合第4.9.5条规定。 5.8软管性能试验 5.8.1 软管内径的检验方法应符合GB 6246第2.1条规定。其中D1、D2如表3所示。   表3 mm 规格 通 规 D1 止规 D2 公称尺寸 极限偏差 公称尺寸 极限偏差 13 12.2 +0.092 +0.058 13.8 0 -0.035 16 15.2 16.8 19 18.2 0.110 +0.070 19.8 0 -0.040 25 24.2 25.8 32 30.8 +0.135 +0.085 33.2 0 -0.050 38 36.8 39.2   5.8.2 软管的耐压试验方法及膨胀率、伸长率的试验方法按.GB 6246第2.3条和第2.4条规定。其结果应符合本标准第4.10.2至第4.10.4条规定。 5.8.3 在软管任意点上做标记,测定标记点处的软管外径。使软管在光滑轴上缠绕一周,且使标记点处于缠绕段上。将软管一端夹在轴上,另一端悬挂质量为4.5kg的砝码,沿光滑轴线平行方向测定此时标记点处的外径,其结果应符合第4.10.5条规定。内径为13、16mm的软管,光滑轴直径为150mm,其余内径的软管光滑轴直径为200mm。 软管外径变化率用式(2)表示。 (2) 式中:β——软管外径变化率,%; d1——吊重前标记点处软管外径,mm; d2——吊重后标记点处软管外径,mm。 5.8.4 将软管缠绕在第5.8.3条规定的光滑轴上并置于低温箱内。将低温箱调到第4.10.6条规定的温度,放置10h,取出后立即展开并重新缠绕,其结果应符合第4.10.6条规定。从最内层割取1.20m长的——段软管,置于室温下1h,再在额定工作压力下进行水压试验,软管应无渗漏。 5.8.5 软管衬里及覆盖层的物理机械性能试验方法应符合相应材料的国家标准或行业标准的规定。 5.8.6 软管的外观质量用目测方法检验,结果应符合第4.10.8条规定。   6 检验规则 6.1 产品必须经过工厂质量检验部门按出厂检验项目检验合格方能出厂。 6.2 出厂检验的样本数应符合表4规定,但不得少于2台。 6.3 出厂检验项目如表4所示。   表4 序号 出厂检验项目 样本大小 1 软管卷盘喷射性能 批量的10% 2 软管卷盘密封性能 批量的10% 3 软管卷盘转动性能 全数检验 4 卷盘管路的耐压性能 批量的10% 5 软管卷盘的结构要求 全数检验 6 软管卷盘的外观质量 全数检验 7 喷枪开关的结构要求 全数检验 8 喷枪螺纹精度及表面要求 批量的10% 9 喷枪的耐压性能 批量的10% 10 软管的内径 批量的10% 11 软管的耐压性能 批量的10% 12 软管的膨胀率 批量的10% 13 软管的延伸率 批量的10% 14 软管外径增加率 批量的10% 15 软管的外观质量 全数检验   6.4 有下列情况之一时,须进行型式试验。 a. 生产厂新试制产品时; b. 改变工艺、结构、材料、部件并对产品性能可能产生影响时; c. 停产6个月以上再生产时; d. 正常连续生产半年时。 6.5 型式试验的项目为本标准规定的全部项目。 6.6 型式试验的样本数不得少于2台。 6.7 型式试验的项目应全部符合标准方为合格。   7 标志 7.1 应在卷盘位置标出型号、规格、商标(或厂名)、生产年月、编号等内容。 7.2 应在使用者显见的位置用文字和图形注明正确使用方法和定期检查要求。       附加说明: 本标准由中华人民共和国公安部提出。 本标准由全国消防标准化技术委员会第五分技术委员会归口。 本标准由公安部上海消防科学研究所负责起草。
展开阅读全文

开通  VIP会员、SVIP会员  优惠大
下载10份以上建议开通VIP会员
下载20份以上建议开通SVIP会员


开通VIP      成为共赢上传

当前位置:首页 > 百科休闲 > 其他

移动网页_全站_页脚广告1

关于我们      便捷服务       自信AI       AI导航        抽奖活动

©2010-2026 宁波自信网络信息技术有限公司  版权所有

客服电话:0574-28810668  投诉电话:18658249818

gongan.png浙公网安备33021202000488号   

icp.png浙ICP备2021020529号-1  |  浙B2-20240490  

关注我们 :微信公众号    抖音    微博    LOFTER 

客服