收藏 分销(赏)

超声波雷达的试验研究.doc

上传人:xrp****65 文档编号:7018441 上传时间:2024-12-25 格式:DOC 页数:5 大小:523.50KB 下载积分:10 金币
下载 相关 举报
超声波雷达的试验研究.doc_第1页
第1页 / 共5页
超声波雷达的试验研究.doc_第2页
第2页 / 共5页


点击查看更多>>
资源描述
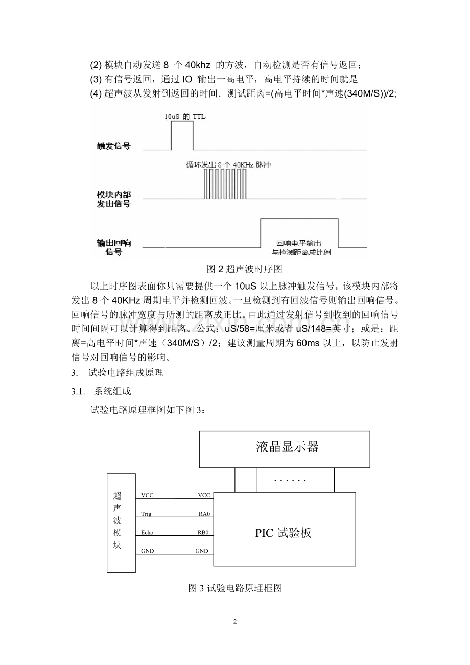
超声波雷达的试验研究 詹百宁 (宜昌市葛洲坝中学) 摘 要 本文通过对超声波雷达的试验研究,提供了一个可行实用的超声波测距雷达的软硬件实现方案。 关键词 超声波 测距 雷达 1. 引言 超声波在我们的生活乃至于动物界中,都起着很重要的作用, 虽然说人类听不出超声波,但不少动物却有此本领。它们可以利用超声波“导航”、追捕食物,或避开危险物。大家可能看到过夏天的夜晚有许多蝙蝠在庭院里来回飞翔,它们为什么在没有光亮的情况下飞翔而不会迷失方向呢?原因就是蝙蝠能发出2~10万赫兹的超声波,这好比是一座活动的“雷达站”。蝙蝠正是利用这种“雷达”判断飞行前方是昆虫,或是障碍物的。那么人类是怎样利用超声波的呢?本文通过对超声波雷达的试验研究,验证了一种超声波雷达的应用方案。 2. 超声波模块介绍 本文提到的超声波模块实物图如下图1: 图1 超声波测距模块 2.1. 模块主要特点 模块主要特点如下: 1. 典型工作电压:5V。 2. 超小静态工作电流:小于2mA。 3. 感应角度:不大于15 度。 4. 探测距离:2cm-400cm 5. 高精度:可达0.3cm。 6. 盲区(2cm)超近。 模块使用方法: 控制口发一个10US 以上的高电平,就可以在接收口等待高电平输出。一有输出就可以开定时器计时,当此口变为低电平时就可以读定时器的值,此时就为此次测距的时间,方可算出距离.如此不断的周期测,就可以达到你移动测量的值了。 2.2. 模块工作原理 (1) 采用 IO 触发测距,给至少10us 的高电平信号; (2) 模块自动发送8 个40khz 的方波,自动检测是否有信号返回; (3) 有信号返回,通过IO 输出一高电平,高电平持续的时间就是 (4) 超声波从发射到返回的时间.测试距离=(高电平时间*声速(340M/S))/2; 图2超声波时序图 以上时序图表面你只需要提供一个10uS以上脉冲触发信号,该模块内部将发出8个40KHz周期电平并检测回波。一旦检测到有回波信号则输出回响信号。回响信号的脉冲宽度与所测的距离成正比。由此通过发射信号到收到的回响信号时间间隔可以计算得到距离。公式:uS/58=厘米或者uS/148=英寸;或是:距离=高电平时间*声速(340M/S)/2;建议测量周期为60ms以上,以防止发射信号对回响信号的影响。 3. 试验电路组成原理 3.1. 系统组成 试验电路原理框图如下图3: 超声波模块 PIC试验板 液晶显示器 Trig RA0 VCC VCC Echo RB0 GND GND . . . . . . 图3试验电路原理框图 3.2. PIC单片机简介 PIC试验板用的主要芯片是PIC16F877A,其主要特点如下: (1) 具有高性能RISC CPU (2) 仅有35条单字指令 (3) 带有预分频器的8位定时器/计时器 (4) 2个捕捉器,比较器,PWM模块 (5) 其中:捕捉器时16位,最大分辨率为12.5ns (6) 比较器是16位,最大分辨率为200ns (7) PMW最大分辨率为是10位 3.3. 主要硬件接口设计 RA0接超声波模块的控制端。 RB0接超声波模块的接收端。 RA1~3,RC0~7接液晶显示器相应接口。 4. 软件设计 4.1. 初始化 根据前述硬件接口设计,主要接口初始化如下: RA0初始化为输出口。 RB0初始化为中断口。 RA1~3,RC0~7为输出口。 Timer0初始化为定时器模式,每100uS中断。 4.2. 中断控制设计 static unsigned int time_ms; 定义一个无符号整形数time_ms用于计时。 static unsigned int time_ms1; 定义一个无符号整形数time_ms1用于记录脉冲宽度的时间。 Timer0每100uS中断一次,time_ms增加1。 RB0中断时将当前的time_ms赋值给time_ms1。 4.3. 脉冲宽度测量的实现 根据图2的时序图,通过RA0,产生一个10uS宽的触发信号;当RB0由低电平变为高电平时,将time_ms清零;RB0由高电平到低电平时将产生中断,中断时将当前的time_ms赋值给time_ms1,因此,这个值就代表了超声波发送到回响的时间间隔。 4.4. 显示功能的实现 试验为了简化,显示器只显示测量的时间值,未换算为距离,限于篇幅具体描述从略。 4.5. 软件工作流程图 软件工作流程图如图4 图4 程序流程图 5. 结语 通过对墙壁测试,对测量值利用计算器计算出距离,其误差小于2cm,最小可测量距离约3cm,最远距离约400cm。试验表明这个超声波测距模块可以用于3cm~4m的测距应用。 超声波雷达有着广泛的运用,利用超声波可以更准确的获得人体内部疾病的信息,这就是b超,还有声呐装置也是利用超声波,甚至汽车上的倒车雷达也是用的超声波雷达原理。 本文介绍的软硬件设计为超声波雷达的应用提供了一种可行的实用技术方案。 参考文献 1. 超声波测距模块(HC-SR04)用户手册 2. MCD-demo使用说明书 3. PIC16F87X等数据手册 4. 何希才,任力颖,杨静.实用传感器接口电路实例.中国电力出版社,2007. 5
展开阅读全文

开通  VIP会员、SVIP会员  优惠大
下载10份以上建议开通VIP会员
下载20份以上建议开通SVIP会员


开通VIP      成为共赢上传

当前位置:首页 > 包罗万象 > 大杂烩

移动网页_全站_页脚广告1

关于我们      便捷服务       自信AI       AI导航        抽奖活动

©2010-2026 宁波自信网络信息技术有限公司  版权所有

客服电话:0574-28810668  投诉电话:18658249818

gongan.png浙公网安备33021202000488号   

icp.png浙ICP备2021020529号-1  |  浙B2-20240490  

关注我们 :微信公众号    抖音    微博    LOFTER 

客服