收藏 分销(赏)

国英置业公司工程管理操作流程手册.doc

上传人:仙人****88 文档编号:7011852 上传时间:2024-12-24 格式:DOC 页数:76 大小:2.49MB 下载积分:10 金币
下载 相关 举报
国英置业公司工程管理操作流程手册.doc_第1页
第1页 / 共76页
国英置业公司工程管理操作流程手册.doc_第2页
第2页 / 共76页


点击查看更多>>
资源描述
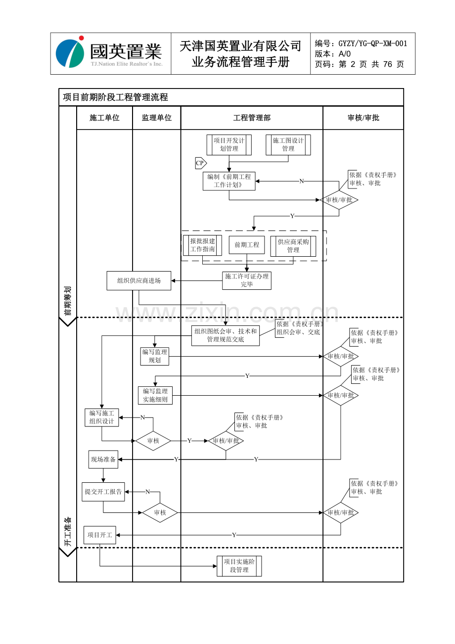
天津国英置业有限公司 业务流程管理手册 编号:GYZY/YG-QP-XM-001 版本:A/0 页码:第 2 页 共 76 页 项目前期阶段工程管理流程 编制 日期 审核 日期 批准 日期 修订记录 日期 修订状态 修订内容 修订人 审核人 批准人 天津国英置业有限公司 业务流程管理手册 编号:GYZY/YG-QP-XM-002 版本:A/0 页码:第 7 页 共 76 页 1. 目的 规范项目开工管理,保证项目如期顺利开工。 2. 适用范围 适用于本公司开发所有项目前期阶段的工程管理和控制。 3. 术语和定义 3.1. 项目前期阶段工程管理:就是在项目开工前,为成功地实现项目目标而进行的全过程、全方位的计划、组织、控制与协调。 4. 职责 参见《流程图》及工作程序。 5. 工作程序 5.1. 新项目组织的成立 5.1.1. 土地获取后,综合管理部根据《项目开发节点计划(二级节点)》要求,组织项目公司组建(如需)和关键岗位配置,依据《责权手册》进行审核、审批; 5.1.2. 工程管理部根据《项目开发总体计划》,编制《前期工程工作计划》,依据《责权手册》进行审核、审批; 5.2. 水文地质勘测 5.2.1. 工程管理部负责确定水文地质勘测单位,并组织水文地质勘测和市政配套设施征询工作; 5.2.2. 水文地质勘测单位提供水文地质勘测成果报告,为基础设计和施工提供依据。 5.3. 施工环境调查 工程管理部组织负责调查并填写《施工现场环境、地下管线调查表》,对可能造成工程延期或费用索赔的施工环境尽可能进行实际调查和掌握,主要内容如下: a) 设计阶段尚未发现,并在图上尚未示明的地下建筑物、地下管线; b) 工程占地范围内尚未拆迁的建筑物及其它建筑物; c) 施工前尚不能按时交接的工程与占地和有争议的工程占地; d) 施工中可能危及安全的建筑物及设施。 5.4. 前期施工管理 5.4.1. 工程管理部负责组织前期水电报建; 5.4.2. 三通一平完毕后,工程管理部组织验收,对现场地形标高进行测量,并请测绘部门进行验线。 5.4.3. 工程管理部按照《工程供应商采购管理流程》确定监理单位和总包单位,按《材料设备供应商采购管理流程》的要求确定供应商,并进行相关材料设备采购、准备; 5.4.4. 工程管理部负责办理《施工许可证》。 5.5. 项目开工现场准备 5.5.1. 工程管理部负责监理单位组织和总承包商进场,进行场地移交并办理移交手续; 5.5.2. 工程管理部组织向监理单位和总承包商进行现场情况和管理规范交底,参照《工程安全文明管理作业指引》; 5.5.3. 总承包商负责现场准备,工程管理部、监理单位负责检查总承包商现场准备情况,保证其满足本公司现场CI形象要求及施工合同相关条款要求。 5.6. 项目开工技术准备 5.6.1. 施工单位分别编制《施工组织设计》和《施工进度计划》,由监理进行审核,并提交工程管理部依据《责权手册》进行审核、审批后执行; 5.6.2. 监理单位分别编制《监理大纲》和《监理实施细则》,提交工程管理部,依据《责权手册》进行审核、审批后执行; 5.6.3. 工程管理部组织图纸会审核和技术交底(可与5.6.2一起进行),具体操作依据《图纸审核与会审作业指引》; 5.6.4. 监理单位负责对总承包商的审查: a) 审查总承包商提交的测量放线控制成果和保护措施; b) 审查总承包商的质量管理体系、技术管理体系和质量保证体系; c) 审查总承包商提供的专业分包商的资格。 5.7. 项目开工 5.7.1. 总承包商在开工前向监理单位提交开工申请报告,监理审核后提交工程管理部,按照《责权手册》审核、审批后开工。 5.7.2. 监理单位在批准工程开工时,必须落实如下条件是否具备: a) 政府主管部门已签发“建设开工许可证”; b) 施工图已会审; c) 施工组织设计已审批; d) 测量控制桩已查验合格; e) 施工现场道路、水、电、通信等具备开工条件; f) 施工单位的各项准备工作已就绪; g) 监理规划和基础部分监理细则已审核。 6. 支持性文件 6.1. 《项目开发计划管理作业指引》 GYZY/YG-WI-JH-001 6.2. 《工程安全文明管理作业指引》 GYZY/YG-WI-XM-003 6.3. 《图纸审核与会审作业指引》 GYZY/YG-WI-SJ-002 7. 相关记录 7.1. 《前期工程工作计划》 GYZY/YG-QR-XM-001 7.2. 《施工现场环境、地下管线调查表》 GYZY/YG-QR-XM-002 项目实施阶段工程管理流程 编制 日期 审核 日期 批准 日期 修订记录 日期 修订状态 修订内容 修订人 审核人 批准人 天津国英置业有限公司 业务流程管理手册 编号:GYZY/YG-QP-XM-003 版本:A/0 页码:第 12 页 共 76 页 1. 目的 通过检查监督,使项目的质量、进度、成本及资源得到最合理的控制。 2. 适用范围 适用于本公司开发项目在施工过程中的质量、进度、成本、安全、现场协调以及工程验收的管理和控制。 3. 术语和定义 3.1. 项目工程管理:就是为成功地实现项目目标而进行的全过程、全方位的计划、组织、控制与协调。 4. 职责 参见《流程图》及工作程序。 5. 工作程序 5.1. 项目实施阶段: 5.1.1. 施工单位进场后,进行基坑工程施工。 5.1.2. 在基坑工程施工过程中,需进行普探、基坑防护,包括降水和护坡。 5.1.3. 在护坡施工前,基坑施工单位提出施工方案,由监理单位进行审核,必要时由成本管理部进行预算,工程管理部组织选择施工单位进行施工。 5.1.4. 基坑工程完成后,监理公司组织验收,由总承包单位进行基础工程施工。 5.1.5. 对于高层建筑, 由工程管理部组织相关勘察设计单位、检测单位试桩;若符合要求,则由施工单位放线,再组织组织相关测绘机构、规划部门、设计单位验线后开始工程桩施工;工程桩施工后,再组织相关勘察设计单位、检测单位检测验收。 5.1.6. 对于多层建筑,由施工单位进行地基处理,并放线,工程管理部组织相关部门、设计单位、勘察单位、监理单位、质检站验收。 5.1.7. 施工单位完成基础工程进入主体和安装、装饰工程等各分部分项工程的施工; 5.1.8. 监理公司监督施工单位的施工,并负责对各分部分项工程的验收,工程管理部组织验收;如验收合格,则进行下道工序,如不合格则需整改,直到最后合格为止。 5.1.9. 工程管理部在相应阶段组织各专项工程(包括规划、节能、环保、人防、消防等)的阶段验收。 5.1.10. 在各项验收前,必须先进行验收资料审查。 5.2. 工程管理要求 5.2.1. 工程管理部、成本管理部按照《工程质量控制作业指引》、《工程进度控制作业指引》、《工程安全文明管理作业指引》对工程的质量、进度、安全进行管理,并按月组织编制《项目工程月报》,确保工程按计划完成; 5.2.2. 工程管理部按照《工程图纸与档案管理作业指引》的要求指导相关资料的准备; 5.2.3. 工程管理部按照《材料设备供应商采购管理流程》的要求,组织施工过程需要的材料设备采购工作; 5.2.4. 成本管理部、工程管理部按照《成本管理流程》、《工程现场签证管理流程》、《设计变更管理流程》的要求进行成本动态管理;并按《合同管理流程》的要求进行合约履行情况进行监控; 5.2.5. 工程管理部按照《项目工程管理检查评估流程》、《对施工单位的检查考核指引》、《对监理单位的检查考核指引》的要求对项目的实施情况进行检查; 5.2.6. 各部门/管理层依据《责权手册》以及各业务流程、作业指引的要求,对工程实施阶段管理工作进行审核、审批。 6. 支持性文件 6.1. 《工程质量控制作业指引》 GYZY/YG-WI-XM-001 6.2. 《工程进度控制作业指引》 GYZY/YG-WI-XM-002 6.3. 《安全文明施工管理作业指引》 GYZY/YG-WI-XM-003 6.4. 《工程图纸与档案管理流程》 GYZY/YG-WI-XM-004 6.5. 《材料设备供应商采购管理流程》 GYZY/YG-QP-CG-002 6.6. 《成本管理流程》 GYZY/YG-QP-CB-001 6.7. 《设计变更管理流程》 GYZY/YG-QP-SJ-007 6.8. 《工程现场签证管理流程》 GYZY/YG-QP-XM-004 6.9. 《合同管理流程》 GYZY/YG-QP-CB-002 6.10. 《项目工程管理检查评估流程》 GYZY/YG-QP-XM-005 6.11. 《对施工单位检查考核作业指引》 GYZY/YG-WI-XM-005 6.12. 《对监理单位检查考核作业指引》 GYZY/YG-WI-XM-006 7. 相关记录 7.1. 《项目工程月报》 GYZY/YG-QR-XM-003 项目验收阶段工程管理流程 编制 日期 审核 日期 批准 日期 修订记录 日期 修订状态 修订内容 修订人 审核人 批准人 天津国英置业有限公司 业务流程管理手册 编号:GYZY/YG-QP-XM-004 版本:A/0 页码:第 18 页 共 76 页 8. 目的 规范地产开发公司所开发项目的工程质量符合各项验收标准,确保合格工程交付业主。 9. 适用范围 适用于本公司开发的所有项目工程竣工验收管理和控制。 10. 术语和定义 10.1. 工程验收:本指引规定的验收,即包括按照政府主管部门、按照法律法规对工程的验收备案及监督要求,也包括对承包商、分包商是否达到合同条件的验收。 11. 职责 参见《流程图》及工作程序。 12. 工作程序 12.1. 基本要求 在组织工程竣工验收前,工程管理部必须提请规划、消防、人防等部门进行专项验收,以取得合格文件或准许使用文件。 12.2. 工程验收符合下列条件: a) 完成工程设计和合同约定的各项内容; b) 工程竣工报告; c) 工程质量评估报告; d) 勘察、设计文件质量检查报告; e) 有完整的技术档案和施工管理资料(已通过建设工程档案预验收); f) 有工程使用的主要建筑材料、建筑配件和设备进场试验报告; g) 建设单位已按合同约定支付工程款; h) 有施工单位签署的工程质量保修书; i) 市政基础设施的有关质量检测和功能性试验资料; j) 有规划部门出具的规划验收合格证; k) 有公安消防部门出具的消防验收意见书; l) 有环保部门出具的环保验收合格证; m) 有监督站出具的电梯验收准用书; n) 燃气工程验收证明; o) 建设行政主管部门及其委托的监督等部门要求整改的问题已全部整改完成; p) 已按政府有关部门规定缴交工程质量安全监督费; q) 单位工程施工安全评价书。 12.3. 工程竣工验收前准备工作: 12.3.1. 工程完工后,施工单位进行内部自检和自检问题的改善,由施工单位编制《工程竣工报告》,经项目经理、单位法定代表人和技术负责人签字并加盖单位公章后,提交给监理公司核查。总监理工程师签署意见后提交给工程管理部。 12.3.2. 施工单位将工程技术资料(计划竣工验收前20个工作日提交)给监理公司审核,监理公司5个工作日内审核完毕,总监理工程师签署意见后送工程管理部。 12.3.3. 监理单位对工程质量进行质量评估(具备完整的资料),并提交《工程质量评估报告》(总监理工程师和监理公司法定代表人审核签名)给工程管理部。 12.3.4. 工程管理部组织对符合竣工验收要求工程,编制验收计划,依据《责权手册》进行审核、审批通过后,组织勘察、设计、监理、施工等单位和其他有关方面的专家组成验收组,制定验收方案。 12.3.5. 勘察、设计单位对勘察、设计文件及施工过程中由设计单位签署的设计变更通知书进行检查,并提交质量检查报告(报告经勘察、设计单位负责人和法定代表人审核签字盖章)给工程管理部。 12.3.6. 监理单位、工程管理部组织竣工预验收(本验收可与《房屋交付管理流程》中的物业移交检查验收同步进行),提出的整改意见,要求施工单位组织实施整改,工程管理部和监理公司进行监督并组织复验。如不合格则需继续整改,直到最后合格为止。 12.3.7. 工程管理部的工程技术资料及《工程竣工验收条件审核表》,在计划竣工验收前15日提交给监督站,监督站将抽查意见书面通知建设单位。 12.3.8. 工程管理部在工程竣工验收7个工作日前将验收时间、地点及验收组名单书面通知监督站。监督站将派员对工程竣工验收进行监督。 12.4. 工程竣工验收程序 12.4.1. 工程管理部组织工程竣工验收,负责编写竣工总结报告,汇报有关情况(报告内容包括:开场白、工程概况、办理了相关程序、各种证件的按时领取及达到可允许验收的条件)。 12.4.2. 在验收过程中,建设、勘察、设计、施工、监理单位分别汇报工程履约情况和在工程建设各个环节执行法律法规和工程建设强制性标准情况。 12.4.3. 验收组审阅建设、勘察、设计、施工、监理单位的工程档案资料。 12.4.4. 实地查验工程质量。 12.5. 验收报告 12.5.1. 验收组对工程勘察、设计、施工、设备安装质量和各管理环节等方面做出全面评价,并填写《工程竣工验收报告》。 12.5.2. 《工程竣工验收报告》内容主要包括工程概况,建设单位执行基本建设程序情况,对勘察、设计、施工、监理等方面的评价,工程验收时间、程序、内容和组织形式,工程竣工验收意见等内容,《工程竣工验收报告》还应附有下列文件: a) 施工许可证; b) 工程竣工报告; c) 工程质量评估报告; d) 勘察、设计文件质量检查报告; e) 消防验收文件或准许使用文件; f) 环保验收文件或准许使用文件; g) 市政基础的有关质量监测和功能性试验资料; h) 规划验收认可文件; i) 有监督站出具的电梯验收准用证及分部验收文件; j) 燃气工程验收文件; k)《建设工程质量保修书》; l) 提交《住宅质量保证书》、《住宅使用说明书》; m) 法规、规章规定须提供的其它文件。 12.6. 邀请监督站对工程竣工验收的组织形式、验收程序、执行标准等情况进行现场监督。 12.7. 资料备案移交 12.7.1. 工程管理部应当自工程竣工验收合格之日起15日内,依照规定,办理备案手续。 12.7.2. 由施工单位在工程管理部监督下将资料向档案馆移交,在备案部门领取备案表,由相关部门签署意见后,到质监机构刻录光碟,返回档案馆备案。 12.7.3. 备案后,工程管理部整理所有项目资料,向综合管理部办理档案归档移交。 13. 支持性文件 13.1. 《商品住宅建设项目验收管理办法》以及与项目相关的验收标准 13.2. 《项目实施阶段工程管理流程》 GYZY/YG-QP-XM-001 14. 相关记录 14.1. 《工程验收单》 GYZY/YG-QR-XM-004 14.2. 《工程验收整改意见表》 GYZY/YG-QR-XM-005 14.3. 《竣工验收(预验)申请表》 GYZY/YG-QR-XM-006 14.4. 其他表格参照当地主管部门的相关表格执行 工程现场签证管理流程 编制 日期 审核 日期 批准 日期 修订记录 日期 修订状态 修订内容 修订人 审核人 批准人 天津国英置业有限公司 业务流程管理手册 编号:GYZY/YG-QP-XM-005 版本:A/0 页码:第 24 页 共 76 页 1. 目的 为了加强现场签证管理,规范工作流程,有效地控制成本,提高现场签证的结算效率。 2. 适用范围 公司所有工程的现场签证管理工作。 3. 术语和定义 3.1. 现场签证是指对施工管理中发生的零星事件的确认。例如:地下障碍的清除迁移、销售通道的搭建、临时用工、各种技术措施处理、施工过程中出现的奖励和索赔问题、发包单位委托承包单位施工的零星工程(在施工合同之外)以及因设计变更导致已施工的部位需要拆除等。 3.2. 紧急签证是指必须立即执行而且延缓实施会造成更大损失的签证。 4. 职责 参见《流程图》及工作程序。 5. 工作程序 5.1. 现场签证的主要类型 a) 因设计变更导致已施工的部位需要拆除; b) 施工过程中出现的未包含在合同中的各种技术措施处理; c) 在施工过程中,由于施工条件变化、地下状况(土质、地下水、构筑物及管线等)变化,导致工程量增减,材料代换或其他变更事项; d) 发包单位在施工合同之外,委托承包单位施工的1万元以内的零星工程; e) 合同规定需实测工程量的工作项目; f) 红线外施工道路的修补(红线内的施工道路修补宜在合同中包干)。 5.2. 现场签证办理的原则 5.2.1. 一单一算原则:一个现场签证单应编制一份预算,且对应一个工程合同。如果签证内容简单,也可以一份预算对应多个签证单,但是该预算书内应根据不同签证单的内容分别列项。 5.2.2. 完工确认原则:当现场签证完工后,工程管理部和监理单位必须在完工后5日内签字确认,如属隐蔽工程,必须在其覆盖之前签字确认。 5.2.3. 权力限制原则:公司对现场签证管理实行严格的权限规定,不在权限范围之内的签字一律无效。 5.2.4. 普通签证的办理原则是“先估价后施工”,签证审批流程必须在10天内完成。 5.2.5. 紧急签证办理原则是“边洽边干”,但必须在开工后7日内办妥全部手续。 5.3. 现场签证的提出 5.3.1. 根据引起现场签证的主体不同,可以将现场签证分两种情况: a) 由甲方相关指令(如设计变更单、工作联系单等)引起现场签证 b) 除此之外施工单位根据现场施工条件主动提出的现场签证。 5.3.2. 当甲方确定发出相关指令会导致现场签证发生时,首先判断可能要发生的现场签证的性质是属于普通签证,还是属于紧急签证(详见3.2术语和定义)。 a) 如果属于普通签证,则按照“先估价,后施工”的原则执行,要求签证的审批在10内完成; b) 如果属于紧急签证,为确保不因执行时间延缓导致更大损失,则按照“边估价,边实施”的原则,由甲方发出相关指令,要求施工单位立即执行,同时要求必须在开工后7日内办妥全部审批手续。 5.3.3. 施工单位接到甲方指令后,根据甲方相关指令要求,提出办理现场签证的需求,填写《现场签证单》报监理单位审核。对于紧急签证,需立即执行相关指令进行施工,同时提出办理现场签证的需求,填写《现场签证单》报监理单位审核。 5.3.4. 除甲方指令引起签证发生之外,施工单位在日常施工过程中,也可以根据施工需要,提出现场签证需求,填写《现场签证单》报监理单位审核。 5.3.5. 施工单位填写《现场签证单》时,要求附上初步预算或工程量清单。 a) 如属实测实量的,需先确定单价,预估工程量; b) 如原合同中有单价约定的,按原单价计算; c) 如无合同或无单价约定的,则需事先确定,包括材料设备的认质认价; d) 如果是由设计变更引起的现场签证,且在设计变更审批过程中已经对签证费用进行过计算确定的,施工单位不需重新计算。 5.4. 现场签证的审批 5.4.1. 监理单位接到施工单位现场签证申请的,当日内到现场对工程变化情况进行调查,审核现场签证内容,并签署意见。 5.4.2. 工程管理部核实签证原因、事项,并签署意见。 5.4.3. 现场项目成本主管对签证预算进行审核。 a) 如果是由设计变更引起的现场签证,且在设计变更审批过程中已经对签证费用进行过计算确定的,现场项目成本主管和成本部对其中的签证费用进行核算; b) 对于其它情况引起的现场签证,现场项目成本主管和成本部需进行审核。 5.4.4. 根据《权责手册—成本管理》签证的审批权限,对签证进行审批。 5.4.5. 对于异地项目,工程签证的归口部门是项目公司工程管理部。工程技术部和现场项目成本主管负责现场签证的审核,按《权责手册—成本管理》审批权限报相关负责人审批。 5.5. 签证单的发放 5.5.1. 审批通过后,由工程管理部负责签证单的编号及发放; 5.6. 现场签证的实施管理 5.6.1. 施工单位按经审批通过的《现场签证单》内容组织实施,监理单位、工程管理部监督实施情况,并核实执行结果,对未按规定时间和任务完成的,督促整改,直至完成。 5.6.2. 现场项目成本主管负责工程量、造价的复核。 5.6.3. 现场签证施工结束后,工程管理部组织完成签证实施情况的核实工作,与监理单位、施工单位、现场项目成本主管共同在《现场签证单》中签字确认。 5.6.4. 隐蔽工程签证必须在隐蔽前完成验收手续和工作量确认。 5.7. 现场签证的结算 5.7.1. 项目对已完工的项目按《工程预结算编制及审核作业指引》进行结算。 5.7.2. 施工单位根据确认的签证内容,编制竣工结算,竣工结算需“一单一价”。7天之内完成结算,否则不予办理。 5.7.3. 施工单位每月25日前汇总上月20日至本月20日经工程管理部审核确认的现场签证结算,结算编制需“一单一价”,并附《 项目 年 月现场签证汇总表》,依据《责权手册》进行审核、审批。 5.8. 现场签证的汇总分析 5.8.1. 现场项目成本主管每月对现场工程签证情况进行汇总分析,形成《签证汇总表》。 5.8.2. 现场项目成本主管负责对完工的《现场签证签单》进行归档保存。 5.9. 其他管理要求 5.9.1. 《现场签证签单》字迹端正、语意清楚明了,必要时附上示意图,标明各种尺寸。 5.9.2. 签证单必须连续编号; 5.9.3. 隐蔽工程签证必须在隐蔽前完成验收手续,工作量确认; 5.9.4. 签证必须由甲、乙、监理三方签字后才有效; 5.9.5. 签证单需列出附带预算或各工作量计算稿,并画出草图; 5.9.6. 签证原件一般一式五份,乙方两份,监理一份,甲方两份(工程管理部一份,国英置业成本管理部/项目公司财务成本部一份)。 5.9.7. 工程管理部在办理承包商报送的现场签证时,要特别关注不合理签证,如发现不合理签证,须做好记录,说明不予签证的原因,并完成正常的审批程序,存档备案。 5.9.8. 不合理签证包括但不限于以下几种情况: a) 该签证已经办理,又出现的重复签证; b) 该签证的工作内容已经包括在合同中的,无需再办理的签证; c) 属于施工单位工作失误造成的工程签证,如,施工单位前期进度耽误造成后期赶工费用增加;施工单位因质量问题造成的工程返工,费用增加等; d) 签证所列的工程量内容从预算角度不应该单独列项,其已经包含在其他工程预算子目中。 6. 支持性文件 6.1 《设计变更管理流程》 GYZY/YG-QP-SJ-007 6.2 《工程预结算编制及审核作业指引》 GYZY/YG-WI-CB-002 7. 相关记录 7.1 《现场签证单》 GYZY/YG-QR-XM-007 7.2 《 项目 年 月签证变更汇总表》 GYZY/YG-QR-XM-008 项目工程管理检查评估流程 编制 日期 审核 日期 批准 日期 修订记录 日期 修订状态 修订内容 修订人 审核人 批准人 天津国英置业有限公司 业务流程管理手册 编号:GYZY/YG-WI-XM-001 版本:A/0 页码:第 53 页 共 76 页 1. 目的 对项目工程管理体系起到“规范、监督、支持、引导”的作用,达到自我诊断、持续改进的目的。 2. 适用范围 适用于工程系统管理体系的检查、评估工作。 3. 术语和定义 无 4. 职责 参见《流程图》及工作程序。 5. 工作程序 5.1. 公司层面的检查评估 5.1.1. 编制年度工程管理检查计划 5.1.1.1. 工程管理部负责组织编制公司《年度工程管理检查计划》,依据《责权手册》审核、审批后,由工程管理部组织实施各自在建项目工程管理工作的检查评估。 5.1.1.2. 《年度工程管理检查计划》列出检查的主要项目及其相关要求,所有在建项目每月进行一次检查。 5.1.1.3. 在编制计划时可考虑结合公司的计划检查和安全检查,一并进行。 5.1.2. 检查准备: 5.1.2.1. 工程管理部编写项目工程管理检查表,确定检查的具体内容及方法。 5.1.2.2. 工程管理部通知需检查项目部的检查时间。 5.1.3. 检查实施 5.1.3.1. 工程管理部检查人员(项目控制主管)通过交谈、查阅文件、观察工作现状、现场实物质量、安全文明管理情况获取证据。 5.1.3.2. 工程管理部检查成员对结果进行汇总,填写相关检查评分表单,具体按《对施工单位的检查考核指引》和《对监理单位的检查考核指引》要求进行。 5.1.4. 检查评估报告 5.1.4.1. 每次检查完成后,工程管理部检查人员编制《项目工程管理检查报告》,并在一周内向总经理及受检查的项目部提交《项目工程管理检查报告》。 5.1.4.2. 每月在对所有项目检查完以后,工程管理部检查人员编制《工程管理检查综述》,并在一周内向总经理提交《工程管理检查综述》。 5.1.5. 纠正措施 5.1.5.1. 项目部经理针对检查评估中提出的问题,组织分析原因,制定并实施纠正措施,将实施结果填写在《项目工程检查整改回复》中,在一周内提交给工程管理部。 5.1.5.2. 工程管理部负责纠正措施实施效果的验证,并将验证效果填写在《项目工程检查整改回复》中,达到关闭要求后由工程管理部存档。 5.1.6. 检查评估结果汇总公布: 5.1.6.1. 每月对所有在建项目检查评估完毕后,由工程管理部组织召开工程系统月度例会,对检查评估结果汇总公布。 5.1.6.2. 由工程管理部记录整理工程例会纪要。 5.2. 项目部对施工单位施工安全质量的检查 5.2.1. 项目部定期对施工单位现场施工管理进行检查。 5.2.2. 检查小组由监理公司、施工单位和建设单位共同组成。 5.2.3. 检查内容包括施工质量和进度、现场安全文明以及工程管理和技术资料等。 5.2.4. 检查方式主要采用现场实体检查,可根据项目实际情况确定具体打分方法: a) 例如可采用扣分法,根据检查结果进行考核打分,满分为100分,每发现一处问题扣5分(问题明显严重的经检查小组集体表决同意的可扣10分或15分等),检查后统计得分; b) 也可以采用评分法,对确定的分项,针对实际检查情况评定得分,然后汇总统计得分。 5.2.5. 检查小组对检查中发现的问题发出整改单,由相关施工单位实施整改,监理单位进行监督复验,项目部专业工程师参加复验。 5.2.6. 监理单位整理检查资料,项目部保存每次检查的资料,并每月报公司工程管理部归档。 6. 支持性文件 6.1. 《对施工单位的检查考核指引》 GYZY-YG-WI-XM-005 6.2. 《对监理单位的检查考核指引》 GYZY-YG-WI-XM-006 7. 相关记录 7.1. 《年度工程检查计划》 GYZY/YG-QR-XM-009 7.2. 《项目工程管理检查报告》 GYZY/YG-QR-XM-010 7.3. 《工程管理检查综述》 GYZY/YG-QR-XM-011 7.4. 《项目工程检查整改回复》 GYZY/YG-QR-XM-012 7.5. 《项目管理月报》 GYZY/YG-QR-XM-003 前期工程工作计划 工程名称 拟开工日期 编号 工作内容 计划完成日期 实际完成日期 责任人 1 施工图文件 2 市政配套意见 3 临水 4 临电 5 场地平整及开口 6 工程招标 7 监理招标 8 9 10 11 施工组织设计会审 12 施工准备审查验收 13 分包商、甲供材料进场计划的编制 (项目部) 日期 工程管理部 日期 表单编号:GYZY/YG-QR-XM-001 施工现场环境、地下管线调查表 编号: 工程名称 调查单位 施工场地位置: 计划开工时间: 调查内容: 经办人: 日期: 部门负责人: 日期: 审核意见: 部门负责人: 日期: 说明 工程开工前,工程管理部必须组织填写此表,经各方同意、确认现场环境、地下管线不影响工程施工后才可开工。本表作为公司资料存档。 附:场地平面图一份。 表单编号:GYZY/YG-QR-XM-002 项目工程月报 项目名称: 记录编号:项目名称-类别-年-月-日- 序号 (工程形象图片) 编制: 审核: 编制日期: 年 月 日 抄报单位: 抄送单位: 1.工程进度控制 1.1 本月计划 描述本月工地进度要求: 1.2本月完成 描述本月工地进度情况: 1.3进度的主要问题及对策 影响工程进度的原因: 1.4下月计划 2.工程质量控制 2.1质量情况 2.2施工队伍评价 2.3质量文件 2.4质量专题会议 2.5奖励/罚款 2.6质量问题的主要对策 3.工程投资控制 3.1投资情况 3.1.1本月投资情况,本月施工产值及支付金额。 3.1.2下月投资计划,下月计划施工产值元,计划支付额,附相应的支付工程清单。 3.1.3投资及资金流量图。 3.2签证情况 本月签证共 份,累计 份,主要签证内容: 3.3成本分析 潜在或发生的影响成本的因素及事件: 4.安全文明施工 描述安全文明情况,潜在的安全隐患 5.工程材料、设备管理 5.1工程材料、设备质量控制 5.2工程材料、设备计划 5.3工程材料设备进场 6.合同执行情况 7.需各方协调备忘 8.项目公司内务 8.1.工程人员情况 描述当时组织架构情况 8.2工程人员变动情况 8.3.工程大事记 8.4气象数据 8.4.1.本月气象记录: 白天 26 27 28 29 30 31 1 2 3 4 5 6 7 8 9 10 晚上 26 27 28 29 30 31 1 2 3 4 5 6 7 8 9 10 白天 11 12 13 14 15 16 17 18 19 20 21 22 23 24 25 晚上 11 12 13 14 15 16 17 18 19 20 21 22 2
展开阅读全文

开通  VIP会员、SVIP会员  优惠大
下载10份以上建议开通VIP会员
下载20份以上建议开通SVIP会员


开通VIP      成为共赢上传

当前位置:首页 > 包罗万象 > 大杂烩

移动网页_全站_页脚广告1

关于我们      便捷服务       自信AI       AI导航        抽奖活动

©2010-2026 宁波自信网络信息技术有限公司  版权所有

客服电话:0574-28810668  投诉电话:18658249818

gongan.png浙公网安备33021202000488号   

icp.png浙ICP备2021020529号-1  |  浙B2-20240490  

关注我们 :微信公众号    抖音    微博    LOFTER 

客服