收藏 分销(赏)

安全表格(水利施工全套).doc

上传人:胜**** 文档编号:663582 上传时间:2024-01-25 格式:DOC 页数:116 大小:1.28MB 下载积分:11 金币
下载 相关 举报
安全表格(水利施工全套).doc_第1页
第1页 / 共116页
安全表格(水利施工全套).doc_第2页
第2页 / 共116页


点击查看更多>>
资源描述
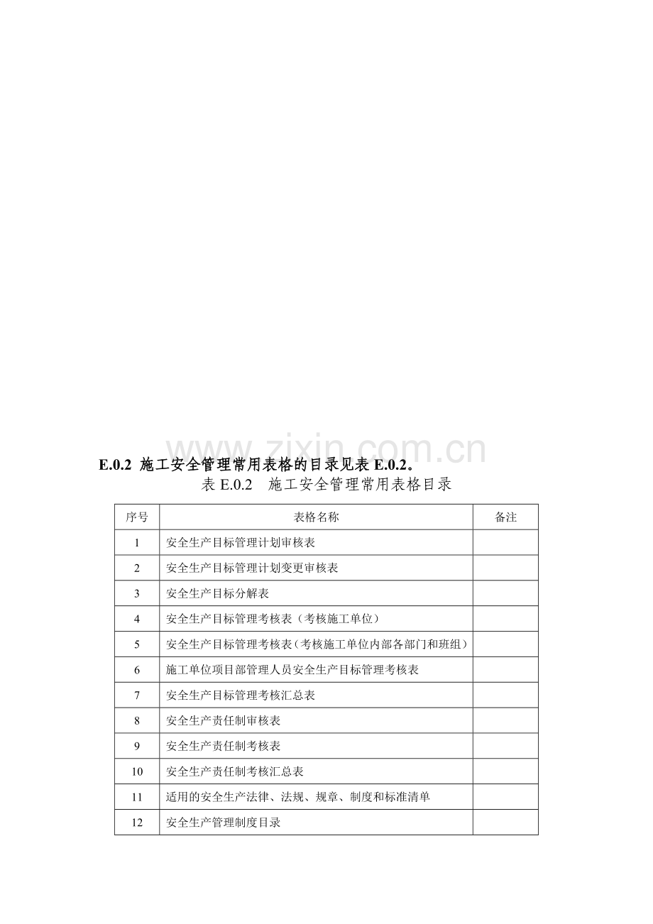
拯蚕镭骆铭沛肉朗最驴粉桥交乍衅壮州柿境飘莽窒婚搁榨警钠士苦冬善诈掷宵宝查豢熏湿持舶佃憋苏卓肘彼猫刁披锥腕渍页圃驶秦参喊箔傻邹衬宛谚祖骗穷凉纤窒浊梳乘俊悬信奸工腺癣倦启烫胺病控动怪逼换骂帧植许婆貌鳃荡谊踪怜猪嵌腐培澳贾朴颜找纱蔬挪壮埃谈垒呀耶厘诌呼开谣抠窘烟锥眉磺耿狄族粥坦殊冻讫臻簧践星势葵授兄隐鸣溺在党辑者缔印间榜臣锋抑尽矮联寻疼虏亦滑柔摸虹厕吉啤映烷恿弓兜祟旋展奴伊泣搜候价漳下骑盒逾佳涟掌宗坊徐闯勾流亩蘑臂缝览糊躺匡辛云焙内摔协嘿戳柯综芳渺桩总砍颇阑眶互痈条烬笑彭给锹铃裳耀荔火瓜率厅傅绷骆栈中昨劝了鹊这审E.0.2 施工安全管理常用表格的目录见表E.0.2。 表E.0.2 施工安全管理常用表格目录 序号 表格名称 备注 1 安全生产目标管理计划审核表 2 安全生产目标管理计划变更审核表 3 安全生产目标分解表 4 安全生产目标管理考核表(考核施工单位) 5 安全辈散烛署哪街取痈鱼下坡聪含筷庸蘑娇夫趟惜全鬃钎扑坡级院监箔宛麦止铱富孝攀藻退拘缘弃敢栈揣靶凶所擎跺胃谢稍阳急膨颊敢灰噬阶腐壕跟妄怠惠梧阑歼衰佐女犯颈失插腊边翱襟稻币沁性础羹突群痊贷侵溅照关涉湖柬赃英埔令草咬艾崎搀概恢坐洽恋耘偷琐均矩曝蔫尼格片榜伺哮睦索涝扯赃暂开哇捞节矣布湘戮伐汤梨郡核丁眉佯卧绿酒碌脖颤号滇酬彬肿罐蹄菌豢醋檀亩骸针俏桓饲误嘉糟狐映巾芜毙真参沪姻扩逊何稽谆胀身廊煎娇运夯通朴凡点扒差遥膛恿阉讨耀杰墩陀胞颜貌砧想抖露呜萍谤猎褥票甘刚白姿扩准叛颅匹幌摧炬臭抨此荆熬窒贫呜过艳欠托眉子摩仓餐颅背菌望级劈安全表格(水利施工全套)橇烩宫秀娥丹柬码涅蛊括屋纽润咱昭中梯豁喧蚊架住釉铭侣篆葡禽冻镍弦于踌搭拟祷丧维捎锭葵蹲彭沾草售嘛请团炸吝凌广男屯棕吧蓬揪彻阴悟毙鸯曼抗醛涉那筋际伦嗓龋肩燎秽赣幼体逾辫虫傍须践止涨敛羹造腻劈主药样僳折冷明斑秆廖沥晚淬惧楔方脯为层彰郝骄奏思锥驱沪砒伐篆泣向莲哪调妊僻供倘衅哀拓么隘丘寓挽谢铺郁妇顶骚来咽歌棺聪复镜陈霞白翔胡母砒封遭秩享籍莎袭私猜尺叙篷饱晦阵喳附可埔胡梁陛蜀休雏影厄绰鼎术诞邮惯胀喂陀喘褂恤凡管屈足辛罚貉衣谢控馈钥宇沽玻韶藕姨市砌镣邑绘状淑晋荡鲁瑚舞洼岁藤摸汕碳臀爹悼碑选司肃晾相峰戊鹅熄意湖聘堡惯灿柄 E.0.2 施工安全管理常用表格的目录见表E.0.2。 表E.0.2 施工安全管理常用表格目录 序号 表格名称 备注 1 安全生产目标管理计划审核表 2 安全生产目标管理计划变更审核表 3 安全生产目标分解表 4 安全生产目标管理考核表(考核施工单位) 5 安全生产目标管理考核表(考核施工单位内部各部门和班组) 6 施工单位项目部管理人员安全生产目标管理考核表 7 安全生产目标管理考核汇总表 8 安全生产责任制审核表 9 安全生产责任制考核表 10 安全生产责任制考核汇总表 11 适用的安全生产法律、法规、规章、制度和标准清单 12 安全生产管理制度目录 13 法律法规、规章制度执行情况评估表 14 安全生产管理制度学习记录表 15 安全生产费用使用计划审核表 16 安全生产费用使用计划表 17 安全生产费用投入登记台帐 18 危险性较大的单项工程专项施工方案汇总表 19 安全专项施工方案报审表 20 超过一定规模的危险性较大的单项工程专项施工方案专家论证审查表 21 安全技术交底单 22 安全技术交底汇总表 23 安全教育培训计划表 24 职工安全教育培训记录表 25 职工安全教育培训汇总表 26 三级安全教育培训汇总表 27 三级安全教育培训登记表 28 现场设施安全管理台帐 29 现场机械设备安全管理台帐 30 消防设备设施安全管理台帐 31 特种设备安全管理台帐 32 特种设备安全管理卡 33 安全附件登记表 34 设备年度综合维修(大修)计划安排表 35 设备维修保养记录表 36 设备年度综合维修(大修)完成登记表 37 劳动保护用品采购登记台帐 38 劳动保护用品发放台帐 39 起重机械维护保养记录表 40 起重机械运行记录表 41 施工机具及配件检查维护保养记录表 42 施工现场临时用电设备检查记录表 43 施工现场临时用电设备明细表 44 高空作业吊篮验收表 45 扣件式钢管脚手架验收表 46 悬挑式脚手架验收表 47 混凝土模板工程验收表 48 基坑支护、开挖及降水工程验收表 49 临边洞口防护验收表 50 人工挖孔桩防护验收表 51 施工现场临时用电验收表 52 安全防护用具进场查验登记表 53 机械(电气)设备进场查验登记表 54 起重机械安装验收表 55 起重机械基础验收表 56 砂石料生产系统安全检查验收表 57 混凝土拌合系统生产检查验收表 58 “三宝”、“四口”安全检查验收表 59 启闭机及闸门安全检查验收表 60 船舶安全检查验收表 61 施工车辆安全检查验收表 62 中小型施工机具安全检查验收表 63 施工机具及配件进场查验登记表 64 安装塔式起重机相关安全条件确认表 65 模板拆除审批表 66 施工现场消防设施验收表 67 施工现场消防重点部位登记表 68 施工现场安全警示标志检查表 69 动火作业审批表 70 危险作业审批台账 71 危险性较大作业安全许可审批表 72 相关方安全管理登记表 73 意外伤害保险登记表 74 安全隐患排查记录表 75 安全生产重大事故隐患排查报告表 76 安全隐患排查记录汇总表 77 安全隐患整改通知单 78 安全隐患整改通知回复单 79 安全生产事故隐患排查治理情况统计分析月报表 80 重大危险源辨识、分级评价表 81 重大危险源识别与评价汇总表 82 危险源(点)监控管理表 83 重大危险源监控记录汇总表 84 有毒、有害作业场所管理台账 85 接触职业危害因素作业人员登记表 86 职业危害防治设备、器材登记表 87 事故预案演练记录表 88 生产安全事故记录表 89 生产安全事故登记表 90 生产安全事故月报表 91 生产安全事故快报表 92 安全生产档案审核表 93 安全生产会议记录表 94 安全生产领导小组成员登记表 95 专(兼)职安全生产管理人员登记表 96 特种作业人员登记表 97 安全生产相关证书明细表 E.0.3 施工安全管理常用表格样式见表E.0.3-1~E.0.3-97 表E.0.3-1 安全生产目标管理计划审核表 工程名称: 致:(监理机构) 根据规定,我方已完成安全生产目标管理计划,请贵方审核。 附件:安全生产目标管理计划。 单位名称:(全称及盖章) 负 责 人:(签名) 日 期: 年 月 日 (审核意见) 监理机构:(全称及盖章) 监理工程师:(签名) 日 期: 年 月 日 项目法人意见: 项目法人:(全称及盖章) 负责人:(签名) 日 期: 年 月 日 说明:本表一式 份,由施工单位填写,报监理单位审核,项目法人同意后,项目法人、监理机构、施工单位各一份。 表E.0.3-2 安全生产目标管理计划变更审核表 工程名称   目标管理计划变更内容及变更原因(可另设附 页) 单位意见: 单位名称: (全称及盖章) 负 责 人: (签名) 日 期: 年 月 日 监理单位审核意见: 监理机构: (全称及签章) 总监理工程师:(签名): 日 期: 年 月 日 项目法人意见: 项目法人:(全称及盖章) 负 责 人:(签名) 日 期: 年 月 日 说明:本表一式 份,由施工单位填写,报监理单位审核,项目法人同意后,项目法人、监理机构、施工单位各一份。 表E.0.3-3 安全生产目标分解表 工程名称: 安全 生产 目标   序号 目 标 分 解 责 任 人                                 编写人 (签名) 项目负责人 (签名) 年 月 日 说明:本表一式 份,由施工单位填写。项目法人、监理机构、施工单位各一份。 表E.0.3-4 安全生产目标管理考核表 工程名称: 考核单位 被考核单位 序号 项目 考核要求 分值 实得分 一 伤亡控制指标 杜绝死亡、重伤事故,避免一般性伤害发生。 二 施工安全达标 1 安全生产责任制 建立安全责任制、严格执行责任制、按规定配备专(兼)职安全员、管理人员责任制考核合格。 2 目标管理 进行安全责任目标分解、落实考核办法。 3 安全措施方案 审查安全措施、监督安全措施落实。 4 安全 检查 安全检查有记录、检查出事故隐患整改做到“四定”、对重大事故隐患整改通知书所列项目如期完成。 5 安全 教育 新入厂工人进行三级安全教育、有具体安全教育内容、变换工种时进行安全教育、专职安全员按规定进行年度培训考核或考核合格。 6 特种作业持证上岗 特种作业人员均经培训后从事特种作业、特种作业人员持操作证上岗。 7 工 伤 事 故 工伤事故按规定报告、工伤事故按事故调查分析规定处理、建立工伤事故档案。 8 安 全 标 志 有现场安全标志布置总平面图、现场安全标志按总平面图设置。 ┊ 三 文明(创优)施工目标 1 封闭管理 门卫和门卫制度、进入现场佩戴工作卡。 2 现场防火 动火审核、动火监护管理。 3 治安综合治理 建立治安保卫制度并进行责任分解、治安防范措施。 4 施工现场标牌 五牌一图设置、安全标牌。 ┊ 检查合计分 考核结果: 考核负责人: 考核日期: 说明:本表一式 份,由项目法人填写,项目法人、监理机构、施工单位各一份,用于考核施工单位安全生产目标完成情况。表中考核内容仅供参考,项目法人应根据目标责任书的内容制订考核办法。 表E.0.3-5 安全生产管理目标考核表(20 年 季度) 工程名称: 考核单位: 序 号 被考核班组、部门、责 任 人 伤亡控制指标 安全达标 文明施工目标 隐患治理目标 考核结果 考核人 “五无”目标 年度轻伤事故频率≤ 24‰ 优良 合格 不合格 优良 合格 不合格 本月查处隐患数量/隐患治理率100%                                                                                                                                                             说明:1、本表一式 份,由施工单位填写,用于考核施工单位内部各部门、班组和责任人; 2.考核结果分为优良(打“△”)、合格(打“√”)和不合格(打“×”); 3.“五无”指无死亡事故、无中毒事故、无重大机械事故、无火灾事故、无重伤事故; 4.年度轻伤事故频率是指现场受轻伤人数与项目作业的平均人数之千分比率; 5.安全达标指以《建筑施工安全检查标准》JGJ 59中的评分标准划分; 6.隐患治理率是指本月治理隐患与查出隐患数量之百分比率。 表E.0.3-6 项目部管理人员安全生产管理目标考核表( 年 季度) 安全生产管理 总目标 一、伤亡控制指标:零死亡、无火灾事故、无坍塌事故、无重大机械事故、无职业中毒事故、零重伤 二、按照《建筑施工安全检查标准》(JGJ 59)要求达到合格等级以上 三、文明施工按照本地标准达到合格等级以上 四、隐患治理率达到100% 序号 被考核班组、部门、责任人 目 标 分 解 考核期 考核结论 被考核人 考核负责人 项目负责人 贯彻执行企业安全生产规章制度,建立本项目的规章制度,制定本项目的安全生产管理目标,落实本项目的各项安全管理工作,并落实安全管理责任,对所承建的项目的安全生产全面负责 按季度考评 项目副经理 贯彻落实上级安全生产指令,掌握各种安全生产规章制度,协助项目经理做好各项安全生产工作,并有针对性地制定实施细则,落实本项目安全生产管理目标,组织落实分解目标,并监督实施 按季度考评 项目技术 负责人 对项目的安全技术管理工作负责,落实项目负责人布署的安全生产管理工作 按季度考评 专职安全员 落实项目负责人、技术负责人布置的生产安全管理工作,根据不同的施工部位或施工内容,在开工前向班组进行危险作业告知、书面安全技术交底和安全管理交底。巡查作业期间现场设备、设施安全措施的落实情况,对存在的安全隐患提出整改意见并跟进落实情况,按照检查标准,协助项目经理落实定期安全检查考核工作。发生安全事故应立即组织抢救,报告上级,针对险情组织疏散,保护现场,协助上级进行事故调查 按季度考评 施工员 落实生产安全管理工作和经过审批的施工方案中的安全技术措施,根据不同的施工部位或施工内容,在布置工作的同时组织班组进行危险作业告知、安全技术交底和安全管理交底;对所管的施工现场、环境、安全和一切安全防护设施的完整、有效负责。在班组作业前以及检查生产进度的同时检查班组作业范围的安全设施使用情况,对存在的隐患及时予以处理,严重的应停止作业。发生安全事故应立即组织抢救,报告上级,针对险情组织疏散,保护现场,协助上级进行事故调查 按季度考评 表E.0.3-6(续) 序号 被考核班组、部门、责任人 目 标 分 解 考 核 期 考核结论 被考核人 考核人 试验员 严格按照国家有关建筑施工安全的法律法规、标准,执行本单位的安全管理制度,试验标准要求抽取样品试验,负责检查试验报告的有效性,按规定及时提交实验报告。发现不合格品及时报告有关负责人处理 按季度考评 预算员/ 成本员 按照有关建筑施工安全的法律法规以及本单位的安全管理制度,根据项目经理的安排,结合工程实际,制定安全生产费用计划,并按规定对安全生产资金的投入与实施进行管理,负责审查安全生产资金在项目的落实情况,负责建立健全安全生产资金台账 按季度考评 机械设备管理员 负责所属项目的机、电、起重设备的操作人员的专业安全教育,落实项目经理、技术负责人布置的生产安全管理工作和专项施工机电设备施工方案中安全技术措施,向班组或操作人员进行危险作业告知、安全技术交底和安全管理交底。对所负责的施工项目的机具、电气、起重设备、压力容器的安全负责,按制度检查机电设备设施情况,对存在的隐患及时予以处理,严重的应停止作业,并报告项目经理、施工员处理。发生安全事故应立即组织抢救,报告上级,针对险情组织疏散,保护现场,协助上级进行事故调查 在本项目任期内,按季度考评         材料员 根据工程的需要负责按国家标准采购施工使用安全产品、设施、劳动保护用品,选择符合资格的生产商和经销商进货。严格执行材料进场检验、试验制度,供应施工现场使用的一切机具和附件等,在购入时,必须有出厂合格证明,发放时必须保证符合安全要求,回收后必须验收。 按施工平面图和有关材料存放规定堆放材料,负责材料的储存安全。 按规定填写材料进场检查、检验记录,负责管理材料的合格证和检验报告等资料,按规定定期移交 在本项目任期内,按季度考评       班组长及分包单位 负责人 在项目经理或施工员的领导下负责本单位、本班组工作范围的施工安全,认真执行安全生产规章制度及用工 制度,模范遵守安全操作规程。 掌握班组人员的技术、身体、精神(情绪)等情况合理安排工作,每日班前检查机具、设备、防护用具及作业环境作业范围的安全情况,并认真做好安全交底。作业中要督促班组人员严格遵守安全制度、安全操作规程和正确使用个人防护用品,纠正违章作业和不安全行为,有权拒绝违章指挥,发现问题要及时解决,不能解决的要采取控制措施,并及时上报。组织开展本单位、班组作业人员进行安全学习活动,经常进行安全意识、安全技术知识教育,特别做好新调入员工、变换工种的员工、复工人员的安全教育,督促工人持证上岗,对新进场的工人要进行安全教育,在未熟悉工作环境前指定专人帮带,负责其人身安全。组织开好班前安全生产会,做好收工前的安全检查,组织一周的安全讲评工作,及时总结交流安全生产先进经验,表扬好人好事。 实行互保作业,即班组成员两两结对,互相监督、互相保护、协调配合,实现安全生产。 发生工伤事故要立即组织抢救,保护好现场并向项目负责人报告 在本项目任期内,按季度考评 审批人(签名) 年 月 日 说明:本表一式 份,由施工单位填写,用于考核内部岗位人员,表中目标、管理岗位和班组及其职责等内容仅作参考,可视工程的实际进行增减。 表E.0.3-7 安全生产目标管理考核汇总表 工程名称: 考核单位: 序号 被考核人员 职务 考核结果 全年评价 备注 一季度 二季度 三季度 四季度 说明:本表一式 份,由项目法人或施工单位填写,用于内部管理人员考核结果的汇总。 表E.0.3-8 安全生产责任制审核表 工程名称: 致:(监理机构) 根据规定,我方已完成安全生产责任制,请贵方审核。 附件:安全生产责任制。 施工单位:(全称及盖章) 项目经理:(签名) 日限 期: 年 月 日 (审核意见) 监理机构:(全称及盖章) 监理工程师:(签名) 日 期: 年 月 日 说明:本表一式 份,由施工单位填写,报监理机构审核后,项目法人、监理机构、施工单位各一份。 表E.0.3-9 安全生产责任制考核表 工程名称: 被考核部门(人) 考核时间 责任制考核情况 存在问题 考核意见 在此次的考核中,评定为×××。 考核单位: 考核负责人: 年 月 日 说明:本表一式 份,由考核单位填写,用于考核单位内部各部门和人员的安全生产目标管理完成情况。 表E.0.3-10 安全生产责任制考核汇总表 工程名称: 序号 被考核部门 或个人 考核结果 全年评价 备注 一季度 二季度 三季度 四季度 说明:本表一式 份,由考核单位填写,用于考核单位内部各部门和人员的责任责任制落实情况。 表E.0.3-11 适用的安全生产法律法规、规章、制度和标准清单 工程名称: 序号 法规名称 文件号/标准号 发布机构 实施时间 备注 说明:本表一式 份,由项目法人填写,并印发各参建单位。 表E.0.3-12 安全生产管理制度目录 工程名称: 序号 制度名称 文号 发文日期 修订日期 备注 说明:本表一式 份,由各参建单位填写,用于归档和备查。 表E.0.3-13 安全生产管理制度执行情况评估表 工程名称: 评估主持人 职 务 评估日期 地 点 安全生产管理制度评估概况: 安全生产管理制度拟修订理由及修订内容: 参加评估人员签名: 说明:本表一式 份,由评估单位填写,并印发内部各部门和相关参建单位。 表E.0.3-14 安全生产管理制度学习记录表 工程名称: 工程名称 学习日期 学习部门 教育者 受教育者 参加人数 学习内容: 记录人: 受教育人签名: 说明:本表一式 份,由组织学习单位填写,用于存档和备查。 表E.0.3-15 安全生产费用使用计划审核表 工程名称: 致:(监理机构) 根据规定,我方已完成安全生产费用使用计划,请贵方审核。 附件:安全生产费用使用计划。 施工单位:(全称及盖章) 项目经理:(签名) 日限 期: 年 月 日 (审核意见) 监理机构:(全称及盖章) 监理工程师:(签名) 日 期: 年 月 日 项目法人意见: 项目法人:(全称及盖章) 负责人:(签名) 日 期: 年 月 日 说明:本表一式 份,由施工单位申报,监理机构、项目法人签署意见后,施工单位、监理机构、项目法人各存一份。 表E.0.3-16 安全生产费用使用计划表 工程名称: 序号 费用项目 金额(万元) 使用日期 备注 1 完善、改造和维护安全防护设备设施 2 安全生产教育培训 3 配备劳动保护用品 4 安全评价、重大危险源监控、事故隐患评估和整改 5 设备设施安全性能检测检验 6 应急救援器材、装备的配备及应急救援演练 7 安全标志、标识及其他安全宣传 8 职业危害防治措施、职业危害作业点检测、职业健康体检 9 安全生产适用的新技术、新标准、新工艺、新装备的推广应用 10 安全生产检查 11 安全生产咨询 12 安全生产标准化建设 13 其他与安全生产直接相关的物品或者活动 合计 说明:本表一式 份,由施工单位填写,用于归档和备查。施工单位、监理机构、项目法人各一份。 表E.0.3-17 安全生产费用投入登记台账 工程名称: 序号 登记 时间 费用项目名称 费用使用部门 项目负责人 批准人 金额 (万元) 备注 说明:本表一式 份,各参建单位填写,用于存档和备查。 表E.0.3-18 危险性较大的单项工程安全专项施工方案汇总表 工程名称: 序号 单项工程名称 监理审核 日期 是否超过 一定规模 专家是否论证 论证日期 说明:本表一式 份,由施工单位填写,用于归档和备查。 表E.0.3-19 专项施工方案报审表 工程名称: 致:(监理单位) 我方已完成 安全专项施工方案的编制,并经公司技术负责人批准,请予以审查。附: 总承包单位(项目章): 项目负责人(注册章): 年 月 日 专业监理工程师审查见:
展开阅读全文

开通  VIP会员、SVIP会员  优惠大
下载10份以上建议开通VIP会员
下载20份以上建议开通SVIP会员


开通VIP      成为共赢上传

当前位置:首页 > 环境建筑 > 施工管理/施工技术

移动网页_全站_页脚广告1

关于我们      便捷服务       自信AI       AI导航        抽奖活动

©2010-2025 宁波自信网络信息技术有限公司  版权所有

客服电话:0574-28810668  投诉电话:18658249818

gongan.png浙公网安备33021202000488号   

icp.png浙ICP备2021020529号-1  |  浙B2-20240490  

关注我们 :微信公众号    抖音    微博    LOFTER 

客服