收藏 分销(赏)

散热器的安装验评表.doc

上传人:pc****0 文档编号:6181283 上传时间:2024-11-29 格式:DOC 页数:3 大小:109KB 下载积分:10 金币
下载 相关 举报
散热器的安装验评表.doc_第1页
第1页 / 共3页
散热器的安装验评表.doc_第2页
第2页 / 共3页


点击查看更多>>
资源描述
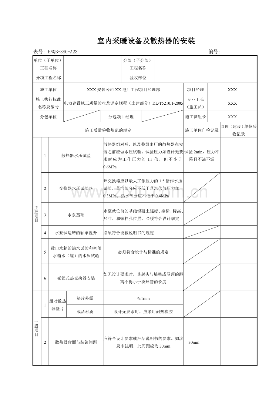
室内采暖设备及散热器的安装 表号:HNQB-3SG-A23 编号: 单位(子单位) 工程名称 分部(子分部) 工程名称 分项工程名称 验收部位 施工单位 XXX安装公司XX电厂工程项目经理部 项目经理 XXX 施工执行标准 名称及编号 电力建设施工质量验收及评定规程(土建部分)DL/T5210.1-2005 专业工长 (施工员) XXX 分包单位 分包项目经理 施工班组长 XXX 施工质量验收规范的规定 施工单位自检记录 监理(建设)单位验收记录 主控项目 1 散热器水压试验 散热器组对后,以及整组出厂的散热器在安装之前应做水压试验。试验压力如设计无要求时应为工作压力的1.5倍,但不小于0.6MPa 试验2min,压力不降且不滴不漏 2 交换器水压试验热 热交换器应以最大工作压力的1.5倍作水压试验,蒸汽部分应不低于蒸汽供气压力加0.3MPa;热水部分应不低于0.4MPa 3 水泵基础 水泵就位前的基础混凝土强度、坐标、标高、尺寸、和螺栓孔位置,必须符合设计规定 4 水泵试运转的轴承温升 必须符合设被说明书的规定 5 敞口水箱的满水试验和密闭水箱水(罐)的水压试验 必须符合设计与标准的规定 6 壳管式热交换器安装 如无设计要求时,其封头与墙壁或屋顶的距离不得小于换热管的长度 一般项目 1 组对散热器垫片 垫片外露 ≤1mm 成品材质 设计无要求时,应采用耐热橡胶 2 散热器背面与装饰间距 应符合设计要求或产品说明书的要求。如涉及未注明,此间距应为30mm 30mm 室内采暖设备及散热器的安装 表号:HNQB-3SG-A23 (续) 编号: 单位(子单位) 工程名称 分部(子分部) 工程名称 分项工程名称 验收部位 施工单位 XXX安装公司XX电厂工程项目经理部 项目经理 XXX 施工执行标准 名称及编号 电力建设施工质量验收及评定规程(土建部分)DL/T5210.1-2005 专业工长 (施工员) XXX 分包单位 分包项目经理 施工班组长 XXX 施工质量验收规范的规定 施工单位自检记录 监理(建设)单位验收记录 一般项目 3 散热器支托架安装位置、数量 散热器支架、托架安装,位置应准确,埋设牢固。散热器支架、托架数量,应符合设计或产品说明书要求。如设计未注时符合现行有关标准的规定 符合要求 4 铸铁或刚支散热器的防腐及面漆 附着良好,色泽均匀,无脱落、起泡、流淌和漏涂缺陷 良好 5 水箱支架或底座安装 水箱支架或底座安装,其尺寸及位置应符合设计规定,埋设平整牢固 6 水箱溢流管和泄放管安装 水箱溢流管和泄放管应设在排水地点附近东南部的与排水管直接连接 7 立式水泵的减振装置 立式水泵的减振装置不应采用弹簧减振器 8 散热器平直度 长翼型散热器 2片~4片 ≤4mm 5片~7片 ≤6mm 铸铁式钢制片式 3片~15片 ≤4mm 16片~25片 ≤6mm 9 散热器安装允许偏差 散热器背面与墙面距离 ≤3mm 符合要求 与设计定位尺寸 ≤20mm 散热器垂直度 ≤3mm 10 给水设备安装允许偏差 静置设备 坐标 ≤15mm 室内采暖设备及散热器的安装 表号:HNQB-3SG-A23 (续) 编号: 单位(子单位) 工程名称 分部(子分部) 工程名称 分项工程名称 验收部位 施工单位 XXX公司XXX电厂工程项目经理部 项目经理 XXX 施工执行标准 名称及编号 电力建设施工质量验收及评定规程(土建部分)DL/T5210.1-2005 专业工长 (施工员) XXX 分包单位 分包项目经理 施工班组长 XXX 施工质量验收规范的规定 施工单位自检记录 监理(建设)单位验收记录 一般项目 10 给水设备安装允许偏差 静置设备 标高 ≤5mm 离心式水泵 垂直度(每米) ≤5mm 立式泵体垂直度(每米) ≤0.1mm 卧式泵体垂直度(每米) ≤0.1mm 联轴器同心度 轴向倾斜(每米) ≤0.8 径向位移 ≤0.1mm 11 管道及设备保温层 厚度 +0.1~—0.05 平整度 卷材 ≤5mm 涂抹 ≤10mm 施工单位 检查结果 项目专业质量检查员: 项目专业技术负责人: 年 月 日 监理(建设)单位验收结论 专业监理工程师: (建设单位项目专业技术负责人) 年 月 日
展开阅读全文

开通  VIP会员、SVIP会员  优惠大
下载10份以上建议开通VIP会员
下载20份以上建议开通SVIP会员


开通VIP      成为共赢上传

当前位置:首页 > 包罗万象 > 大杂烩

移动网页_全站_页脚广告1

关于我们      便捷服务       自信AI       AI导航        抽奖活动

©2010-2026 宁波自信网络信息技术有限公司  版权所有

客服电话:0574-28810668  投诉电话:18658249818

gongan.png浙公网安备33021202000488号   

icp.png浙ICP备2021020529号-1  |  浙B2-20240490  

关注我们 :微信公众号    抖音    微博    LOFTER 

客服