收藏 分销(赏)

ap2962芯片参数-ap2962b规格书-骊微电子.pdf

上传人:深圳****子科... 文档编号:61811 上传时间:2022-03-04 格式:PDF 页数:4 大小:377.44KB 下载积分:5 金币
下载 相关 举报
ap2962芯片参数-ap2962b规格书-骊微电子.pdf_第1页
第1页 / 共4页
ap2962芯片参数-ap2962b规格书-骊微电子.pdf_第2页
第2页 / 共4页


点击查看更多>>
资源描述
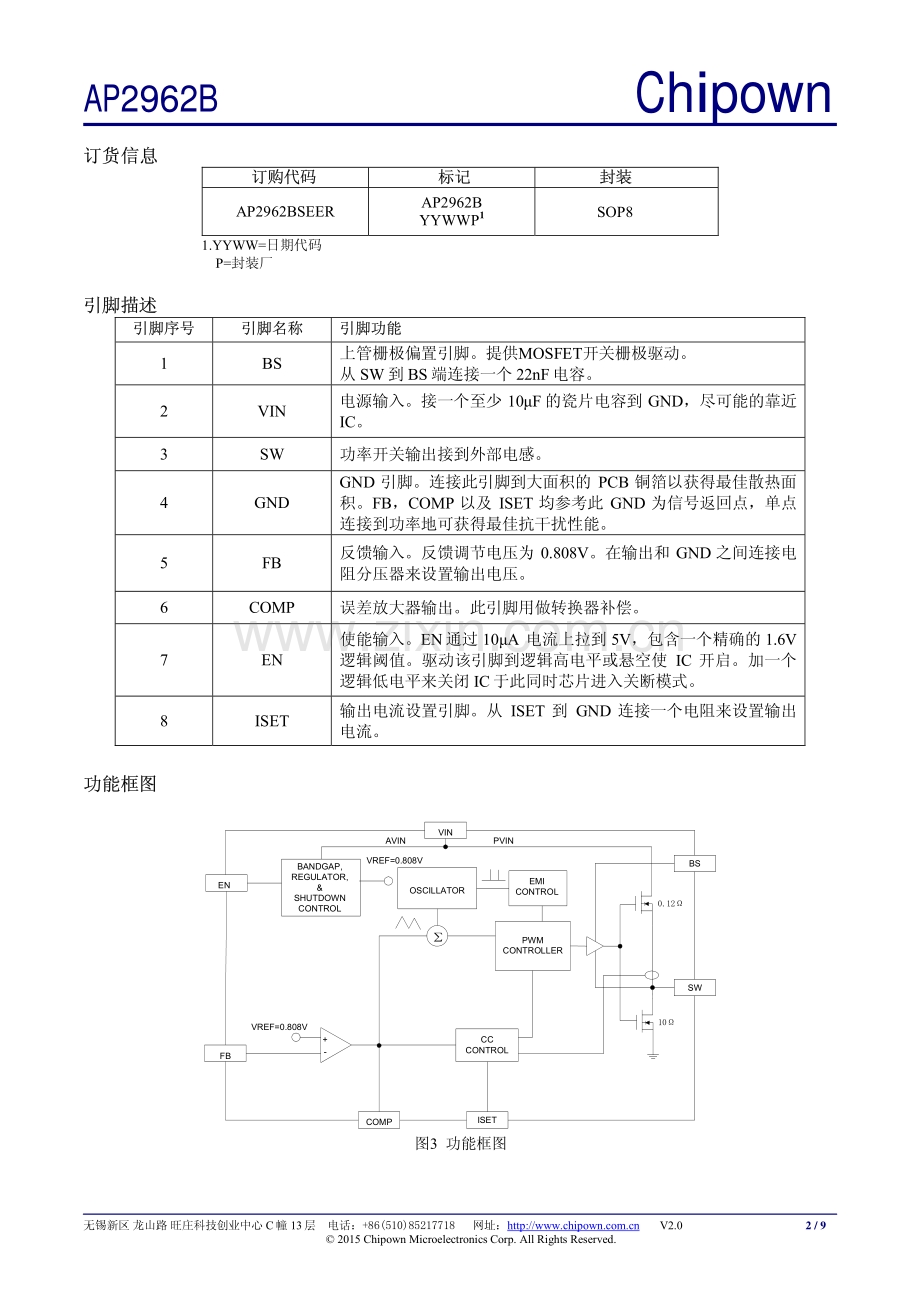
AP2962B Chipown 无锡新区 龙山路 旺庄科技创业中心 C幢 13层 电话:+86(510)85217718网址:http:/ V2.0 1 / 9 2015 Chipown Microelectronics Corp. All Rights Reserved. 42V 2A CC/CV 降压转换器降压转换器 概述概述 AP2962B 是一款宽输入范围,高效率 CC/CV 功能 的降压芯片,既可以 CV(恒压)输出也可以 CC (恒流)输出。AP2962B 最高可在 230kHz 的开关 频率下提供 2A输出电流。 AP2962B 不需要使用高成本的精密电流采样电阻, 非常适用于有精确恒流需求的电池和适配器应用场 合。通过消除产生功耗的电流采样电阻,AP2962B 相比传统恒流开关稳压器拥有更高的转换效率。 保护特性包括逐周期限流,热关断以及短路频率折 回等功能。芯片提供 SOP8 封装,工作时仅需要非 常少的外围器件。 应用应用 ? 汽车充电器/适配器 ? 可充电便携式设备 ? 通用CC / CV供电 特性特性 ? 承受42V 输入电压瞬间浪涌 ? 36V 稳态工作 ? 高达2A输出电流 ? 输出电压可高达12V ? 230kHz 开关频率 ? 高达91%的转换效率 ? 稳定工作于低ESR瓷片电容应用以实现小型化设 计 ? 230kHz开关频率减少EMI 设计 ? 无外置电流检测电阻的恒流控制可提高效率, 降低成本 ? 通过电阻可调限流从1.5A到3.5A ? 高达0.5V极佳的线电压补偿 ? 7.5% CC 恒流精度 ? 2% 反馈电压精度 ? 其他特性 集成软启动 热关断 逐周期限流 ? SOP8 封装 封装封装 SOP8 5 6 7 8 ENVIN GND COMP FB SW BSISET1 4 3 2 典型应用电路典型应用电路 VIN 10-36V EC1 100uF C1 4.7uF R3 10K R4 22 D1 SK34 L1 33uH R6 52.3K R7 10K C8 NC EC2 220uF C6 220p VIN EN ISET GNDCOMP FB SW BS VOUT 5V/2.0A 2 7 8 4 1 3 5 6 AP2962B C2 10uF C5 22nF C7 2.2nF R5 8.2K R1 100K Enable 图 1 典型应用电路 图 2 典型效率曲线 30 40 50 60 70 80 90 100 0500100015002000 (%) Io(mA) vs Io VIN=12V VIN=24V 现货TEL:13808858392 杜S AP2962B Chipown 无锡新区 龙山路 旺庄科技创业中心 C幢 13层 电话:+86(510)85217718 网址:http:/ V2.0 2 / 9 2015 Chipown Microelectronics Corp. All Rights Reserved. 订货信息订货信息 订购代码订购代码 标记封装标记封装 AP2962BSEER AP2962B YYWWP1 SOP8 1.YYWW=日期代码 P=封装厂 引脚描述引脚描述 引脚序号引脚序号 引脚名称引脚名称 引脚功能引脚功能 1 BS 上管栅极偏置引脚。提供MOSFET开关栅极驱动。 从 SW 到 BS 端连接一个 22nF电容。 2 VIN 电源输入。接一个至少 10F 的瓷片电容到 GND,尽可能的靠近 IC。 3 SW 功率开关输出接到外部电感。 4 GND GND 引脚。连接此引脚到大面积的 PCB 铜箔以获得最佳散热面 积。FB,COMP 以及 ISET 均参考此 GND 为信号返回点,单点 连接到功率地可获得最佳抗干扰性能。 5 FB 反馈输入。反馈调节电压为 0.808V。在输出和 GND 之间连接电 阻分压器来设置输出电压。 6 COMP 误差放大器输出。此引脚用做转换器补偿。 7 EN 使能输入。EN通过 10A 电流上拉到 5V,包含一个精确的 1.6V 逻辑阈值。驱动该引脚到逻辑高电平或悬空使 IC 开启。加一个 逻辑低电平来关闭 IC于此同时芯片进入关断模式。 8 ISET 输出电流设置引脚。从 ISET 到 GND 连接一个电阻来设置输出 电流。 功能框图功能框图 + - EN FB VIN BS SW ISET COMP AVINPVIN OSCILLATOR VREF=0.808V PWM CONTROLLER BANDGAP, REGULATOR, & SHUTDOWN CONTROL CC CONTROL VREF=0.808V EMI CONTROL 0.12 10 图3 功能框图 AP2962B Chipown 无锡新区 龙山路 旺庄科技创业中心 C幢 13层 电话:+86(510)85217718 网址:http:/ V2.0 8 / 9 2015 Chipown Microelectronics Corp. All Rights Reserved. 封装信息封装信息 SOP8 EE1 b L c D A A2 A1e L1 L1 1.4001.7000.0550.067 0.0500.1500.002 0.006 1.3501.5500.0530.061 0.3750.4250.0150.017 0.1700.2500.0070.010 4.7005.1000.1850.200 3.8753.9250.1530.155 5.8006.2000.2280.244 0.6150.7650.0240.030 0880 Symbol Dimensions In MillimetersDimensions In Inches MinMaxMinMax A A1 A2 b c D E E1 e L 1.270(BSC)0.050(BSC) L1 L1-L1 1.04REF0.041REF -0.120.005 AP2962B Chipown 无锡新区 龙山路 旺庄科技创业中心 C幢 13层 电话:+86(510)85217718 网址:http:/ V2.0 9 / 9 2015 Chipown Microelectronics Corp. All Rights Reserved. 重要声明重要声明 芯朋微电子股份有限公司保留更改规格的权利,恕不另行通知。芯朋微电子股份有限公司对任何将其产品 用于特殊目的的行为不承担任何责任,芯朋微电子股份有限公司没有为用于特定目的产品提供使用和应用 支持的义务。芯朋微电子股份有限公司不会转让其专利许可以及任何其他的相关许可权利。
展开阅读全文

开通  VIP会员、SVIP会员  优惠大
下载10份以上建议开通VIP会员
下载20份以上建议开通SVIP会员


开通VIP      成为共赢上传

当前位置:首页 > 行业资料 > 家电行业

移动网页_全站_页脚广告1

关于我们      便捷服务       自信AI       AI导航        抽奖活动

©2010-2026 宁波自信网络信息技术有限公司  版权所有

客服电话:0574-28810668  投诉电话:18658249818

gongan.png浙公网安备33021202000488号   

icp.png浙ICP备2021020529号-1  |  浙B2-20240490  

关注我们 :微信公众号    抖音    微博    LOFTER 

客服