收藏 分销(赏)

供热系统中汽水混合加热器的节能效果.pdf

上传人:xrp****65 文档编号:6146310 上传时间:2024-11-28 格式:PDF 页数:5 大小:2.33MB 下载积分:10 金币
下载 相关 举报
供热系统中汽水混合加热器的节能效果.pdf_第1页
第1页 / 共5页
供热系统中汽水混合加热器的节能效果.pdf_第2页
第2页 / 共5页


点击查看更多>>
资源描述
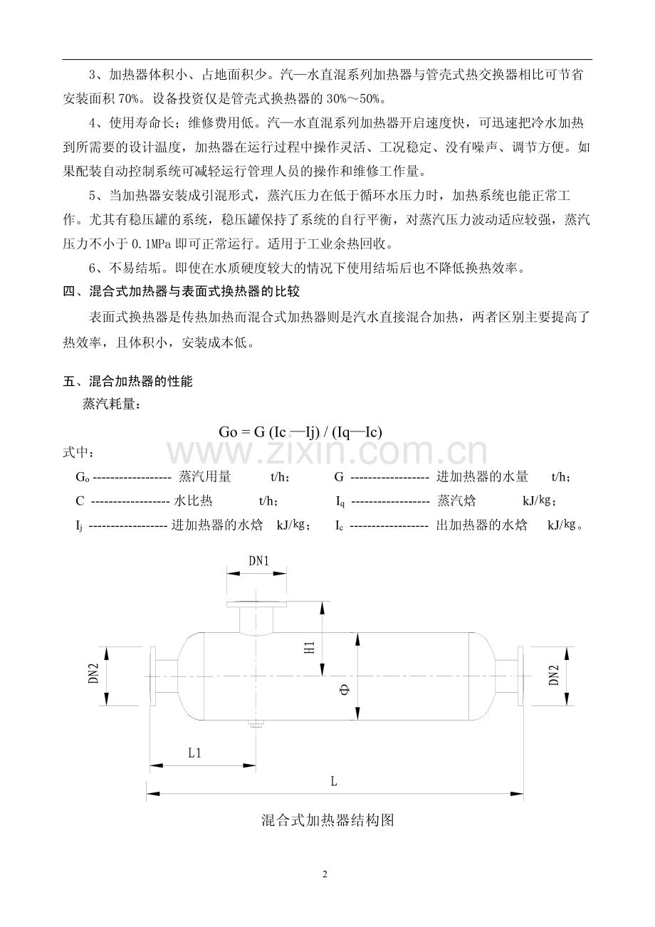
1供热系统中汽水混合加热器的节能效果供热系统中汽水混合加热器的节能效果(徐州金方热力节能设备有限公司席云波)摘要:目前在供热行业除大的集中供热区域外,还有很多生产用自备蒸汽锅炉的中小企业,在解决供暖时还需再上取暖水锅炉;使用电厂蒸汽的热用户,安装表面换热器将高温冷凝水浪费掉。这样势必增加设备投资和浪费热资源。而汽水混合加热器不仅满足了上述要求,而且投资可大幅降低,既解决了一炉多用,又减少了高温冷凝水的浪费,应大力推广。本文从经济节能和理论研究方面进行了论述。一、前言目前各企业经济效益的提高在激烈的市场竞争中已放在重要的议事日程上。不少企业为了增加效益,都在想尽办法减少投资、减小浪费。尤其北方地区的企业,冬季的供暖是企业一年不小的投资。汽水混合加热器在这个领域是一个最佳的选择。它既减少了自备锅炉企业的设备投资,又可使那些使用热电厂蒸汽的热用户降低冷凝水排出温度,提高了热效率。二、供热领域及特定加热系统加热器使用现状除大型的供热系统或区域供热加热器使用表面式加热器。还有很多生产使用蒸汽(如:化工、食品、服装等)的企业及一些特殊供暖企业,他们的供暖若使用表面式加热器,在运行实践中会存在一系列的问题需要解决:第一是热力学完善性,表面式加热器是间接加热。间接加热存在传热温差,传热温差产生不可逆损失,降低了循环加热效率。第二是运行的可靠性,不论是哪种表面式加热器一旦加热器内出现泄漏,特别是高压蒸汽(蒸汽压力大于0.6MPa),加热器的管板和管子容易开裂,产生蒸汽和水相互泄漏,发生水击,严重时可造成换热器和管道震裂。第三是冷凝水利用,表面式加热器冷凝水排除温度高于供水温度,则疏水中含有未凝结的蒸汽造成了热损失。根据有关资料计算,排出的冷凝水温度每高出10则增加蒸汽耗量20%以上。三、混合式加热器的特点1、热效高。汽水直混系列加热器的热效率可达 99%以上;2、加热迅速。比一般间接式换热系统(管壳式、板换式、列管加热系统等)提高热效大于 30%;祢补了现有蒸汽间接加热系统普遍存在的“跑冒滴漏”现象,充分利用了蒸汽的潜热。因此,在冷凝水不回收时蒸汽消耗量小于传统的汽水间接式换热器,可节省燃料 30%以上;23、加热器体积小、占地面积少。汽水直混系列加热器与管壳式热交换器相比可节省安装面积 70%。设备投资仅是管壳式换热器的 30%50%。4、使用寿命长;维修费用低。汽水直混系列加热器开启速度快,可迅速把冷水加热到所需要的设计温度,加热器在运行过程中操作灵活、工况稳定、没有噪声、调节方便。如果配装自动控制系统可减轻运行管理人员的操作和维修工作量。5、当加热器安装成引混形式,蒸汽压力在低于循环水压力时,加热系统也能正常工作。尤其有稳压罐的系统,稳压罐保持了系统的自行平衡,对蒸汽压力波动适应较强,蒸汽压力不小于 0.1MPa 即可正常运行。适用于工业余热回收。6、不易结垢。即使在水质硬度较大的情况下使用结垢后也不降低换热效率。四、混合式加热器与表面式换热器的比较表面式换热器是传热加热而混合式加热器则是汽水直接混合加热,两者区别主要提高了热效率,且体积小,安装成本低。五、混合加热器的性能蒸汽耗量蒸汽耗量:式中:Go-蒸汽用量t/h;G-进加热器的水量t/h;C-水比热t/h;Iq-蒸汽焓kJ/;Ij-进加热器的水焓kJ/;Ic-出加热器的水焓kJ/。H1L1LDN1DN2DN2混合式加热器结构图Go=G(Ic Ij)/(IqIc)3混合加热器的性能表六、混合加热器在系统中的安装型号规格连接法兰直径(mm)外型结构尺寸(mm)热水流量(t/h)(水流速 2M/s)采暖面积(m2)汽(DN1)水(DN2)LL1H125252516095803.620040040404029011011095001000505050355130130141000180065656541014015024180030008080804601501803630004500100100100670180220564500600012512512513103602808860001200015015012514004603301281200022000200200150166052035022620000350002502502502190730450354300005000030030030025007505205085000080000350300350280091055069280000100004七、混合加热器与表面式加热器的经济分析利用有效能的理论来分析混合式加热器及表面式加热器的有效能损失,不难发现混合式加热器较表面式加热器要减少很多。下面是混合式加热器供热流程图:混合加热器循环系统安装图蒸汽进水水箱冷凝水Ij根据混合式加热器蒸汽耗量:Go=G(Ic Ij)/(IqIc)排除的冷凝水的热焓值是供热回水 Ij混合式加热器的有效热损失为:Em=0Ij+E1根据表面积加热器蒸汽耗量:Go=K G(Ic Ij)/(IqIc)+T传排除的冷凝水的热焓值是高于供热回水 Ic表面加热器的有效热损失为:Em=K0I凝+E2+T传计算结果表明,面式加热器比混合式加热器多损失有效能K(Ic Ij)+T传,占总有效能的30%以上。也就是用混合式加热器,可以提高系统的热效率30%以上。再从设备投资来看,相同采暖面积的供热系统,混合加热器系统比表面加热器系统可节省设备投资30%或更多。5八、结论从以上分析可以看出,用混合加热器代替表面式加热器,在运行安全性,经济性及投资方面都具有优点,应大力推广。
展开阅读全文

开通  VIP会员、SVIP会员  优惠大
下载10份以上建议开通VIP会员
下载20份以上建议开通SVIP会员


开通VIP      成为共赢上传

当前位置:首页 > 环境建筑 > 其他

移动网页_全站_页脚广告1

关于我们      便捷服务       自信AI       AI导航        抽奖活动

©2010-2026 宁波自信网络信息技术有限公司  版权所有

客服电话:0574-28810668  投诉电话:18658249818

gongan.png浙公网安备33021202000488号   

icp.png浙ICP备2021020529号-1  |  浙B2-20240490  

关注我们 :微信公众号    抖音    微博    LOFTER 

客服