收藏 分销(赏)

芯朋微ap8267 65w电源适配器ic方案

上传人:深圳****子科... 文档编号:60685 上传时间:2022-01-15 格式:PDF 页数:3 大小:239.63KB 下载积分:2 金币
下载 相关 举报
芯朋微ap8267 65w电源适配器ic方案_第1页
第1页 / 共3页
芯朋微ap8267 65w电源适配器ic方案_第2页
第2页 / 共3页


点击查看更多>>
资源描述
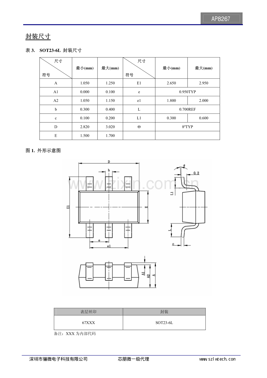
AP8267 Chipown 绿色工作模式 PWM 控制芯片 绿色工作模式 PWM 控制芯片 概述概述 AP8267是一款高集成度的电流模式PWM控制芯片,具有高性能、低待机功耗、低成本等特点。AP8267内置绿色降频工作模式,根据负载情况调节工作频率,减少了开关损耗,从而获得较低的待机功耗和较高的转换效率。AP8267提供了丰富的保护,包括:逐周期过流保护、VDD过压保护、欠压锁存、过温保护、输出过压保护、过载保护、输出二极管短路保护,同时具有软启动和间歇工作模式功能。一旦出现故障,芯片进入自动重启状态直至故障排除。应用领域应用领域机顶盒电源电源适配器开放式离线开关电源封装封装/订购信息订购信息 XXXXXGNDFBRTGATEVDDCS123456SOT 23-6L订购代码封装特征特征专利的频率抖动技术提高EMI性能绿色降频工作模式无音频噪声内部集成斜率补偿功能线电压补偿技术软启动功能全面的保护功能包括? 逐周期过流保护? 过载保护? VDD过压保护 ? 输出过压保护? 输出二极管短路保护? 过温保护AP8267TCC-R1SOT23-6L典型应用典型应用深圳市骊微电子科技有限公司芯朋微一级代理w w w .s z l w t e ch .co mAP8267 在过载情况下,FB 脚电压超过过载阈值电压一段时间后(TD_OLP) ,芯片进入过载保护状态从而关断MOSFET,芯片进入自动重启直至故障排除。VDD 电压是由变压器辅助级提供的,当 VDD 上电压大于一个固定阈值时,触发 VDD 过压保护。自动重启动电路对功率 MOSFET 进行交替使能和关闭,直到故障排除为止。深圳市骊微电子科技有限公司芯朋微一级代理w w w .s z l w t e ch .co mAP8267 封装尺寸封装尺寸表表 3. SOT23-6L 封装尺寸封装尺寸 尺寸符号最小尺寸符号最小(mm) 最大最大(mm)尺寸符号最小尺寸符号最小(mm) 最大最大(mm) A1.050 1.250E12.6502.950A10.000 0.100e0.950TYPA21.050 1.150e11.8002.000b0.300 0.400L0.700REFc0.100 0.200L10.3000.600D2.820 3.0208TYPE1.500 1.700图图 1. 外形示意图外形示意图 表层丝印封装67XXXSOT23-6L备注:XXX 为内部代码 深圳市骊微电子科技有限公司芯朋微一级代理w w w .s z l w t e ch .co m
展开阅读全文

开通  VIP会员、SVIP会员  优惠大
下载10份以上建议开通VIP会员
下载20份以上建议开通SVIP会员


开通VIP      成为共赢上传

当前位置:首页 > 行业资料 > 家电行业

移动网页_全站_页脚广告1

关于我们      便捷服务       自信AI       AI导航        抽奖活动

©2010-2026 宁波自信网络信息技术有限公司  版权所有

客服电话:0574-28810668  投诉电话:18658249818

gongan.png浙公网安备33021202000488号   

icp.png浙ICP备2021020529号-1  |  浙B2-20240490  

关注我们 :微信公众号    抖音    微博    LOFTER 

客服