收藏 分销(赏)

核磁共振西太模式.doc

上传人:xrp****65 文档编号:5964652 上传时间:2024-11-24 格式:DOC 页数:8 大小:80.50KB 下载积分:10 金币
下载 相关 举报
核磁共振西太模式.doc_第1页
第1页 / 共8页
核磁共振西太模式.doc_第2页
第2页 / 共8页


点击查看更多>>
资源描述
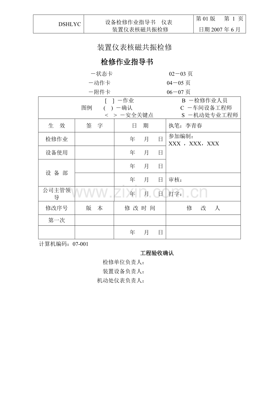
DSHLYC 设备检修作业指导书 仪表 装置仪表核磁共振检修 第01版 第 7 页 日期2007年6月 装置仪表核磁共振检修 检修作业指导书 装置仪表核磁共振检修 检修作业指导书 -状态卡 02-03页 -动作卡 04-05页 -附件卡 06-07页 [ ] -作业 B -检修作业人员 图例 ( ) -确认 C -车间设备工程师 < > -安全关键点 S -机动处专业工程师 生 效 签 字 日 期 执笔:李青春 检修作业 年 月 日 参加编制: XXX ,XXX,XXX 设备使用 年 月 日 设 备 部 年 月 日 年 月 日 审核: 公司主管领导 年 月 日 打字: 修改序号 版 本 修 改 时 间 修 改 人 第一次 年 月 日 计算机编码:07-001 工程验收确认 检修单位负责人: 装置设备负责人: 机动处仪表负责人: 一、 检修状态 初始状态M0 确保仪表核磁共振检修前,办理检修作业票。 000. 检修前准备。 010. 办理施工作业票。 020. 确认核磁共振检修已具备安全检修的条件。 030. 所用零配件质量符合标准,并有相关出厂证明和检验合格证书。 状态M1 装置核磁共振操作步骤 100. 启用 110. 开启电源 120.启用远程PC。 状态M2 核磁共振的维护 200.日常巡检。 210. 必要维护。 状态M3 核磁共振的停机 300.停机步骤。 状态M4 核磁共振简介、主要技术指标 400. 简介。 410、技术指标。 状态M5 核磁共振的投用 500、仪器安装完毕进行试压,是否泄露。经检查无误后开启。 510. 现场清扫。 520. 工艺人员验收。 530. 填写检修记录。 二、 检修初始状态 动 作 卡 初始状态M0 确保核磁共振在检修中不影响工艺正常操作,仪表检修人员须向生产车间办理检修作业票. 000. B-( ) 检修前准备。 001. B-( ) 联系工艺。 002. B-( ) 检修所须的零配件和相应的材料已备齐。 003. B-( ) 检修工具已备齐。 010. B-( ) 办理施工作业票。 011. B-( ) B< > 施工作业票已按规定程序办理审批好。 签字( ) 020. B-( ) B< > 确认装置已具备安全施工更换检修作业条件。 签字( ) 状态M1 核磁共振的启用 100. B-[ ] 打开蒸汽头道阀,引入蒸汽。 101. B-[ ] 打开三股物流的头道阀,调整流量。流量指示分别为: 馏分油 ≮500L/h 柴 油 ≮200L/h 汽 油 ≮200L/h 103. B-[ ] 开启电伴热电源 104. B-[ ] 打开仪表风头道阀,风压应不小于0.35MPa 105. B-[ ] B-< > 确认现场安全状况,落实安全措施。 签字( ) 106. B-[ ] 开启电源 107. B-[ ] 开启NMR电源 108. B-[ ] 开启加热器电源 109. B-[ ] 启动远程PC 110. B-[ ] 启用pcanywhere,查看磁场温度是否与设定的一致,否则等待。 111. B-[ ] 启用processNMR,点击scheduler,启动NMR分析。 112. B-[ ] 启用archiver文件。(如无需存储则不用开启) 113. B-[ ] 现场进行操作。根据蓝图设计要求,确定安装符合规范。 签字( ) 状态M2 核磁共振的维护 200. B-[ ] 日常巡检 201. B-[ ] 检查磁场温度是否与设定的一致。否则察看分析小屋的环境温度并采取措施。 202. B-[ ] 检查各物流的流量是否正常。 203. B-[ ] 检查加热器温度指示是否正常。 204. B-[ ] 检查物流切换是否正常。 205. B-[ ] 必要维护 206. B-[ ] 每周一次启用NMRDiagnostics检查磁场频率是否在57±1MHZ,否则调整磁场。 207. B-[ ] 点击Shimming调整磁场。 208. B-[ ] 每隔三个月用甲苯溶液冲洗探头一次。 209. B-[ ] 每半个月打开排放阀冲洗过滤器一。 签字( ) 状态M3 停机 300. B-[ ] 点击Stop停止ProcessNMR 301. B-[ ] 关闭加热器电源 302. B-[ ] 关闭NMR电源(短期停用则不必) 303. B-[ ] 吹扫后关闭物流头道阀 304. B-[ ] 关闭电伴热电源 305. B-[ ] 关闭蒸汽头道阀 306. B-[ ] 关闭仪表风头道阀 签字( ) 状态M4 简介、技术标准 400. C-[ ] INVENSYS公司的核磁共振分析系统的关键部件:磁场部份,采用了INVENSYS公司的专利技术。集中化磁场设计提供一个永久、稳定和无边缘效应、均匀的磁场,加之采用了自动调整线圈、自动控制磁场温度和内部锁定参照物等技术保证了系统的精确性和稳定性。 在核磁共振分析系统工作时,样品物流经过精确控制的磁场,将其所有的质子在均匀磁场中排列,核磁共振分析系统向样品物流发射射电频率(57MHz)的脉冲,使样品物流中的质子发生偏转,偏转的量以及恢复的时间随着物质的化学结构不同而变化, 核磁共振分析系统接收并分析质子发射的射电信号,几秒钟内,系统将多个脉冲进行平均处理成频谱,从而显示样品物流中化学物质的名称及其浓度。 核磁共振分析系统所产生的频谱可以通过物质的物理性质而不是化学成份进行校正,因而在一个单独的物流中可以确定多个成份参数。而且核磁共振分析(NMR)是一种非光学方法的分子级测量技术,所以分析的精度不受样品的光学特性(汽泡和小颗粒)和温度的影响,也与样品的状态(固体、气体或液体)无关,加之直接流通式非破坏性检测,样品可直接流回装置,简化了采样系统的设计。样品与分析系统的其它部份无接触及电子、磁场部份无移动部件等特点把系统的损耗减少到极限,基本上做到了免维护和免备件,减少了日常维护费用。 401. C-[ ] 主要技术指标 NMR系统供电 380VAC 电伴热供电 220VAC 风压 ≮0.35MPa 再现性误差 柴油 汽油 进料 干点 ±12℃ 10%馏分点 ±6℃ 500℃馏出量 ± 2.4% 闪点 ±4.8℃ RON ±1.2 密度 ± 1.2 烯烃含量 ±7.8% 残碳 ± 0.29 干点 ±6℃ 芳烃含量 ± 4.8% 烷烃含量(%) ± 4.8% 签字 ( ) 状态M5 交付使用 500. B-[ ] 现场清扫。 510. B-( ) 工艺人员验收。 520. B-( ) 填写仪表检修记录。 签字( ) 本检修作业规程属DSHLYC版权所有,未经许可,不得复制或外传。
展开阅读全文

开通  VIP会员、SVIP会员  优惠大
下载10份以上建议开通VIP会员
下载20份以上建议开通SVIP会员


开通VIP      成为共赢上传

当前位置:首页 > 包罗万象 > 大杂烩

移动网页_全站_页脚广告1

关于我们      便捷服务       自信AI       AI导航        抽奖活动

©2010-2025 宁波自信网络信息技术有限公司  版权所有

客服电话:0574-28810668  投诉电话:18658249818

gongan.png浙公网安备33021202000488号   

icp.png浙ICP备2021020529号-1  |  浙B2-20240490  

关注我们 :微信公众号    抖音    微博    LOFTER 

客服