收藏 分销(赏)

基坑护坡工程施工组织设计方案.docx

上传人:xrp****65 文档编号:5930761 上传时间:2024-11-23 格式:DOCX 页数:6 大小:49.17KB 下载积分:10 金币
下载 相关 举报
基坑护坡工程施工组织设计方案.docx_第1页
第1页 / 共6页
基坑护坡工程施工组织设计方案.docx_第2页
第2页 / 共6页


点击查看更多>>
资源描述
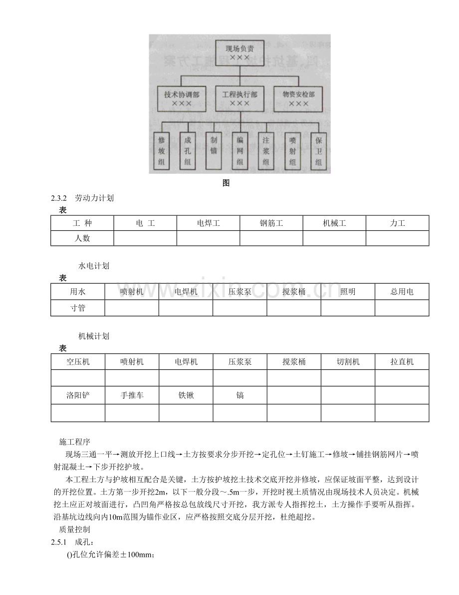
基坑护坡工程施工方案 .概述 北京工程,位于北京市区,东临路,南临。本工程、、座地上层,~、座地上层,全现浇剪力墙结构。层框架结构综合楼,均设层地下室。自然地面标高为36.30m,±绝对高程为37.50m,基础埋深约. 00m。 因施工现场狭窄,为保证周边建(构)筑物的安全和基础施工的顺利进行,须对基坑进行有效支护。 本场地工程地质性质详见《工程地质勘察报告》。 .基坑护坡设计及施工方案 设计依据 北京市勘察院提供的本场地《工程地质勘察报告》。 体重度统一取为 。 地面超载按一般情况,考虑为 。 设计与计算遵循国家及北京市有关规范,主要有: 《建筑地基基础设计规范》() 《混凝土结构设计规范》( ) 《建筑基坑支护技术规程》( ) 《建筑地基处理技术规范》(—) 设计方案 根据我公司在北京地区施工经验,结合类似工程实际情况,综合考虑技术安全和经济合理,采用锚喷土钉墙方案。东侧、南侧作斜坡,共排土钉,从上至下长度依次为5m、6m、5m、4m,锚筋φ,四排锚筋φ,间距依次为1.4m、1.3m、1.3m、1.4m,水平间距1.4m;西侧、北侧、东南角按放坡,共排土钉,从上至下长度依次为5m、5m、5m、4m,锚筋φ,间距依次为1.4m、3m、3m、.4m,水平间距1.4m.。 以上设计土钉倾角均为°~°横压筋φ通长,竖压筋φ通长,与横压筋在土钉墙端部井字架形焊接。土钉成孔直径100mm钢筋网片φ@×,现场绑扎或焊接而成;面层喷射混凝土,厚度~。 本工程采取信息法施工,各段土钉的排数、长度、间距应根据实际情况由现场技术负责人做出调整。 座西侧化粪池采用护坡桩,桩数根,桩长12m,桩径600mm,混凝土强度,桩间距,桩顶梁600mm×400mm,桩间挂钢板网喷混凝土。化粪池底做一排预应力锚杆,锚杆长8m,水平间距1m,外设槽钢,螺栓连接。护坡桩施工采用于成孔作业,施工前先降低地下水位,共布降水井眼,井深17m,管井直径600mm,滤管直径400mm,滤料~10mm。 施工准备 2.3.1 施工组织结构(见图—) 图 2.3.2 劳动力计划 表 工 种 电 工 电焊工 钢筋工 机械工 力工 人数 水电计划 表 用水 喷射机 电焊机 压浆泵 搅浆桶 照明 总用电 寸管 机械计划 表 空压机 喷射机 电焊机 压浆泵 搅浆桶 切割机 拉直机 洛阳铲 手推车 铁锹 镐 施工程序 现场三通一平→测放开挖上口线→土方按要求分步开挖→定孔位→土钉施工→修坡→铺挂钢筋网片→喷射混凝土→下步开挖护坡。 本工程土方与护坡相互配合是关键,土方按护坡挖土技术交底开挖并修坡,应保证坡面平整,达到设计的开挖位置。土方第一步开挖2m,以下一般分段~.5m一步,开挖时视土质情况由现场技术人员决定。机械挖土应正对坡面进行,凸凹角严格按总包放线尺寸开挖,我方派专人指挥挖土,土方操作手要听从指挥。沿基坑边线向内10m范围为锚作业区,应严格按照交底分层开挖,杜绝超挖。 质量控制 2.5.1 成孔: ()孔位允许偏差±100mm; ()孔深允许偏差±50mm; ()孔径不允许负偏差; ()孔内渣土应清理干净; ()遇地下障碍打不到设计深度应及时上报,经技术人员会同总包、监理研究变更后再施土。 2.5.2 注浆: ()采用二次注浆法; ()注浆采用全长压力灌浆,注浆压力不小于; ()采用纯水泥浆,浆液水灰比,水泥·。 2.5.3 制锚: ()锚杆要达到设计长度,孔口外露统一为80mm; (2)锚杆全长每2m加焊支架; ()锚杆外露段严禁悬挂重物。 2.5.4 喷射混凝土: ()面层喷射混凝土,厚不小于60mm; ()钢筋网片φ@×,采用绑扎或焊接而成,铺设时焊边的搭接长度应不小于200mm; ()横竖压筋要双面满焊,不得有气孔、咬肉。 2.5.5 钢筋笼制作与吊放: ()钢筋笼的制作: )钢筋进货时,必须随车附有质量报验单,并应进行二次材质检查; )钢筋笼制作严格按照设计要求及规范要求进行; )钢筋笼制作允许偏差为: ①主筋间距偏差≤±10mm; ②箍筋间距或螺旋筋间距偏差≤±20mm; ③钢筋笼直径偏差≤±10mm; ④钢筋笼长度偏差≤±50mm; ⑤成型后的钢筋笼应分段加焊混凝土保护垫块,即可保证钢筋笼下放孔内居中。未经检验合格的钢筋笼不得下人孔内。 ()钢筋笼的吊放: 该工程钢筋笼长度为12.00m,故在钢筋笼制作时加工成一节,钢筋笼起吊时应准确计算好起吊点,防止起吊的钢筋笼弯曲、变形。 2.5.6 滞水处理: ()设置排水管; ()设排水沟,挖集水坑,集水外排。 2.5.7 质量保证措施: ()孔位放线定位后,必须同质检人员、监理人员进行孔位复核; ()钻孔钻进过程中随时调整角度,以保证°~°。 ()采用适当直径的钻头,以保证成孔直径不小于设计要求; ()详细记录钻孔过程,精确控制孔深; ()钻孔过程中,遇滞水易塌孔孔段,采取干水泥护壁。若孔内滞水外流,则采用套管跟进护壁,成孔后立即放人钢筋,边注浆边拔管,并用止浆袋封堵孔口; ()严把钢筋进料关,保证使用产品质量合格的钢材,并做好原材料试验,锚筋制作成形后,必须会同有关质检人员及监理人员进行钢筋质量检查,锚筋放到位后,还应做钢筋隐检,并认真填写隐检记录; ()混凝土必须进行试配确定配合比,要有原材(水泥、砂、石、外加剂)试验报告,现场施工时每200m预留一组混凝土试块(××100mm),并做好混凝土试块制作记录和试块的现场养护; ()锚杆注浆后,必须在较长时间()内进行二次补浆,以确保注浆满实; ()冬季施工应采取有效的保温措施,当日未做完和已喷射混凝土的工作面,夜间应用塑料布和保温被覆盖; ()做好并收集、整理好各种施工原始记录,质量检查记录、设计变更、现场签证记录等原始.资料,并做好施工日志。 2.5.8 质量管理体系 ()建立由项目负责人领导控制、技术质量组全体人员基层检查的管理系统,以确保各项质量管理措施落实到各分部(子分部)、分项工程及各道工序中; ()在施工过程中设专职质量员,班组设兼职质量员进行自检、互检,发现不符合质量标准的问题及时纠正; ()各工序设质量负责人、质量检查人,明确岗位,落实责任; ()严把材料进场关,搞好复查、抽检,确保材料质量; ()定期召开质量会议,严格质量管理。 与总包配合 2.6.1 现场三通一平。 2.6.2 制锚场地固定,不得随意挪动。 2.6.3 基坑测量放线。 2.6.4 提供周围管线和地障资料。 2.6.5 解决扰民和民扰问题。 2.6.6 提供办公室间,人住宿临设。 2.6.7 搭设基坑周边防护栏和采取足够的照明。 2.6.8 每日保证提供150m工作面。 安全管理 2.7.1 严格执行国家及北京市有关施工现场安全管理条例及办法。 2.7.2 制订施工现场安全防护基本标准,如:基坑防护标准;各类洞口及临边地带的防护标准;施工临时用电安全防护标准;各类施工机械和设备的安全防护标准;施工现场消防工作管理标准等。 2.7.3 建立严格的安全教育制度,坚持人场教育,每周按班组召开安全工作教育研讨会,增强安全意识,务必使安全工作落到广大群众基础上。 2.7.4 编制安全措施,设计和购置安全设施。 2.7.5 强化安全法制观念,严格执行安全工作文字交底,双方认可,坚持特殊工种持安全操作证上岗制度等。 2.7.6 加强管理人员的安全考核,增强安全意识;避免违章指挥。 文明施工与环保措施 2.8.1 合理进行施工现场的平面布置,做到计划用料;使现场材料堆放降到最低值,保证场内道路通畅。 2.8.2 运输散装材料时,车斗或车厢封闭,避免运输途中遗洒。 2.8.3 合理安排作业时间,采用低噪音施工机械,减少噪音扰民。 2.8.4 夜间灯具集中熊射,避免灯光扰民。 2.8.5 根据公司文明施工会议精神要求,现场施工人员统一着装。 2.8.6 喷射混凝土时,派专人负贵挡尘布,随喷射工作面移动,将扬尘控制在最低范围。 施工进度计划 表 时间 项目 降水井施工 护坡桩施工 第一步 土钉施工 第二步 土钉施工 第三步 土钉施工 第四步 土钉施工 收马道  说   明    图库网址 联系: 电话:
展开阅读全文

开通  VIP会员、SVIP会员  优惠大
下载10份以上建议开通VIP会员
下载20份以上建议开通SVIP会员


开通VIP      成为共赢上传

当前位置:首页 > 品牌综合 > 施工方案/组织设计

移动网页_全站_页脚广告1

关于我们      便捷服务       自信AI       AI导航        抽奖活动

©2010-2026 宁波自信网络信息技术有限公司  版权所有

客服电话:0574-28810668  投诉电话:18658249818

gongan.png浙公网安备33021202000488号   

icp.png浙ICP备2021020529号-1  |  浙B2-20240490  

关注我们 :微信公众号    抖音    微博    LOFTER 

客服