收藏 分销(赏)

投入产出表表式.doc

上传人:pc****0 文档编号:5869552 上传时间:2024-11-22 格式:DOC 页数:4 大小:57KB 下载积分:10 金币
下载 相关 举报
投入产出表表式.doc_第1页
第1页 / 共4页
投入产出表表式.doc_第2页
第2页 / 共4页


点击查看更多>>
资源描述
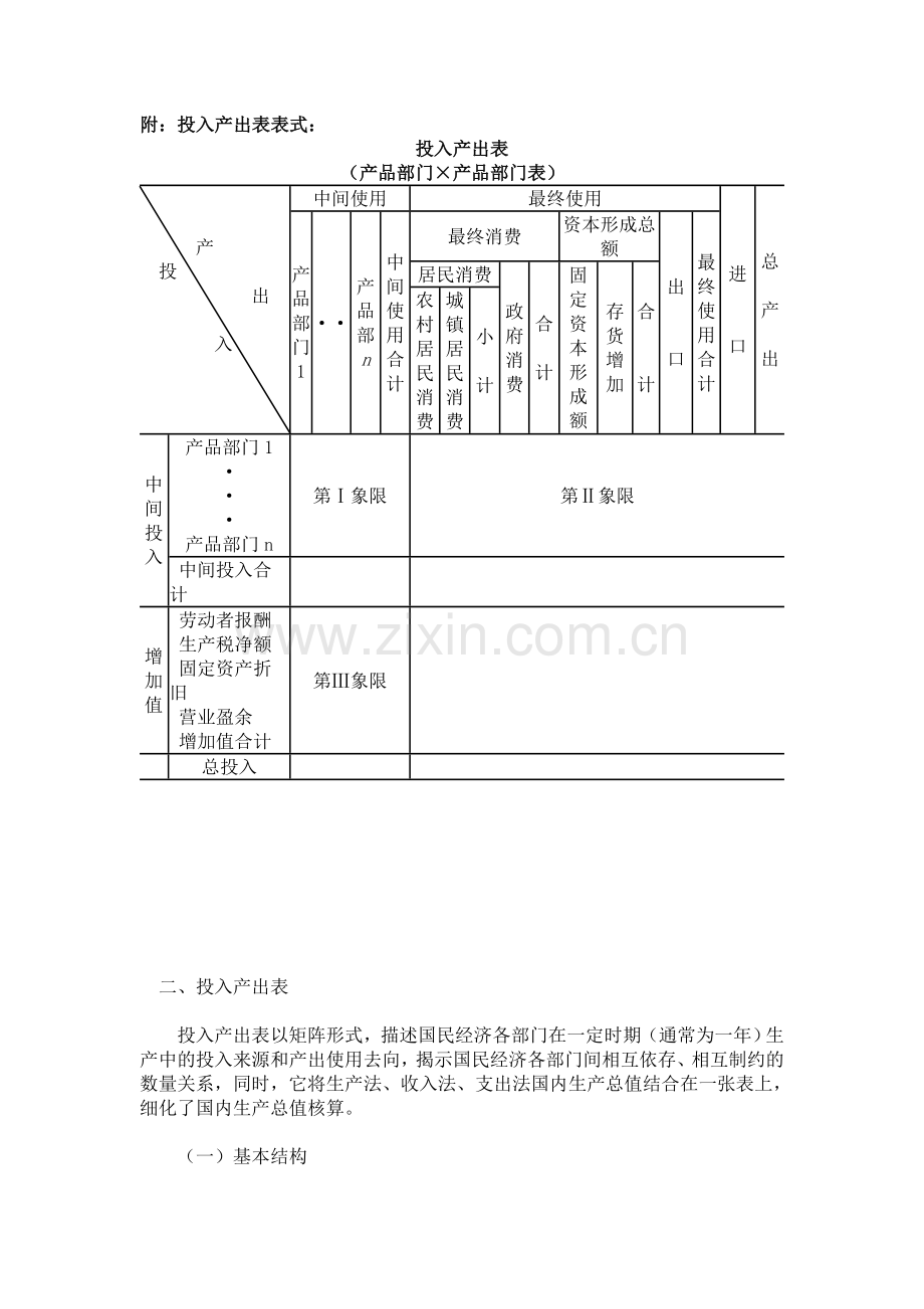
附:投入产出表表式: 投入产出表 (产品部门×产品部门表)      产 投 出   入 中间使用 最终使用 进     口 总   产   出 产 品部门 1 ·· 产 品 部 n 中 间使用合计 最终消费 资本形成总额 出     口 最 终使用合计 居民消费 政府消费 合   计 固 定 资 本 形 成 额 存 货 增 加 合     计 农村居民消费 城镇居民消费 小   计 中 间 投 入 产品部门1 · · · 产品部门n 第Ⅰ象限 第Ⅱ象限 中间投入合计     增 加 值 劳动者报酬 生产税净额 固定资产折旧 营业盈余 增加值合计 第Ⅲ象限     总投入        二、投入产出表     投入产出表以矩阵形式,描述国民经济各部门在一定时期(通常为一年)生产中的投入来源和产出使用去向,揭示国民经济各部门间相互依存、相互制约的数量关系,同时,它将生产法、收入法、支出法国内生产总值结合在一张表上,细化了国内生产总值核算。     (一)基本结构     投入产出表由供给表、使用表和产品部门×产品部门表组成。供给表又称产出表,主栏为n个产品部门,宾栏为m个产业部门,沿行方向看,反映属于某一产品部门的货物或服务是由哪些产业部门生产的,合计为属于该产品部门的货物或服务的总产出;沿列方向看,反映某一产业部门生产各产品部门货物或服务的价值量,合计为该产业部门总产出。全部产业部门总产出等于全部产品部门总产出。通常产品部门个数多于产业部门个数。按生产者价格计算的总供给等于按生产者价格计算的总产出与进口之和;按购买者价格计算的总供给等于按生产者价格计算的总供给与商业和运输费用之和。     使用表又称投入表,通常由三部分组成,第一部分的主栏包括n个产品部门,宾栏包括m个产业部门。沿行方向看,表明各产品部门生产的货物或服务提供给各产业部门使用的价值量,沿列方向看,表明各产业部门从事生产活动所消耗各产品部门生产的货物或服务的价值量;第二部分是第一部分在水平方向上的延伸,其主栏与第一部分相同,也是n个产品部门,其宾栏由最终消费、资本形成总额、出口等最终使用项组成,它反映各产品部门生产的货物或服务用于最终使用的价值量及其构成;第三部分是第一部分在垂直方向上的延伸,其主栏由劳动者报酬、生产税净额、固定资产折旧和营业盈余等增加值项组成,宾栏与第一部分的宾栏一致,也是m个产业部门,它反映各产业部门增加值的构成情况。     产品部门×产品部门表,形式上与使用表相似,也是由三部分组成,第一部分是由名称相同、排列次序相同、数目一致的n个产品部门纵横交叉而成的,其主栏为中间投入、宾栏为中间使用,它充分揭示了国民经济各产品部门之间相互依存、相互制约的技术经济联系,反映了国民经济各部门之间相互依赖、相互提供劳动对象供生产和消耗的过程。沿行方向看,反映第i产品部门生产的货物或服务提供给第j产品部门使用的价值量;沿列方向看,反映第j产品部门在生产过程中消耗第i产品部门生产的货物或服务的价值量。第二部分是第一部分在水平方向上的延伸,其主栏与第一部分的主栏相同,也是n个产品部门;其宾栏由最终消费、资本形成总额、出口等最终使用项组成。它反映各产品部门生产的货物或服务用于各种最终使用的价值量及其构成。第三部分是第一部分在垂直方向上的延伸,其主栏由劳动者报酬、生产税净额、固定资产折旧和营业盈余等增加值项组成;宾栏与第一部分的宾栏相同,也是n个产品部门,它反映各产品部门增加值的构成情况。     产品部门×产品部门表的平衡关系是:     从纵列方向看,第j产品部门中间投入合计+第j产品部门增加值合计=第j产品部门总投入     从横行方向看,第i产品部门中间使用合计+第i产品部门最终使用合计-第i产品部门进口=第i产品部门总产出     从总量看,总投入=总产出     第i产品部门总投入=第i产品部门总产出     中间投入合计=中间使用合计     (二)部门分类     在投入产出核算中,部门分类包括产品部门分类和产业部门分类两种。     产品部门分类是指供给表和使用表主栏以及产品部门×产品部门表主栏和宾栏所采用的部门分类。产品部门分类遵循同质性原则,即消耗结构相同、生产工艺技术相同和经济用途相同的原则。一个产品部门就是满足上述同质性原则的同类产品组成的产品群。但在实际操作中同一产品部门的货物或服务往往不能同时满足三个条件,而只能满足其中一个或两个条件。     产业部门分类是指供给表宾栏和使用表宾栏所采用的部门分类。产业部门由一组从事相同或相似活动的产业活动单位组成,产业活动单位从事的主要活动的增加值远远大于其他非主要活动的增加值。我国的现行统计是以企业为调查对象的,还不具备按产业部门进行分类的条件,在投入产出核算中使用行业分类代替产业部门分类。     (三)基本编表方法     投入产出表的编制方法主要指编制产品部门×产品部门表的方法。产品部门×产品部门表有两种编制方法,一种是间接推导法,另一种是直接分解法。     间接推导法是以产业活动单位为统计单位,按照产业活动单位主产品的性质将其划分到某一产业部门,并编制包括全部产业部门在内的使用表和供给表,然后利用使用表和供给表,依据一定的假定,采用数学方法推导出产品部门×产品部门表的方法。     间接推导法使用的假定有两种,一是产品工艺假定,即假定不管由哪个产业部门生产,同一种产品具有相同的投入结构;二是产业部门工艺假定,即假定同一产业部门不论生产何种产品,都具有相同的投入结构。     直接分解法与间接推导法不同,其统计单位不是产业活动单位,而是一个企业。一个企业,特别是大中型企业,往往同时生产几种、甚至几十种不同质的产品,它们的投入构成不同,根据产品部门的要求,将该企业生产的各种产品,按其性质划归到相应产品部门中,利用企业按产品部门直接分解后的投入构成资料,编制产品部门×产品部门表的方法。     目前我国采用的是以直接分解法为主,间接推导法为辅的编表方法。     (四)基本系数     1.直接消耗系数的定义及其计算方法   直接消耗系数,也称为投入系数,记为((i,j=1,2,…,n),它是指在生产经营过程中第j产品(或产业)部门的单位总产出所直接消耗的第i产品部门货物或服务的价值量,将各产品(或产业)部门的直接消耗系数用表的形式表现出来,就是直接消耗系数表或直接消耗系数矩阵,通常用字母A表示。   直接消耗系数的计算方法为:用第j产品(或产业)部门的总投入去除该产品(或产业)部门生产经营中所直接消耗的第i产品部门的货物或服务的价值量,用公式表示为:   (i,j=1,2,...,n)     2.完全消耗系数     完全消耗系数是指第j产品部门每提供一个单位最终使用时,对第i产品部门货物或服务的直接消耗和间接消耗之和。将各产品部门的完全消耗系数用表的形式表现出来,就是完全消耗系数表或完全消耗系数矩阵,通常用字母B表示。完全消耗系数是在直接消耗系数的基础上计算得到的,利用直接消耗系数矩阵A计算完全消耗系数矩阵的公式为:      式中的I为单位矩阵。
展开阅读全文

开通  VIP会员、SVIP会员  优惠大
下载10份以上建议开通VIP会员
下载20份以上建议开通SVIP会员


开通VIP      成为共赢上传

当前位置:首页 > 行业资料 > 医学/心理学

移动网页_全站_页脚广告1

关于我们      便捷服务       自信AI       AI导航        抽奖活动

©2010-2025 宁波自信网络信息技术有限公司  版权所有

客服电话:0574-28810668  投诉电话:18658249818

gongan.png浙公网安备33021202000488号   

icp.png浙ICP备2021020529号-1  |  浙B2-20240490  

关注我们 :微信公众号    抖音    微博    LOFTER 

客服