收藏 分销(赏)

GBF蜂巢芯空心楼盖在建筑工程中的应用.doc

上传人:xrp****65 文档编号:5705672 上传时间:2024-11-15 格式:DOC 页数:5 大小:108KB 下载积分:10 金币
下载 相关 举报
GBF蜂巢芯空心楼盖在建筑工程中的应用.doc_第1页
第1页 / 共5页
GBF蜂巢芯空心楼盖在建筑工程中的应用.doc_第2页
第2页 / 共5页


点击查看更多>>
资源描述
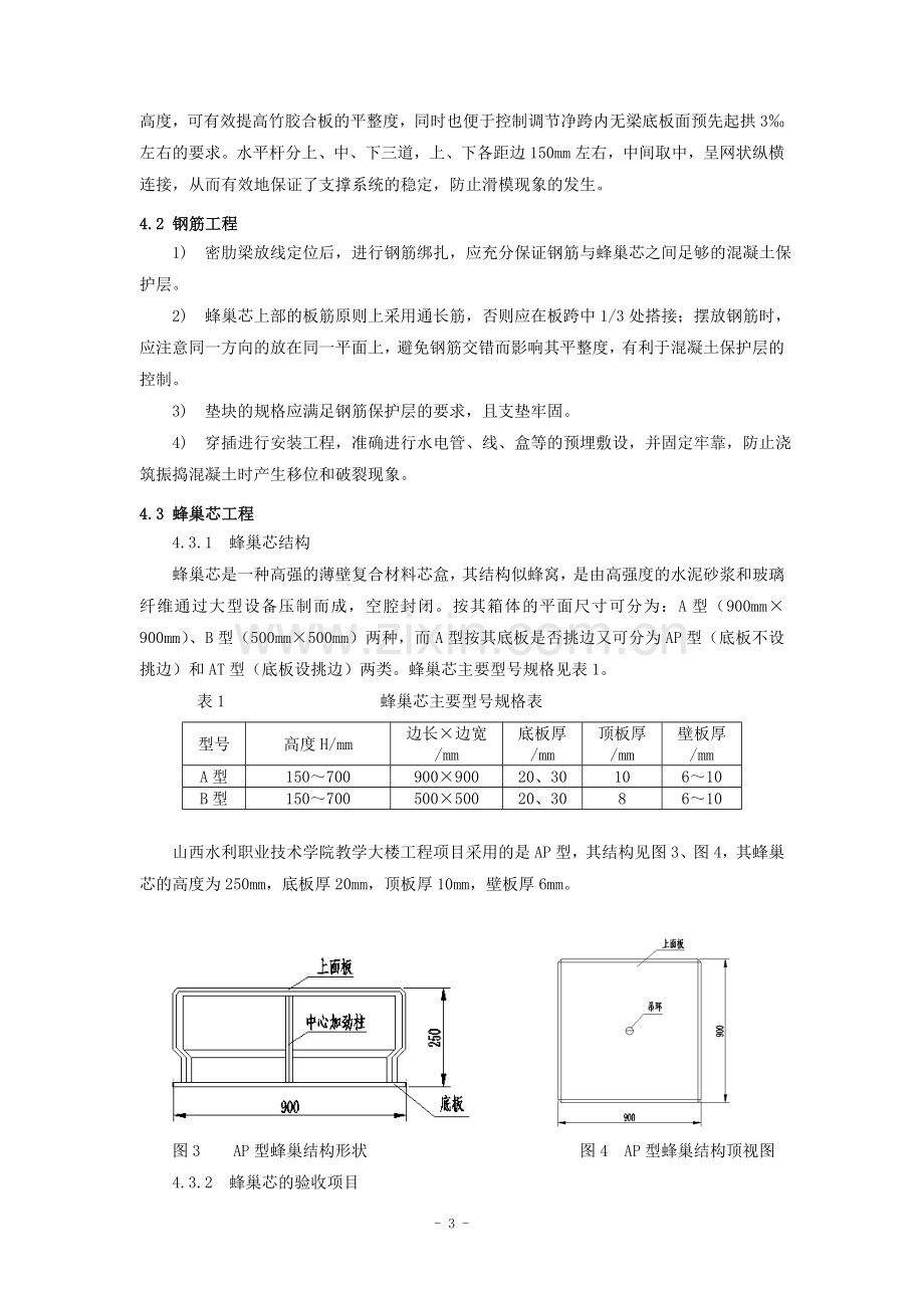
GBF蜂巢芯空心楼盖在建筑工程中的应用 高 智 (山西水利职业技术学院,运城044004) 摘 要:结合山西水利职业技术学院教学楼工程,详细介绍了GBF蜂巢芯空心楼盖的设计原理、施工工艺流程以及施工中应控制的几个施工要点。 关键词:蜂巢芯;空心楼盖;设计原理;施工流程;施工要点 中图分类号:TU201 文献标识码:B 1GBF蜂巢芯空心楼盖概述 蜂巢芯是一种高强的薄壁复合材料芯盒,其结构似蜂窝,是由高强度的水泥砂浆和玻璃纤维通过大型设备压制而成,空腔封闭。其最大优点是:结构好,重量轻,造价低,施工速度快。 近年来,GBF蜂巢芯空心楼盖施工技术在湖南、湖北、浙江、福建等南方省份应用较多,而在北方则较少采用。目前,山西省仅在太原市有两项工程采用该施工技术,山西水利职业技术学院教学大楼应用此项技术在山西运城尚属首例。 该工程位于运城市安邑水库湖心岛上,地基承载力相对较弱,教学楼整体结构类型为框架─剪力墙结构,建筑物地上八层,地下一层,高37.20m,总建筑面积为19 751.34m2,地基荷载相对较大。为有效减轻地基上部建筑物的自重,获得良好的建筑隔音效果,提高其适用性,在该工程楼板施工中采用了GBF蜂巢芯空心楼盖施工技术。目前,该工程已经完工,并通过了竣工验收,工程质量评定为优良。 2 设计原理 GBF蜂巢芯空心楼盖隶属于空腹小密肋楼盖的范畴。即在现浇钢筋混凝土楼板中预埋空心蜂巢芯,形成网格状密肋梁传力的双向肋空心楼板,达到楼板刚度基本不变的情况下,大幅度抽空混凝土,减轻楼板自重,减少钢筋用量的目的。同时,因采用了蜂巢芯空心结构体系,而实现了建筑物内大开间无梁或少梁、隔音、隔热、灵活分隔的意愿。该结构是由现浇钢筋混凝土框架暗梁(或明梁)、小密肋梁、现浇钢筋混凝土面板及预制的非拆除式肋间蜂巢芯等组成的楼盖结构,具体见图1及图2。 3 施工工艺流程 对拟施工楼盖测量放线;楼盖模板安装;在模板上对框架梁、柱帽、小密肋梁、蜂巢芯及预埋件安装位置定位划线;框架梁、柱帽及小密肋梁的钢筋绑扎安装及验收;由专业厂家生产的合格蜂巢芯吊装;蜂巢芯吊装质量验收;楼盖面板钢筋的绑扎安装及验收;浇筑楼盖混凝土;混凝土养护及拆模成型。 4 施工要点 4.1 模板工程 4.1.1 模板工程的选材 模板采用竹胶合板和方木相结合的体系。首先,本工程的建筑开间与进深有8 400mm×7 500mm及8 400mm×7 600mm两种,采用1 220mm×2 440mm的竹胶合板作为模板,节约板材,且施工时相邻板间贴胶带密封,避免因漏浆而造成混凝土蜂窝麻面。其次,因成品蜂巢芯底板占据了大量面积,只有在浇筑小密肋梁底部混凝土时与局部模板接触,接触面积很小,从而大大减少了对竹胶合板的损坏,提高了竹胶合板的回收利用率(可高达80%左右),从而大大降低了施工成本。另外,采用4 000mm×60mm×100mm的方木作为竹胶合板背面的龙骨,其周转使用率更高,待模板拆除回收后还可做木门窗的材料,经济效果就更加明显了,从而大大降低了施工成本。 4.1.2 模板工程的平整度 模板是否平整对后序的装修工程影响很大,应使其最大限度地与蜂巢芯底板相接触,以避免混凝土中的浆液漏到蜂巢芯底部,形成凸凹面,给装修工程造成影响。若能有效地保证蜂巢芯底部的平整度,则装修时工艺上就可省去抹灰找平工序,而直接采用石膏刮面,这样既可达到装修之目的,又能有效地节省施工费用。 4.1.3 模板工程的支撑体系 模板采用钢管支撑体系。立杆间距按800mm~1 000mm分布,采用通长杆上加顶丝调节高度,可有效提高竹胶合板的平整度,同时也便于控制调节净跨内无梁底板面预先起拱3‰左右的要求。水平杆分上、中、下三道,上、下各距边150mm左右,中间取中,呈网状纵横连接,从而有效地保证了支撑系统的稳定,防止滑模现象的发生。 4.2 钢筋工程 1) 密肋梁放线定位后,进行钢筋绑扎,应充分保证钢筋与蜂巢芯之间足够的混凝土保护层。 2) 蜂巢芯上部的板筋原则上采用通长筋,否则应在板跨中1/3处搭接;摆放钢筋时,应注意同一方向的放在同一平面上,避免钢筋交错而影响其平整度,有利于混凝土保护层的控制。 3) 垫块的规格应满足钢筋保护层的要求,且支垫牢固。 4) 穿插进行安装工程,准确进行水电管、线、盒等的预埋敷设,并固定牢靠,防止浇筑振捣混凝土时产生移位和破裂现象。 4.3 蜂巢芯工程 4.3.1 蜂巢芯结构 蜂巢芯是一种高强的薄壁复合材料芯盒,其结构似蜂窝,是由高强度的水泥砂浆和玻璃纤维通过大型设备压制而成,空腔封闭。按其箱体的平面尺寸可分为:A型(900mm×900mm)、B型(500mm×500mm)两种,而A型按其底板是否挑边又可分为AP型(底板不设挑边)和AT型(底板设挑边)两类。蜂巢芯主要型号规格见表1。 表1 蜂巢芯主要型号规格表 型号 高度H/mm 边长×边宽 /mm 底板厚 /mm 顶板厚 /mm 壁板厚 /mm A型 150~700 900×900 20、30 10 6~10 B型 150~700 500×500 20、30 8 6~10 山西水利职业技术学院教学大楼工程项目采用的是AP型,其结构见图3、图4,其蜂巢芯的高度为250mm,底板厚20mm,顶板厚10mm,壁板厚6mm。 图3 AP型蜂巢结构形状 图4 AP型蜂巢结构顶视图 4.3.2 蜂巢芯的验收项目 (1)批量、规格、本批出厂质量证明文件; (2)产品外观质量、尺寸偏差检测。 必要时可抽样检验其物理力学性能指标,检验项目有局部抗压破坏荷载、抗压线荷载、抗震动冲击等。 4.3.3 蜂巢芯的堆放与吊运 (1)蜂巢芯的堆放场地应坚实、平整、洁净。 (2)应按规格型号分类平卧叠层堆放,叠加层数应符合表2之规定,且不得高于1.5m,并应明显警示禁止人员攀爬、踩踏。 表2 蜂巢芯最大叠放层数表 蜂巢芯高度/mm ≤200 200~300 300~400 >400 容许叠层 ≤8 ≤6 ≤4 3 (3)应采用专门的吊笼(箱)吊运蜂巢芯,其内允许叠放层数同表2规定,且不得高出笼(箱)侧挡板。严禁用缆绳直接绑扎吊运。 (4)蜂巢芯吊至安装楼层后应及时摆放,不宜再叠层堆放。 4.3.4 蜂巢芯的安装 (1)布置蜂巢芯的原则是从梁边开始由一端向另一端摆放标准芯,不合模数的尺寸应布置在楼盖四周,且应摆放异型配套蜂巢芯。若尺寸既不合模数又不足以布放一个最小配套蜂巢芯,则应将该尺寸分摊到每肋或在一边增加φ8钢筋两道设混凝土加强带。 (2)放蜂巢芯前应将模板上的杂物清理干净,保证蜂巢芯不翘曲、不进混凝土浆液,且吊运过程中洒落的杂物应及时清理。 (3)吊放芯时应注意成排成行,保证蜂巢芯之间及芯与梁、墙、柱之间的间距符合设计要求。 (4)布置完成后应检查是否有破损,对损坏的蜂巢芯应根据情况进行修补或更换。验收合格后方可进行下道工序的施工。 4.4 混凝土工程 1) 原材料的选用。因蜂巢芯之间的密肋梁断面小,故应选用10mm~30mm粒径的小粒级石子作为粗骨料,选含泥量小于3%的水洗砂作为细骨料。 2) 既要保证混凝土的强度,又要满足泵送混凝土要求,所以控制好水灰比尤为重要。经现场测试该工程所用混凝土水灰比应控制在0.47~0.53之间,混凝土拌合物坍落度宜取140mm~160mm。 3) 输送混凝土的泵管应尽可能从框架梁上架设,如确须从蜂巢芯顶面通过,则应在纵横向密肋梁相交处泵管下垫放弹性缓冲垫(如废旧汽车外胎),严禁直接压到蜂巢芯上。 4) 混凝土的泵送、布料与振捣应同步进行。先浇筑密肋梁后浇筑楼盖面板,依据设置好的标高边振捣边收面。 5 结束语 GBF蜂巢芯空心楼盖施工技术,是建筑结构领域内的一项革新。 (1)它的设计理念更趋人性化,在减轻楼板自重的同时,可有效地降低各种灾害(如地震、战争等)造成的损失。 (2)其施工过程更加方便快捷,大大地加快了施工速度,缩短了施工工期;同时节省了材料,降低了施工成本。 (3)使用上可根据业主的需要,在空间上灵活分隔;且该工程在使用中,其保温、隔热、隔音效果十分明显。 总之,该项技术目前的应用已日趋成熟,完全可以在北方地区推广,尤其适用于教学楼、图书馆、住宅、医院等有特殊功能要求的工程中。 作者简介:高智,男,讲师,1965年生,1987年毕业于东北电力学院工民建专业。 [收稿日期:2008-12-30 修回日期:2009-01-05] The Application of GBF Honeycomb-core Hollow Floor in Teaching Building Project GAO Zhi Abstract: The GBF honeycomb-core hollow floors are used in the teaching building project of Shanxi Water Conservency Profession Technology college. The paper narrates the designing principle on GBF honeycomb-core hollow floor , construction process in detail as well as the constrution essentials that must be controlled. Key words: honeycomb-core hollow floor designing principle ; construction process ; construction essentials - 5 -
展开阅读全文

开通  VIP会员、SVIP会员  优惠大
下载10份以上建议开通VIP会员
下载20份以上建议开通SVIP会员


开通VIP      成为共赢上传

当前位置:首页 > 环境建筑 > 其他

移动网页_全站_页脚广告1

关于我们      便捷服务       自信AI       AI导航        抽奖活动

©2010-2026 宁波自信网络信息技术有限公司  版权所有

客服电话:0574-28810668  投诉电话:18658249818

gongan.png浙公网安备33021202000488号   

icp.png浙ICP备2021020529号-1  |  浙B2-20240490  

关注我们 :微信公众号    抖音    微博    LOFTER 

客服