收藏 分销(赏)

轻型木结构(规格材、钉连接)分项工程质量管理.doc

上传人:二*** 文档编号:5431743 上传时间:2024-10-31 格式:DOC 页数:1 大小:19KB 下载积分:5 金币
下载 相关 举报
轻型木结构(规格材、钉连接)分项工程质量管理.doc_第1页
第1页 / 共1页
本文档共1页,全文阅读请下载到手机保存,查看更方便
资源描述
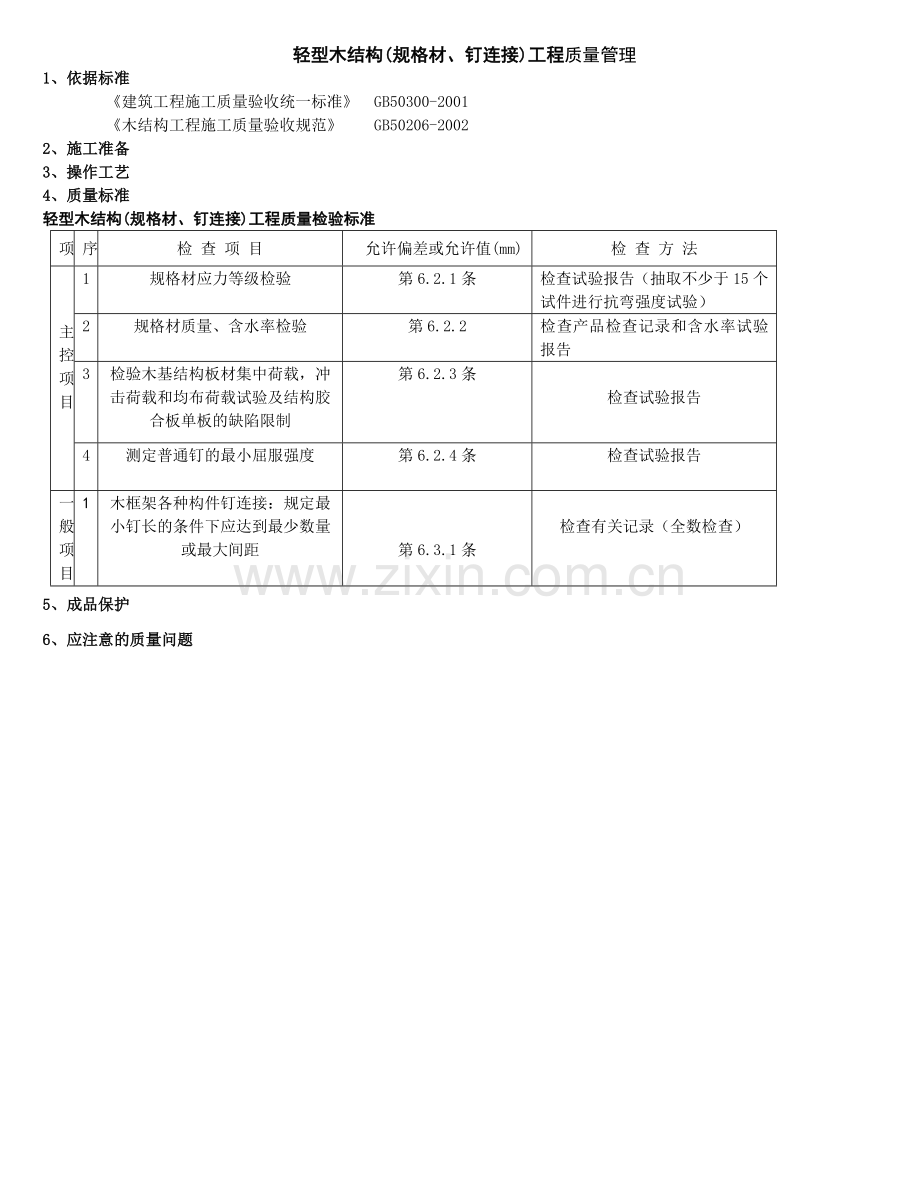
轻型木结构(规格材、钉连接)工程质量管理 1、依据标准 《建筑工程施工质量验收统一标准》 GB50300-2001 《木结构工程施工质量验收规范》 GB50206-2002 2、施工准备 3、操作工艺 4、质量标准 轻型木结构(规格材、钉连接)工程质量检验标准 项 序 检 查 项 目 允许偏差或允许值(mm) 检 查 方 法 主 控 项 目 1 规格材应力等级检验 第6.2.1条 检查试验报告(抽取不少于15个试件进行抗弯强度试验) 2 规格材质量、含水率检验 第6.2.2 检查产品检查记录和含水率试验报告 3 检验木基结构板材集中荷载,冲击荷载和均布荷载试验及结构胶合板单板的缺陷限制 第6.2.3条 检查试验报告 4 测定普通钉的最小屈服强度 第6.2.4条 检查试验报告 一 般 项 目 1 木框架各种构件钉连接:规定最小钉长的条件下应达到最少数量或最大间距 第6.3.1条 检查有关记录(全数检查) 5、成品保护 6、应注意的质量问题
展开阅读全文

开通  VIP会员、SVIP会员  优惠大
下载10份以上建议开通VIP会员
下载20份以上建议开通SVIP会员


开通VIP      成为共赢上传

当前位置:首页 > 包罗万象 > 大杂烩

移动网页_全站_页脚广告1

关于我们      便捷服务       自信AI       AI导航        抽奖活动

©2010-2026 宁波自信网络信息技术有限公司  版权所有

客服电话:0574-28810668  投诉电话:18658249818

gongan.png浙公网安备33021202000488号   

icp.png浙ICP备2021020529号-1  |  浙B2-20240490  

关注我们 :微信公众号    抖音    微博    LOFTER 

客服