收藏 分销(赏)

菌落总数、大肠菌群检验原始记录.doc

上传人:二*** 文档编号:4776256 上传时间:2024-10-12 格式:DOC 页数:1 大小:48KB 下载积分:5 金币
下载 相关 举报
菌落总数、大肠菌群检验原始记录.doc_第1页
第1页 / 共1页
本文档共1页,全文阅读请下载到手机保存,查看更方便
资源描述
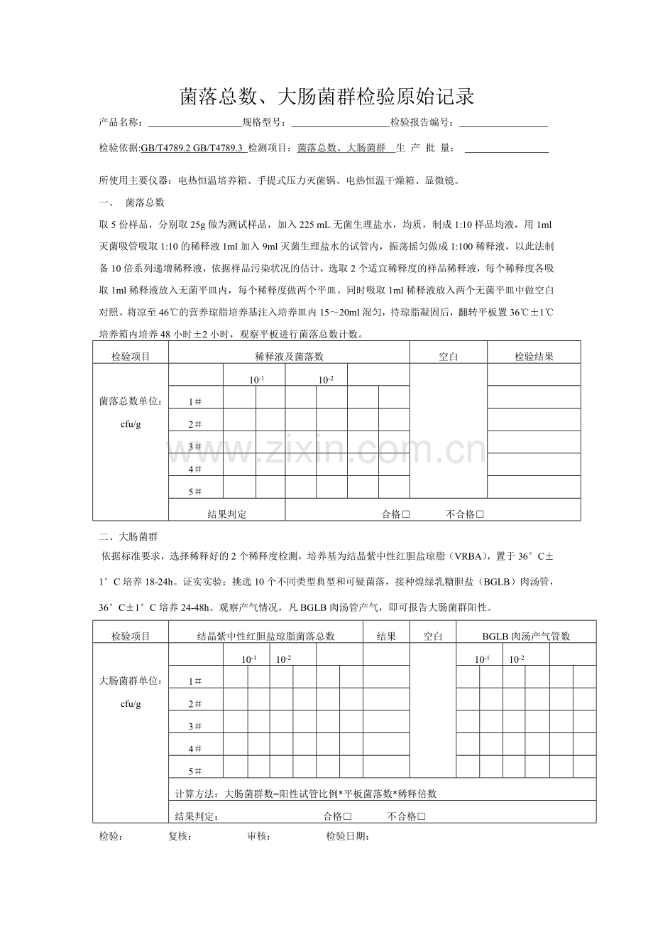
菌落总数、大肠菌群检验原始记录 产品名称: 规格型号: 检验报告编号: 检验依据:GB/T4789.2 GB/T4789.3 检测项目:菌落总数、大肠菌群 生 产 批 量: 所使用主要仪器:电热恒温培养箱、手提式压力灭菌锅、电热恒温干燥箱、显微镜。 一、 菌落总数 取 5 份样品,分别取25g做为测试样品,加入225 mL无菌生理盐水,均质,制成1:10样品均液,用1ml灭菌吸管吸取1:10的稀释液1ml加入9ml灭菌生理盐水的试管内,振荡摇匀做成1:100稀释液,以此法制备10倍系列递增稀释液,依据样品污染状况的估计,选取2个适宜稀释度的样品稀释液,每个稀释度各吸取1ml稀释液放入无菌平皿内,每个稀释度做两个平皿。同时吸取1ml稀释液放入两个无菌平皿中做空白对照。将凉至46℃的营养琼脂培养基注入培养皿内15~20ml混匀,待琼脂凝固后,翻转平板置36℃±1℃培养箱内培养48小时±2小时,观察平板进行菌落总数计数。 检验项目 稀释液及菌落数 空白 检验结果 菌落总数单位:cfu/g 10-1 10-2 1# 2# 3# 4# 5# 结果判定 合格□ 不合格□ 二、大肠菌群   依据标准要求,选择稀释好的2个稀释度检测,培养基为结晶紫中性红胆盐琼脂(VRBA),置于36°C±1°C培养18-24h。证实实验:挑选10个不同类型典型和可疑菌落,接种煌绿乳糖胆盐(BGLB)肉汤管,36°C±1°C培养24-48h。观察产气情况,凡BGLB肉汤管产气,即可报告大肠菌群阳性。 检验项目 结晶紫中性红胆盐琼脂菌落总数 结果 空白 BGLB肉汤产气管数 大肠菌群单位:cfu/g 10-1 10-2 10-1 10-2 1# 2# 3# 4# 5# 计算方法:大肠菌群数=阳性试管比例*平板菌落数*稀释倍数 结果判定: 合格□ 不合格□ 检验: 复核: 审核: 检验日期:
展开阅读全文

开通  VIP会员、SVIP会员  优惠大
下载10份以上建议开通VIP会员
下载20份以上建议开通SVIP会员


开通VIP      成为共赢上传

当前位置:首页 > 包罗万象 > 大杂烩

移动网页_全站_页脚广告1

关于我们      便捷服务       自信AI       AI导航        抽奖活动

©2010-2026 宁波自信网络信息技术有限公司  版权所有

客服电话:0574-28810668  投诉电话:18658249818

gongan.png浙公网安备33021202000488号   

icp.png浙ICP备2021020529号-1  |  浙B2-20240490  

关注我们 :微信公众号    抖音    微博    LOFTER 

客服