收藏 分销(赏)

交通规划答案样本.doc

上传人:精*** 文档编号:4759783 上传时间:2024-10-12 格式:DOC 页数:16 大小:754KB 下载积分:8 金币
下载 相关 举报
交通规划答案样本.doc_第1页
第1页 / 共16页
交通规划答案样本.doc_第2页
第2页 / 共16页


点击查看更多>>
资源描述
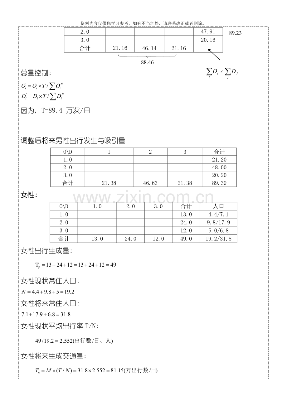
资料内容仅供您学习参考,如有不当之处,请联系改正或者删除。 作业一: 试用下表中的出行发生量、 出行吸引量和常住人口( 分男女性别) , 计算将来的出行生成量、 出行发生量及出行吸引量。 解: 男性: O\D 1 2 3 合计 人口 1 15.0 5.6/7.9 2 27.0 10.2/18.1 3 14.0 5.0/7.2 合计 15.0 26.0 15.0 56.0 20.8/33.2 男性出行生成量: 男性现状常住人口: 男性将来常住人口: 男性现状平均出行率T/N: 男性将来生成交通量: 将来男性出行发生与吸引量: O\D 1 2 3 合计 1.0 21.16 2.0 47.91 3.0 20.16 合计 21.16 46.14 21.16 总量控制: 因为, T=89.4 万次/日 调整后将来男性出行发生与吸引量 O\D 1 2 3 合计 1.0 21.20 2.0 48.00 3.0 20.20 合计 21.38 46.63 21.38 89.39 女性: O\D 1.0 2.0 3.0 合计 人口 1.0 13.0 4.4/7.1 2.0 24.0 9.8/17.9 3.0 12.0 5.0/6.8 合计 13.0 24.0 12.0 49.0 19.2/31.8 女性出行生成量: 女性现状常住人口: 女性将来常住人口: 女性现状平均出行率T/N: 女性将来生成交通量: 调整后将女性出行发生与吸引量 O\D 1 2 3 合计 1 20.98 2 43.84 3 16.32 合计 20.98 43.84 16.32 81.14 将调整后的男性和女性出行发生与吸引量合并 O\D 1 2 3 合计 1 42.18 2 91.84 3 36.52 合计 42.36 90.47 37.7 170.53 作业二: 试用指定的方法, 求出下列图、 表示分布交通量。( 同一、 平均增长率法, 底特律法, Frator法) 现状 1 2 3 OD小区示意图 将来 解: 1、 同一法: (1) 求个小区的发生增长系数: =; = =; (2) 将来个小区的预测值( 单位: 万次) O\D 1 2 3 合计 预测值 1 17.0 7.0 4.0 28.0 38.6 2 7.0 38.0 6.0 51.0 91.9 3 4.0 5.0 17.0 26.0 36.0 合计 28.0 50.0 27.0 105.0 166.5 (3) 以上表为基础矩阵, 各项均乘以发生增长系数, 得下表: 同一法计算得到的OD表( 单位: 万次) O\D 1 2 3 合计 预测值 1 23.44 9.65 5.51 38.6 38.6 2 12.61 68.48 10.81 91.9 91.9 3 5.54 6.92 23.54 36.0 36.0 合计 41.59 85.05 39.86 166.5 166.5 此OD表满足发生的约束条件, 故为所求的将来年分布矩阵。 2、 平均增量率法: ( 1) 求发生交通量增长系数和吸引交通量增长系数 = = = = = = (2)第一次近似值: 。 计算果得表: 第一次迭代计算OD表( 单位: 万次) O\D 1 2 3 合计 1 23.65 11.15 5.49 40.29 2 11.22 68.55 9.51 89.28 3 5.58 7.98 23.39 36.95 合计 40.45 87.68 38.39 166.52 (3) 重新计算和。 ; ; ; ; ; 。 (4) 收敛判定。 由于和的部分系数超出误差范围, 因此需要重新进行迭代。 (5) 第二次近似: 求解过程同上, 结果得表: 第一次迭代计算OD表( 单位: 万次) O\D 1 2 3 合计 1 22.82 11.08 5.27 39.17 2 11.23 70.59 9.46 91.28 3 5.43 8.00 22.64 30.07 合计 39.48 89.67 37.37 166.52 重新计算和。 ; ; ; ; ; 。 (7) 由于和的各项系数误差均在允许范围内, 因此不需继续迭代。 2、 底特律法。 ( 1) 1) 求发生交通量增长系数和吸引交通量增长系数 =; = =; = =; = ( 2求交通生成总量增长系数的倒数: 。 (3)第一次近似: 。 计算后得表: 第一次迭代计算OD表 O\D 1 2 3 合计 1 20.74 10.99 4.75 36.48 2 11.17 77.99 9.32 98.48 3 4.90 7.89 20.29 33.08 合计 36.81 96.87 34.36 168.04 (4) 重复以上步骤第二次计算后得表: 第二次迭代计算OD表 O\D 1 2 3 合计 1 23.64 10.94 5.45 40.03 2 11.23 68.48 9.43 89.14 3 5.75 8.07 23.93 37.75 合计 40.62 87.49 38.81 166.92 (5) 重复以上步骤第三次计算后得表: 第三次迭代计算OD表 O\D 1 2 3 合计 1 22.06 10.88 5.00 37.94 2 11.21 72.86 9.25 93.32 3 5.31 7.95 21.71 34.97 合计 38.58 91.69 35.95 166.22 ( 6) 重新计算和 =1.02; = 0.99; =1.03; = 1.02; =0.99; =1.03 (7) 收敛判定 由于和个项系数误差均在允许的范围内, 因此不需要继续迭代。因此上表即为底特律法所求将来分布交通量。 4、 Frator法: ( 1) 求和 =; = =; = =; = (2)求和 (3) 求 计算后饿表: 第一次迭代计算OD表 O\D 1 2 3 合计 1 22.04 10.94 5.06 38.04 2 11.17 72.78 9.35 93.30 3 5.28 7.96 21.92 35.16 合计 38.49 91.68 36.33 166.50 (4) 重新计算和 (5) 收敛判别。 由于和的误差均在允许范围内, 因此不需继续迭代计算。上表即为所求的最总分布交通量表。 作业三: 按上次作业给出的现状OD表和将来生成、 发生与吸引交通量, 利用下式重力模型和底特律法, 求出将来OD表。收敛标准ε=1%。 重力模型 其中, k=0.183,β=1.152,γ=1.536 现状行驶时间 将来行驶时间 1 2 3 1 2 3 1 8.0 17.0 22.0 1 4.0 9.0 11.0 2 17.0 15.0 23.0 2 9.0 8.0 12.0 3 22.0 23.0 7.0 3 11.0 12.0 4.0 现状 将来 解: 标定的重力模型为 第一次计算得到的OD表 O\D 1 2 3 合计 1 100.50 75.41 19.76 195.68 2 78.56 245.47 46.97 371.00 3 19.61 44.73 86.25 150.59 合计 198.67 365.61 152.98 717.27 第一次用底特律法计算的得到的OD表 O/D 1 2 3 合计 FO 1 16.89 15.83 4.05 36.77 1.05 2 16.58 64.70 12.09 93.37 0.98 3 3.99 11.38 21.42 36.80 0.98 合计 37.47 91.90 37.56 166.94 FD 1.05 0.98 0.98 第二次用底特律法计算的得到的OD表 O/D 1 2 3 计 FO 1 18.65 16.37 4.19 39.20 0.98 2 17.16 62.73 11.72 91.62 1.00 3 4.11 10.97 20.64 35.72 1.01 计 39.92 90.07 36.55 166.54 FD 0.98 1.00 1.01 第三次用底特律法计算的得到的OD表 O/D 1 2 3 计 FO 1 18.08 16.16 4.16 38.40 1.01 2 16.95 63.10 11.87 91.93 1.00 3 4.08 11.08 21.01 36.17 1.00 计 39.11 90.35 37.04 166.50 FD 1.06 0.94 1.08 第四次用底特律法计算的得到的OD表 O/D 1 2 3 计 FO 1 19.32 15.29 4.50 39.12 0.99 2 18.02 59.38 12.77 90.18 1.02 3 4.32 10.38 22.50 37.20 0.97 计 41.66 85.06 39.78 166.50 FD 1.00 1.00 1.00 第五次用底特律法计算的得到的OD表 O/D 1 2 3 计 FO 1 19.03 15.09 4.45 38.57 1.00 2 18.33 60.51 13.04 91.89 1.00 3 4.17 10.05 21.82 36.04 1.00 计 41.54 85.64 39.32 166.50 FD 1.00 0.99 1.01 上表即为计算结果。 作业四: 试用作业五的分布交通量和下述Logit模型, 计算已知条件下公共汽车和汽车的分布交通量 可得: 1 2 3 1 -1.017 -1.534 -1.807 2 -1.454 -1.336 -2.118 3 -1.807 -2.118 -1.017 1 2 3 1 0.051 -0.464 -0.689 2 -0.464 -0.368 -0.776 3 -0.689 -0.776 -0.058 又因为: 1 2 3 1 0.2558 0.2554 0.2464 2 0.2708 0.2754 0.2071 3 0.2464 0.2071 0.2544 1 2 3 1 0.7442 0.7446 0.7536 2 0.7292 0.7246 0.7929 3 0.7536 0.7929 0.7456 使用Fratar法的结果: O/D 1 2 3 总计 a 1 22.1 10.7 5.1 37.9 0.982 2 11.2 73.0 9.4 93.6 1.018 3 5.3 8.0 21.9 35.2 0.978 总计 38.6 91.7 36.4 b 0.982 1.016 0.986 得: BUS 1 2 3 合计 1 5.7 2.7 1.3 9.7 2 3.0 20.0 1.8 24.8 3 1.3 1.7 4.6 7.6 合计 10.0 24.4 7.7 42.1 CAR 1 2 3 合计 1 16.4 8.0 3.8 28.2 2 8.2 53.0 7.5 68.7 3 4.0 6.3 16.3 20.6 合计 28.6 67.3 27.6 117.5 作业五: 1、 交通标志的种类及其主要功能是什么? 答: ( 1) 警告标志: 警告车辆、 行人注意道路前方危险的标志。 ( 2) 禁令标志: 禁止或限制车辆行人某种交通行为的标志。 ( 3) 指示标志: 指示车辆行人前进方向或停止鸣喇叭以及转 向的标志。 ( 4) 指路标志: 传递道路前进方向、 地点、 距离信息的标志, 按用途的不同分为地名标志、 著名地名标志、 分界标志、 方向距离地点标志等。 ( 5) 旅游区标志: 提供旅游景点方向、 距离的标志, 分为指引标志和旅游符号。 ( 6) 道路施工安全标志: 通告道路施工区通行的标志, 分为路栏、 锥形交通路标、 施工警告路标、 施工警告灯号、 道口标注、 施工区标志、 移动性施工标志。 ( 7) 辅助标志: 附设在主标志下的起辅助作用的标志。它不能单独设置与使用吗, 按照用途分为表示时间、 车辆种类、 区域与时间、 区域与距离、 警告与禁令、 组合辅助等。 2、 定时式、 感应式控制的基本原理是什么?适用于什么条件的交通状况? 答: 定时式控制原理: 按照事先设计好的控制程序, 在每个方向上经过红绿黄色灯循环显示, 只是交通流, 在时间上实施间隔。 适用条件: 当交通状况符合总体流量稳定, 变化比较规律时, 选用定时式。 感应式控制原理: 感应式信号控制没有固定的周期长度, 在感应式新信号控制的进口, 均设有车辆到达检测器, 一相位起始绿灯, 感应信号在控制器内设有一个”初始绿灯时间”, 到初始绿灯时间结束时, 如果在一个预先设置的时间间隔内没有后续车辆到达, 就变换相位; 如果有车辆到达, 那么绿灯就延长一个预设的单位绿灯延长时间, 只要不断有车辆到达, 绿灯时间能够继续延长, 知道预设的最长绿灯时间是变换相位。 适用条件: 感应式适用于交叉口交通状况变化比较傲频繁而且没有规律的情况。 3、 干线协调控制的基本类型有? 适用于什么条件? 答: 有干线交通信号定时式协调控制和干线交通信号感应式协调控制两种。 定时式适用条件: 交通状况符合总体流量稳定, 变化比较有规律。 感应式使用条件: 交叉口交通状况变化比较傲频繁而且没有规律。 4、 区域交通信号控制系统按照控制策略分为几种? 相应的控制系统的开发软件有? 答: 有定时脱机式控制系统和感应式练级控制系统。 定时脱机式控制系统的开发软件: TRANSYT、 THESEE、 RHEBES。 练级感应式控制系统的开发软件: SCATS和SCOOT。 5、 加强交通管理的措施有? 答: ① 针对人、 车、 路实施综合管理, 使用法制、 行政、 技术手段对交通实施系统管理。 ② 借助先进的技术、 设施对路面交通实时调节、 调度和控制。 ③ 经过经济、 政策、 行政手段在空间、 时间上调节交通需求, 实时对交通行为的管理。
展开阅读全文

开通  VIP会员、SVIP会员  优惠大
下载10份以上建议开通VIP会员
下载20份以上建议开通SVIP会员


开通VIP      成为共赢上传

当前位置:首页 > 包罗万象 > 大杂烩

移动网页_全站_页脚广告1

关于我们      便捷服务       自信AI       AI导航        抽奖活动

©2010-2026 宁波自信网络信息技术有限公司  版权所有

客服电话:0574-28810668  投诉电话:18658249818

gongan.png浙公网安备33021202000488号   

icp.png浙ICP备2021020529号-1  |  浙B2-20240490  

关注我们 :微信公众号    抖音    微博    LOFTER 

客服