收藏 分销(赏)

十字路口交通灯PLC控制.doc

上传人:人****来 文档编号:4755680 上传时间:2024-10-12 格式:DOC 页数:8 大小:276.01KB 下载积分:6 金币
下载 相关 举报
十字路口交通灯PLC控制.doc_第1页
第1页 / 共8页
十字路口交通灯PLC控制.doc_第2页
第2页 / 共8页


点击查看更多>>
资源描述
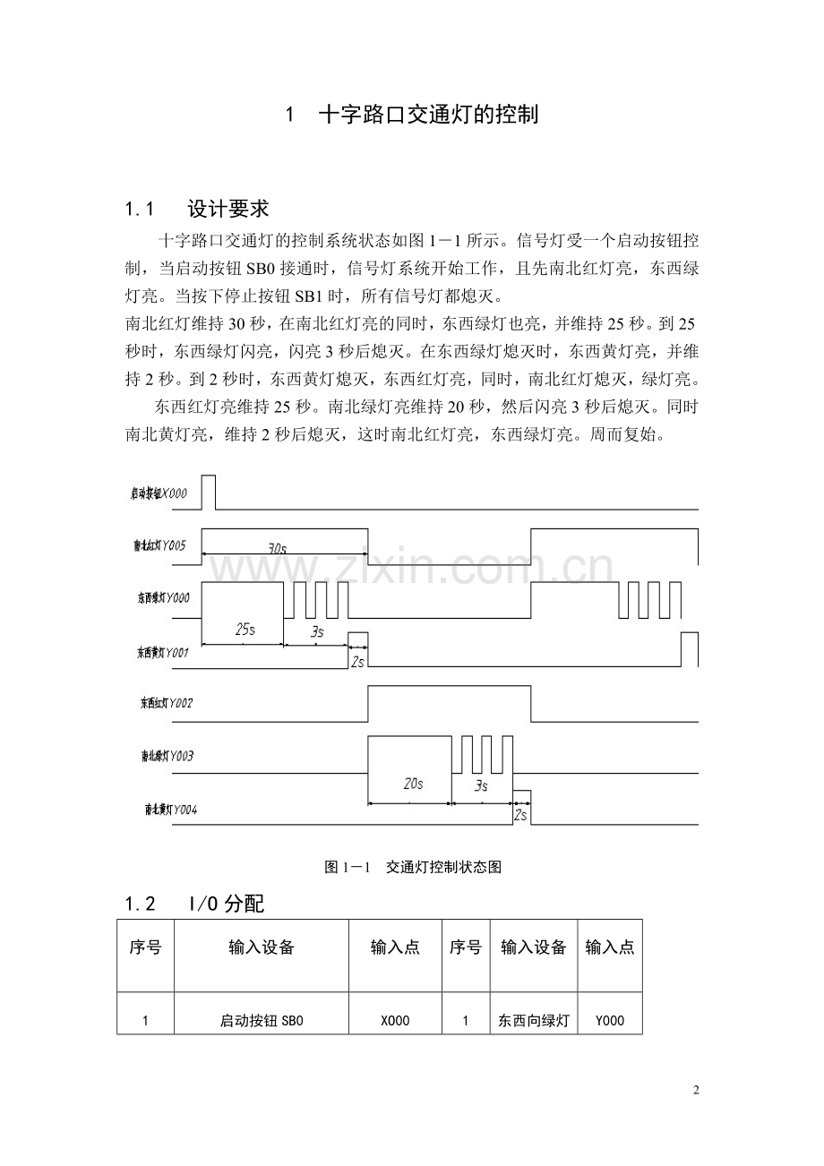
目录 项目1 十字路口交通灯的控制………………………………………………… 02 1.1 设计要求…………………………………………………………………02 1.2 I/O分配…………………………………………………………………03 1.3 PLC程序设计(流程图和程序)………………………………………… 03 1.4 系统接线示意图………………………………………………………… 07 1.5 系统设计、调试所遇难点及解决方案 ……………………………………08 总 结…………………………………………………………………………………08 1 十字路口交通灯的控制 1.1 设计要求 十字路口交通灯的控制系统状态如图1-1所示。信号灯受一个启动按钮控制,当启动按钮SB0接通时,信号灯系统开始工作,且先南北红灯亮,东西绿灯亮。当按下停止按钮SB1时,所有信号灯都熄灭。 南北红灯维持30秒,在南北红灯亮的同时,东西绿灯也亮,并维持25秒。到25秒时,东西绿灯闪亮,闪亮3秒后熄灭。在东西绿灯熄灭时,东西黄灯亮,并维持2秒。到2秒时,东西黄灯熄灭,东西红灯亮,同时,南北红灯熄灭,绿灯亮。 东西红灯亮维持25秒。南北绿灯亮维持20秒,然后闪亮3秒后熄灭。同时南北黄灯亮,维持2秒后熄灭,这时南北红灯亮,东西绿灯亮。周而复始。 图1-1 交通灯控制状态图 1.2 I/O分配 序号 输入设备 输入点 序号 输入设备 输入点 1 启动按钮SB0 XO00 1 东西向绿灯 Y000 2 停止按钮SB1 X001 2 东西向黄灯 Y001 3 东西向红灯 Y002 4 南北向绿灯 Y003 5 南北向黄灯 Y004 6 南北向红灯 Y005 表1-1 交通灯控制I/O分配表 1.3 PLC程序设计 1.3.1:根据设计要求的需要,设计思路见如下流程图 按下启动按钮SB0? ? 南北红灯Y5亮 东西绿灯Y0亮 延时25S? 东西黄灯Y1亮 延时2S? 东西绿灯闪烁 南北绿灯Y3亮 延时20S? 南北绿灯闪烁 延时30S? 闪烁3S? 闪烁3S? 结束 按下停止按钮SB1? N N N Y Y N N Y Y N N Y Y 东西红灯Y2亮 延时2S 延时25S 按下停止按钮SB1? 结束 南北黄灯Y4亮 Y Y N N Y Y 图1-2 交通灯控制流程图 1.3.2 根据设计要求,梯形图如下: 图1—3 交通灯控制梯形图 1.3.3:根据设计要求,程序语句表如下图: 图1-4 交通灯控制梯形图 1.4 交通灯系统接线示意图 图1-5 交通灯控制系统接线图 1.5 系统设计、调试所遇难点及解决方案 1.5.1 系统设计、调试所遇难点 (1)运行时,按下启动按钮SB0(SD),无法点亮南北红灯Y004和东西绿灯Y00O。 (2)系统设计、调试时,按下启动按钮X000,东西黄灯Y001和南北黄灯Y004同时点亮。 1.5.2 问题的分析与解决方案 (1)三菱的PLC的外部接线是每4个输出端接一个公共端子(COM1),当时我们误以为6个输出端才接一个公共端子(COM1),所以按下启动按钮,南北红灯和东西绿灯无法点亮。当把公共端子(COM2)接进去时,问题才得到解决。 (2)当我们用编程软件进行系统设计、并调试时,我们是在东西黄灯Y001和南北黄灯Y004对应的程序段并联了一个M8013,(1S时钟脉冲),初始化脉冲M8002一来到,Y001和Y004就被点亮,后来去掉M8013,才解决此问题。 总结 经过一周的PLC实训,让我更加深刻的学习和巩固了PLC这门课程,不仅从理论上掌握了课堂上没有学懂得知识,还从实践中扩宽了我们的知识面,还让我们对专业知识有了更加全面的认识,更加清晰的认识到我们专业知识的实用性是这么强,可以通过平时学习的东西自己可以解决很多有意思的实际生产问题,不仅培养了我们的兴趣和爱好,更对我们今后的发展起到至关重要的作用。 在这次实训中,我们遇到了一些问题,也获得了很到意想不到的知识,在每次突破一个问题后都有一种久违的满足感,甚至对发现一个问题都有一种莫名的兴奋,当看到自己设计的十字路口交通灯调试成功时,心里有种成就感。实训的前3天我们在计算机房学习了一种新的编程软件FX-TRN-BEG-C,里面的3D实体演示帮助了我们直观的看到实际动作过程,有助于我们提高实践意识。还有2天我们在PLC实训室进行了十字路口交通灯和电动机变频调速的编程、调试与接线,在老师的悉心教导下,我们基本上掌握了梯形图的的编程、接线和变频调速的调试。对PLC的实际应用有了基本的了解。 这次实训不仅锻炼了我们的动手能力,还提高了我们运用理论知识解决实际问题的能力.这对于我们在以后的学习提供了很大的帮助,能够让我们联想实际,能够较全面的看待问题,解决问题。这次实训虽然结束了,但让我们学到了很多知识,为我们的以后专业学习打下了夯实的基础。这次实训很有意义,希望以后还能有这样的实训机会。 8
展开阅读全文

开通  VIP会员、SVIP会员  优惠大
下载10份以上建议开通VIP会员
下载20份以上建议开通SVIP会员


开通VIP      成为共赢上传

当前位置:首页 > 包罗万象 > 大杂烩

移动网页_全站_页脚广告1

关于我们      便捷服务       自信AI       AI导航        抽奖活动

©2010-2026 宁波自信网络信息技术有限公司  版权所有

客服电话:0574-28810668  投诉电话:18658249818

gongan.png浙公网安备33021202000488号   

icp.png浙ICP备2021020529号-1  |  浙B2-20240490  

关注我们 :微信公众号    抖音    微博    LOFTER 

客服