收藏 分销(赏)

生产经营单位(或称企业)安全培训记录模板.docx

上传人:丰**** 文档编号:4750660 上传时间:2024-10-11 格式:DOCX 页数:9 大小:33.75KB 下载积分:6 金币
下载 相关 举报
生产经营单位(或称企业)安全培训记录模板.docx_第1页
第1页 / 共9页
生产经营单位(或称企业)安全培训记录模板.docx_第2页
第2页 / 共9页


点击查看更多>>
资源描述
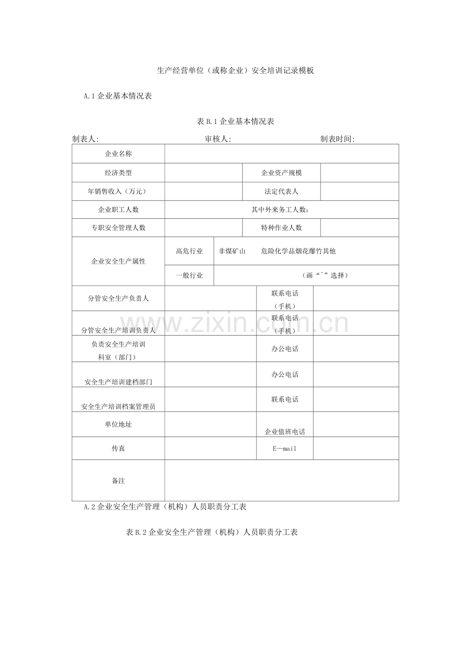
生产经营单位(或称企业)安全培训记录模板 A.1企业基本情况表 表B.1企业基本情况表 制表人: 审核人: 制表时间: 企业名称 经济类型 企业资产规模 年销售收入(万元) 法定代表人 企业职工人数 其中外来务工人数: 专职安全管理人数 特种作业人数 企业安全生产属性 高危行业 非煤矿山 危险化学品烟花爆竹其他 一般行业 (画 “^”选择) 分管安全生产负责人 联系电话 (手机) 分管安全生产培训负责人 联系电话 (手机) 负责安全生产培训 科室(部门) 办公电话 安全生产培训建档部门 办公电话 安全生产培训档案管理员 联系电话 单位地址 企业值班电话 传真 E—mail 备注 A.2企业安全生产管理(机构)人员职责分工表 表B.2企业安全生产管理(机构)人员职责分工表 制表人:审核人:制表日期: 注:人员数量栏可根据需要扩容。 专职安全管理人数要求,参见《山东省安全生产条例》第十二条。 A.3企业安全培训管理(机构)人员职责分工表 表B.3企业安全培训管理(机构)人员职责分工表 分项 工作分项 责任人 参照本标准条文 序 1 企业安全生产培训(主管) 2 厂(矿)级安全培训(包括大纲内容制定) (B.4) 3 车间(工段、区、队)级 安全培训 (包括大纲内容制定) (B.4) 4 班组级安全培训 (包括大纲内容制定) (B.4) 5 厂(矿)级培训需求分析 (5.1) 6 三级培训教学计划制定 (5.2) 7 三级培训实施 (5.3) 8 培训效果评价 (5.4) 9 企业培训档案管理 (7.2) 制表人:审核人:制表日期: 注:可兼职分工负责。 A.4企业安全生产三级培训大纲要求 厂(矿)级岗前安全培训内容应当包括: 1)本单位安全生产情况及安全生产基本知识; 2)本单位安全生产规章制度和劳动纪律; 3)从业人员安全生产权利和义务; 4)有关事故案例等。 非煤矿山、危险化学品、烟花爆竹等生产经营单位厂(矿)级安全培训除包括上述内容外,应当增加事故应急救援、事故应急预案演练及防范措施等内容。 车间(工段、区、队)级岗前安全培训内容应当包括: 1)工作环境及危险因素; 2)所从事工种可能遭受的职业伤害和伤亡事故; 3)所从事工种的安全职责、操作技能及强制性标准; 4)自救互救、急救方法、疏散和现场紧急情况的处理; 5)安全设备设施、个人防护用品的使用和维护; 6)本车间(工段、区、队)安全生产状况及规章制度; 7)预防事故和职业危害的措施及应注意的安全事项; 8)有关事故案例; 9)其他需要培训的内容。 班组级岗前安全培训内容应当包括: 1)岗位安全操作规程; 2)岗位之间工作衔接配合的安全与职业卫生事项; 3)有关事故案例; 4)其他需要培训的内容。 注1:高危行业生产经营单位的从业人员(包括持证人员),初次(岗前)安全培训时间不得少于72学时。每年接受再培训的时间不得少于20学时。 注2: 一般行业(生产经营单位)的从业人员(包括持证人员)。初次(岗前)安全培训时间不得少于24学时。每年接受再培训的时间不得少于8学时。 注3:加工、制造业等生产单位的从业人员(包括持证人员),在上岗前必须经过厂(矿)、车间(工段、区、队)、班组三级安全培训教育。 A.5各级年度安全培训工作计划表 厂(矿)级年度安全培训(岗前/复训)工作计划表 表B.5.1 厂(矿)级年度安全培训(岗前/复训)工作计划表 年度: 岗前 培训 、常 规 复训 序号 培训项目 培训日期 培训 方式 培训 人数 培训 学时 考核 方式 计划 经费 1 本单位安全生产情况及安全生产基本知识 2 本单位安全生产 规章制度和劳动纪律 3 从业人员安全生产 权利和义务 4 有关事故案例等 5 有关特殊培训 (自选) 备注 岗前培训常规复训(确定项画“ /,) 应急救援培训 高危行业 序号 培训项目 培训日期 培训 方式 培训 人数 培训 学时 考核 方式 计划 经费 1 事故应急救援 方案认知 2 各类事故应急救援技能训练 3 事故应急救援 预案演练 4 事故应急预案 注意事项及防范措施 备注 (要求高危行业必做) 四新 教育 培训 四新项目确认 培训日期 培训 方式 培训 人数 培训 学时 考核 方式 计划 经费 制表人:批准人:制表时间: 注1:另需注明年度安全生产培训经费计划的总量; 注2:岗前培训与常规复训须按年度分两表编制,岗前培训是全面培训,常规复训是重点培训; 注3:应急救援和四新教育培训,根据要求、视需求按年度一次性编制。 车间(工段、区、队)级年度安全培训工作计划表 表B.5.2 车间(工段、区、队)级年度安全培训工作计划表 年度: 常 规 复训 序 号 培训项目 培训日期 培训 方式 培训 人数 培训 学时 考核 方式 计划 经费 1 工作环境及危险因素 2 所从事工种可能遭受的职业伤害和伤亡事故 3 所从事工种的安全职责、操作技能及强制性标准 4 自救互救、急救方法、疏散和现场紧急情况的处理 5 安全设备设施、个人防护用品的使用和维护 6 本车间(工段、区、队)安全生产状况及规章制度 7 预防事故和职业危害的措施及应注意的安全事项 8 有关事故案例 9 其他需要培训的内容 岗前重新上岗培训 序 号 培训项目 培训日期 培训 方式 培训 人数 培训 学时 考核 方式 计划 经费 1 工作环境及危险因素 2 所从事工种可能遭受的职业伤害和伤亡事故 3 所从事工种的安全职责、操作技能及强制性标准 4 自救互救、急救方法、疏散和现场紧急情况的处理 5 安全设备设施、个人防护用品的使用和维护 6 本车间(工段、区、队)安全生产状况及规章制度 7 预防事故和职业危害的措施及应注意的安全事项 8 有关事故案例 9 其他需要培训的内容 制表人:批准人:制表时间: 注:岗前(重新上岗)培训属三级培训内容,是全面培训;常规复训是重点培训;两者须培训项目相同,但培训的时间和侧重点不同,所制定的培训计划亦有所不同(参见B.4注)。 班组级年度安全培训工作计划表 表B.5.3 班组级年度安全培训工作计划表 年度: 常 规复训 序 号 培训项目 培训日期 培训 方式 培训 人数 培训 学时 考核 方式 计划 经费 1 岗位安全操作规程 2 岗位之间工作衔接配合的安全与职业卫生事项 3 有关事故案例 4 其他需要培训的内容 备 注 岗前重新上冈培训 序 号 培训项目 培训日期 培训 方式 培训 人数 培训 学时 考核 方式 计划 经费 1 岗位安全操作规程 2 岗位之间工作衔接配合的安全与职业卫生事项 3 有关事故案例 4 其他需要培训的内容 备 注 制表人:批准人:制表时间: 注1:岗前(重新上岗)培训属三级培训内容,是全面培训;常规复训是重点培训;两者须培训项目相同,但培训的时间和侧重点不同,所制定的培训计划亦有所不同(参见B.4注)。 注2:岗前(重新上岗)培训包括新上岗、新换岗、离岗一年以上再上岗人员的培训。是车间(工段、区、队)级、班组级的必须培训科目。 A.6企业从业人员(全员)安全培训统计表 表B.6企业从业人员(全员)安全培训统计表 年度:(每年填制一次) 企业名称 从业人员总数 企业安全生产属性 高危行业 非煤矿山 危险化学品烟花爆竹其他 一般行业 (画“^”选择) 企业构架编制 车间数量 班组数量 安全生产培训 持证情况 主要负责人: 有效期持证率: 安全管理人员:人,有效期持证率: 特种作业人员:人,有效期持证率: 特种作业人员 持证明细 工种 在岗人数 持证人数 有效期持证率 备注 岗前三级培训 (含换岗、离岗一年以上重新上岗人员) 分 级 培训人数 培训学时 考核合格人数 补考合格人数 厂(矿) 车间 班组 本年度再培训 (复训)情况 分 级 培训人数 培训学时 考核合格人数 备注 厂(矿) 车间 班组 “四新教育”培训 四新项目 培训内容、培训时间、考核情况 制表人:审核人:制表时间: 注:培训学时要求见(见B.4注)。 A.7企业从业人员安全培训登记卡 表B.7企业从业人员安全培训登记卡 工号(工资号): (要求每人一卡)档案编号:QY 姓名 性别 身份证号 所在部门 工种 职务/职称 学历 专业 联系电话 持证情况 主要负责人安全管理人员 特种作业人员一般从业人员(画“^”选择) 冈前培训情况 分级 培训日期 培训学时 理论考核 实操考核 补考情况 备注 厂(矿) 车间 班组 再培训 (复训)情况 年度 培训级别 培训学时 培训日期 理论考核 实操考核 备注 重新上岗 (车间、班 组)培训 情况 原工种 离岗时间 (一年以上) 新工种/重新上岗工种 培训内容、培训学时、考核情况 四新教育培训情况 四新项目 培训内容、培训学时、考核情况 违章记录 违法违章记录: 责任事故记录: 备注 (可注明企业培训发证情况) 制表人:制表时间: 注:“四新教育”一一实施新工艺、新技术或者使用新设备、新材料时的安全生产培训教育。再培训(复训)情况栏中的“培训级别”指企业三级培训中的级别。
展开阅读全文

开通  VIP会员、SVIP会员  优惠大
下载10份以上建议开通VIP会员
下载20份以上建议开通SVIP会员


开通VIP      成为共赢上传

当前位置:首页 > 包罗万象 > 大杂烩

移动网页_全站_页脚广告1

关于我们      便捷服务       自信AI       AI导航        抽奖活动

©2010-2025 宁波自信网络信息技术有限公司  版权所有

客服电话:0574-28810668  投诉电话:18658249818

gongan.png浙公网安备33021202000488号   

icp.png浙ICP备2021020529号-1  |  浙B2-20240490  

关注我们 :微信公众号    抖音    微博    LOFTER 

客服