收藏 分销(赏)

室外消防给水设计参数.doc

上传人:二*** 文档编号:4748422 上传时间:2024-10-11 格式:DOC 页数:2 大小:43.54KB 下载积分:5 金币
下载 相关 举报
室外消防给水设计参数.doc_第1页
第1页 / 共2页
本文档共2页,全文阅读请下载到手机保存,查看更方便
资源描述
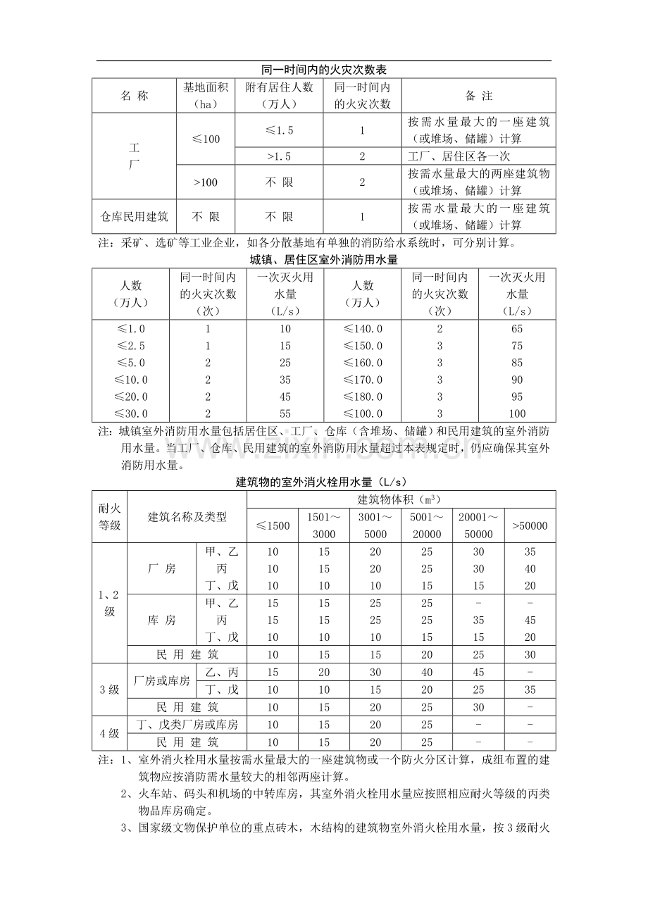
同一时间内的火灾次数表 名 称 基地面积 (ha) 附有居住人数 (万人) 同一时间内 的火灾次数 备 注 工 厂 ≤100 ≤1.5 1 按需水量最大的一座建筑(或堆场、储罐)计算 >1.5 2 工厂、居住区各一次 >100 不 限 2 按需水量最大的两座建筑物(或堆场、储罐)计算 仓库民用建筑 不 限 不 限 1 按需水量最大的一座建筑(或堆场、储罐)计算 注:采矿、选矿等工业企业,如各分散基地有单独的消防给水系统时,可分别计算。 城镇、居住区室外消防用水量 人数 (万人) 同一时间内的火灾次数 (次) 一次灭火用水量 (L/s) 人数 (万人) 同一时间内的火灾次数 (次) 一次灭火用水量 (L/s) ≤1.0 ≤2.5 ≤5.0 ≤10.0 ≤20.0 ≤30.0 1 1 2 2 2 2 10 15 25 35 45 55 ≤140.0 ≤150.0 ≤160.0 ≤170.0 ≤180.0 ≤100.0 2 3 3 3 3 3 65 75 85 90 95 100 注:城镇室外消防用水量包括居住区、工厂、仓库(含堆场、储罐)和民用建筑的室外消防用水量。当工厂、仓库、民用建筑的室外消防用水量超过本表规定时,仍应确保其室外消防用水量。 建筑物的室外消火栓用水量(L/s) 耐火等级 建筑名称及类型 建筑物体积(m3) ≤1500 1501~3000 3001~5000 5001~20000 20001~50000 >50000 1、2级 厂 房 甲、乙丙 丁、戊 10 10 10 15 15 10 20 20 10 25 25 15 30 30 15 35 40 20 库 房 甲、乙丙 丁、戊 15 15 10 15 15 10 25 25 10 25 25 15 - 35 15 - 45 20 民 用 建 筑 10 15 15 20 25 30 3级 厂房或库房 乙、丙 15 20 30 40 45 - 丁、戊 10 10 15 20 25 35 民 用 建 筑 10 15 20 25 30 - 4级 丁、戊类厂房或库房 10 15 20 25 - - 民 用 建 筑 10 15 20 25 - - 注:1、室外消火栓用水量按需水量最大的一座建筑物或一个防火分区计算,成组布置的建筑物应按消防需水量较大的相邻两座计算。 2、火车站、码头和机场的中转库房,其室外消火栓用水量应按照相应耐火等级的丙类物品库房确定。 3、国家级文物保护单位的重点砖木,木结构的建筑物室外消火栓用水量,按3级耐火民用建筑消防用水量确定。
展开阅读全文

开通  VIP会员、SVIP会员  优惠大
下载10份以上建议开通VIP会员
下载20份以上建议开通SVIP会员


开通VIP      成为共赢上传

当前位置:首页 > 环境建筑 > 其他

移动网页_全站_页脚广告1

关于我们      便捷服务       自信AI       AI导航        抽奖活动

©2010-2026 宁波自信网络信息技术有限公司  版权所有

客服电话:0574-28810668  投诉电话:18658249818

gongan.png浙公网安备33021202000488号   

icp.png浙ICP备2021020529号-1  |  浙B2-20240490  

关注我们 :微信公众号    抖音    微博    LOFTER 

客服