收藏 分销(赏)

综合办公楼毕业设计计算书.doc

上传人:二*** 文档编号:4657934 上传时间:2024-10-08 格式:DOC 页数:115 大小:3.93MB 下载积分:5 金币
下载 相关 举报
综合办公楼毕业设计计算书.doc_第1页
第1页 / 共115页
本文档共115页,全文阅读请下载到手机保存,查看更方便
资源描述
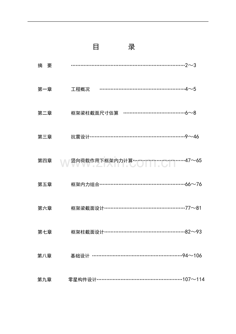
目 录 摘 要 ………………………………………………………………2~3 第一章 工程概况 ………………………………………………4~5 第二章 框架梁柱截面尺寸估算 …………………………………6~8 第三章 抗震设计……………………………………………………9~46 第四章 竖向荷载作用下框架内力计算……………………………47~65 第五章 框架内力组合………………………………………………66~76 第六章 框架梁截面设计……………………………………………77~81 第七章 框架柱截面设计……………………………………………82~93 第八章 基础设计 …………………………………………………94~106 第九章 零星构件设计………………………………………………107~114 某综合办公楼设计 摘 要 本工程为某综合办公楼,主体五层。 经过细致的方案论证,该工程上部结构采用纵横向承重的钢筋混凝土框架结构。因为该工程抗震设防烈度为7度,所以不考虑竖向地震作用。在用底部剪力法求出水平地震作用后,利用D值法完成了水平地震作用下的一榀框架的内力计算。采用弯矩二次分配法分别完成了竖向恒载和活载最不利布置作用下的内力计算。并且,考虑结构构件的地震作用效应与其它荷载效应的基本组合及无地震作用效应的其它荷载效应的基本组合两种情况,对框架内力进行组合,得出框架梁柱的控制内力,进而完成了梁柱截面的配筋计算。进行了基础的设计及零星构件的设计。利用PKPM软件对本工程进行了结构设计。 关键词:建筑设计、结构设计、地震作用、框架结构、弯矩二次分配法、内力组合、截面设计 ABSTRACT This Project is a building of comperhensive center This subject is of five stories high. After complicated analysis , the frame structure of supporting weight in lengthways and transverse direction of reinforced concrete is adopted for the superstructure of this building .As the anti-earthquake degree is 7,vertical earthquake is skipped. After the horizontal earthquake is calculated by the bottom-shear method, the D method is applied to calculate the stress of a frame under horizontal earthquake. Then the stress under vertical dead load and the most adverse-arrange live load is calculated by the double-moment-divided method. Considering the two cases : the basic combination of the earthquake and the load and the basic combination of the load and no earthquake , the load effect combination is carried off. So according to the stress and of beams and columns , the section design is finished .The design of foundation and other member are carried on. The software of PKPM is applied to design the pictures of the structure construction. KEYWORD: architectural design,structural design,earthquake , frame structure , stress, double-moment-divided method, load effect combination, section design 第一章 工程概况 本工程是某综合办公楼。主体五层,层高为一层5.4m,二、三、四层3.6m,五层3.3m,六层3.6m,总高度为25.8m。 根据《建筑结构可靠度设计统一标准》(GB50068——2001) 1.0.5:本工程属于普通房屋和构筑物,结构的设计使用年限为50年。 1.0.8:建筑结构设计时,应根据结构破坏可能产生的后果(危及人的生命、造成经济损失、产生社会影响等)的严重性,采用不同的安全等级。本工程按建筑物类型属于一般的房屋,破坏结果严重,安全等级属于二级。 一 、设计资料 1、 工程名称:某综合办公楼 2、 自然资料:(1)、基本风压值0.35 (2)、基本雪压值0.4 (3)、主导风向:东南风 3、 地质资料: (1)、天然地面以下1.0~1.5为人工填土;其下为粉土,密实,含少量铁锰质,厚度大于10,可作为持力层,地基承载力标准值,场地fak=180Kpa土类别为二类土,地基土不液化; (2)、地下水为在地表下1.8,无侵蚀性; (3)、场地平整后,本工程室外地坪相对于绝对标高10。 4、荷载资料 根据《建筑结构荷载规范》GB5009-2001(以下简称荷载规范) 3.1.2建筑结构设计时,对不同荷载应采用不同的代表值。对永久荷载应采用标准值作为代表值。对可变荷载应根据设计要求采用标准值、组合值、频遇值或准永久值作为代表值。对偶然荷载应按建筑结构使用的特点确定其代表值。 (1)民用建筑楼面均布活荷载标准植按规定采用 教学楼楼面取 2.0 厕所、走廊、楼梯取 2.5 (2)荷载规范屋面均布活荷载规定采用 不上人屋面 0.5 上人屋面 2.0 雨蓬 0.5 5.烈度 根据《建筑抗震设计规范》GB50011-2001(以下简称抗震规范)附录A: 该 地区抗震设防烈度为7度,设计基本地震加速度值为0.15g。 二、结构方案确定 抗震规范6.1.1现浇钢筋混凝土房屋适用的最大高度:抗震设防地区框架结构最大高度为,本工程平面、立面规则,高度25.8m选用框架结构比较适宜。楼(屋)盖采用现浇板肋梁体系,柱下条形基础。 1、根据抗震规范3.1.1本建筑工程抗震设防类别为丙类。 2、抗震规范6.1.2丙类建筑的抗震等级三级。 选用材料: 根据抗震规范3.9.2第二条选用材料如下: 1、混凝土强度等级的选用:主体框架、楼梯和楼板,基础均采用强度等级为C30混凝土, 2、钢筋的选用:柱梁的受力钢筋为HRB400级钢,箍筋为HPB235级钢,现浇板的受力钢筋为HRB400级钢 3、墙体选用: 内、外墙均用240普通粘土空心砖。 第二章 梁柱截面估算 一、梁柱截面估算 (1)梁:hb=(1/8~1/12)l bb=(1/2~1/3) hb 《建筑抗震设计规范》规定: 梁的截面尺寸,宜符合下列各项要求:    1、 截面宽度不宜小于200mm;    2、 截面高宽比不宜大于4;    3 、净跨与截面高度之比不宜小于4。 (2)柱:柱的截面尺寸一般由满足抗震要求的柱轴压比确定。 Ac≥ 柱轴压力设计值: :考虑地震作用组合柱轴力增大系数,边柱1.3,不等跨内柱1.25,等跨内柱1.2 F:按简支状态柱的受荷面积 ge:楼面荷载近似取值 12~15KN/m2 n:验算截面以上楼层层数 Ac:柱估算截面面积 :柱轴压比限值,按抗震等级确定。 《建筑抗震设计规范》规定: 柱的截面尺寸,宜符合下列各项要求:    1、截面的宽度和高度均不宜小于300mm;圆柱直径不宜小于350mm。    2、 剪跨比宜大于2。    3、截面长边与短边的边长比不宜大于3。 二、柱网尺寸,层高和梁柱截面尺寸的确定 1、 框架结构柱网布置图 柱网布置图 2.计算高度确定 计算简图中的杆件以计算轴线表示,柱取截面形心线,梁取截面形心线,框架计算高度:除底层外的其余各层都取建筑层高。底层取基础顶面到二层楼面梁顶的距离,框架梁的跨度取柱轴线之间的距离。 3、梁柱截面尺寸的确定 (1)柱 取轴线为例 B柱:N=en=1.3×(4×9.3/2) ×15×5=1813.5 KN AC≥=1813.5×103/0.9×14.3=140909.09mm2 D柱:N=en=1.25×8×6/2×15×5=4500KN AC≥=4500×103/0.9×14.3=349650.35mm2 综上计算结果,B. E轴取柱的截面尺寸为:400×500mm,C.D轴取柱的截面尺寸为:600×600mm (2)梁 ①纵向框架梁1(跨度L=4000 mm) h=(1/8-1/12)L=(1/8-1/12)×4000=500-333mm 取h=400mm b=(1/2-1/3)h=(1/2-1/3)×400 =200-166.67mm 取h=300mm 梁的截面尺寸为250×400mm2 纵向框架梁2(跨度L=8000 mm) h=(1/8-1/12)L=(1/8-1/12)×8000=1000-666.67mm 取h=800mm b=(1/2-1/3)h=(1/2-1/3)×800 =400-266.67mm 取h=300mm 梁的截面尺寸为250×800mm2 纵向框架梁3(跨度L=10800 mm) h=(1/8-1/12)L=(1/8-1/12)×10800=7350-900mm 取h=800mm b=(1/2-1/3)h=(1/2-1/3)×1000 =500-333mm 取h=300mm 梁的截面尺寸为350×1000mm2 ②横向框架梁1(跨度L=7300 mm) h=(1/8-1/12)L=(1/8-1/12)×7300=912-608mm 取h=700mm b=(1/2-1/3)h=(1/2-1/3)×700 =350-273mm 取h=300mm 梁的截面尺寸为250×700mm2 横向框架梁2(跨度L=2700 mm) h=(1/8-1/12)L=(1/8-1/12)×2700=337.5-225mm 取h=700mm b=(1/2-1/3)h=(1/2-1/3)×700 =273-350mm 取h=300mm 梁的截面尺寸为250×700mm2 ③次梁1(跨度L=7300mm) h=(1/8-1/15)L=(1/8-1/12)×7300=608-486mm 取h=550mm b=(1/2-1/3)h=(1/2-1/3)×550 =275-183.3mm 取h=300mm 梁的截面尺寸250×550mm2 次梁2(跨度L=2700mm) h=(1/8-1/15)L=(1/8-1/12)×2700=225-180mm 取h=300mm b=(1/2-1/3)h=(1/2-1/3)×300 =150-100mm 取h=300mm 梁的截面尺寸为250×300mm2 第三章 抗震设计 根据抗震规范1.0.2 抗震设防烈度为6度及以上地区的建筑,必须进行抗震设计。 5.1.3 计算地震作用时,建筑物的重力荷载代表值应取结构和构配件自重标准值和各可变荷载组合值之和。各可变荷载的组合值系数,应按下表采用。 组合值系数 可变荷载种类 组合值系数 雪荷载 0.5 屋面活荷载 不计入 按实际情况计算的楼面活荷载 1.0 按等效均布荷载计算的楼面活荷载 藏书库、档案库 0.8 其他民用建筑 0.5 5.1.6 结构抗震验算,应符合下列规定:7度和7度以上的建筑结构(木结构房屋除外),应进行多遇地震作用下的截面抗震验算。 5.2.5 抗震验算时,结构任一楼层的水平地震剪力应符合下式要求: 式中——第i层对应于水平地震作用标准值的楼层剪力 ——剪力系数,七度区基本周期小于3.5s的结构,基本周期加速度为0.15g的地区为0.024,对竖向不规则结构的薄弱层,尚应乘以1.15的增大系数。 ——第j层的重力荷载代表值。 本工程为7度,需进行抗震设计。 一、重力荷载代表值计算 重力荷载计算: 一层上梁自重:1:3水泥砂浆抹灰; 12mm厚 和轴线: [0.25×0.85×(9.3-0.5)+0.25×0.3(2.7-0.24)+0.25×0.7×(2.7-0.5)] ×25×2+[0.85×(9.3-0.5)×2+0.25×(9.3-0.5)+0.3×(2.7-0.24)+0.25×(2.7-0.24)+0.7×(7.3-0.5)×2+0.25×(7.3-0.5)]×17×0.012×2=162.225+12.47+174.66KN 和轴线: [0.25×0.85×(9.3-0.15)+0.25×0.3×(2.7-0.24)+0.25×0.7×(7.3-0.15)]×25×2+[0.85×(9.3-0.5)×2+0.25×(9.3-0.5)+(0.6+0.25) ×(2.7-0.24)+(1.4+0.25)×(7.3-0.5)]×17×0.012×2=162.225+12.43=174.66KN 和轴线: [0.25×0.7×(9.3-0.25)+0.25×0.3×(2.7-0.24)+0.25×0.55×(7.3-0.25)]×25×2+[(0.7×2+0.25)×(9.3-0.25)+(0.6+0.25)× (2.7-0.24)+(1.1+0.25)×(7.3-0.25)]×17×0.012× 2=136.881+10.83=147.71KN 和轴线:同和轴线=174.66KN 和轴线:同和轴线=147.71KN 和轴线: [0.25×0.75×(8.4-0.76)+0.25×0.3×(2.7-0.24)+0.25×0.4×(1.2-0.505)+0.25×0.4×(0.9-0.24)+0.25×0.7×(7.3-0.5)] ×25×2+[(1.5+0.25)×(8.4-0.76)+(0.6+0.25)×(2.7-0.24)+(0.8+0.25)×(1.2-0.505)+(0.8+0.25)×(0.9-0.24)+(1.4+0.25)×(7.3-0.5)]×17×0.012×2=171+11.47=182.47KN 和轴线: [0.25×0.75×(8.4-0.76)+0.25×0.3×(2.7-0.24)+0.25×0.4×(1.2-0.505)+0.25×0.7×(7.3-0.5)]×25×2+[(1.5+0.25)×(8.4-0.76)+(0.6+0.25)×(0.8+0.25)×(1.2-0.505)+(1.4+0.25)×(7.3-0.5)] ×17×0.012×2=167.7+9.6=177.3KN 轴线之间二道次梁自重: [0.25×0.65×(8.4-0.46)+0.25×0.3×(2.7-0.24)+0.25×0.55×(7.3-0.35)] ×25×2+[1.55×(8.4-0.46)+0.85×(2.7-0.24)+1.35×(7.3-0.35)] ×17×0.012×2=121.52+9.21=130.73KN 轴线: [0.25×0.4×(4-0.48)+0.25×0.4×(4-0.4) ×3+0.25×0.4×(4-0.08)] ×25×2+[1.05×(4-0.48)+1.05×(4-0.4) ×3+1.05×(4-0.08)] ×17× 0.012×2=91.+4.73=95.93KN 轴线: [0.25×0.4×(3.9-0.4) ×2+0.35×1.0×(10.8-0.24)] ×25×2+[1.05×(3.9-0.4) ×2+2.35×(10.8-0.24)] ×17×0.012=109.9+5.81=115.71KN 和轴线: [0.25×0.4×(4-0.53)×2+0.25×0.8×(8-0.5)×2×2+0.25×0.4×(3.9-0.76)×2+0.35×1.0×(10.8-0.24)] ×25×2+[1.05×(4-0.53) × 2+1.85×(8-0.5)×2×2+1.05×(3.9-0.76)×2+2.35×(10.8-0.24)] ×17×0.012×2=550.9+15.68=566.58KN 轴线: [0.25×0.4×(4-0.48) ×2+0.25×0.4(4-0.4) ×4×2+0.25×0.4×(3.9-0.56) ×2+0.35×1.0×(10.8-0.24)] ×25+[1.05×(4-0.48) ×2+1.05×(4-0.4) ×4×2+1.05×(3.9-0.56) ×2+2.35×(10.8-0.24)] ×17×0.012=198.7+10.33=209.03KN 轴线: 0.25×0.4×(3.9+0.24) ×25×2+1.05×(3.9+0.24) ×17×0.012×2=20.7+1.77=22.47KN 一层上梁总重: 174.66+147.71+174.66+182.47+177.3+130.73+95.93+115.71+566.58 +209.03+22.43=2319.58KN 一层上板自重:100厚楼板; 20厚吊顶; 20厚水泥砂浆找平层; 5厚水泥细砂浆结合层; 10厚地砖楼面 -轴线板重: [(4-0.25)×(9.3-0.26)+(4-0.255)×(2.7-0.24)]×4.1=175.73KN -轴线板重: [(4-0.25)×(9.3-0.81)+(4-0.25)×(2.7-0.24)+(4-0.25)×(7.3-0.26)] ×4.1=274.7KN -轴线板重:=-轴线板重=274.7KN -轴线板重:=2×(-轴线板重)=2×274.7=549.41KN -轴线板重: [(8.4-0.25)×(3.9-0.26)+(2.7-0.24)×(3.9-0.26)+(7.3-0.25)×(3.9-0.26)+(1.2-0.24)×(3.9-0.26)-0.9×2.56-(2.8-0.24)×(0.8-0.24)] ×4.1=253.45KN -轴线板重: [(10.8-0.24)×(8.4-0.46)+(10.8-0.24)×(2.7-0.24)+(10.8-0.24) ×(7.3-0.24)] ×4.1=755.94KN -轴线板重:=-轴线板重+[-(8.4-0.25)×(3.9-0.26)+0.9×2.56+(2.8-0.24) ×(2.8-0.24)+(4-0.255) ×(7.3-0.26)] ×4.1=1527.98+22.77=1462.73KN 一层上板总重=1527.98+755.94+1462.73=3746.6KN 一层上柱自重:12厚水泥砂浆 和轴线柱重: 2×0.5×0.4×4×5.4/2×25+2×(0.4×5.4/2×2+0.5×5.4/2×2) ×17×0.012=108+0.99×2=109.98KN 和轴线柱重: 2×(0.4×0.5×2+0.55×0.5×2)×5.4/2×25+(0.4×2.7×4+0.5×2.7×4+0.5×2.7×4+0.55×2.7×4)×17×0.012×2=128.26+8.6=136.86KN 和轴线柱重: 0.4×0.5×2×2.7×50+2×(0.4×2.7×4+0.5×2.7×4) ×17×0.012=54+3.96=57.96KN 和轴线柱重:同轴线=136.86KN 和轴线柱重:0.4×0.5×2×2.7×50+(0.4×2.7×4+0.5×2.7×4) ×17×0.012×2=54+3.96=57.96KN 和轴线柱重: (0.4×0.5×2+0.5×0.55×2)×2.7×50+(0.4×2.7×4+0.5×2.7×4+0.5×2.7×4+0.55×2.7×4) ×17×0.012×2=128.26+8.6=136.86KN 和轴线柱重: (0.5×0.6×2+0.6×0.6×2)×2.7×50+(0.5×2.7×4+0.6×2.7×4+0.6×2.7×8) ×17×0.012×2=178.2+10.13=188.33KN 电梯间构造柱自重: 0.24×0.24×2.7×25×3=11.66KN 一层上柱总重: 119.98+147.86+67.96+147.86+67.96+147.86+188.33+11.66=912.47KN 一层上墙自重: 轴线墙自重: [(9.3-0.5)×(2.7-0.85)+(2.7-0.3) ×(2.7-0.24)+(7.3-0.4) ×(2.7-0.7)] ×3.6=132.71KN 轴线墙自重: (7.3-0.4)×(2.7-0.7)×3.6=49.68KN 轴线墙自重: [(0.9-0.24)×(2.7-0.4)+(8.4-0.76) ×(2.7-0.75)+(7.3-0.5) ×(2.7-0.7)+(1.2-0.4) ×(2.7-0.4)] ×3.6=114.68KN 轴线墙自重: [(8.4-0.76)×(2.7-0.75)+(1.2-0.4) ×(2.7-0.4)] ×3.6=60.26KN 轴线墙自重: [(8.4-0.76)×(2.7-0.75)+(1.2-0.4) ×(2.7-0.4)] ×3.6=60.26KN 轴线墙自重: [(0.9-0.24)×(2.7-0.4)+(8.4-0.76) ×(2.7-0.75)+(7.3-0.5) ×(2.7-0.7)+(1.2-0.4) ×(2.7-0.4)+(2.7-0.24) ×(2.7-0.3) ] ×3.6=135.94KN 轴线墙自重:同轴线墙自重=132.7KN 轴线墙自重: [4×10+3.9×2-(0.4×8+0.96)] ×1.8×0.45+[4×10+3.9×2-(0.4×8+0.96)] ×(0.9-0.4) ×3.6=35.35+93.53KN 轴线墙自重: [(3.9-0.56)×(2.7-0.4) ×3.6-(1.5×3.9)×3.6+(1.5×1.9) ×0.45] ×2=14.81KN 轴线墙自重: (3.9-0.76) ×(2.7-0.4) ×3.6-0.24×(2.7-0.4) ×3.6=24.01KN 轴线墙自重: (4-0.53) ×(2.7-0.4) ×3.6=28.73KN 轴线墙自重: [4×10+3.9×2-(0.4×8+0.4)] ×1.7×0.45+[4×10+3.9×2-(0.4×8+0.96)] ×(0.9-0.4) ×3.6=139.38KN 轴线墙自重: [(3.9-0.4-0.24)×(2.7-0.4) ×3.6-1.5×1.2×3.6+1.5×1.2×0.45] ×2=49.26KN 电梯间隔墙自重: (3.9-0.4-0.24)×(2.7-0.12)×3.6+(2.8-0.4) ×(2.7-0.12) ×3.6=30.28+22.29=52.57KN 前后门厅自重: (10.8-0.24)×2.7×0.45+(10.8×1.15-0.24) ×2.7×0.45=27.63KN 一层上墙总重: 132.7+49.68+114.68+60.26+60.26+135.94+132.7+128.88+14.81+24.01 +28.73+139.38+49.26+52.57+27.63=1151.52KN 零星构件自重: 两侧挑阳台自重: [(0.2×0.3)×1.62×4×25+(1.5-0.12) ×(5.04-0.48) ×0.12×25+(5.04×3+9×2×3) ×0.45] ×2=119.41KN 1#楼梯一层上重: 楼梯梯段重:(0.18×0.3×0.5×15×1.75+0.12×5.25×1.75)×25=45.28KN 休息平台重:1.8×3.66×4.1=27.01KN 平台梁重:2×0.2×3.66×4.1=6.0KN 2#楼梯一层上重: 楼梯梯段重:(0.168×0.28×16×1.8×0.5+0.12×4.58×1.8) ×25=41.68KN 休息平台重:2.14×3.76×4.1+2.12×3.76×4.1=65.68KN 平台梁重:2×0.2×3.66×4.1=6.0KN 一层上楼梯总重: 45.28+27.01+6+41.68+65.68+6=166.27KN 阳台自重:3.6×0.9×12×4.69=182.35KN 前后门厅自重:(10.8-0.24)×2.7×1.15×0.45+(10.8-0.24) ×(2.7-1.0) ×0.45=14.75+8.08=22.83KN 一层上总重: 2319.58+3746.6+912.47+1151.52+119.41+166.27+182.35+22.83=8621.03KN 二层下自重: 墙自重: 轴线墙自重: [(9.3-0.5)×3.6/2+(7.3-0.5) ×1.8] ×3.6=101.09KN 轴线墙自重:同轴线墙自重=101.09KN 轴线墙自重: [(0.9-0.12-0.12)×1.8+(8.4-0.86) ×1.8] ×3.6-1×1.8×3.6+1×1.8×0.2=51.56KN 轴线墙自重: [(8.4-0.96-0.24) ×1.8] ×3.6-1.1×1.8×0.2+(1.2-0.5) ×1.8× 3.6=44.47KN 轴线墙自重: (8.4+2.7+7.3-1.2-0.6) ×1.8×3.6+1.5×1.8×0.2-1.5×1.8×3.6+4.53=102.92KN 轴线墙自重: (8.4-0.96) ×1.8×3.6+(1.2-0.12) ×1.8×3.6=55.21KN 轴线墙自重: (8.4+2.7+7.3-0.24) ×1.8×3.6-1.5×1.8×3.6+1.5×1.8×0.2=108.5KN 轴线墙自重:同轴线墙自重=101.09KN 和轴线墙自重: [(4-0.48)×1.8×0.45+(4-0.4) ×3×1.8×0.45+(4-0.2-0.32) ×1.8×0.45+(3.9-0.76) ×1.8×0.45-1.5×1.8×0.45+1.5×1.8×0.2] ×2=32.57KN 轴线墙自重: (4-0.58)×1.8×3.6-2.1×1.8×3.6=8.55KN 轴线:同轴线墙自重=8.55KN 轴线: [(4-0.48) ×1.8×0.45+(4-0.4) ×4×1.8×0.45+(3.9+0.12) ×1.8×3.6-1.5×1.8×3.6+1.5×1.8×0.45] ×2=62.77KN 二层下墙总重: 101.09+101.09+51.56+39.93+98.39+55.21+108.5+101.9+32.57+8.55+8.55+62.77=755.06KN 二层下柱自重: 400×500mm柱自重:0.45×0.5×30×25+(0.4×1.8×2×30+0.5×1.8×2×30) ×17×0=289.83KN 500×600mm柱自重:0.5×0.6×1.8×4×25+(0.5×1.8×2×4+0.6×1.8×2×4) ×17×0.012=57.3KN 600×600mm柱自重:0.6×0.6×1.8×16×25+(0.6×1.8×2×16+0.6×1.8×2×16) ×17×0.012=273.3KN 电梯间三构造柱自重:0.24×0.24×1.8×3×25=7.78KN 电梯间隔墙自重: (3.9-0.24-0.42)×1.8×3.6-0.9×1.8×3.6+0.9×1.8×0.2+(2.8-0.24) ×1.8×3.6+(3.9-0.24-0.24) ×1.8×3.6=54.24KN 前后门厅自重:(10.8-0.24)×1.8×0.45+(10.8×1.15-0.24) ×1.8× 0.45=18.42KN 1#楼梯自重: 踏步重:(0.18×0.3×9×1.75×0.5+0.12×3.15×1.75)×25=27.17KN 平台梁自重:0.2×0.4×3.66×3×25=21.96KN 休息平台自重:2×0.12×3.66×25+3.5×3.66×0.12×25=60.39KN 1#楼梯总重:37.8+21.96+60.39=109.52KN 2#楼梯自重: 踏步重:(0.18×0.28×1.8×0.5×9+0.12×3×1.8) ×25=26.43KN 平台梁自重:0.2×0.4×3.76×3×25=22.56KN 休息平台自重(1.94×3.75×0.12+2.56×3.75×0.12) ×25=50.63KN 2#楼梯总重:26.43+22.56+50.63=99.62KN 二层下总重: 墙:753.1+54.24=807.34KN 柱:289.83+57.23+273.3+7.78=628.14KN 楼梯自重:109.52+99.62=209.14KN 前后门厅自重:18.42KN 则二层下总重:897.34+628.14+209.14+18.42=1663.04KN 第一质点恒载为: 一层上总重+二层下总重=8621.03+1663.04=10284.07KN 二层上自重: 梁自重:同一层上梁自重=2319.58KN 板自重:同一层上板自重=3746.6KN 柱自重:同一层上柱自重=628.14KN 墙自重: 轴线:同二层下墙自重=101.09KN 轴线:同二层下墙自重=101.09KN 轴线: [(0.9-0.12-0.12)×1.8+(8.4-0.86) ×1.8] ×3.6-0.9×1×3.6+0.9×1×0.2=50.08KN 轴线: [(8.4-0.96-0.24)×1.8] ×3.6-0.9×1.1×3.6+0.9×1.1×0.2=43.29KN 轴线: (8.4+2.7+7.3-1.2-0.6) ×1.8×3.6+1.5×0.9×0.2-1.5×0.9× 3.6=102.98KN 轴线:同二层下墙自重=55.21KN 轴线: (8.4+2.7+7.3-0.24) ×1.8×3.6+1.5×0.9×0.2-1.5×0.9×3.6=113.09KN 轴线:同轴线=101.09KN 轴线: [(4-0.48)×(1.8-0.4) ×0.45+(4-0.4) ×3×1.4×0.45+(4-0.2-0.32) ×1.4×0.45+(3.9-0.76) ×1.4×0.45-1.5×1.4×0.45+1.5×1×0.3] ×2=25.33KN 轴线:(4-0.58) ×1.8×3.6-0.9×2.1×3.6=15.36KN 轴线:同轴线=15.36KN 轴线: [(4-0.48)×0.9×0.45+(4-0.4) ×4×0.9×0.45+(3.9+0.12) ×0.9×3.6-1.5×1.8×3.6+1.5×1.8×0.45] ×2+(4-0.48) ×0.5×3.6+(4-0.4) ×4×0.5×3.6=23.55+6.34+25.92=55.81KN 二层上墙总重: 101.09+101.09+50.08+43.29+102.98+55.21+113.09+101.09+25.33+15.36+ 55.81=779.78KN 电梯间隔墙重: (2.8-1.1)×3.6+(2.8-0.24) ×1.05×3.6+2.8×1.05×3.6=26.38KN 前后门厅重:同二层下=18.42KN 1#楼梯自重: 踏步重:0.1636×0.28×0.5×1.75×10×25=10.02KN 平台梁重:0.2×0.4×3.66×0.12×25=14.94KN 休息平台重:1.36×3.66×0.12×25=14.94KN 1#楼梯自重:10.02+7.32+14.94=32.28KN 2#楼梯自重: 踏步重:0.1636×0.28×0.5×1.75×10×25=10.02KN 平台梁重:0.2×0.4×3.77×2×25=15.08KN 休息平台重:1.94×3.77×0.12×25=21.94KN 2#楼梯自重:10.02+15.04+21.94=47.0KN 两侧挑阳台自重:同一层上两侧挑阳台自重=119.41KN 二层上总自重: 2314.58+3746.6+628.14+779.78+26.38+18.42+32.28+47.0=7593.18KN 三层下自重: 墙自重: 轴线:同二层下墙自重=101.09KN 轴线:同轴线=101.09KN 轴线:(9.3-0.6) ×1.8×3.6=56.38KN 轴线:(9.3+7.3-0.12-0.5-0.96-0.5-0.12-1) ×1.8×3.6+1×1.8×0.2=94.07+0.36=94.43KN 轴线:(8.4+7.3+1.2-0.48-0.48-0.48-0.12-0.12-1.1) ×1.8×3.6+1.1×1.8×0.2=91.5+0.396=91.90KN 轴线之间GRC内隔墙板重:(7.3-0.24)×1.8×3.6+1.5×1.8×0.2=101.87+0.54=102.41KN 轴线:(8.4+2.7+7.3+1.2-1.2-1.5-0.6-0.48) ×1.8×3.6+1.5×1.8×0.2=101.87+0.54=102.41KN 轴线:同6轴线墙重+1×1.8×3.6=94.43+6.48=100.91KN 轴线:(8.4-0.24+7.3-0.24) ×1.8×3.6=98.63KN 轴线:(7.3-0.6) ×1.8×3.6=4
展开阅读全文

开通  VIP会员、SVIP会员  优惠大
下载10份以上建议开通VIP会员
下载20份以上建议开通SVIP会员


开通VIP      成为共赢上传

当前位置:首页 > 学术论文 > 毕业论文/毕业设计

移动网页_全站_页脚广告1

关于我们      便捷服务       自信AI       AI导航        抽奖活动

©2010-2026 宁波自信网络信息技术有限公司  版权所有

客服电话:0574-28810668  投诉电话:18658249818

gongan.png浙公网安备33021202000488号   

icp.png浙ICP备2021020529号-1  |  浙B2-20240490  

关注我们 :微信公众号    抖音    微博    LOFTER 

客服