收藏 分销(赏)

宁波市某医院商住楼工程造价分2.doc

上传人:二*** 文档编号:4640270 上传时间:2024-10-08 格式:DOC 页数:3 大小:79KB 下载积分:5 金币
下载 相关 举报
宁波市某医院商住楼工程造价分2.doc_第1页
第1页 / 共3页
本文档共3页,全文阅读请下载到手机保存,查看更方便
资源描述
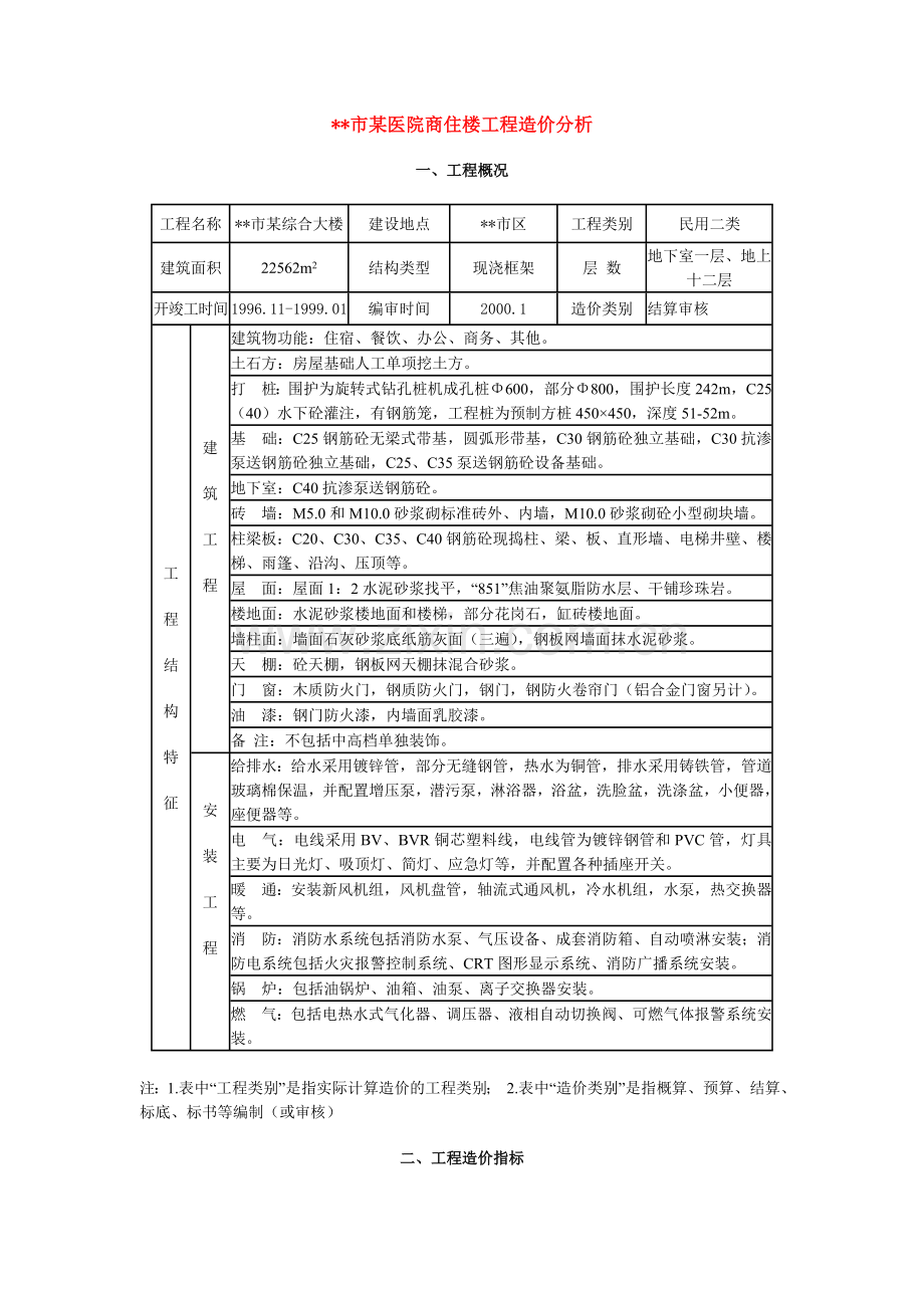
**市某医院商住楼工程造价分析 一、工程概况 工程名称 **市某综合大楼 建设地点 **市区 工程类别 民用二类 建筑面积 22562m2 结构类型 现浇框架 层 数 地下室一层、地上十二层 开竣工时间 1996.11-1999.01 编审时间 2000.1 造价类别 结算审核 工 程 结 构 特 征 建 筑 工 程   建筑物功能:住宿、餐饮、办公、商务、其他。 土石方:房屋基础人工单项挖土方。 打 桩:围护为旋转式钻孔桩机成孔桩Φ600,部分Φ800,围护长度242m,C25(40)水下砼灌注,有钢筋笼,工程桩为预制方桩450×450,深度51-52m。 基 础:C25钢筋砼无梁式带基,圆弧形带基,C30钢筋砼独立基础,C30抗渗泵送钢筋砼独立基础,C25、C35泵送钢筋砼设备基础。 地下室:C40抗渗泵送钢筋砼。 砖 墙:M5.0和M10.0砂浆砌标准砖外、内墙,M10.0砂浆砌砼小型砌块墙。 柱梁板:C20、C30、C35、C40钢筋砼现捣柱、梁、板、直形墙、电梯井壁、楼梯、雨篷、沿沟、压顶等。 屋 面:屋面1:2水泥砂浆找平,“851”焦油聚氨脂防水层、干铺珍珠岩。 楼地面:水泥砂浆楼地面和楼梯,部分花岗石,缸砖楼地面。 墙柱面:墙面石灰砂浆底纸筋灰面(三遍),钢板网墙面抹水泥砂浆。 天 棚:砼天棚,钢板网天棚抹混合砂浆。 门 窗:木质防火门,钢质防火门,钢门,钢防火卷帘门(铝合金门窗另计)。 油 漆:钢门防火漆,内墙面乳胶漆。 备 注:不包括中高档单独装饰。 安 装 工 程   给排水:给水采用镀锌管,部分无缝钢管,热水为铜管,排水采用铸铁管,管道玻璃棉保温,并配置增压泵,潜污泵,淋浴器,浴盆,洗脸盆,洗涤盆,小便器,座便器等。 电 气:电线采用BV、BVR铜芯塑料线,电线管为镀锌钢管和PVC管,灯具主要为日光灯、吸顶灯、简灯、应急灯等,并配置各种插座开关。 暖 通:安装新风机组,风机盘管,轴流式通风机,冷水机组,水泵,热交换器等。 消 防:消防水系统包括消防水泵、气压设备、成套消防箱、自动喷淋安装;消防电系统包括火灾报警控制系统、CRT图形显示系统、消防广播系统安装。 锅 炉:包括油锅炉、油箱、油泵、离子交换器安装。 燃 气:包括电热水式气化器、调压器、液相自动切换阀、可燃气体报警系统安装。   注:1.表中“工程类别”是指实际计算造价的工程类别; 2.表中“造价类别”是指概算、预算、结算、标底、标书等编制(或审核) 二、工程造价指标 项 目 造价指标(元/m2) 占总造价比例 建筑工程造价 1158.33 75.76 其 中 打 桩 138.02 9.03 围 护 116.41 7.61 基础及地下室 282.62 18.48 上部结构 621.28 40.63 安装工程造价 370.66 24.24 其 中 给排水 48.47 3.17 电气 90.36 5.91 暖通 119.61 7.82 消防 92.49 6.05 锅炉 11.53 0.75 燃气 8.21 0.54 总造价 1529.99 100 三、工程费用组成 项 目 建 筑 工 程 打桩工程 安 装 工 程 金额(元/m2) 占造价比例(%) 金额(元/m2) 金额(元/m2) 占造价比例(%) 直接费 761.97 74.68 - 307.47 82.95 其中:人工费 - - - 29.36 7.92 其他直接费 28.08 2.75 - - - 现场经费 49.51 4.85 - - - 间接费 48.68 4.77 - - - 利 润 62.16 6.09 - - - 综合费用 - - - 48.41 13.06 价 差 -28.53 -2.80 - - - 独立费用 76.00 7.45 - - - 税 金 34.23 3.35 - 15.90 4.29 劳动保险费 14.38 1.41 - 5.28 1.43 下浮额 -26.16 -2.56 - -6.41 -1.73 造 价 1020.31 100 138.02 370.66 100 四、主要工程量指标 名 称 单位 工程量/m2 名 称 单位 工程量/m2 土石方 m3 0.14 楼地面 m2 0.22 桩 基 m3 0.11 墙柱面装饰 m2 1.57 砼基础和地下室 m3 0.16 腰线和零星项目 m2 0.04 砖 墙 m3 0.16 天棚面 m2 0.09 现捣砼构件 m3 0.27 门 窗 m2 0.02 预制砼构件 m3 0.0009 - - - 说明:1.土石方根据工程情况可分为人工土方、机械土方、石方。2.桩基按制桩或成桩砼以“m3”计算,包括桩尖;管桩按管桩成品以“m”计算。3.砼基础包括砼垫层;地下室指砼地下室底板、外内墙和顶板等。4.砖墙包括砖基础。5.现捣砼构件指上部结构现捣砼项目,以“m3”计入,其中不以“m3”计算的项目按原工程量乘以折算系数计入:整体楼梯0.23,螺旋楼梯0.34,雨蓬0.09,阳台0.13,栏板0.10;其余项目不计入。6.楼地面包括楼梯。7.墙柱面装饰指外、内墙(包括梁、柱)面的抹灰、镶贴块料和各种材质饰面。8.腰线和零星项目指阳台、雨蓬、沿沟、栏板等和腰线、零星项目的抹灰、镶贴块料和各种材质饰面。 五、主要工料指标 (除打桩) 名 称 单位 耗用量/m2 名 称 单位 耗用量/m2 建筑人工 工日 暂缺 标准砖 块 43.47 钢 筋 t 0.087 砂 t 0.486 其他钢材 t 0.001 碎 石 t 0.694 水 泥 t 0.265 石 灰 t 0.007 板枋材 m3 0.0002 - - - 木 模 m3 0.015 安装人工 工日 1.78 定额钢筋:1339.7t,施工图钢筋:1968.5t(其中螺纹钢:1489.6t,占75.7%), 钢筋量差:628.8t,量差调整46.9%。
展开阅读全文

开通  VIP会员、SVIP会员  优惠大
下载10份以上建议开通VIP会员
下载20份以上建议开通SVIP会员


开通VIP      成为共赢上传

当前位置:首页 > 环境建筑 > 工程造价

移动网页_全站_页脚广告1

关于我们      便捷服务       自信AI       AI导航        抽奖活动

©2010-2025 宁波自信网络信息技术有限公司  版权所有

客服电话:0574-28810668  投诉电话:18658249818

gongan.png浙公网安备33021202000488号   

icp.png浙ICP备2021020529号-1  |  浙B2-20240490  

关注我们 :微信公众号    抖音    微博    LOFTER 

客服