收藏 分销(赏)

东三屋面斜板模板(扣件式)计算书.doc

上传人:精**** 文档编号:4546881 上传时间:2024-09-27 格式:DOC 页数:12 大小:211KB 下载积分:8 金币
下载 相关 举报
东三屋面斜板模板(扣件式)计算书.doc_第1页
第1页 / 共12页
东三屋面斜板模板(扣件式)计算书.doc_第2页
第2页 / 共12页


点击查看更多>>
资源描述
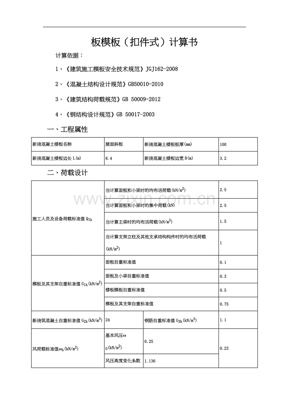
东三屋面斜板模板(扣件式)计算书 板模板(扣件式)计算书 计算依据: 1、《建筑施工模板安全技术规范》JGJ162-2008 2、《混凝土结构设计规范》GB50010-2010 3、《建筑结构荷载规范》GB 50009-2012 4、《钢结构设计规范》GB 50017-2003 一、工程属性 新浇混凝土楼板名称 屋面斜板 新浇混凝土楼板板厚(mm) 100 新浇混凝土楼板边长L(m) 8.4 新浇混凝土楼板边宽B(m) 3.2 二、荷载设计 施工人员及设备荷载标准值Q1k 当计算面板和小梁时的均布活荷载(kN/m2) 2.5 当计算面板和小梁时的集中荷载(kN) 2.5 当计算主梁时的均布活荷载(kN/m2) 1.5 当计算支架立柱及其他支承结构构件时的均布活荷载(kN/m2) 1 模板及其支架自重标准值G1k(kN/m2) 面板自重标准值 0.1 面板及小梁自重标准值 0.3 楼板模板自重标准值 0.5 模板及其支架自重标准值 0.75 新浇筑混凝土自重标准值G2k(kN/m3) 24 钢筋自重标准值G3k(kN/m3) 1.1 风荷载标准值ωk(kN/m2) 基本风压ω0(kN/m2) 0.25 0.23 风压高度变化系数μz 1.136 风荷载体型系数μs 0.8 三、模板体系设计 模板支架高度(m) 5.15 立柱纵向间距la(mm) 1000 立柱横向间距lb(mm) 1000 水平拉杆步距h(mm) 1800 立柱布置在混凝土板域中的位置 中心对称 立柱距混凝土板短边的距离(mm) 200 立柱距混凝土板长边的距离(mm) 100 主梁布置方向 平行楼板长边 小梁间距(mm) 300 小梁两端各悬挑长度(mm) 100,100 主梁两端各悬挑长度(mm) 150,150 结构表面的要求 结构表面隐蔽 模板及支架计算依据 《建筑施工模板安全技术规范》JGJ162-2008 设计简图如下: 模板设计平面图 模板设计剖面图(楼板长向) 模板设计剖面图(楼板宽向) 四、面板验算 面板类型 覆面木胶合板 面板厚度(mm) 15 面板抗弯强度设计值[f](N/mm2) 15 面板弹性模量E(N/mm2) 10000 根据《建筑施工模板安全技术规范》5.2.1"面板可按简支跨计算"的规定,另据现实,楼板面板应搁置在梁侧模板上,因此本例以简支梁,取1m单位宽度计算。计算简图如下: W=bh2/6=1000×15×15/6=37500mm3,I=bh3/12=1000×15×15×15/12=281250mm4 1、强度验算 q1=0.9max[1.2(G1k+ (G3k+G2k)×h)+1.4Q1k,1.35(G1k+ (G3k+G2k)×h)+1.4×0.7Q1k]×b=0.9max[1.2×(0.1+(1.1+24)×0.1)+1.4×2.5,1.35×(0.1+(1.1+24)×0.1)+1.4×0.7×2.5] ×1=5.969kN/m q2=0.9×1.2×G1k×b=0.9×1.2×0.1×1=0.108kN/m p=0.9×1.4×Q1K=0.9×1.4×2.5=3.15kN Mmax=max[q1l2/8,q2l2/8+pl/4]=max[5.969×0.32/8,0.108×0.32/8+3.15×0.3/4]= 0.237kN·m σ=Mmax/W=0.237×106/37500=6.332N/mm2≤[f]=15N/mm2 满足要求! 2、挠度验算 q=(G1k+(G3k+G2k)×h)×b=(0.1+(1.1+24)×0.1)×1=2.61kN/m ν=5ql4/(384EI)=5×2.61×3004/(384×10000×281250)=0.098mm≤[ν]=l/250=300/250=1.2mm 满足要求! 五、小梁验算 小梁类型 方木 小梁材料规格(mm) 60×80 小梁抗弯强度设计值[f](N/mm2) 15.44 小梁抗剪强度设计值[τ](N/mm2) 1.78 小梁弹性模量E(N/mm2) 9350 小梁截面抵抗矩W(cm3) 64 小梁截面惯性矩I(cm4) 256 因[B/lb]取整=[3200/1000]取整=3,按三等跨连续梁计算,又因小梁较大悬挑长度为100mm,因此需进行最不利组合,计算简图如下: 1、强度验算 q1=0.9max[1.2(G1k+(G3k+G2k)×h)+1.4Q1k,1.35(G1k+(G3k+G2k)×h)+1.4×0.7Q1k]×b=0.9×max[1.2×(0.3+(1.1+24)×0.1)+1.4×2.5,1.35×(0.3+(1.1+24)×0.1)+1.4×0.7×2.5]×0.3=1.855kN/m 因此,q1静=0.9×1.2(G1k+(G3k+G2k)×h)×b=0.9×1.2×(0.3+(1.1+24)×0.1)×0.3=0.91kN/m q1活=0.9×1.4×Q1k×b=0.9×1.4×2.5×0.3=0.945kN/m M1=0.1q1静L2+0.117q1活L2=0.1×0.91×12+0.117×0.945×12=0.202kN·m q2=0.9×1.2×G1k×b=0.9×1.2×0.3×0.3=0.097kN/m p=0.9×1.4×Q1k=0.9×1.4×2.5=3.15kN M2=max[0.08q2L2+0.213pL,0.1q2L2+0.175pL]=max[0.08×0.097×12+0.213×3.15×1,0.1×0.097×12+0.175×3.15×1]=0.679kN·m M3=max[q1L12/2,q2L12/2+pL1]=max[1.855×0.12/2,0.097×0.12/2+3.15×0.1]=0.315kN·m Mmax=max[M1,M2,M3]=max[0.202,0.679,0.315]=0.679kN·m σ=Mmax/W=0.679×106/64000=10.605N/mm2≤[f]=15.44N/mm2 满足要求! 2、抗剪验算 V1=0.6q1静L+0.617q1活L=0.6×0.91×1+0.617×0.945×1=1.129kN V2=0.6q2L+0.675p=0.6×0.097×1+0.675×3.15=2.185kN V3=max[q1L1,q2L1+p]=max[1.855×0.1,0.097×0.1+3.15]=3.16kN Vmax=max[V1,V2,V3]=max[1.129,2.185,3.16]=3.16kN τmax=3Vmax/(2bh0)=3×3.16×1000/(2×80×60)=0.987N/mm2≤[τ]=1.78N/mm2 满足要求! 3、挠度验算 q=(G1k+(G3k+G2k)×h)×b=(0.3+(24+1.1)×0.1)×0.3=0.843kN/m 跨中νmax=0.677qL4/(100EI)=0.677×0.843×10004/(100×9350×2560000)=0.238mm≤[ν]=l/250=1000/250=4mm 满足要求! 六、主梁验算 主梁类型 钢管 主梁材料规格(mm) Ф48×3 可调托座内主梁根数 1 主梁弹性模量E(N/mm2) 206000 主梁抗弯强度设计值[f](N/mm2) 205 主梁抗剪强度设计值[τ](N/mm2) 125 主梁截面惯性矩I(cm4) 10.78 主梁截面抵抗矩W(cm3) 4.49 1、小梁最大支座反力计算 Q1k=1.5kN/m2 q1=0.9max[1.2(G1k+ (G3k+G2k)×h)+1.4Q1k,1.35(G1k+(G3k+G2k)×h)+1.4×0.7Q1k]×b=0.9max[1.2×(0.5+(1.1+24)×0.1)+1.4×1.5,1.35×(0.5+(1.1+24)×0.1)+1.4×0.7×1.5]×0.3=1.542kN/m q1静=0.9×1.2(G1k+ (G3k+G2k)×h)×b=0.9×1.2×(0.5+(1.1+24)×0.1)×0.3=0.975kN/m q1活=0.9×1.4×Q1k×b=0.9×1.4×1.5×0.3=0.567kN/m q2=(G1k+ (G3k+G2k)×h)×b=(0.5+(1.1+24)×0.1)×0.3=0.903kN/m 承载能力极限状态 按三跨连续梁,Rmax=(1.1q1静+1.2q1活)L=1.1×0.975×1+1.2×0.567×1=1.753kN 按悬臂梁,R1=q1l=1.542×0.1=0.154kN R=max[Rmax,R1]=1.753kN; 正常使用极限状态 按三跨连续梁,Rmax=1.1q2L=1.1×0.903×1=0.993kN 按悬臂梁,R1=q2l=0.903×0.1=0.09kN R=max[Rmax,R1]=0.993kN; 2、抗弯验算 计算简图如下: 主梁弯矩图(kN·m) Mmax=0.608kN·m σ=Mmax/W=0.608×106/4490=135.501N/mm2≤[f]=205N/mm2 满足要求! 3、抗剪验算 主梁剪力图(kN) Vmax=4.114kN τmax=2Vmax/A=2×4.114×1000/424=19.408N/mm2≤[τ]=125N/mm2 满足要求! 4、挠度验算 主梁变形图(mm) νmax=0.965mm 跨中νmax=0.965mm≤[ν]=1000/250=4mm 悬挑段νmax=0.534mm≤[ν]=150/250=0.6mm 满足要求! 七、立柱验算 钢管类型 Ф48×3 立柱截面面积A(mm2) 424 立柱截面回转半径i(mm) 15.9 立柱截面抵抗矩W(cm3) 4.49 抗压强度设计值[f](N/mm2) 205 λ=h/i=1800/15.9=114≤[λ]=150 满足要求! 查表得,φ=0.496 Mw=0.92×1.4ωklah2/10=0.92×1.4×0.23×1×1.82/10=0.083kN·m Nw=0.9[1.2ΣNGik+0.9×1.4Σ(NQik+Mw/lb)]=0.9×[1.2×(0.75+(24+1.1)×0.1)+0.9×1.4×1]×1×1+0.92×1.4×0.083/1=4.749kN f= Nw/(φA)+ Mw/W=4749.463/(0.496×424)+0.083×106/4490=41.176N/mm2≤[f]=205N/mm2 满足要求! 八、扣件抗滑移验算 荷载传递至立杆方式 单扣件 扣件抗滑移折减系数kc 0.9 按上节计算可知,扣件受力N=4.749kN≤Rc=kc×8=0.9×8=7.2kN 满足要求!
展开阅读全文

开通  VIP会员、SVIP会员  优惠大
下载10份以上建议开通VIP会员
下载20份以上建议开通SVIP会员


开通VIP      成为共赢上传

当前位置:首页 > 环境建筑 > 其他

移动网页_全站_页脚广告1

关于我们      便捷服务       自信AI       AI导航        抽奖活动

©2010-2026 宁波自信网络信息技术有限公司  版权所有

客服电话:0574-28810668  投诉电话:18658249818

gongan.png浙公网安备33021202000488号   

icp.png浙ICP备2021020529号-1  |  浙B2-20240490  

关注我们 :微信公众号    抖音    微博    LOFTER 

客服