收藏 分销(赏)

2022高考二轮复习化学同步练习专题15《物质的检验分离与提纯》.docx

上传人:二*** 文档编号:4383147 上传时间:2024-09-18 格式:DOCX 页数:7 大小:85.53KB 下载积分:5 金币
下载 相关 举报
2022高考二轮复习化学同步练习专题15《物质的检验分离与提纯》.docx_第1页
第1页 / 共7页
本文档共7页,全文阅读请下载到手机保存,查看更方便
资源描述
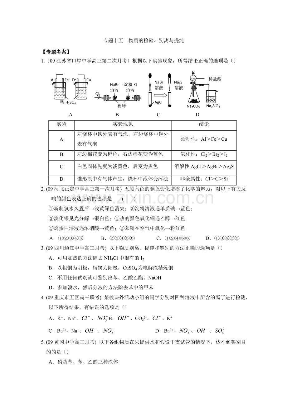
专题十五 物质的检验、别离与提纯 【专题考案】 1.〔09江苏省口岸中学高三第二次月考〕根据以下实验现象,所得结论正确的选项是〔〕 Al 稀H2SO4 Cu Fe Fe NaBr 溶液 淀粉KI 溶液 Cl2 AgCl NaBr 溶液 Na2S溶液 稀盐酸 Na2CO3 Na2SiO3 棉球 A B C D 实验 实验现象 结论 A 左烧杯中铁外表有气泡,右边烧杯中铜外表有气泡 活动性:Al>Fe>Cu B 左边棉花变为橙色,右边棉花变为蓝色 氧化性:Cl2>Br2>I2 C 白色固体先变为淡黄色,后变为黑色 溶解性AgCl>AgBr>Ag2S D 锥形瓶中有气体产生,烧杯中液体变浑浊 非金属性:Cl>C>Si 2. (09河北正定中学高三第一次月考) 五颜六色的颜色变化增添了化学的魅力,对以下有关反响的颜色表达正确的选项是 ( ) ①新制氯水久置后→浅黄绿色消失;②淀粉溶液遇单质碘→蓝色; ③溴化银见光分解→银白色;④热的黑色氧化铜遇乙醇→红色 ⑤鸡蛋白溶液遇浓硝酸→黄色;⑥苯酚在空气中氧化→粉红色 A.①②③④⑤ B.②③④⑤⑥ C.①②④⑤⑥ D.①③④⑤⑥ 3. (09四川通江中学高三月考) 以下物质别离、提纯和鉴别的方法正确的选项是〔〕 A.可用加热的方法除去NH4Cl中混有的I2 B.以粗铜为阴极,精铜为阳极,CuSO4为电解液精炼铜 C.不用任何试剂就可鉴别出苯、乙酸乙酯、NaOH D.参加溴水,然后分液的方法除去苯中的甲苯 4. (09重庆市五区高三联考) 某校课外活动小组的同学分别对四种溶液中所含的离子进行检测,以下所得结果,有错误的选项是〔〕 A.K+、Na+、、B.、CO32-、、K+ C.Ba2+、Na+、、 D.Ba2+、、、 5. (09黄冈中学高三月考) 以下各组物质在只提供水和假设干支试管的情况下,达不到鉴别目的的是〔〕 A.硝基苯、苯、乙醇三种液体 B.硫黄、Na2O2、CaCl2三种固体 C.H3PO4、Ba(OH)2、Ba3(PO4)2三种固体 D.Na2SO4、KNO3、BaCl2三种固体 M N X Y Z 6. (09浙江省绍兴一中高三一模) 现有碳酸钠、碳酸氢钠、氢氧化 钠、氯化铁和苯酚五种物质的溶液,它们之间有如下列图转化关 系,图中每条线两端的物质可以发生反响,以下判断不合理的是 〔〕 A.X一定是碳酸钠溶液 B.Y一定是氯化铁溶液 C.Z可能为碳酸氢钠溶液 D.M、N必定各为苯酚、氢氧化钠溶液中的某一种 7.〔09盐城高三联考〕某同学为检验溶液中是否含有常见的四种无机离子,进行了如下列图 的实验操作。其中检验过程中产生的气体能使红色石蕊试纸变蓝。由该实验能得到的正确结论是〔〕 A.原溶液中一定含有离子 B.原溶液中一定含有NH4+离子 C.原溶液中一定含有离子 D.原溶液中一定含有Fe3+离子 8. (09湖南师大附中高三第一次月考) 为了证明(NH4)2Fe(SO4)2·6H2O(硫酸亚铁铵晶体)的成分中含有、、和H2O,以下实验表达中不正确的选项是〔〕 A.取少量硫酸亚铁铵晶体放入试管,加热,试管口有液体生成,那么可证明晶体的成分 中含有结晶水 B.硫酸亚铁铵晶体溶于水,得淡绿色溶液,滴入2滴KSCN溶液,溶液不显红色,再 滴入几滴新制氯水,溶液变为红色,那么可证明晶体的成分中含有Fe2+ C.硫酸亚铁铵晶体溶于水,加少量稀盐酸,无现象,再滴入几滴BaCl2溶液,有白色 沉淀生成,那么可证明晶体的成分中含有 D.取少量硫酸亚铁铵晶体放入试管,参加少量稀NaOH溶液,在试管口用湿润的红色 石蕊试纸检验,那么可证明晶体的成分中含有NH4+ 9. 〔09常州市新桥中学高三月考〕实验室有一瓶久置的白色K2SO3粉末,为确定其是否被氧化及其成分,元素分析说明粉末中K和S元素的质量比为39 :16,以下结论正确的选项是 ( ) A.根据元素分析结果推测该粉末为纯洁物 B.将粉末溶于水,参加氯化钡,有白色沉淀生成,证明原粉末是K2SO4 C.将粉末参加盐酸中,产生气泡,证明原粉末是K2SO3 D.将粉末溶于水,参加氯化钡和过量的盐酸,有白色沉淀和气泡生成,证明原粉末是K2SO4和K2SO3的混合物 10. (09上海交通大学附属中学第一学期高三摸底) 有以下三种含杂质的气体〔括号内为杂质〕:① CO2 〔HCl〕② H2 〔HCl〕③ NH3〔水蒸气〕。某学生欲除去以上气体中的杂质依次选用了三种试剂,该学生选用的试剂均正确的选项是〔〕 A.NaHCO3溶液、NaOH溶液、碱石灰 B.Na2CO3溶液、浓硫酸、碱石灰 C.NaHCO3溶液、NaOH溶液、浓硫酸 D.NaOH溶液、浓硫酸、碱石灰 11. 〔08天津大港一中高三化学第二次月考试卷〕有一瓶无色气体,可能含有H2S、CO2、HCl、HBr、SO2中的假设干种,将其通入氯水中,得无色透明液,将此溶液分成两份,向其中一份参加盐酸酸化的BaCl2溶液有白色沉淀;向另一份中参加HNO3酸化的AgNO3溶液有白色沉淀产生,以下结论正确的选项是 〔 〕 A.肯定有CO2和SO2 B.可能有HBr、CO2 C.肯定没有HBr、H2S、HClD.以上结论均不正确 12. 〔山东省泰安市2022届高三上学期期末试题〕以下根据实验现象所得出的结论一定正确的选项是 〔 〕 A.某无色溶液滴加酚酞试液后显红色,结论:溶液显碱性 B.某无色溶液参加盐酸产生无色无味气体,结论:溶液中一定含有 C.某气体能使品红溶液褪色,结论:该气体为SO2气体 D.电解某无色液体得到H2和O2,测其体积比为2∶1,结论:此液体为纯水 13. (2022届山东泰安一轮模拟考试卷,理综,10〕以下除去杂质的方法正确的选项是 〔 〕 ①除去乙烷中少量的乙烯:光照条件下通入Cl2,气液别离; ②除去乙酸乙酯中少量的乙酸:用饱和碳酸氢钠溶液洗涤,分液、枯燥、蒸馏; ③除去CO2中少量的SO2:气体通过盛饱和碳酸钠溶液的洗气瓶; ④除去乙醇中少量的乙酸:加足量生石灰,蒸馏。 A.①② B.②④ C.③④ D.②③ 14. 〔辽宁省大连市二十四中2022届高三上学期期中考试,化学,7〕不用外加试剂,就能实现鉴别的是 〔1〕Al(NO3)3 FeCl3 NaOH FeSO4 NaHCO3 〔2〕Na2CO3 BaCl2 AgNO3 Na2SO4 NH3·H2O 〔3〕KOH NaCl NaHCO3 MgSO4 KNO3 〔4〕CuSO4 KHSO4 NaHCO3 KOH 〔5〕NaAlO2 Na2SiO3 Na2CO3 NaHSO4 NaCl 〔6〕NH4Cl Na2SO4 (NH4)2SO4 Ba(OH)2 AlCl3 A.(1) (2) (3) (5) B.(1) (2) (4) (6) C.(1) (4)〔5〕(6) D.(2) (3) (5) (6) 15.〔09潍坊市昌乐一中第一学期高三教学质量检测〕某兴趣小组同学共同设计了如下列图 的多功能实验装置。该装置既可用于制取气体,又可用于验证物质的性质。 〔1〕现有以下药品:锌粒、铜片、浓H2SO4、浓HNO3、蒸馏水、NaOH溶液。翻开K1关闭K2,可制取气体。 〔2〕某同学用石灰石、醋酸、硅酸钠溶液等药品设计了另一实验。他的实验目的是_ _________________________________________________;翻开K2关闭K1,将A中液体 参加B中后,观察到的实验现象为___________________________________。 16.(09山东济宁市高三教学质量检测)长期存放的Na2SO3会被空气中的氧气局部氧化:某化学兴趣小组通过实验测定某无水Na2SO3被氧化的程度。 〔Ⅰ〕甲同学设计了以下列图实验 请答复: 〔1〕假设将虚线框内的分液漏斗换成长颈漏斗,那么应如何检查虚线框内装置的气密性 。 〔2〕写出B装置中的离子方程式。 写出D装置中反响的化学方程式。 〔3〕称量agNa2SO3样品放入锥形瓶中,向B装置反响后的溶液中参加足量BaCl2溶液 充分反响,过滤、洗涤、枯燥、称量得白色沉淀bg,那么样品中Na2SO3的质量分数为。 〔4〕深入研究发现,上述实验方案存在缺陷,致使测得的Na2SO3质量分数偏小,试分析其中的原因〔列出一条即可〕。 〔Ⅱ〕乙同学设计了另一套实验装置如以下列图: 〔5〕实验中待锥形瓶中不再产生气体后,翻开活塞P从导管左端缓缓鼓入一定量的空气,这样做的目的是。 〔6〕除已称量的a g Na2SO3样品外,实验中还应测定的数据是处,〔填图中字母〕装置实验前后的质量差。 〔Ⅲ〕现有以下试剂:蒸馏水、盐酸、稀硝酸、BaCl2溶液、Ba〔NO3〕2溶液。 丙同学欲从中选择适宜试剂,来测定质量为a g的Na2SO3样品中Na2SO3的质量分数。 下述实验方案理论上可行的有。 A.将样品溶解,加足量盐酸,再加足量BaCl2溶液,过滤、洗涤、枯燥、称量得沉淀ml g B.将样品溶解,加足量硝酸,再加足量BaCl2溶液、过滤、洗涤、枯燥、称量得沉淀m2 g C.将样品溶解,加过量BaCl2溶液,过滤后将溶液蒸干,称量得固体m3g D.将样品溶解,加过量Ba〔NO3〕2溶液,过滤、洗涤,在沉淀中参加足量盐酸,再过滤,洗涤、枯燥,称量得固体m4g。 ①取25.00 mL甲溶液,向其中缓慢滴加乙溶液15.00mL,其收集到气体224mL。 ②另取15.00mL乙溶液,向其中缓慢滴加甲溶液25.00mL,共收集到气体112mL。 上述气体体积均已换算为标准状况,CO2在溶液中的少量溶解忽略不计。请根据实验数据填空: 〔1〕甲是,甲溶液中溶质的物质的量浓度为,乙溶液中溶质的物质的量浓度为。 〔2〕将n mL的甲溶液与等体积的乙溶液按各种可能的方式混合,产生的气体体积为 V mL(标准状况),那么V的取值范围为。 18.〔山东济宁市2022—2022学年度第一学期高三质量检测,化学,23〕某一无色溶液,可能含有Na+、Cu2+、、Fe3+、Al3+、Mg2+、、、K+等离子中的一种或几种,为确定其组成,做如下实验: ①取少量待测溶液,向其中滴入盐酸酸化的氯化钡溶液,生成白色沉淀; ②另取少量待测溶液,向其中参加过氧化钠,产生无色无味气体,并生成白色沉淀;参加过量过氧化钠时,沉淀局部溶解。 试判断:溶液中一定存在的离子有;一定不存在的离子有。不确定的是为验证此离子的存在,还应进行实验。 参考答案: 1 2 3 4 5 6 7 8 9 10 AC C C D D A C D D A 11.【解析】由“通入氯水中,得无色透明液〞知,溶液中含有SO2,不含H2S和HBr,再由“向另一份中参加HNO3酸化的AgNO3溶液有白色沉淀产生〞不能确定是否含有HCl,因是原氯水溶液中已经含有Cl-,CO2也不能确定是否含有,故D项正确。 【答案】D 12.【解析】A项中溶液滴加酚酞试液变红,那么依据指示剂的现象知:该试液一定呈现碱性,该项正确;B项溶液中可能含有干扰;C项能使品红溶液褪色的含有Cl2等;D项中此液体可能为强含氧酸如H2SO4溶液等或强碱如NaOH溶液等或强含氧酸强碱盐如Na2SO4等,一定不是纯水,因纯水的导电性太弱。 【答案】A 13.【解析】①中Cl2可与乙烷发生取代反响;②中饱和碳酸氢钠溶液可降低乙酸乙酯的溶解度,便于乙酸乙酯的分层,同时吸收了乙酸,然后分液别离;③中CO2气体可与饱和碳酸钠溶液反响生成碳酸氢钠;④中乙酸与生石灰反响生成沸点高的乙酸钙,由于乙醇具有挥发性,可用蒸馏法将乙醇蒸馏出。故正确的选项为B项。 【答案】B 14.【解析】〔1〕中有两次白色沉淀的是Al(NO3)3,两次红褐色沉淀一次气体的是FeCl3,四次沉淀的是NaOH,两次沉淀且沉淀由白色立即变灰绿色最后变红褐色的是FeSO4,三次沉淀一次气体的是NaHCO3,故可实现鉴别;〔2〕中的Na2CO3和Na2SO4两两混合反响,均有两次沉淀不易鉴别出;〔3〕两两混合反响,KOH和NaHCO3均只有一次沉淀,NaCl和KNO3均无沉淀,这两组不易鉴别出;〔4〕〔5〕〔6〕均可鉴别出,故C项正确。 【答案】C 15.【答案】〔1〕NO2 〔2〕比较碳酸、醋酸、硅酸的酸性强弱 B中固体溶解,产生无色气体,C试 管中产生白色沉淀 16.【答案】〔Ⅰ〕〔1〕关闭弹簧夹〔或止水夹〕a,由长颈漏斗向锥形瓶内加水至漏斗内液面高于锥形瓶内液面,静置一会观察液面是否变化,假设不变,说明气密性良好,否那么、说明装置漏气 〔2〕SO2+C12+2H2O === +2+4H MnO2+4HCl〔浓〕MnCl2+C12↑+2H2O 〔3〕×100% 〔4〕锥形瓶及导管中的SO2未全部排入到广口瓶中与Cl2完全反响或由于产生SO2速度较快,未与Cl2反响而排入到NaOH溶液中 〔Ⅱ〕〔5〕将装置中的SO2全部排入到U形管中被吸收 〔6〕D 〔Ⅲ〕〔7〕AD 17.【答案】〔1〕盐酸;0.8 mol/L;1mol/L 〔2〕0≤V≤8.96n 18.【解析】由题目知溶液为无色的,那么Cu2+和Fe3+肯定部存在,由①知溶液中一定含有,由②知,溶液中一定含有Al3+和Mg2+,一定不含和,而不能确定的是K+和Na+,为验证二者应用焰色反响。 【答案】Al3+、Mg2+、;、Cu2+、Fe3+、〔每空错填或漏填皆不得分〕;K+、Na+;焰色反响
展开阅读全文

开通  VIP会员、SVIP会员  优惠大
下载10份以上建议开通VIP会员
下载20份以上建议开通SVIP会员


开通VIP      成为共赢上传

当前位置:首页 > 考试专区 > 高考

移动网页_全站_页脚广告1

关于我们      便捷服务       自信AI       AI导航        抽奖活动

©2010-2026 宁波自信网络信息技术有限公司  版权所有

客服电话:0574-28810668  投诉电话:18658249818

gongan.png浙公网安备33021202000488号   

icp.png浙ICP备2021020529号-1  |  浙B2-20240490  

关注我们 :微信公众号    抖音    微博    LOFTER 

客服