收藏 分销(赏)

项目环保备案登记表(空表).doc

上传人:精*** 文档编号:4346686 上传时间:2024-09-09 格式:DOC 页数:3 大小:40KB 下载积分:5 金币
下载 相关 举报
项目环保备案登记表(空表).doc_第1页
第1页 / 共3页
项目环保备案登记表(空表).doc_第2页
第2页 / 共3页


点击查看更多>>
资源描述
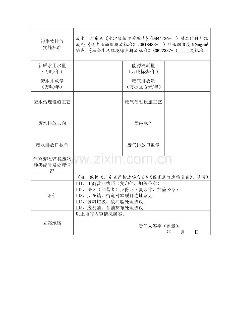
立案材料2 项目环境保护立案记录表 立案编号: 企业名称 (盖章) 企业地址 行政区域代码 中心位置经度 中心位置纬度 营业执照号 机构代码证号 法定代表人 联络电话 联络人 联络电话 建设项目名称 建设地点 占地面积(m2) 行业类别 经营规模 项目总投资(万元) 环境保护投资(万元) 关键生产或经营情况、项目四至情况 1、主体建筑: 2、经营内容: ,设有 ,共有职员 人。 3、作业时间: 4、生产工艺: 5、经营环境:项目在 ,东面是 ,南面是 ,西面是 ,北面是 。(在本表后附上项目位置卫星图、四至图) 关键产污设备数量 1、 2、 3、 4、 …… 排污种类 □1、废水: □2、废气: □3、噪声: □4、固废: 污染物排放 实施标准 废水:广东省《水污染物排放限值》(DB44/26- )第二时段标准 废气:《饮食业油烟排放标准》(GB18483- )即油烟浓度≤2mg/m3 噪声:《社会生活环境噪声排放标准》(GB22337- ) 类标准 新鲜水用水量 (万吨/年) 能源消耗量 (万吨标煤/年) 废水排放量 (万吨/年) 废气排放量 (万标立方米/年) 废水治理设施工艺 废气治理设施工艺 废水排放去向 受纳水体 废水排放口数量 废气排放口数量 危险废物/严控废物种类编号及处理情况 (注:依据《广东省严控废物名目》《国家危险废物名目》、填写) 附件 □1、工商营业执照(复印件,加盖公章) □2、法人(经营者)身份证(复印件,加盖公章) □3、所在镇、街道对本项目选址意见 □4、餐厨垃圾、废油脂处理协议 □5、废机油、含油抹布处理协议 立案承诺 以上填写内容情况属实。 责任人签字(盖章): 年 月 日 立案意见 (盖 章) 年 月 日 附图一:项目位置图(卫星图) 附图二:项目四至图
展开阅读全文

开通  VIP会员、SVIP会员  优惠大
下载10份以上建议开通VIP会员
下载20份以上建议开通SVIP会员


开通VIP      成为共赢上传

当前位置:首页 > 包罗万象 > 大杂烩

移动网页_全站_页脚广告1

关于我们      便捷服务       自信AI       AI导航        抽奖活动

©2010-2026 宁波自信网络信息技术有限公司  版权所有

客服电话:0574-28810668  投诉电话:18658249818

gongan.png浙公网安备33021202000488号   

icp.png浙ICP备2021020529号-1  |  浙B2-20240490  

关注我们 :微信公众号    抖音    微博    LOFTER 

客服