收藏 分销(赏)

实测实量汇总资料.doc

上传人:天**** 文档编号:4312143 上传时间:2024-09-05 格式:DOC 页数:9 大小:345.01KB 下载积分:6 金币
下载 相关 举报
实测实量汇总资料.doc_第1页
第1页 / 共9页
实测实量汇总资料.doc_第2页
第2页 / 共9页


点击查看更多>>
资源描述
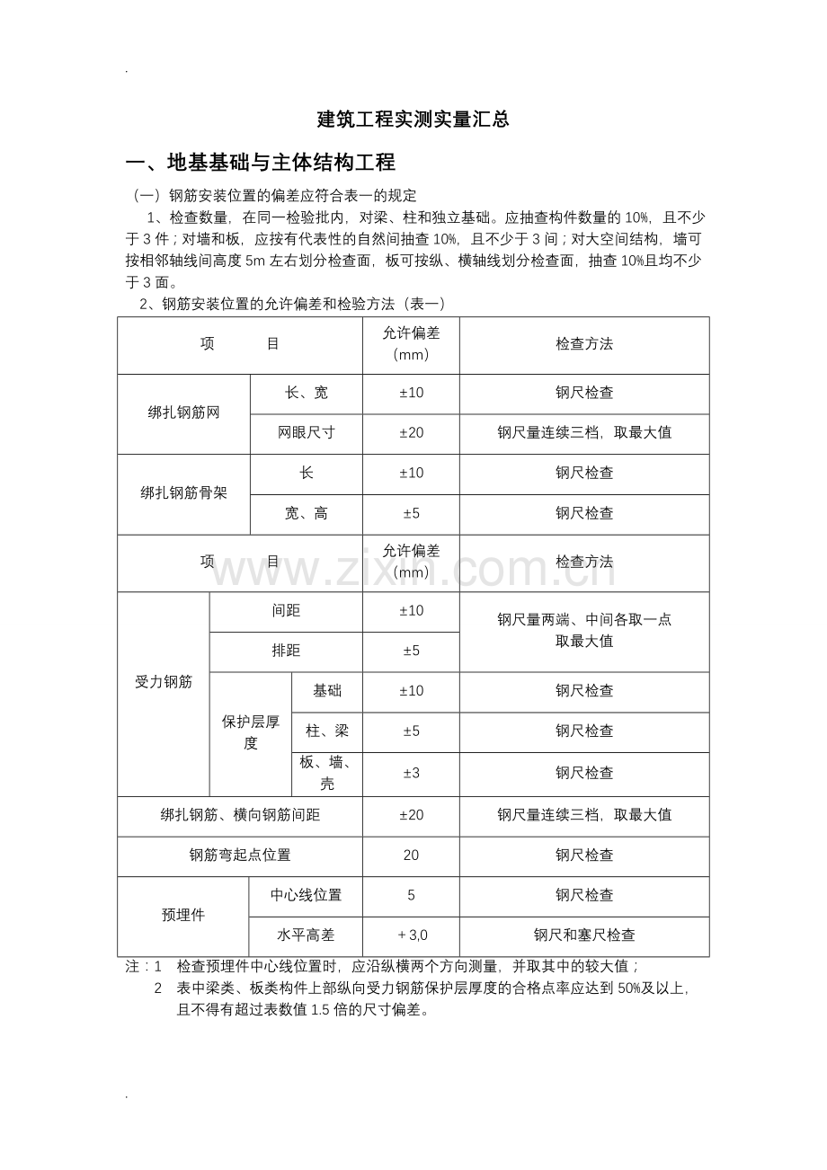
. 建筑工程实测实量汇总 一、地基基础与主体结构工程 (一)钢筋安装位置的偏差应符合表一的规定 1、检查数量,在同一检验批内,对梁、柱和独立基础。应抽查构件数量的10%,且不少于3件;对墙和板,应按有代表性的自然间抽查10%,且不少于3间;对大空间结构,墙可按相邻轴线间高度5m左右划分检查面,板可按纵、横轴线划分检查面,抽查10%且均不少于3面。 2、钢筋安装位置的允许偏差和检验方法(表一) 项 目 允许偏差 (mm) 检查方法 绑扎钢筋网 长、宽 ±10 钢尺检查 网眼尺寸 ±20 钢尺量连续三档,取最大值 绑扎钢筋骨架 长 ±10 钢尺检查 宽、高 ±5 钢尺检查 项 目 允许偏差 (mm) 检查方法 受力钢筋 间距 ±10 钢尺量两端、中间各取一点 取最大值 排距 ±5 保护层厚度 基础 ±10 钢尺检查 柱、梁 ±5 钢尺检查 板、墙、壳 ±3 钢尺检查 绑扎钢筋、横向钢筋间距 ±20 钢尺量连续三档,取最大值 钢筋弯起点位置 20 钢尺检查 预埋件 中心线位置 5 钢尺检查 水平高差 +3,0 钢尺和塞尺检查 注:1 检查预埋件中心线位置时,应沿纵横两个方向测量,并取其中的较大值; 2 表中梁类、板类构件上部纵向受力钢筋保护层厚度的合格点率应达到50%及以上, 且不得有超过表数值1.5倍的尺寸偏差。 (二)现浇结构尺寸允许偏差和检验方法 1、检验数量:按楼层、结构缝或施工段划分检验批。在同一检验批内,对梁、柱和独立基础,应抽查构件数量的10%,且不少于3件:对墙和板,应按有代表性的自然间抽查10%,且不少于3间:对大空间结构,墙可按相邻轴线间高度5mm左右划分检查面,板可按纵横轴线划分检查面,抽查10%,且均不少于3面;对电梯井,应全数检查。对设备基础,应全数检查。 2、现浇结构尺寸允许偏差和检验方法(表二) 项目 允许偏差(mm) 检验方法 轴线位置 基础 15 钢尺检查 独立基础 10 墙、柱、梁 8 剪力墙 5 垂直度 层高 ≤5m 8 经纬仪或吊线、钢尺检查 >5m 10 经纬仪或吊线、钢尺检查 全高(H) H/1000且≤30 经纬仪、钢尺检查 标高 层高 ±10 水准仪或拉线、钢尺检查 全高 ±30 截面尺寸 ﹢8,﹣5 钢尺检查 电梯井 井筒长、宽对定位中心线 ﹢25,0 钢尺检查 井筒全高(H)垂直度 H/1000且≤30 经纬仪、钢尺检查 表面平整度 8 预埋设施中心线位置 预埋件 10 钢尺检查 预埋螺栓 5 预埋管 5 预留洞中心线位置 15 钢尺检查 注 检查轴线、中心线位置时,应沿纵横两个方向量测,并取其中的较大值。 3、混凝土设备基础尺寸允许偏差和检验方法(表三) 项目 允许偏差(mm) 检验方法 坐标位置 20 钢尺检查 不同平面的标高 0,﹣20 水准仪或拉线、钢尺检查 平面外形尺寸 ±20 钢尺检查 凸台上平面外形尺寸 0,20 钢尺检查 凹穴尺寸 ﹢20,0 钢尺检查 平面水平度 每米 5 水平尺、塞尺检查 全长 10 水准仪或拉线、钢尺检查 垂直度 每米 5 经纬仪或吊线、钢尺检查 全高 10 预埋地脚螺栓 标高(顶部) ﹢20,0 水准仪或拉线、钢尺检查 中心距 ±2 钢尺检查 预埋地脚螺栓孔 中心线位置 10 钢尺检查 深度 ﹢20,0 钢尺检查 孔垂直度 10 吊线、钢尺检查 预埋活动地脚螺栓板 标高 ﹢20,0 水准仪或拉线、钢尺检查 中心线位置 5 钢尺检查 带槽锚板平整度 5 钢尺、钢尺检查 带螺纹孔平整度 2 钢尺、钢尺检查 注:检查坐标、中心线位置时,应沿纵横两个方向量测,并取其中的较大值 (三)砌体工程允许偏差和检验方法 1、抽检数量:没检验批抽查不应少于5处。 检验方法:观察和尺量检查。 2、砖砌体允许偏差和检验方法(表四) 项 项目 允许偏差(mm) 检验方法 抽检数量 1 轴线位移 10 用经纬仪和尺或用其他测量仪器检查 承重墙、柱全数检查 2 基础、墙、柱顶面标高 15 用水准仪和尺检查 不小于5处 3 墙面垂直度 每层 5 用2m托线板检查 不小于5处 全高 10m 10 用经纬仪、吊线和尺或用其他测量仪器检查 不小于5处 10m 20 4 表面平整度 清水墙、柱 5 用2m靠尺和塞尺检查 不小于5处 混水墙、柱 8 5 水平灰缝平整度 清水墙 7 拉5m线和尺检查 不小于5处 混水墙 10 6 门窗洞口高、宽(后塞门) 10 用尺检查 不小于5处 7 外墙下下窗口偏移 20 以底层窗口为准,用经纬仪或吊线检查 不小于5处 8 清水墙游丁走缝 20 以每层第一皮砖为准,用吊线和尺检查 不小于5处 3、 填充墙允许偏差和检验方法(表五) 项次 项目 允许偏差(mm) 检验方法 1 轴线位移 10 用尺检查 2 垂直度(每层) ≤3 5 用2m托线板或吊线、尺检查 >3 10 3 表面平整度 8 用2m靠尺或楔形尺检查 4 门窗洞口宽高(后塞门) ±10 用尺检查 5 外墙上、下偏移 20 用经纬仪或吊线检查 二、建筑装饰装修工程 (一)抹灰工程允许偏差和检验方法 1、抽查数量:室内每个检验批应至少抽查10% 并不得少于3 间不足3 间时应全数检查; 室外每个检验批每100m2 应至少抽查一处每处不得小于10m2。 2、一般抹灰工程质量的允许偏差和检验方法(表六) 项次 项目 允许偏差(mm) 检验方法 普通抹灰 高级抹灰 1 立面垂直度 4 3 用2m垂直度检测尺检查 2 表面平整度 4 3 用2m垂直度检测尺检查 3 阴阳角方正 4 3 用直角检测尺检查 4 分格条(缝)直线度 4 3 拉5m线,不足5m拉通线, 用钢直尺检查 5 墙裙、勒脚上口直线度 4 3 拉5m线,不足5m拉通线, 用钢直尺检查 注:1)普通抹灰,本表第3项阴角方正可不检查; 2)顶棚抹灰,本表第2项表面平整度可不检查,但应平顺。 (二)门窗安装允许偏差和检验方法 1、铝合金门窗安装允许偏差和检验方法(表七) 项次 项目 允许偏差 检验方法 1 门窗槽口宽度、高度 ≤1500 1.5 用钢尺检查 >1500 2 2 门窗槽口对角线长度差 ≤2000 3 用钢尺检查 >2000 4 3 门窗框的正、侧面垂直度 2.5 用垂直检测尺检查 4 门窗横框的水平度 2 用1m水平尺和塞尺检查 5 门窗横框标高 5 用钢尺检查 6 门窗竖向偏离中心 5 用钢尺检查 7 双层门窗内外间距 4 用钢尺检查 8 推拉门窗扇与框搭接量 1.5 用钢直尺检查 2、塑料门窗安装的允许偏差和检验方法(表八) 项次 项目 允许偏差 检验方法 1 门窗槽口宽度、高度 ≤1500 2 用钢尺检查 >1500 3 2 门窗槽口对角线长度差 ≤2000 3 用钢尺检查 >2000 5 3 门窗框的正、侧面垂直度 3 用1m垂直检测尺检查 4 门窗横框的水平度 3 用1m水平尺和塞尺检查 5 门窗横框标高 5 用钢尺检查 6 门窗竖向偏离中心 5 用钢尺检查 7 双层门窗内外间距 4 用钢尺检查 8 同樘平开门窗相邻扇高度差 2 用钢直尺检查 9 平开门窗铰链部位配合间隙 ﹢2;﹣1 用塞尺检查 10 推拉门窗扇与框搭接量 ﹢1.5;﹣2.5 用钢直尺检查 11 推拉门窗扇与竖框平行度 2 用1m水平尺和塞尺检查 (三)吊顶允许偏差和检验方法: 1、检查数量应符合下列规定: 每个检验批应至少抽查10% 并不得少于3 间不足3 间时应全数检查。 2、吊杆距主龙骨端部距离不得大于300mm 当大于300mm 时应增加吊杆,当吊杆长度大于1.5m 时应设置反支撑当吊杆与设备相遇时应调整并增设吊杆。 3、暗龙骨吊顶工程安装的允许偏差和检验方法(表九) 项次 项目 允许偏差(mm) 检验方法 纸面石膏板 金属板 矿棉板 木板、塑料板、格栅 1 平面平整度 3 2 2 2 用2m靠尺和塞尺检查 2 接缝直线度 3 1.5 3 3 拉5m线,不足5m拉通线,用钢直尺检查 3 接缝高度差 1 1 1.5 1 用钢直尺和塞尺检查 (四)隔墙允许偏差和检验方法: 1、板材隔墙工程的检查数量应符合下列规定: 每个检验批应至少抽查10% 并不得少于3 间不足3 间时应全数检查 2、 板材隔墙安装的允许偏差和检验方法(表十) 项次 项目 允许偏差(mm) 检验方法 复合轻质墙板 石膏空心板 钢丝网水泥板 金属夹芯板 其他复合板 1 平面平整度 2 3 3 3 用2m靠尺和塞尺检查 2 接缝直线度 2 3 3 3 用2m靠尺和塞尺检查 3 阴阳角 3 3 3 4 用直角检测尺检查 4 接缝高度差 1 2 2 3 用钢直尺和塞尺检查 (五)饰面砖允许偏差和检验方法: 1、检查数量应符合下列规定: 2、 室内每个检验批应至少抽查10% 并不得少于3 间不足3 间时应全数检查;室外每个检验批每100m2 应至少抽查一处每处不得小于10m2。 3、饰面砖粘贴的允许偏差和检验方法(表十一) 项次 项目 允许偏差(mm) 检验方法 外墙砖 内墙砖 1 立面垂直度 3 2 用2m垂直检测检查 2 表面平整度 4 3 用2m靠尺和塞尺检查 3 阴阳角方正 3 3 用直角检测尺检查 4 接缝直线度 3 2 拉5m线,不足5m拉通线,用钢直尺检查 5 接缝高度差 1 0.5 用钢直尺和塞尺检查 6 接缝宽度 1 1 用钢直尺检查 (五)建筑地面工程施工质量检验,应符合下列规定: 1、 基层(各构造层)和各类面层的分项工程的施工质量验收应按每一层次或每层施工段(或变形缝)划分检验批,高层建筑的标准错可按每三层(不足三层按三层计)划分检验批; 2、 每检验批应以各子分部工程的基层(各构造层)和各类面层所划分的分项工程按自然间(或标准间)检验,抽查数量应随机检验不应少于3间;不足3间,应全数检查;其中走廊(过道)应以10延长米为1间,工业厂房(按单跨计)、礼堂、门厅应以两个轴线为1间计算; 3、 有防水要求的建筑地面子分部工程的分项工程施工质量每检验批抽查数量应按其房间总数随机检验不应少于4间,不足四间,应全数检查。 4、 板、块面层的允许偏差和检验方法(表十二) 项次 项目 允许偏差(mm) 检验方法 陶瓷棉砖面层、、高级水磨石板、陶瓷地砖面层 缸砖面层 水泥花砖面层 水磨石板块面层 大理石层和花岗岩石面层 塑料板面层 水泥混凝土板块面层 碎拼大理石、碎拼花岗石面层 活动地板面层 条石面层 块石面层 1 表面平整度 2.0 4.0 3.0 3.0 1.0 2.0 4.0 3.0 2.0 10.0 10.0 用2m靠尺和楔形塞尺检查 2 缝格平直 3.0 3.0 3.0 3.0 2.0 3.0 3.0 — 2.5 8.0 8.0 拉5m线和用钢尺检查 3 接缝高低 0.5 1.5 0.5 1.0 0.5 0.5 1.5 — 0.4 2.0 — 用钢尺和楔形塞尺检查 4 踢脚线上口平直 3.0 4.0 — 4.0 1.0 2.0 4.0 1.0 — — — 拉5m线和用钢尺检查 5 板块间隙宽度 2.0 2.0 2.0 2.0 1.0 — 6.0 — 0.3 5.0 — 用钢尺检查 5、 整体面层的允许偏差和检验方法(表十三) 项次 项目 允许偏差(mm) 检验方法 水泥混凝土面层 水泥砂浆面层 普通水磨石面层 高级水磨石面层 硬化耐磨面层 防油渗混凝土和不发火(防爆)面层 自流平面层 涂料面层 塑胶面层 1 表面平整度 5 4 3 2 4 5 2 2 2 用2m靠尺和楔形塞尺检查 (表十三)续表 项次 项目 允许偏差(mm) 检验方法 水泥混凝土面层 水泥砂浆面层 普通水磨石面层 高级水磨石面层 硬化耐磨面层 防油渗混凝土和不发火(防爆)面层 自流平面层 涂料面层 塑胶面层 1 踢脚线上口平直 4 4 3 3 4 4 3 3 3 拉5m线或用钢尺检查 2 缝格顺直 3 3 3 2 3 3 2 2 2 三、安装工程 项次 项目 允许偏差 检验方法 1 给水、排水、采暖、蒸汽管道坡度 设计要求 用钢尺检查 2 箱式消火栓安装位置 距地高度 ±20 用钢尺检查 垂直度 3 用钢尺检查 3 卫生器具安装高度 ±15 用钢尺检查 4 电气柜、台、箱、盘安装垂直度 1.5‰ 5 成排灯具中心线偏差 5 6 同一墙面开关、插座面板高度差 5 用钢直尺检查 四、钢结构工程 1、焊接H型钢的允许偏差(mm) 项目 允许偏差 图例 截面高度h h<500 ±2.0 500<h<1000 ±3.0 H>1000 ±4.0 截面宽度b ±3.0 腹板中心偏移 2.0 翼缘板垂直度∆ b/100,且不应大于3.0 弯曲矢高(受压构件除外) L/1000,且不应大于10.0 扭曲 h/250,且不应大于5.0 腹板局部平整度f t<14 3.0 T≥14 2.0 注: 检查数量:按钢构件数抽查10%,宜不少于3件。 检验方法:用钢尺、角尺、塞尺等检查。 2、单层钢结构中柱子安装的允许偏差(mm) 项目 允许偏差 图例 检验方法 柱脚底座中心线定位轴线的偏移 5.0 用吊线和钢尺检查 柱基准点标高 有吊车梁的柱 ﹢3.0 ﹣5.0 用水准仪检查 无吊车梁的柱 ﹢5.0 ﹣8.0 弯曲矢高 H/1200,且不应大于15.0 用经纬仪或拉线和钢尺检查 柱轴线垂直度 单层柱 H≤10m H/1000 用经纬仪或吊线和钢尺检查 H>10m H/1000,且不应大于25.0 多节柱 单节柱 H/1000,且不应大于10.0 柱全高 35.0 检查数量:按构件数抽查10%,且不应少于3 个。 检验方法:用钢尺检验。 钢结构油漆: 每遍涂层干漆膜厚度的允许偏差为-5μm。 检查数量:按构件数抽查10%,且同类构件不应少于3 件。 检验方法:用干漆膜测厚仪检查。每个构件检测5 处,每处的数值为3 个相距50mm 测点涂层干漆膜厚度的平均值。 .
展开阅读全文

开通  VIP会员、SVIP会员  优惠大
下载10份以上建议开通VIP会员
下载20份以上建议开通SVIP会员


开通VIP      成为共赢上传

当前位置:首页 > 包罗万象 > 大杂烩

移动网页_全站_页脚广告1

关于我们      便捷服务       自信AI       AI导航        抽奖活动

©2010-2026 宁波自信网络信息技术有限公司  版权所有

客服电话:0574-28810668  投诉电话:18658249818

gongan.png浙公网安备33021202000488号   

icp.png浙ICP备2021020529号-1  |  浙B2-20240490  

关注我们 :微信公众号    抖音    微博    LOFTER 

客服