收藏 分销(赏)

宜昌市建夷建设工程质量检测中心.doc

上传人:天**** 文档编号:4129848 上传时间:2024-07-31 格式:DOC 页数:5 大小:124.54KB 下载积分:6 金币
下载 相关 举报
宜昌市建夷建设工程质量检测中心.doc_第1页
第1页 / 共5页
宜昌市建夷建设工程质量检测中心.doc_第2页
第2页 / 共5页


点击查看更多>>
资源描述
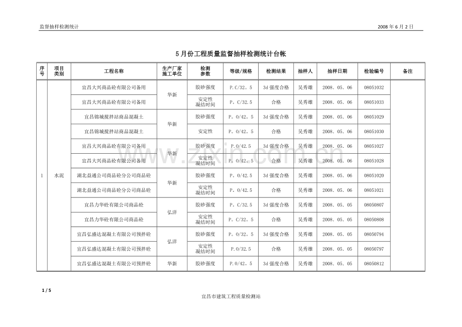
监督抽样检测统计 2008年6月2日 5月份工程质量监督抽样检测统计台帐 序 号 项目 类别 工程名称 生产厂家 施工单位 检测 参数 等级/规格 检测结果 抽样人 抽样日期 检验编号 备注 1 水泥 宜昌大兴商品砼有限公司备用 华新 胶砂强度 P.C/32。5 3d强度合格 吴秀雄 2008.05.06 08051032 宜昌大兴商品砼有限公司备用 安定性 凝结时间 P。C/32.5 合格 吴秀雄 2008.05.06 08051033 宜昌锦城搅拌站商品混凝土 华新 胶砂强度 P。O/42。5 3d强度合格 吴秀雄 2008.05.06 08051029 宜昌锦城搅拌站商品混凝土 安定性 P。O/42。5 合格 吴秀雄 2008.05.06 08051030 宜昌大兴商品砼有限公司备用 华新 胶砂强度 P.O/42.5 3d强度合格 吴秀雄 2008.05.06 08051027 宜昌大兴商品砼有限公司备用 安定性 凝结时间 P。O/42。5 合格 吴秀雄 2008.05.06 08051028 湖北益通公司商品砼分公司商品砼 华新 胶砂强度 P。O/42.5 3d强度合格 吴秀雄 2008.05.06 08051020 湖北益通公司商品砼分公司商品砼 安定性 凝结时间 P。O/42.5 合格 吴秀雄 2008.05.06 08051021 宜昌力华砼有限公司商品砼 弘洋 胶砂强度 P。C/32.5 3d强度合格 吴秀雄 2008.05.05 08050807 宜昌力华砼有限公司商品砼 安定性 凝结时间 P。C/32。5 合格 吴秀雄 2008.05.05 08050808 宜昌弘盛达混凝土有限公司预拌砼 弘洋 胶砂强度 P。O/32。5 3d强度合格 吴秀雄 2008.05.05 08050794 宜昌弘盛达混凝土有限公司预拌砼 安定性 凝结时间 P.O/32.5 合格 吴秀雄 2008.05.05 08050797 宜昌弘盛达混凝土有限公司预拌砼 华新 胶砂强度 P.O/42。5 3d强度合格 吴秀雄 2008.05.05 08050812 序 号 项目 类别 工程名称 生产厂家 施工单位 检测 参数 等级/规格 检测结果 抽样人 抽样日期 检验编号 备注 1 水泥 宜昌弘盛达混凝土有限公司预拌砼 华新 安定性 凝结时间 P。O/42。5 合格 吴秀雄 2008.05.05 08050813 宜昌力华砼有限公司商品砼 华新 胶砂强度 P。O/42。5 3d强度合格 吴秀雄 2008.05.05 08050814 宜昌力华砼有限公司商品砼 安定性 凝结时间 P。O/42.5 合格 吴秀雄 2008.05.05 08050817 湖北城乡建设商砼搅拌站备用 华新 胶砂强度 P。C/32.5 3d强度合格 吴秀雄 2008.05.05 08050828 湖北城乡建设商砼搅拌站备用 安定性 凝结时间 P.C/32.5 合格 吴秀雄 2008.05.05 08050829 湖北城乡建设商砼搅拌站备用 华新 胶砂强度 P。O/42。5 3d强度合格 吴秀雄 2008.05.05 08050826 湖北城乡建设商砼搅拌站备用 安定性 凝结时间 P。O/42。5 合格 吴秀雄 2008.05.05 08050827 2 墙体材料 空心砌块 江山多娇二期Ⅱ工程2区 宜强 强度/容重 90*190*390 MU3.5/900 MU 3。5/900 饶刚 2008.05.28 08054295 江山多娇二期Ⅱ工程2区 宜强 强度/容重 90*190*390 MU3。5/900 MU 5.0/1000 饶刚 2008.05.28 08054296 容重超标 江山多娇二期Ⅱ工程2区 宜强 强度/容重 240*190*390 MU5。0/900 MU 7。5/900 饶刚 2008.05.28 08054297 江山多娇二期Ⅱ工程2区 宜强 强度/容重 240*190*390 MU5.0/900 MU 5。0/800 饶刚 2008.05.28 08054298 宜昌市第一人民医院门诊楼 宜昌天威 强度/容重 390*190*190 MU3.5/900 MU 5。0/900 饶刚 2008.05.28 08054171 宜昌市第一人民医院门诊楼 宜昌天威 强度/容重 390*190*190 MU3.5/1000 MU 5.0/900 饶刚 2008.05.28 08054172 序 号 项目 类别 工程名称 生产厂家 施工单位 检测 参数 等级/规格 检测结果 抽样人 抽样日期 检验编号 备注 2 墙体材料 空心砌块 宜昌市第一人民医院门诊楼 宜昌天威 强度/容重 390*190*190 MU5.0/900 MU 5。0/900 饶刚 2008.05.28 08054173 江山景苑6#7#10#楼 宜昌衡基 强度/容重 390*190*190 MU3。5/900 MU 5。0/1000 陈北量 2008.05.19 08052859 容重超标 江山景苑6#7#10#楼 宜昌衡基 强度/容重 390*190*190 MU3.5/900 MU 5。0/1000 陈北量 2008.05.19 08052860 容重超标 江山景苑A区4#5#8#9#楼 宜昌天威 强度/容重 390*190*190 MU5。0/900 MU 5。0/800 陈北量 2008.05.19 08052856 宜昌中心商务区二期2—1#2-2#楼 宜昌天威 强度/容重 390*240*190 MU3。5/900 MU 3。5/800 饶刚 2008.05.12 08051827 宜昌中心商务区二期2—1#2—2#楼 宜昌天威 强度/容重 390*190*190 MU2。5/900 MU 5.0/700 饶刚 2008.05.12 08051828 宜昌中心商务区二期2—1#2—2#楼 宜昌天威 强度/容重 390*120*190 MU2。5/900 MU 5。0/800 饶刚 2008.05.12 08051830 裕波旭光搬改项目—食堂工程 宜昌宏润 强度/容重 240*190*390 MU2.5/800 MU 2.5/700 饶刚 2008.05.10 08051489 亚洲广场 宜昌市陶粒砖厂 强度/容重 190*240*390 MU3.5/1000 MU 3.8/800 吴秀雄 2008.05.08 08051161 宜昌市第一人民医院门诊楼 宜昌天威 强度/容重 390*190*190 MU5。0/1000 MU 5.0/800 饶刚 2008.05.15 08050582 宜昌市第一人民医院门诊楼 宜昌天威 强度/容重 390*190*90 MU5。0/1000 MU 5.0/900 饶刚 2008.05.15 08050583 4 粉 煤 灰 宜昌弘盛达混凝土有限公司预拌砼 荆门晟源 细度/需水量比 F类Ⅱ级 合格 吴秀雄 2008.05.05 08050792 宜昌弘盛达混凝土有限公司预拌砼 烧失量/三氧化硫/游离氧化钙 F类Ⅱ级 合格 吴秀雄 2008.05.05 08050793 宜昌力华砼有限公司商品砼 荆门晟源 细度/需水量比/含水量 F类Ⅱ级 合格 吴秀雄 2008.05.05 08050815 序 号 项目 类别 工程名称 生产厂家 施工单位 检测 参数 等级/规格 检测结果 抽样人 抽样日期 检验编号 备注 4 粉 煤 灰 宜昌力华砼有限公司商品砼 荆门晟源 烧失量/三氧化硫/氧化钙 F类Ⅱ级 合格 吴秀雄 2008.05.05 08050816 湖北城乡建设商砼搅拌站备用 湖南石门 细度/需水量比 F类Ⅱ级 合格 吴秀雄 2008.05.05 08050818 湖北城乡建设商砼搅拌站备用 烧失量/三氧化硫/氧化钙 F类Ⅱ级 合格 吴秀雄 2008.05.05 08050819 宜昌大兴商品砼有限公司备用 枝江鼎丰 细度 F类Ⅱ级 合格 吴秀雄 2008.05.06 08051018 宜昌大兴商品砼有限公司备用 烧失量/三氧化硫/游离氧化钙 F类Ⅱ级 合格 吴秀雄 2008.05.06 08051019 湖北益通公司商品砼分公司商品砼 枝江万鑫 细度/需水量比/含水量 F类Ⅱ级 合格 吴秀雄 2008.05.06 08051016 湖北益通公司商品砼分公司商品砼 烧失量/三氧化硫/游离氧化钙 F类Ⅱ级 合格 吴秀雄 2008.05.06 08051017 宜昌锦城搅拌站商品混凝土 枝江万鑫 细度/需水量比/含水量 F类Ⅱ级 合格 吴秀雄 2008.05.06 08051014 宜昌锦城搅拌站商品混凝土 烧失量/三氧化硫/游离氧化钙 F类Ⅱ级 合格 吴秀雄 2008.05.06 08051015 5 外 加 剂 宜昌弘盛达混凝土有限公司预拌砼 武汉浩源 对水泥的适应性/减水率/密度/pH值 FDN-9000 合格 吴秀雄 2008.05.05 08050805 宜昌弘盛达混凝土有限公司预拌砼 武汉浩源 抗压强度 /凝结时间 SY-G 合格 吴秀雄 2008.05.05 08050806 宜昌力华砼有限公司商品砼备用 武汉浩源 对水泥的适应性/减水率 /密度 FDN-9000 合格 吴秀雄 2008.05.05 08050804 湖北城乡建设商砼搅拌站备用 武汉浩源 对水泥的适应性/减水率 / pH值 FDN—9000 合格 吴秀雄 2008.05.05 08050810 宜昌锦城搅拌站商品混凝土 武汉浩源 减水率/细度 /凝结时间 FDN-2 合格 吴秀雄 2008.05.06 08050813 序 号 项目 类别 工程名称 生产厂家 施工单位 检测 参数 等级/规格 检测结果 抽样人 抽样日期 检验编号 备注 5 外 加 剂 宜昌大兴商品砼有限公司备用 武汉浩源 对水泥的适应性/减水率 / pH值/抗压强度比 LB—5000 合格 吴秀雄 2008.05.06 08051012 湖北益通公司商品砼分公司商品砼 荆州固城 对水泥的适应性/减水率 / pH值/密度 /凝结时间 FDN—4 合格 吴秀雄 2008.05.06 08051011 6 混 凝 土 江山景苑A区4#楼 (九层A-E/3层梁) 湖南华恒 砼强度回弹 C25 32.8MPa 张建红 罗 成 2008.05.09 08050953 金安奥园(负一层A‘/1’柱) 宜昌金安 砼强度回弹 C35 36。1MPa 张建红 刘 强 2008。05.16 08051179 江山景苑8#楼(一层18/J柱) 宜昌广盛 砼强度回弹 C25 31。6MPa 张 鹏 刘 强 2008。05。27 08053887 江山景苑7#楼(三层15/B柱) 宜昌广盛 砼强度回弹 C25 32.6MPa 张 鹏 刘 强 2008。05。27 08053888 5 / 5 宜昌市建筑工程质量检测站
展开阅读全文

开通  VIP会员、SVIP会员  优惠大
下载10份以上建议开通VIP会员
下载20份以上建议开通SVIP会员


开通VIP      成为共赢上传

当前位置:首页 > 环境建筑 > 其他

移动网页_全站_页脚广告1

关于我们      便捷服务       自信AI       AI导航        抽奖活动

©2010-2026 宁波自信网络信息技术有限公司  版权所有

客服电话:0574-28810668  投诉电话:18658249818

gongan.png浙公网安备33021202000488号   

icp.png浙ICP备2021020529号-1  |  浙B2-20240490  

关注我们 :微信公众号    抖音    微博    LOFTER 

客服