收藏 分销(赏)

装饰装修质量保证措施.docx

上传人:快乐****生活 文档编号:4045675 上传时间:2024-07-26 格式:DOCX 页数:36 大小:97.82KB 下载积分:12 金币
下载 相关 举报
装饰装修质量保证措施.docx_第1页
第1页 / 共36页
装饰装修质量保证措施.docx_第2页
第2页 / 共36页


点击查看更多>>
资源描述
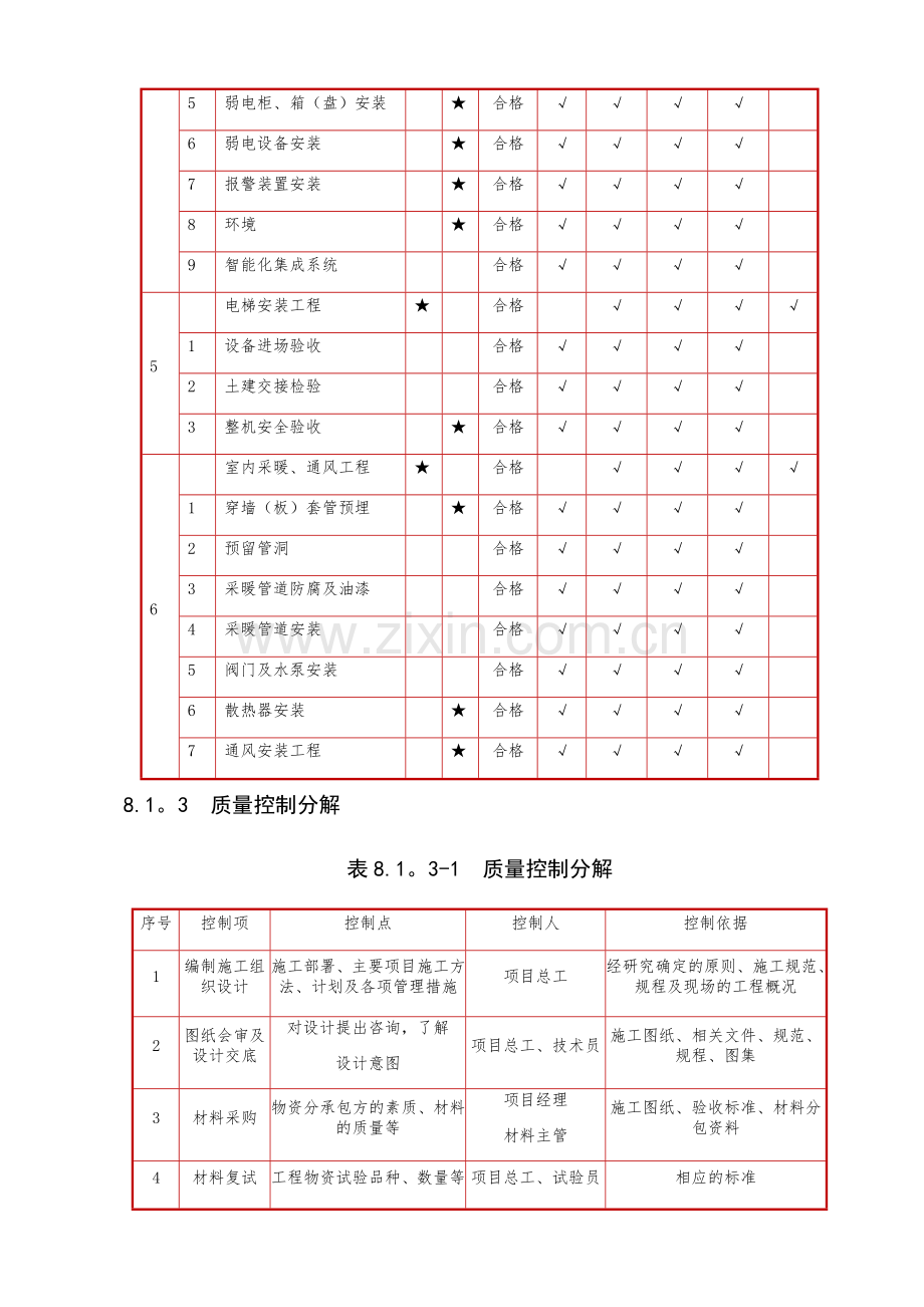
第八章 质量保证措施 8。1 质量目标 8。1.1 质量目标及创优目标 确保工程质量达到中石油“优质"工程。 确保达到中石油“优质”工程,为保证该质量目标的实现,各分部工程质量目标确定为合格,具体指标为: 分项工程合格率100%,优良率95%以上; 分部工程合格率100%,优良率100%。 单位工程合格率100%,达到中石油“优质”工程标准。 质量控制资料真实、完整,所含分部工程有关安全和功能的检测资料真实、完整。 8.1。2 质量目标分解 表8.1.2—1 质量目标分解 编号 分部分项工程名称 关键分部 关键分项 质量目标 检验单位 分部 分项 施工 班组 项目部 监理 单位 建设 单位 质监站 1 装饰装修工程 ★ 合格 √ √ √ √ 1 地面工程 ★ 合格 √ √ √ √ 2 抹灰工程 ★ 合格 √ √ √ √ 3 门窗工程 ★ 合格 √ √ √ √ 4 吊顶工程 ★ 合格 √ √ √ √ 5 轻质隔墙工程 ★ 合格 √ √ √ √ 6 细部作法 ★ 合格 √ √ √ √ 2 电气安装工程 ★ 合格 √ √ √ √ 1 电气配管及预埋 ★ 合格 √ √ √ √ 2 重复接地、防雷接地 ★ 合格 √ √ √ √ 3 等电位连接 ★ 合格 √ √ √ √ 4 管内穿线 合格 √ √ √ √ 5 电缆敷设 合格 √ √ √ √ 6 配电柜、箱(盘)安装 ★ 合格 √ √ √ √ 7 电气设备安装 ★ 合格 √ √ √ √ 8 插座、线盒、开关安装 ★ 合格 √ √ √ √ 9 灯具安装 ★ 合格 √ √ √ √ 1 穿墙(板)套管预埋 ★ 合格 √ √ √ √ 2 预留管洞 合格 √ √ √ √ 3 消防管道防腐及油漆 合格 √ √ √ √ 4 消防管道安装 合格 √ √ √ √ 3 给、排水工程 ★ 合格 √ √ √ √ 1 穿墙(板)套管预埋 ★ 合格 √ √ √ √ 2 预留管洞 合格 √ √ √ √ 3 管道防腐及油漆 合格 √ √ √ √ 4 管道安装 合格 √ √ √ √ 5 阀门及水泵安装 合格 √ √ √ √ 6 消火栓箱等器材安装 ★ 合格 √ √ √ √ 7 喷淋头安装 ★ 合格 √ √ √ √ 4 职能建筑 ★ 合格 √ √ √ √ 1 电气配管及预埋 ★ 合格 √ √ √ √ 2 重复接地 合格 √ √ √ √ 3 管内穿线 ★ 合格 √ √ √ √ 4 电缆敷设 合格 √ √ √ √ 5 弱电柜、箱(盘)安装 ★ 合格 √ √ √ √ 6 弱电设备安装 ★ 合格 √ √ √ √ 7 报警装置安装 ★ 合格 √ √ √ √ 8 环境 ★ 合格 √ √ √ √ 9 智能化集成系统 合格 √ √ √ √ 5 电梯安装工程 ★ 合格 √ √ √ √ 1 设备进场验收 合格 √ √ √ √ 2 土建交接检验 合格 √ √ √ √ 3 整机安全验收 ★ 合格 √ √ √ √ 6 室内采暖、通风工程 ★ 合格 √ √ √ √ 1 穿墙(板)套管预埋 ★ 合格 √ √ √ √ 2 预留管洞 合格 √ √ √ √ 3 采暖管道防腐及油漆 合格 √ √ √ √ 4 采暖管道安装 合格 √ √ √ √ 5 阀门及水泵安装 合格 √ √ √ √ 6 散热器安装 ★ 合格 √ √ √ √ 7 通风安装工程 ★ 合格 √ √ √ √ 8.1。3 质量控制分解 表8.1。3-1 质量控制分解 序号 控制项 控制点 控制人 控制依据 1 编制施工组织设计 施工部署、主要项目施工方法、计划及各项管理措施 项目总工 经研究确定的原则、施工规范、规程及现场的工程概况 2 图纸会审及设计交底 对设计提出咨询,了解 设计意图 项目总工、技术员 施工图纸、相关文件、规范、规程、图集 3 材料采购 物资分承包方的素质、材料的质量等 项目经理 材料主管 施工图纸、验收标准、材料分包资料 4 材料复试 工程物资试验品种、数量等 项目总工、试验员 相应的标准 5 选定施工队伍 施工队的施工业绩、综合素质 项目经理 公司劳务部门 公司的质量体系文件 6 施工组织设计交底 施组中主要内容及施工中的注意问题 项目总工 生产经理 已审批的施工组织设计 7 材料机械进场 按计划和要求进场检验、标识、分类、存放 器材负责人 材料员 合格分承包方、采购计划表 8 测量定位 各种控制桩观测点 项目总工 测量员 施工图纸、规范、测量定桩成果通知单 9 楼地面 控制线、基层清理、面层施工 工长、质量员、测量员 施工图纸、相应图集、规范规程、技术交底 10 防水工程 操作人员的素质 企业资质方案 项目总工 质量员 施工图、规范 技术交底 11 门窗工程 门窗制作、框与墙体的连接 项目总工、 质量员、工长 施工图纸、相应图集、规范规程、技术交底 12 吊顶工程 材料、安装外观 项目总工、 质量员、工长 施工图纸、相应图集、规范规程、技术交底 13 抹灰工程 材料、观感 项目总工、 质量员、工长 施工图纸、相应图集、规范规程、技术交底 14 轻质隔墙 材料、连接方式 项目总工、 质量员、工长 施工图纸、相应图集、规范规程、技术交底 15 电气配管及预埋 材质、连接方式 项目总工、 质量员、工长 施工图纸、相应图集、规范规程、技术交底 16 防雷接地系统 材质、连接方式 项目总工、 质量员、工长 施工图纸、相应图集、规范规程、技术交底 17 穿墙(板)套管预埋 标高、位置、尺寸 项目总工、 质量员、工长 施工图纸、相应图集、规范规程、技术交底 18 预留管洞 标高、位置、尺寸 项目总工、 质量员、工长 施工图纸、相应图集、规范规程、技术交底 19 管道防腐及油漆 边数、外观 项目总工、 质量员、工长 施工图纸、相应图集、规范规程、技术交底 20 管道安装 材质、尺寸、标高、位置 项目总工、 质量员、工长 施工图纸、相应图集、规范规程、技术交底 21 设备安装 设备材料、标高、位置 项目总工、 质量员、工长 施工图纸、相应图集、规范规程、技术交底 8.1.4 质量控制点的设置 序号 施工工序 主 要 质 量 控 制 点 备 注 1 工程测量及 定位放线 场地控制桩、高程控制点、定位轴线、场地标高、设备检定 2 抹灰工程 水泥凝结时间和安定性、立面垂直度、表面平整度、滴水线 3 吊顶工程 吊顶标高、起拱、造型、锚固件、表面平整度 4 饰面砖粘贴工程 外墙面砖的品种、规格、色泽和吸水率、粘结强度、立面垂直度、表面平整度、滴水线 5 地面工程 材料品种、粘结强度、表面平整度、色泽 6 涂饰工程 基层含水率、施工环境温度、颜色光泽 7 护栏和扶手 护栏高度、栏杆间距、安装位置 8 给水排水及采暖工程 材料的规格型号、阀门强度及严密性、管道坡度、管道支架间距、管道平直度 9 电气工程 电线及设备的品种、规格、型号、等电位线的连接、接地装置的安装、开关及插座接线的相序 8。1.5 “四新”技术的采用 我公司将针对本工程中的技术难点进行攻关。同时,将把施工现场作为科技创新的主战场,围绕工程项目,根据施工需要,充分推广应用“四新"科技成果,采用先进合理的技术措施和现代化管理手段,提高质量,缩短工期,降低消耗,增强效益,圆满完成招标文件规定的工程施工任务,形成新的技术优势,促进企业的长远发展。本工程中拟采用的建设部推广的十项新技术中的2大项16子项,详见表8。1.5—1: 表8。1.5-1 采用新技术、新产品、新工艺、新材料应用 序号 新技术项目名称 应用部位 6 机电安装工程技术 6.1 管线布置综合平衡技术 机电管线布置 6。2 金属矩形风管薄钢板法兰连接技术 6.3 变风量空调系统技术 7 绿色施工技术 7。3 预拌砂浆技术 填充墙 8。4 粘贴式外墙外墙外保温隔热系统施工技术 中空玻璃、玻璃幕墙 7。6 现浇混凝土外墙外保温施工技术 外墙保温 7。9 铝合金窗断桥技术 10 信息化应用技术 工程施工中的技术、质量、安全、资料、预算、财务及成本管理 10。2 高精度自动测量控制技术 施工全过程 10.3 施工现场远程监控管理及工程远程验收技术 施工全过程 10。4 工程量自动计算技术 预结算 10.5 工程项目管理信息化实施集成应用及基础信息规范分类编码技术 施工全过程 10。6 建设项目资源计划管理技术 施工全过程 10。7 项目多方协同管理信息化技术 施工全过程 8.1.6 采用QC计划 项目部组织成立“QC小组":测量QC小组、外墙饰面砖QC小组、轻质隔墙、玻璃幕墙QC小组等,各小组要选好课题制定总质量目标和预控措施,每楼层做PDCA循环,制定管理目标和预控措施.通过对本工程项目的调查与研究,分析问题的成因,找出主要原因后,“QC小组”制定解决问题的方法及措施,并组织实施及跟踪调查,做好相关记录,最后通过数据分析,总结有点及缺点,对措施进一步改进,进入下一个PDCA,确保达到预期质量目标。 8。2 质量保证体系 8。2.1 建立质量保证体系组织机构 1。建立健全质量保证体系组织机构 推行ISO9001标准,健全质量管理体系,建立由项目经理领导、项目技术负责人中间控制,质检员基层检查的三级管理体系,形成一个从项目经理到生产班组的项目质量保证体系,项目经理对质量全面负责,对质量工作全面领导,是质量第一责任人。项目技术负责人对质量工作进行全面管理,是质量第二责任人。质量管理保证体系施工质量控制体系见图8.2.1—1。 2。质量控制体系运转 (1)项目领导班子成员应充分重视施工质量控制体系运转的正常,支持有关人员展开的围绕质保体系的各项活动。 (2)强有力的质量检查管理人员,作为质保体系中的中坚力量。 (3)提供必要的资金,添置必要的设备,以确保体系运转的物质基础。 (4)制定强有力的措施、制度,以保证质保体系的运转。 项目经理() 项 目 技 术 员 项 目 质 量 员 土 建 工 长 水 电 工 长 项 目 安 全 员 项 目 试 验 员 项 目 测 量 员 项 目 材 料 员 项 目 机 械 员 班 组 质 量 员 作 业 班 组 反 馈 反 馈 项目副经理() 技术部() 质量员() 物资部() 工程部(刘武念) 工程部() 8.2.1-1:项目质量保证体系组织机构 公司质检职能部门 质量要求交底 质量意识交底 项目经理 对质量负全面责任 订立质量奖罚制度 财务员 质量检查员 现场保卫 材料员 成品保护 各专建设单位管 负直接责任 质量监督 质量员培训 材料及半成品验收 按质量等级及质量奖项结算和奖罚 前道工序质量验收 机具配备 材料检验 质量样板 技术规范设计方案 材料及半成品验收 技术质量交底 自检 操作都挂牌 班组长或质量干事作示范 优质产品 检查前导工序质量 按规定选料 保持整洁环境 检验及维护机具 遵守技术质量交底 自检交优质产品 图8。2。1-2: 质量保证体系流程图 项目经理() 甲方代表() 监 理() 公司经理 技 术 部() 施工部门() 施工过程 质量保证计划 施工后控制 施工前控制 工程质量 质量保证措施 质量保证体系 产 品 施工中控制 指导 8。2.1—3:施工质量控制体系 (5)每周召开一次质量分析会,以使在质保体系运转过程中发现的问题进行处理和解决。 (6)全面开展质量管理活动,使本工程的施工质量达到一个新的高度。 3.施工质量控制体系的落实 工程施工是一个物质生产过程,施工质量控制体系主要是围绕“人、机、物、环、法”五大要素进行的,它们形成一个系统,要进行全面控制。任何一个环节出了差错,则势必使施工的质量达不到相应的要求,故在质量保证计划中,对这施工过程中的五大要素的质量保证措施必须予以明确地落实。 (1)“人”的因素 1)施工中人的因素是关键,无论是从管理层到劳务层,其素质责任心等的好坏将直接影响到本工程的施工质量。对于“人"的因素的质量保证措施主要人:人员培训、人员管理、人员评定来保证人员的素质. 2)在进场前,我们将对所有的施工管理人员及施工劳务人员进行各种必要的培训,关键的岗位必须持有效上岗证才能上岗。在管理层积极推广计算机的广泛应用,加强现代信息化的推广;在劳务层,对一些重要的岗位,必须进行再培训,以达到更高的要求。 3)在施工中我们要加强人员的管理工作,还要加强人员的评定工作,人员管理及评定工作是以对项目的全体管理层及劳务层实施层层管理、层层评定的方式进行。进行这两项工作其目的在于使进驻现场的任何人员在任何时候均能保持最佳状态,以确保本工程能顺利完成。 (2)“机”的因素 现代的施工管理,机械化程度的提高为工程更快、更好地完成创造了有利条件。但机械对施工质量的影响亦越来越大,必须确保机械处于最佳状态,在施工机械进场前必须对进场机械进行一次全面的保养,使施工机械在投入使用前就已达到最佳状态,而在施工中,要使施工机械处于最佳状态就必须对其进行良好的养护、检修.在施工过程中我们将制定机械维护计划表,以保证在施工过程中所有的施工机械在任何施工阶段均能处于最佳状态。 (3)“物“的因素 材料的最基本的单位,亦是保证外观质量的最基本的单位,故材料采用的优劣将直接影响本工程的内在及外观质量。“物“的因素是最基本的因素。为确保”物“的质量,我们必须从施工用材、周转用材进行综合地落实。 (4)“环"与“法"的因素 “环”是指施工工序流程,而“法”是指施工方法,在本工程的施工建设中,必须利用合理的施工流程、先进的施工方法,才能更好、更快地完成本工程的建设任务.在本《施工组织设计中》我们已对施工流程及施工方法作了介绍,其具有先进性、和合理性,但在施工过程中能否按《施工组织设计中》有关内容进行全面地落实才是确保本工程施工质量的关键,只有建立良好的实施体系监督体系才能按既定设想完成本工程的施工任务。 8.2.2 质量体系岗位职责 (1)项目经理质量职责 1)贯彻执行局质量方针、目标;建立施工项目质量保证体系,分配项目质量职能和明确权限。 2)严格执行国家、行业、地方政府的法律法规、规范、标准,接受各级主管部门和公司职能部门对项目的监督和检查。 3)全面履行工程合同,对所承担的工程项目质量负全面责任。 4)主持一般工程项目质量创优计划的编制并认真组织落实。 5)接受质量审核,落实纠正和预防措施,对本项目质量记录的完整、准确负责,对项目工程(产品)质量,过程质量、服务质量和创优质量负责。 6)负责对分包商的现场考核和评定的管理。 (2)项目总工职责 1)贯彻执行质量方针、项目质量计划与科技发展规划的引进及推广应用工作,负责审核项目物资计划及工程物资需要计划,对工程质量负有第一技术责任。。 2)协助项目经理实施局质量体系文件,负责编制、审定项目施工组织设计或项目质量计划及重点、特殊工程技术措施、项目创优策划等施工方案。 3)协助项目经理对工程质量进行控制,管理与监督、主持对工程质量进行定期检查、评议、整改及工程质量验评,指导监督施工现场各级人员做好创优监督。 4)组织编制并审核施工方案、施工组织计划、质量阶段预控计划及技术措施,负责分包提交技术方案的审批. 5)负责项目的技术培训和持证上岗及创优检查、评定工作. 6)负责组织各阶段的质量验收及各项竣工资料的指导、审定工作。 (3)技术员职责 1)参加图纸预审和图纸会审,进行纪录整理。 2)参加本项目经理部承担施工的一般工程施工组织设计编制。 3)负责对分包商进行技术交底,审核分包商班组的交底,且各项交底必须以书面形式进行,手续齐全。 4)负责规范、标准、规程、图纸管理.指导、监督施工人员严格按图纸、规范、标准、规程施工。 5)对本工程所使用的新技术、新工艺、新材料、新设备与研究成果推广应用;编制推广应用计划和推广措施方案,并及时总结改进。 6)负责工程技术资料和竣工资料的整理。 7)参加质量事故的分析和处理。 (4)土建施工员职责 1)负责具体实施项目的项目质量计划。 2)负责按项目生产进度计划安排施工生产,并通过采取各种措施,包括材料、机具、劳动力的平衡调配,确保生产计划得以完成。 3)负责向操作人员进行技术交底,确保施工过程中关键工序、特殊过程的工程质量。 4)负责进行安全技术交底. 5)负责按文明施工的要求组织施工。 6)负责对本项目工程使用的原材料成品,半成品的实际性能和质量状态要求试验人员、材料人员提供合格证和试验报告,对不合格的原材料成品、半成品提出退货,对不合格产品供应商建议清退. 7)参与对劳务分包商的考评。 8)负责对不合格品(工序)实施纠正和预防措施。 9)负责对以上工作按要求进行记录。 (5)水电施工员创优职责 1)负责编制有关安装配合施工进度计划、相关专业施工方案,参与材料设备的订货审定,并检查考核实施情况,负责解决安装方面的工程技术及质量问题。以及有关施工深化图的设计、现场施工方案编制统一协调,对安装工程质量负责。 2)按照国家规范对机电工程进行报验及验收. 3)负责对项目安装工程质量事故进行调查、分析、监督、处理. 4)指导分承包方各类安装工程质量台帐、资料的建立。 5)制订机电分部、分项施工方案和质量保证措施。 6)负责安装材料进场的验证及组织检验、试验工作。 (6)安全员职责 1)认真宣传、贯彻、执行国家有关安全生产的法令、法规和制度。 2)具体实施安全生产管理的计划方案监督项目进行安全文明施工,对违章作业,违章指挥,有权制止,并立即报告有关人员,对严重隐患有权下令停工。 3)参加新结构、新设备、新工艺的安全鉴定。 4)负责各项安全生产的纪录,确保质量纪录真实。准确和完整。 (7) 质量员职责 1)严格执行国家规范及质量检验评定标准,行使质量否决权。确保项目总体目标和阶段目标的实现。 2)负责《检验和试验控制程序》、《检验和试验状态控制程序》、《不合格品控制程序》在施工现场的实施。 3)负责贯彻执行局或项目管理部年度质量计划和项目质量计划中的质量要求,落实项目创优计划。 4)负责工程项目旬普查、接受局及项目管理部的季、月工程质量检查,协助项目经理召开质量例会。 5)负责本工程项目原材料、半成品、成品的检验和试验标识工作。 6)负责按验评标准核定分项工程质量等级,参加分部工程质量等级核定。 7)在施工过程中发现施工质量不符合要求及时反馈发出书面“整改通知单”并对整改结果进行复检,直至达到规定的质量要求。 8)具体负责施工现场的原材料、半成品、成品的检验和试验状态控制工作。 9)负责对分项、分部和单位工程的质量监督,严格执行“三检一评”、“三工序”、“样板引路”等制度,认真执行企业对工程质量否决权及奖罚制度。 10)负责本项目施工现场的质量检测器具的使用和保管工作,确保器具准确无误符合标准要求。 11)负责本项目有关质量的文件和资料的控制;对施工现场与工程质量评定和核 定结果的准确性和真实性负直接责任,确保质评资料真实、准确、完整。 12)负责工程创优实体照片的拍摄. (8)试验员职责 1)根据《工程项目试验计划》,做好工地有关试验的准备工作。 2)负责原材料的取样、送验工作,做好工地有关试验的准备工作。 3)负责混凝土、砂浆搅拌站后台的配合比执行和坍落度的检查,指导工作和试块的成型、养护、送验工作,对不按配合比施工现象有权制止,并及时将情况反映给工地领导和局工程部。 4)负责对回填土、钢材焊件等取样送验工作。 5)负责现场的施工试验工作,如:砂、石含水量的测定,冬季施工温度的检测,外加剂的检查等。 6)协助项目技术人员整理工程交工的试验资料。 (9)测量员职责 1)对所承担的测量工作(工程)的测量质量负责.按规范及设计要求做好定位测量,高程测量及沉降测量,并及时准确做好记录资料。 2)做好测量仪器及测量工具的保管及保养工作,确保各种测量工具的完好及正常使用。 3)定期检查所用仪器,工具的精度,对使用的测量器具如出现超差,请及时上行处理,不得将未检测标识状态的仪器带入施工现场,以防出现误操作. 4)对测量器具的标识进行管理。 (10) 材料员职责 1)及时向业主直接指定的分承包方索要建筑师审定的材料的书面证明并与进场验证、检验报告一同存档。 2)负责业主提供材料的进场验证(材料质量、数量验证)办理书面手续,负责研究提供产品与分承包方的交接工作,并办理书面手续。 项目经理() 项目总工() 班组长 作业人员 资料员 监理 业主 3)负责进场物资库存情况,制定和物质管理办法,做好各类物资的标识。 4)负责进场物资的报验工作。 5)负责进场物资在使用过程中的监督工作。 图8.2。3—1:质量反馈系统框图 8。2。3 建立高效灵敏的质量反馈系统 在职责中确定专人负责收集、整理和传递质量信息,信息传递及反馈应及时,以便决策层对异常情况迅速作出反应,并将新的指令信息传递给执行人员,调整施工部署,纠正偏差,形成一个反应迅速、畅通无阻的封闭式信息网,如图8.2.3-1。 8。3 质量保障措施 8。3。1 保证质量的组织措施 1、以保证和提高质量为目标,运用系统的原理和方法,设置统一协调的组织系统,把各环节的质量管理职能严密起来,形成ISO9001 :2000版体系,依据本工程的特点,形成以项目经理总负责,质检安全组牵头,各工班队长直接负责的全面质量监检查体系. 2、进行施工质量教育,项目经理部对每批进场作业的施工人员进行质量教育,让每个施工人员明确质量标准是每道工序必须达到优良,使全员在头脑中牢牢树立“精品"的质量观。 3、确立图纸“三交底"的施工准备工作。区域操作前,工地技术主管向施工工长做详细的图纸工艺要求、质量要求交底;工序开始前工长向班组长做详尽的图纸、施工方法、质量标准的交底;作业开始前班长向班组成员做具体的操作方法以、工具使用、质量要求的详细交底,务求每位施工工人对其作业的工程项目了然于胸. 4、严格按照公司的质量管理制度要求进行管理,以ISO9001:2000版的具体操作程序,使每一操作按照规定的施工程序及操作规范进行施工。 5、成立以工程技术负责人为领导核心的工程质量管理机构,操作者负责的原则,确立“自检、互检、交接检"制度,在施工者自己操作→工序交接→成品完成全过程中,由质检人员跟班作业,严格执行,发现问题及时解决,实行全过程质量监控。 6、每天召开质量管理例会,检查当天的工程质量情况,交待下一工作日要特别注意的质量管理事项和质量活动,必要时邀请监理工程师参加。 8。3。2 保证质量的管理制度 1、统一放线、验线制度:结构施工完成以后,统一测楼层标高基准和坐标基准,逐个区域弹设坐标十字线,作为装饰施工与设备安装的统一参照系。 2、材料审批、检验制度:装饰施工单位根据装饰设计的要求选购材料,递交样品报设计单位建筑师或监理工程师审批,防火材料必须有市级或市级以上消防专业单位检验证明.材料进场时比照经批准的样品检查、验收。装饰材料在安装之前须再次检查把关. 3、工序流程交接制度:根据装饰工程和设备安装工程各工序的逻辑关系编制统一的工序流程,各工序的施工人员按流程先后进入工作面.前后两道工序的交接一律办理书面移交手续.上道工序的施工人员撤出工作面后,下道工序对成品保护负责. 4、工艺标准制度:对各装饰分项,分别编制工艺标准,下达到作业队,作为技术交底和施工过程控制的依据。 5、样板:用待定的材料和工艺做出样板,并经建设单位(业主)和设计单位(建筑师或监理工程师)确认后方可按样板标准进行大面积施工。 6、工人考核上岗制度:采用专业工长领导下的专业班组的劳动组织形式,施工前进行技术交底和操作培训,考核不合格不得上岗操作。 7、成品保护制度:明确成品保护的技术措施和责任划分. 8、质量检查、验收与奖惩制度:装饰施工管理水平渗透、影响并体现在装饰工程质量其他各要素上,主要包括:管理机械的组织形式,管理程序和制度,管理人员的素质,管理辅助工具或设备。 8。3.3 施工准备阶段的控制措施 1.人的质量意识及质量行为的控制 (1)进行质量意识教育 工程开工前将针对工程特点,由项目技术负责人负责组织有关部门及人员编写本项目的质量意识教育计划.计划内容包括公司质量方针、项目质量目标、项目质量计划、技术法规、规程、工艺、工法和质量验评标准等。通过教育提高各类管理人员与施工人员的质量意识,并贯穿到实际工作中去,以确保项目的顺利实现。 (2)加强对分包的培训 着重对分包队伍进行技术培训和质量教育,帮助分包提高管理水平.项目对分包班组长及主要施工人员,按不同专业进行技术、工艺、质量综合培训,未经培训或培训不合格的分包队伍不允许进场施工。项目将责成分包建立责任制,并将项目的质量管理体系贯彻落实到各自施工质量管理中,并督促其对各项工作落实。 2.劳务工素质保证及能力要求 (1)坚持先培训,后上岗和持证上岗制度。 (2)坚持干什么学什么,对施工作业技术精益求精,使施工作业人员掌握一项至二项专业操作技能,在本工种施工中能够熟练操作. (3)定期举行操作技能考核、比武,岗位练兵,鼓励提高专业操作技能。 3.加强培训教育工作 为实现这创优目标,需参与施工的全体人员的共同努力及对每项工作的精益求精的敬业精神,因此必须对全体员工进行质量目标、质量意识的宣传和教育。培训工作主要内容详见表8.3.3—1. 施工人员质量控制 工程原材料质量控制 施工所需机械设备质量控制 施工、检验方法质量控制 施工现场、技术、管理 环境质量控制 施工准备工作 质量控制 质量事前控制 开工报告审核 施工过程中设计及图纸审核 质量事中控制 中间产品质量控制 工序控制 工序间质量控制 施工安装工艺 质量事后控制 竣工质量检验 工程质量鉴定文件 工程质量评定 竣工图 质量检验批资料 施工阶段质量控制 图8。3—1:施工阶段性质量控制措施图 表8.3。3.—1 培训教育内容 培训教育内容 培训教育单位及人员 1.质量目标及质量意识教育 项目各部门及分包单位全体人员 2.质量通病的预防及处理 项目工程部及分包单位管理人员 3.规范标准的学习及考试 项目工程、技术部及分包单位管理人员 4.参观类似优质工程 项目各部门及分包单位管理人员 5.优质工程质量控制要点 项目部及分包单位管理人员 表8.3。3。—2 阶段性培训教育计划 序号 施工阶段 教育内容 主讲者 接受单位 完成时间 1 门窗制作安装 质量标准 项目总工 劳务队 2 内外墙涂料工程 质量标准 项目总工 劳务队 3 楼地面工程 质量标准 项目总工 劳务队 4 轻质隔墙工程 质量标准 项目总工 劳务队 5 吊顶工程 质量标准 项目总工 劳务队 6 一般抹灰工程 质量标准 项目总工 劳务队 7 墙面板(砖)工程 质量标准 项目总工 劳务队 4。严格考核,规范行为 建立健全项目管理人员考核制度,以规范管理人员的行为,提高管理人员的工作效率和对质量的严禁性。 5。施工前的质量控制 (1)对参与工程的各施工队,各专业施工人员进行上岗资质审查,发现问题,采取纠正直至取消参与资格。 (2)对技术文件、报告进行详细审阅,如图纸是否完整无缺;各专业图纸是否有矛盾;技术标准是否齐全;准备进场的材料、半成品的质量检验报告;新材料的鉴定书是否保存完好等等; (3)配备必要的测试设备、手段、审查合同中关于检验标准方法是否合乎规定; (4)审阅进度计划,施工方案; (5)实测建筑物各部分的尺寸,为施工放线准备资料,发现问题应及时书面报告上级; (6)对主要设备及机械进行审核; (7)认真听取设计人员作的设计交底,明确设计意图及各部位的质量要求; (8)准备全部质量管理表格,并对表格的作用、用法理解; (9)检查有关担保和保险工作; (10)检查工地现场占有情况和工地环境,周边环境,找出影响施工交通运输、材料堆放的原因和办法, (11)召开开工前的工地会议,全面检查开工条件。 8。3。4 施工过程质量控制 1.材料进场检验 严格按公司ISO9001质量体系文件、ISO14001环境管理体系要求、OHSAS18001职业健康安全管理体系要求控制进场的工程材料,所有进场材料要进行材料质检,并有相关的质量记录。针对本工程特点,材料的环保性非常重要.按公司管理体系要求针对石材的放射性、夹板及木面板的环保证书,油漆的环保证书进行严格检查。对国家有强制性要求的送第三方检查材料要按要求送检,并做到来一批检一批、不漏检。同时,对材料质检工作要抽查,进行二次检验,以验证质检人员的工作效果。对质检工作配备充分的设备、仪器资源,仪器设备先要按要求核准。送业主、监理及工程管理公司审批的材料,尺寸要能反映材料的真实质量情况,并能在往后的采购得到的材料。 2.施工过程中的质量控制 (1)严格按施工图纸和施工技术规范的要求进行施工,认真按公司质量体系文件之《项目质量控制程序》运作,严格抓好施工过程中工程质量和工艺质量的控制。 (2)需经配制或加工后使用的材料,应事先进行试验工作,确定施工工艺参数,并在施工中严格按工艺参数进行控制。 (3)各分项工程施工前,施工员应对作业班组进行技术交底、质量交底,明确分项工程质量要求以及操作时应注意的事项。 (4)在分项工程施工过程中,施工员应根据施工与验收规范的要求随时检查分项工程质量,工程施工中严格执行三检制(自检、互检和交接检),检验不合格的要求进行整改,然后再进行复查,直到合格为止。 (5)施工员对负责的分项工程质量进行检查,确认达到质量要求的应及时填写《分项工程质量评定表》,质检员在收到施工员送交《分项工程质量评定表》后,应及时对该分项工程质量进行检验并确定该分项工程的质量等级。 (6)做好成品保护,下道工序的操作者即为上道工序的成品保护者,后续工序不得以任何借口损坏前一道工序的产品。 (7)质检员对工程的质量检验和核定严格按照现行国家标准规范《建筑工程质量质量验收统一标准》GB50300、《建筑地面工程质量验收规范》GB50209、《建筑装饰装修工程质量验收规范》GB50210、《建筑给排水及采暖工程质量验收规范》GB50242、《通风与空调施工质量验收规范》GB50243、《建筑电气工程施工质量验收规范》GB50303等现行国家、行业验收规范规程的规定进行。 (8)分项工程完成后,由项目技术负责人组织对该分部工程所包含的分项工程质量的组织评定,并由公司质量负责人或副总工程师核定。 (9)单位工程完成后,由项目资料员整理全部技术资料,并填写《单位工程质量综合评定表》和签字盖章。 (10)及时准确地收集质量保证资料,并做好整理归档工作,为整个工程的积累原始准确的质量档案。 3.工程完成后的质量控制 (1)按合同要求进行竣工、检验和检查验收; (2)检查未完成工作和缺陷,及时解决质量问题; (3)制作竣工资料和竣工图; (4)维修期内,完成未完成工程和缺陷修补。 8.3.5 材料质量保证措施 1.原材料的采购 (1)做好市场调查,从中选择几个生产管理好、质量可靠稳定的厂家,作为待定的供销商,建立质量档案。 (2)从待定的供销商中按规定取样,送业主认可的质检站进行试验。 (3)试验结果得出后,进行质量比较,从中选择最优厂家,作为合格供应商,建立供货关系。 (4)建立供货商档案,随时对材料进行抽样,保证供销商所提供的产品均为合格,否则应重新认定合格的供销商. (5)装饰面层材料应满足监理、设计、甲方的要求,地面和墙面所用瓷砖、面砖等应一次订购一个厂家的同批产品,以免发生色差现象。涂料、油漆应为同批出厂产品。 2.原材料的运输、搬运和贮存 (1)原材料进场必须“三证”齐全,包括产品合格证、抽样化验合格证和供应商资格合格证. (2)对于易损材料,如隔音棉,运输和搬运时做好防护,防止变形和破损。 (3)原材料进场后应按指定地点整齐码放,并挂标牌标识,标明型号、进场日期、检验日期、经手人等,实现原材料质量的有效追溯。 (4).原材料进场需由专人保管,对乳胶漆、防水材料等材料应加盖或在室内保管,不得任由风吹日晒. (5)在运输、搬运过程中损坏或贮存时间过长、贮存方式不当引起的质量下降的原材料,不得使用在本项目中。 3.原材料进货检验、标识、抽样送检。 严格按照国家和北京市相关标准及设计要求进行检验。材料 图8。3。5—1:材料、半成品检验程序图 进场后,质量员进行“自检、互检”合格后,由项目技术副经理进行检验,关键工序和特殊工序检验应由项目技术副经理先进行检验,合格后,提前报请监理工程师、设计师进行检验。隐蔽验收部位由施工方质量员、甲方、监理工程师、设计四方到场检验认可。材料检验程序见图8。3.5-1、材料复试试验程序如图8.3。5—2。 图8.3。5-2:材料试验程序流程图 8。3。6 施工技术的质量控制措施 施工技术的先进性、科学性、合理性决定了施工质量的优劣。发放图纸后,专业技术人员会同施工工长先对图纸进行深化、熟悉
展开阅读全文

开通  VIP会员、SVIP会员  优惠大
下载10份以上建议开通VIP会员
下载20份以上建议开通SVIP会员


开通VIP      成为共赢上传

当前位置:首页 > 包罗万象 > 大杂烩

移动网页_全站_页脚广告1

关于我们      便捷服务       自信AI       AI导航        抽奖活动

©2010-2025 宁波自信网络信息技术有限公司  版权所有

客服电话:0574-28810668  投诉电话:18658249818

gongan.png浙公网安备33021202000488号   

icp.png浙ICP备2021020529号-1  |  浙B2-20240490  

关注我们 :微信公众号    抖音    微博    LOFTER 

客服