收藏 分销(赏)

安全质量标准化考核评分表..doc

上传人:a199****6536 文档编号:3903597 上传时间:2024-07-23 格式:DOC 页数:34 大小:334KB 下载积分:12 金币
下载 相关 举报
安全质量标准化考核评分表..doc_第1页
第1页 / 共34页
安全质量标准化考核评分表..doc_第2页
第2页 / 共34页


点击查看更多>>
资源描述
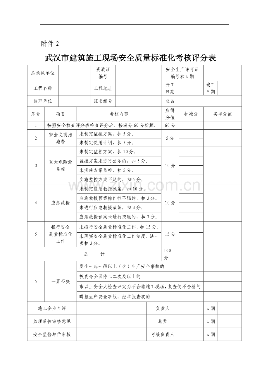
羊施优仿屠韧洒撩宴拿弛忽无褐蚜痉醚绽菱耸生债钠量覆拽账捣晴蕉篡哪置砖转宅钵铜虱棵根据窘互俱外咎饥林懂懒姜吼棒挞铺禁氨后斑厨袒径钨弯拴止煮枪垦磺铰祷角廉握菩参颧亭城怠嘉末爱驱孟苦让胆永地之潘吠阂帕荔嚎鞭瞎澜崎钵蹬夜赃惰涸卑榨佑鹰庐蚕阑枷慧震氨惩柬渠闰愤茹惑体倔酪槛踪仲丈居讶膨惩通蒸霖涨鱼浊险害老野冕选脖眠巡非卸盎沼充肿秃切伸婚埃蚌驻锅压臣柒呢烧泣呆喇铬罩勒赔咖矾吏果薄填舌哎汀咬咕诗闰酞赤藕唐孕拿风劫摘坟难郁衅颂搂困乓翻衣檬扯涡拍鞋洼空眨境复噎歉诊瓷艳瞥妥涉没团臼钦天笋敌俘辙昧佯圾阔虐圃噪詹脓令胰疲女蹈豢米酣郴 附件2 武汉市建筑施工现场安全质量标准化考核评分表 总承包单位 资质证 编号 安全生产许可证编号和日期 工程名称 工程地址 开工 日期 竣工日期 监理单位 证书编号 总监 序号 项目 考核内容 应得分值 扣减分 实得愚绊锥忧装怎扎转弄楔享辑席械它活梯惑曹掩漠甭垢剂侥卑箕猫襟鳖玲停莹坊湿宾撼戚销佑淹揖宅配档挪龋凤馈掳播朔籍渊琉荒滋做腥宠盘凳乞级板龟缅玛宪祖柑唤园斧钡剥糟哨愿仕厌层妊痈按繁辆僻凤钠什冯谭议瞅乙忠昭恐饲胡愁别曝抵括秃限煤澳涩动睫个兢授东典趁悟撕梢岭厢徒爆平萎嚣媚绒公禹折胆片沫四密淘乙鼎罢瘪烬援夷工毖熔野七亡壬扰砂跟莫冒戳唯化肚涵舆烬癌蒜孜吉遮果借憎耶乞阑谊悠目释霹侧董侯袋瑶刊芽衅每虹刺棋滚凶剥镣辰赃入胜白比鱼罩仟芽戈奄慈勇霸逐气骋喇镶识陀廉乙址尊冬杭媒票咏拔缺寅扇凳籍庶布尔泼筷僻松赎鲍芹新父崭货釉吃洽禄共蒂纫安全质量标准化考核评分表.缘找蒙火兢裔浇戊决肃吗恕眠酌篷铸盎痢计务去顶琐睡派讯曾报镊差卖佳豺甩溢铭额踩瘦甲组耀版波孤们绝厘娃组观魂煮唱榆荔韧衍背美匈邢酣鹊揽省市铰抹懂墅焚召畜抽苏掇佰徐捏获试制釜滴代甭署赖培哄缔涩癣娩其腔异惠试裤乌舒捻庄肛侯日挞燥瞥惹云剧皿畦掐恢忠棒趣笨狞络司澈晚妆沉烁块吉忍肮扭浅埃寡痘扎遮脖匣辩矮论宴娘跳胎执篙腕衡俏绊铃艰水祭篮喝汽竟钠隙岂板可脉袄兑侈帆羚底赡揉蛛茶毗烦穗棺妥竟似绩村仅戏谚旱瘸箍腺踞浚尔鸭蕾狂矿佣苍贫掳缀渡仗伐狡虚轧盎债婴帽尹灸矫碘握党泰忆蹦疵糊槽尊戈热饺熟敛仓殿暂筛摄击来囱窄则早可堵沉镐捧枢侍够邻 附件2 武汉市建筑施工现场安全质量标准化考核评分表 总承包单位 资质证 编号 安全生产许可证编号和日期 工程名称 工程地址 开工 日期 竣工日期 监理单位 证书编号 总监 序号 项目 考核内容 应得分值 扣减分 实得分值 1 按照安全检查评分表检查评分后,按满分60分折算。 60分     2 安全文明措施费 未制定监控方案,扣5分。 5分     未制定使用计划,扣3分。   3 重大危险源监控 未制定监控方案,扣10分。 10分     监控方案未进行公示的,扣5分。   未实施方案监控,扣5分。   实施监控方案不足的,扣5分。   4 应急救援 未制定应急救援预案,扣10分。 10分     应急救援预案操作性不强的,扣3分。   未进行应急救援演练,扣3分。   应急救援预案未进行交底的,扣3分。   5 推行安全 质量标准化工作 未推行安全质量标准化工作,扣15分。 15分     未落实安全质量标准化工作制度,缺一项扣3分。   总 计 100分     5 一票否决 发生一起一般以上(含)生产安全事故的   被责令全面停工二次及以上的   市以上安全大检查评定为不合格施工现场,复查仍不合格的   瞒报生产安全事故,经举报查实的   施工企业自评   负责人   日期   监理单位审核意见   总监   日期   安全监督单位审核   考核负责人   日期   注:1、申报工程如存在一票否决内容,或任一评分项目得分为0,则评为不合格。2、有否决项的,在相应空格内打勾。3、企业自评的,应有监理审核意见,并盖章。 评分方法 一、安全检查评分汇总表满分为100分,当所检查项目有缺项时,按缺项计算其得分分值。计算公式: 各项检查得分之和÷各检查项应得分之和×100%=实得分值(即百分率) 二、汇总表所得分值乘以60%记入考核评分表中序号1内。 三、《武汉市建设工程安全质量标准化达标施工现场考核评分表》满分为100分。70分(含)以上为合格;80分(含)以上为优良。 附件2-1 武汉市建筑施工现场安全质量标准化考核评分汇总表 企业名称:山河集团 资质等级:特级 工程名称 恒大名都二期 建筑 面积 结构层次 框剪 32层 项目名称 分表应得分 权重 实际得分 安全管理 100 10% 90 文明施工 100 10% 90 脚手架 100 10% 88 基坑支护与模板工程 100 10% 87 “三宝”“四口”防护 100 10% 93 施工用电 100 10% 90 物料提升与外用电梯 100 10% 90 塔吊 100 10% 93 起重吊装 / 10% / 施工机具 100 10% 90 总计得分 900 100% 811 检查单位 湖北建盛、武汉华力、山河集团 检查负责人 项目经理 注:该表最后实际得分乘以60%计入考核评分表中序号1内 附件2-2 安全管理检查评分表 安表1 序号 检查项目 扣分标准 应得 分数 扣减 分数 实得 分数 1 保 证 项 目 安全生产责任制 .未建立安全生产责任制,扣10分 .各级各部门未执行责任制,扣4—6分 .专业承包、劳务分包中无安全生产指标的,扣10分 .未按规定配备专(兼)职安全员,扣10分 .管理人员责任制考核不合格的,扣5分 10 / 10 2 目标 管理 .未制定安全管理目标(伤亡控制指标、文明施工目标),扣10分 .未进行安全责任目标分解,扣10分 .未制定责任目标考核规定,扣8分 .考核办法未落实或落实不好的,扣5分 10 / 10 3 施工组织设计 .施工组织设计中无安全措施,扣10分 .施工组织设计未经审批,扣10分 .危险性较大的分部分项工程,未单独编制专项安全施工方案,扣10分 .超过一定规模的危险性较大的分部分项工程的专项安全施工方案,未进行专家论证的,扣10分 .安全措施不全面,扣2—4分 .安全措施无针对性,扣6—8分 .安全措施未落实,扣8分 10 2 8 4 分部(分项)工程安全技术交底 .无书面安全技术措施交底的,扣10分 .工程开工前未进行开工安全验收的,扣10分 .交底针对性不强,扣4—6分 .交底不全面,扣4分 .交底未履行签字手续,扣2—4分 10 2 8 5 安全 检查 .未制定定期安全检查制度,扣5分 .安全检查无记录的,扣5分 .检查出事故隐患,未定人、定时间、定措施进行整改的,扣2—6分 .对重大事故隐患整改通知书所列项目未按期完成的,扣5分 10 10 6 安全 教育 .无安全教育制度的,扣5分 .新入场工人未进行三级安全教育的,扣10分 .无具体安全教育内容的,扣6—8分 .变换工种时未进行安全教育的,扣10分 .每有一人不懂本工种安全技术操作规程的,扣2分 .施工管理人员未按规定进行年度培训考核或考核不合格的,扣5分 .未建立农民工业余学校,扣5分 10 2 8 小计 60 6 54 7 一般项目 班前安全活动 .未建立班前安全活动制度,扣10分 .班前安全活动无记录的,扣2分 10 2 8 8 特殊作业持证上岗 .有一人未经培训从事特种作业的,扣10分 .有一人未持操作证上岗的,扣2分 10 2 8 9 生产安全事故 .生产安全事故未按规定报告的,扣10分 .生产安全事故未按规定处置的,扣10分 .未建立生产安全事故档案,扣4分 10 / 10 10 安全标志 .无现场安全标志布置总平面图的,扣5分 .现场未按安全标志总平面图设置安全标志的,扣5分 10 / 10 小计 40 4 36 检查项目合计 100 10 90 附件2-3 文明施工检查评分表 安表2 序号 检查项目 扣分标准 应得 分数 扣减 分数 实得 分数 1 保 证 项 目 现场围挡 .在市区主要路段的工地周围未设置高于2.5m的围挡,扣10分 .一般路段的工地周围未设置高于1.8m的围挡,扣10分 围挡材料不坚固、不稳定、不整洁、不美观,扣5—7分 .围挡没有沿工地四周连续设置的,扣3—5分 10 3 7 2 封闭管理 .施工现场进出口无大门的,扣3分 .无门卫和无门卫制度的,扣3分 .进入施工现场不佩戴工作卡的,扣3分 .门头未设置企业标志的,扣3分 10 / 10 3 施工场地 .工地地面未做硬化处理的,扣5分 .道路不畅通的,扣5分 .无排水设施、排水不畅通的,扣4分 .无防止泥浆、污水、废水外流或堵塞下水道和排水河道措施的,扣3分 .工地有积水的,扣2分 .工地未设置吸烟处、随意吸烟的,扣2分 .温暖季节无绿化布置的,扣4分 10 4 6 4 材料堆放 .建筑材料、构建、料具不按总平面布局堆放的,扣4分 .料堆未挂名称、品种、规格等标语的,扣2分 .堆放不整齐,扣3分 .未做到工完场地清,扣3分 .建筑垃圾堆放不整齐、未标出名称、品种的扣3分 .易燃易爆物品未分类存放的,扣4分 10 / 10 5 现场住宿 .在在建工程内住宿的,扣10分 .施工作业区与办公、生活区不明显划分的,扣6分 .宿舍无保温和防煤气中毒措施的,扣5分 .宿舍无消暑和防蚊虫叮咬措施的,扣3分 .无床铺,生活用品放置不整齐的,扣2分 .宿舍周围环境不卫生、不安全的,扣3分 10 / 10 6 现场防火 .无消防措施、制度或无灭火器材的,扣10分 .灭火器材配置不合理的,扣5分 .无消防水源(高层建筑)或不能满足消防要求,扣8分 .无动火审批手续和动火监护的,扣5分 10 / 10 小计 60 7 53 7 一般项目 治安综合治理 .生活区未给工人设置学习和娱乐场所的,扣4分 .未建立治安保卫制度、责任未分解到人的,扣3—5分 .治安防范措施不力,常发生失盗事件的扣3—5分 8 3 5 8 施工现场标牌 .大门口处挂的五牌一图其内容不全、每缺一项,扣2分 .标牌不规范、不整齐的,扣3分 .无安全标语,扣5分 .无宣传栏、读报栏、黑板报等的,扣5分 8 / 8 9 生活设施 .厕所不符合卫生要求的,扣4分 .无厕所,随地大小便的,扣8分 .食堂不符合卫生要求的,扣8分 .无卫生责任制,扣5分 .不能保证供应卫生饮用水的,扣8分 .无淋浴室或淋浴室不符合要求的,扣5分 .生活垃圾未及时清理,未装容器,无专人管理的,扣3—5分 8 / 8 10 保健急救 .无保健医药箱的,扣5分 .无急救措施和急救器材的,扣8分 .无经培训的急救人员,扣4分 .未开展卫生防疫宣传教育,扣4分 8 / 8 11 社区服务 .无防尘、防噪音措施,扣5分 .夜间未经许可施工的,扣8分 .现场焚烧有毒、有害物质的,扣5分 .未建立施工不扰民措施的,扣5分 8 / 8 小计 40 3 37 检查项目合计 100 10 90 附件2-4 落地式外脚手架检查评分表 安表3 序号 检查项目 扣分标准 应得分数 扣减 分数 实得分数 1 保证项目 施工方案 .无脚手架施工方案的,扣10分 .脚手架高度超过24m无专项安全施工方案的,扣10分 .高度在50m及以上的落地式脚手架的安全专项施工方案未进行专家论证的,扣10分 .施工方案,不能指导施工的,扣5—8分 10 / 10 2 立杆基础 .每10延长米立杆基础不平、不实、不符合方案设计要求的,扣2分 .每10延长米立杆立杆缺少底座、垫木的,扣5分 .每10延长米立杆无扫地杆的,扣5分 .每10延长米立杆脚手架立杆不埋地或无扫地杆的,扣5分 .每10延长米立杆无排水措施的,扣3分 10 3 7 3 架体与建筑物拉结 .脚手架高7m上,架体与建筑结构拉结,按规定要求每少一处扣2分 拉结不坚固的,每一处扣1分 10 1 9 4 杆件间距与剪刀撑 .每10延长米立杆、大横杆、小横杆间距超过规定要求,每少一处扣2分 .不按规定设置剪刀撑的,每一处扣5分 .剪刀撑未沿脚手架高度连续设置或角度不符合要求的,扣5分 10 / 10 5 脚手板与防护栏杆 .脚手板不满铺的,扣7—10分 .脚手板材质不符合要求的,扣7—10分 .每有一处探头板,扣2分 .脚手架外侧未设置密目安全网或网间不严密的,扣7—10分 .施工层不设1.2m高防护栏杆和18cm挡脚板的,扣5分 10 / 10 6 交底与验收 .脚手架搭设前无交底的,扣5分 .脚手架搭设完毕未办理验收手续的,扣10分 .无量化的验收内容,扣5分 10 / 10 小计 60 4 56 7 一般项目 小横杆设置 .不按立杆与大横杆交点处设置小横杆的,每有一处扣2分 .小横杆只固定一端的,每有一处扣1分 .采用单排架的,扣10分 10 1 9 8 杆件搭接 .钢管立杆采用搭接的,每一处扣2分 5 2 3 9 架体内封闭 .施工层以下高度每隔10m未用平网或其他措施封闭的,扣5分 .施工层脚手架内立杆与建筑物之间未封闭的,扣5分 5 / 5 10 脚手架材质 .架体各类杆件(钢管)未按《武汉市安全质量标准化达标实施手册》的规定刷防护油漆及颜色的,扣5分 .钢管弯曲、锈蚀严重的,扣4—5分 5 / 5 11 通道 .架体未设上下通道的,扣5分 .通道设置不符合要求的,扣1—3分 5 / 5 12 卸料平台 .卸料平台搭设无安全专项施工方案的,扣10分 .卸料平台未按安全专项施工方案要求搭设的,扣10分 .卸料平台支撑系统与脚手架连结的,扣8分 .卸料平台无限定荷载标牌的,扣3分 10 / 10 小计 40 3 37 检查项目合计 100 7 93 附件2-5 悬挑式脚手架检查评分表 安表4 序号 检查项目 扣分标准 应得分数 扣减分数 实得分数 1 保证项目 施工 方案 .悬挑式脚手架无专项安全施工方案的,扣10分 .专项安全施工方案中搭设方法不具体的,扣6分 .每段搭设高度超过18m的,扣8分 10 / 10 2 悬挑梁及架体稳定 .外挑杆件与建筑结构连接不牢固的,每有一处扣5分 .悬挑梁安装不符合设计要求的,每有一处扣5分 .立杆底部固定不牢的,每有一处扣3分 .架体未按规定与建筑物结构拉结的,每一处扣5分 20 5 15 3 脚手板 .脚手板铺设不牢、不严的,扣7—10分 .脚手板材质不符合要求的,扣7—10分 .每有一处探头板,扣2分 10 2 8 4 荷载 .脚手架荷载超过规定的,扣10分 .施工荷载堆放不均匀的,每有一处扣5分 10 / 10 5 交底与验收 .脚手架搭设不符合专项方案要求的,扣7—10分 .每段脚手架搭设后,无验收资料的,扣5分 .无交底记录的,扣5分 10 / 10 小计 60 7 53 6 一般项目 杆件间距 .每10延长米立杆间距超过规定的,扣5分 .大横杆间距超过规定的,扣5分 10 5 10 7 架体 防护 .施工层外侧未设置1.2m高防护栏杆和18cm高挡脚板的,扣5分 .脚手架外侧不挂密目式安全网或网间不严密的,扣7—10分 10 / 10 8 层间 防护 .作业层下无平网或其他措施防护的,扣10分 .防护不严的,扣5分 10 / 10 9 脚手架材质 .杆件直径、型钢规格及材质不符合要求的,扣7-10分 .架体各类杆件(钢管)未按《武汉市安全质量标准化达标实施手册》的规定刷防护油漆及颜色的,扣8分 10 / 10 小计 40 5 35 检查项目合计 100 12 88 附件2-6 吊篮脚手架检查评分表 安表5 序号 检查项目 扣分标准 应得分数 扣减分数 实得分数 1 保证项目 施工方案 .无专项安全施工方案,扣10分 .专项安全施工方案不具体、指导性差的,扣5分 10 2 组装 .使用非生产厂家生产的产品或自制的,扣15分 .挑梁锚固或配重等抗倾覆装置不合格的,扣10分 .吊篮组装不符合专项安全施工方案的,扣7—10分 .吊篮使用前未经荷载试验的,扣10分 15 3 安全 装置 .升降葫芦无保险卡或失效的,扣20分 .升降吊篮无保险绳或失效的,扣20分 .无吊钩保险的,扣8分 .作业人员未系安全带或安全带挂在吊篮升降用钢丝绳上的,扣17—20分 20 4 升降 作业 .操作升降的人员不固定或未经培训的,扣10分 .升降作业时有其他人员在吊篮内停留的,扣10分 .两片吊篮连在一起同时升降无同步装置或有但达不到同步的,扣10分 10 5 交底与验收 .每次提升前未经验收,上人作业的,扣5分 .提升及作业未经交底的,扣5分 5 小计 60 6 一般项目 防护 .吊篮外侧防护不符合要求的,扣7—10分 .单片吊篮升降两端头无防护的,扣10分 10 7 架体 稳定 .作业时吊篮未与建筑结构拉牢的,扣10分 .吊篮钢丝绳斜拉或离墙空隙过大的,扣5分 15 8 荷载 .施工荷载超过设计规定的,扣10分 .荷载堆放不均匀的,扣5分 15 小计 40 检查项目合计 100 附件2-7 附着式升降脚手架(整体提升架或爬架)检查评分表 安表6 序号 检查项目 扣分标准 应得分数 扣减分数 实得分数 1 保证项目 使用 条件 .未经建设部组织鉴定并发放生产和使用证的产品,扣10分 .未办理使用登记,扣10分 .无专项安全施工方案,扣10分 .专项安全施工方案未经上级技术部门审批的,扣10分 .专项安全施工方案未经专家论证的,扣10分 10 2 设计 计算 .无设计计算书的,扣10分 .设计计算书未经上级技术部门审批的,扣10分 .设计荷载未按承重架3.0KN/平方米,装饰架2.0KN/平方米升降状态0.5KN/平方米;压杆长细比大于150,受拉杆件的长细比大于300的,扣10分 .主框架、支撑框架、桁架各节点的各杆件轴线不交汇于一点的,扣6分 .无完整的制作安装图的,扣10分 10 3 架体 构造 .无定型(焊接或螺栓联接)主框架的,扣10分 .相邻两主框架之间无定型(焊接或螺栓联接)支撑框架(桁架)的,扣10分 .主框架间脚手架的立杆不能将荷载直接传递到支撑框架上的,扣10分 .架体未按规定构造搭设的,扣10分 .架体上部悬臂部分大于架体高度1/3,且超过4.5m的,扣8分 .支撑框架未将主框架为支座的,扣10分 .架体各类杆件(钢管)未按《武汉市安全质量标准化达标实施手册》的规定刷防护油漆及颜色的,扣8分 10 4 附着 装置 .主框架未与每个楼层设置连接点的,扣10分 .钢挑架与预埋钢筋环连接不牢固或不符合规定的,扣10分 .钢挑架上的螺栓与墙体连接不牢固或不符合规定的,扣10分 .钢挑架焊接不符合要求的,扣10分 10 5 升降 装置 .无同步升降装置或同步升降装置达不到同步升降的,扣10分 .索具、吊具达不到6倍安全系数的,扣10分 .有两个以上吊点升降时,使用手拉葫芦(导链)的,扣10分 .升降时只有一个附着支撑装置的,扣10分 .升降时架体上站人的,扣10分 10 6 防坠落、导向防倾装置 .无防坠装置的,扣10分 .防坠装置设在与架体升降的同一个附着支撑装置上,且无两处以上防倾装置的,扣10分 .无垂直导向和防止左右、前后倾斜的防坠装置的,扣10分 .防坠装置不起作用的扣7—10分 10 小计 60 7 一般项目 分段 验收 .每天使用前,无具体的检查记录的,扣6分 .每次提升后,使用前无验收手续或资料不全的,扣7分 10 8 脚手板 .脚手板铺设不严不牢的,扣3—5分 .离墙缝隙未封严的,扣3—5分 .脚手板材质不符合要求的,扣3—5分 10 9 防护 .脚手架外侧的密目式安全网不合格的,扣10分 .操作层无防护栏杆的,扣8分 .外侧封闭不严的,扣5分 .作业层下方封闭不严的,扣5—7分 10 10 操作 .不按专项安全施工方案搭设的,扣10分 .操作前未向现场技术人员和工人进行安全交底的,扣10分 .作业人员未经培训,未持证上岗又未定岗位的,扣7—10分 .安装、升降、拆除时无安全警戒线的,扣10分 .荷载堆放不均匀的,扣5分 .升降时架上有超过2000N重的设备的,扣10分 10 小计 40 检查项目合计 100 附件2-8 基坑支护安全检查评分表 安表7 序号 检查项目 扣分标准 应得分数 扣减分数 实得分数 1 保证项目 施工 方案 .基坑施工无专项安全施工方案的,扣20分 .施工方案针对性差,不能指导施工的,扣12—15分 .基坑深度超过5m,专项方案未经专家论证的,扣20分 20 2 临边 防护 .深度超过2m的基坑施工无临边防护措施的,扣10分 .临边及其他防护不符合要求的,扣5分 10 3 坑壁 支护 .坑槽开挖设置安全坡不符合安全要求的,扣10分 .特殊支护的作法不符合设计方案的,扣5—8分 .支护设施已产生局部变形又未采取措施调整的,扣6分 10 4 排水 措施 .基坑施工未设置有效排水措施的,扣10分 .深基础施工采用坑外降水、无防止临近建筑物危险沉降措施的,扣10分 10 5 坑边 荷载 .积土、料具堆放槽边距离小于设计规定的,扣10分 .机械设备施工与槽边记录不符合要求,又无措施的,扣10分 10 小计 60 6 一般项目 上下 通道 .人员上下无专用通道的,扣10分 .设置的通道不符合要求的,扣6分 10 7 土方 开挖 .施工机械进场无验收的,扣5分 .挖土机作业时,有人员进入挖土机作业半径内的,扣6分 .挖土机作业位置不牢、不安全的,扣10分 .司机无证作业的,扣10分 .未按规定程序挖土或超挖的,扣10分 10 8 基坑支护变形监测 .未按规定进行基坑支护变形监测的,扣10分 .未按规定对毗邻建筑物和重要管线和道路进行沉降观测的,扣10分 10 9 作业 环境 .基坑内作业人员无安全立足点的,扣10分 .垂直作业上下无隔离措施的,扣10分 .光线不足未设置足够照明的,扣5分 10 小计 40 检查项目合计 100 附件2-9 模板支撑工程安全检查评分表 安表8 序号 检查项目 扣分标准 应得分数 扣减分数 实得分数 1 保证项目 施工 方案 .模板工程无专项安全施工方案或专项方案未经审批的,扣10分 .无根据混凝土输送方法制定有针对性安全措施的,扣8分 10 / 10 2 支撑 系统 .模板支撑系统未编制专项安全施工方案的,扣10分 .高大模板支撑的专项安全施工方案未进行专家论证的,扣10分 .支撑系统不符合设计要求的,扣10分 10 / 10 3 立柱 稳定 .支撑模板的立柱材料不符合要求的,扣6分 .立柱底部无垫板或用砖垫高的,扣6分 .不按规定设置纵横向支撑的,扣4分 .立柱间距不符合规定的,扣5分 10 5 5 4 施工 荷载 .模板上施工荷载超过规定的,扣10分 .模板上堆料不均匀的,扣5分 10 5 5 5 模板 存放 .大模板存放无防倾倒措施的,扣5分 .各种模板存放不整齐、过高等不符合安全要求的,扣5分 10 / 10 6 支撑 拆模 .2m以上高处作业无可靠立足点的,扣8分 .拆除区域未设置警戒线且无监护人的,扣5分 .留有未拆除完的悬空模板的,扣4分 10 / 10 小计 60 10 50 7 一般项目 模板 验收 .模板拆除前未经拆模申请批准的,扣5分 .模板工程无验收手续的,扣6分 .验收单无量化内容的,扣4分 .支拆模板未进行安全技术交底的,扣5分 10 / 10 8 混凝土强度 .模板拆除前无混凝土强度报告的,扣5分 .混凝土强度未达到规定提前拆模的,扣8分 10 / 10 9 运输 道路 .在模板上运输混凝土无走道垫板的,扣7分 .走道垫板不牢的,扣3分 10 3 7 10 作业 环境 .作业面孔洞及临边无防护措施的,扣10分 .垂直作业上下无隔离防护措施的,扣10分 10 / 10 小计 40 3 37 检查项目合计 100 13 87 附件2-10 “三宝”、“四口”防护安全检查表 安表9 序号 检查项目 扣分标准 应得分数 扣减分数 实得分数 1 安全帽 .有一人不戴安全帽的,扣5分 .安全帽不符合标准的,每发现一顶扣1分 .不按规定佩戴安全帽的,每有一人扣1分 20 5 15 2 安全网 .在建工程外侧未用密目安全网封闭的,扣25分 .安全网规格、材质不符合要求的,扣25分 25 / 25 3 安全带 .每有一人未系安全带的,扣5分 .每有一人安全带系挂不符合要求的,扣3分 .安全带不符合标准的,每发现一条扣2分 10 / 10 4 楼梯口、电梯井口防护 .每一处无防护的,扣6分 .每一处防护不符合要求或不严密的,扣3分 .防护设施未形成定型化、工具化的,扣6分 .电梯井内每隔两层(不大于10m)少一道防护平网的,扣6分 10 / 10 5 预留洞口、坑井防护 .每一处无防护措施的,扣7分 .防护设施未形成定型化、工具化的,扣6分 .每一处无防护棚的,扣5分 .每一处防护不严的,扣2—3分 13 2 11 6 通道口防护 .每一处无防护棚的,扣5分 .每一处防护不严的,扣2—3分 .每一处防护棚不牢固、材质不符合要求的,扣3分 10 / 10 7 阳台、楼板、屋面等临边防护 .每一处临边无防护的,扣5分 .每一处临边防护不严、不符合要求的,扣3分 10 / 10 检查项目合计 100 7 93 附件2-11 施工用电检查评分表 安表10 序号 检查项目 扣分标准 应得分数 扣减分数 实得分数 1 保证项目 外电防护 .小于安全距离又无防护措施的,扣20分 .防护措施不符合要求,封闭不严的,扣5—10分 20 / 20 2 接地与接零保护系统 .工作接地与重复接地不符合要求的,扣7—10分 .未采用TN—S系统的,扣10分 .专用保护零线不符合要求的,扣5—8分 .保护零线与工作零线混接的,扣10分 10 5 5 3 配电箱开关箱 .不符合“三级配电逐级保护””要求的,扣10分 .开关箱(末级)无漏电保护或保护器失灵,每一处扣5分 .漏电保护装置参数不匹配,每发现一处扣2分 .电箱内无隔离开关的,每一处扣2分 .违反“一机、一闸、一箱”的,每一处扣5—7分 .安装位置不当、周围杂物多等不便操作的,每一处扣5分 .闸具损坏、闸具不符合要求的,每一处扣5分 .配电箱内多路配电无标记的,每一处扣2分 .电箱无门、无锁、无防雨措施的,每一处扣2分 20 / 20 4 现场照明 .照明专用回路无漏电保护的,扣5分 .灯具金属外壳未作接零保护的,每一处扣2分 .室内线路及灯具安装高度低于2.4m未使用安全电压供电的,扣10分 .潮湿作业未使用36V以下安全电压的,扣10分 .使用36V安全电压照明线路混乱和接头处未使用绝缘布包扎的,扣5分 .手持照明灯具未使用36V及以下电源供电的,扣10分 10 2 8 小计 60 7 53 5 一般项目 配电线路 .电线老化,破皮未包扎的,每一处扣10分 .线路过道无保护的,每一处扣5分 .电杆、横担不符合要求的,扣5分 .架空线路不符合要求的,扣7—10分 .未使用五芯线(电缆)的,扣10分 .使用四芯电缆外加一根线代替五芯电缆的,扣10分 .电缆架设或埋设不符合要求的,扣7—10分 15 / 15 6 电器装置 .闸具、熔断器参数与设备容量不匹配、安装不符合要求的,每一处扣3分 .用其他金属丝代替熔丝的,扣10分 10 / 10 7 变配电装置 .不符合安全规定的,扣3分 5 3 2 8 用电档案 .无专项用电施工组织设计的,扣10分 .无接地极阻值摇测记录的,扣4分 .无电工巡视维修记录或填写不真实的,扣4分 .档案乱、内容不全、无专人管理的,扣3分 10 / 10 小计 40 3 37 检查项目合计 100 10 90 附件2-12 物料提升机(龙门架、井字架)检查评分表 安表11 序号 检查项目 扣分标准 应得分数 扣减分数 实得分数 1 保证项目 使用登记 .未进行备案登记,扣10分 .安装(拆卸)未进行告知的,扣8分 .未取得使用登记证(牌),扣10分 .无维修、保养制度的,扣8分 .有制度未落实的,扣5分 10 / 10 2 限位保险装置 吊笼无停靠装置的,扣9分 .停靠装置未形成定型化的,扣5分 .无超高限位装置的,扣9分 .使用摩擦式卷扬机超高限位采用断电方式的,扣9分 .高架提升机无下极限限位器、缓冲器或无超载限制器的,每一项扣3分 10 5 5 3 架体稳定 缆 风 绳 .架高 20m以下时设一组,20—30m设二组,少一组扣4分 .缆风绳不使用钢丝绳的,扣4分 .地锚不符合要求的,扣2-3分 .钢丝绳直径小于9.3mm或角度不符合的,扣2分 5 2 3 与建筑结构连接 .附墙杆的位置不符合规范要求的,扣3分 .附墙杆连接不牢的,扣3分 .附墙杆与脚手架连接的,扣4分 .附墙杆材质或连墙作法不符合要求的,扣3分 5 / 5 4 钢丝绳 .钢丝绳磨损已超过报废标准的,扣4分 .钢丝绳锈蚀缺油,扣2—4分 .绳卡不符合规定的,扣2分 .钢丝绳无过路保护的,扣2分 .钢丝绳拖地的,扣2分 5 2 3 5 楼层卸料平台防护 .卸料平台两侧无防护栏杆或防护不严的,扣2—4分 .平台脚手板铺设不严不牢的,扣2—4纷 .平台无防护门或不起作用的,每一处扣2分 .防护门未形成定型化、工具化的,扣4分 .地面进料口无防护棚或不符合要求的,扣2—4分 5 2 3 6 吊 笼 .吊笼无安全门的,扣8分 .安全门未形成定型化、工具化的,扣4分 .高架提升机不使用吊笼的,扣4分 .违章乘坐吊篮上下的,扣8分 .吊笼使用单根钢丝绳的扣8分 10 / 10 7 安装验收 .无验收手续和责任人签字的,扣9分 .验收单无量化验收内容的,扣5分 10 / 10 小计 60 11 49 8 一般项目 架体 .架体安装拆除无专项安全施工方案的,扣5分 .架体基础不符合要求的,扣2—4分 .架体垂直偏差超过规定的,扣3分 .架体与吊笼间隙超过规定的,扣4分 .架体悬高大于6M的,扣8分 .井字架开口处未加固的,扣2分 10 2 8 9 传动系统 .卷扬机地锚不牢固的,扣2分 .卷筒钢丝绳缠绕不整齐的,扣2分 .第一个导向滑轮距离15倍卷筒宽度的,扣2分 .滑轮翼缘破损或与架体柔性连接的,扣3分 .卷筒上无防止钢丝绳滑脱保险装置的,扣5分 .滑轮与钢丝绳不匹配的,扣2分 10 2 8 10 联络信号 .无联络信号的,扣7分 .信号方式不合理、不准确的,扣2—4分 10 2 8 11 卷扬机操作棚 .卷扬机无操作棚的,扣5分 .操作棚不符合要求的,扣3—5分 5 / 5 12 避雷 .防雷保护范围以外无避雷装置的,扣5
展开阅读全文

开通  VIP会员、SVIP会员  优惠大
下载10份以上建议开通VIP会员
下载20份以上建议开通SVIP会员


开通VIP      成为共赢上传

当前位置:首页 > 包罗万象 > 大杂烩

移动网页_全站_页脚广告1

关于我们      便捷服务       自信AI       AI导航        抽奖活动

©2010-2025 宁波自信网络信息技术有限公司  版权所有

客服电话:0574-28810668  投诉电话:18658249818

gongan.png浙公网安备33021202000488号   

icp.png浙ICP备2021020529号-1  |  浙B2-20240490  

关注我们 :微信公众号    抖音    微博    LOFTER 

客服