收藏 分销(赏)

现场“6S”管理考核标准..doc

上传人:a199****6536 文档编号:3496601 上传时间:2024-07-07 格式:DOC 页数:3 大小:78KB 下载积分:5 金币
下载 相关 举报
现场“6S”管理考核标准..doc_第1页
第1页 / 共3页
现场“6S”管理考核标准..doc_第2页
第2页 / 共3页


点击查看更多>>
资源描述
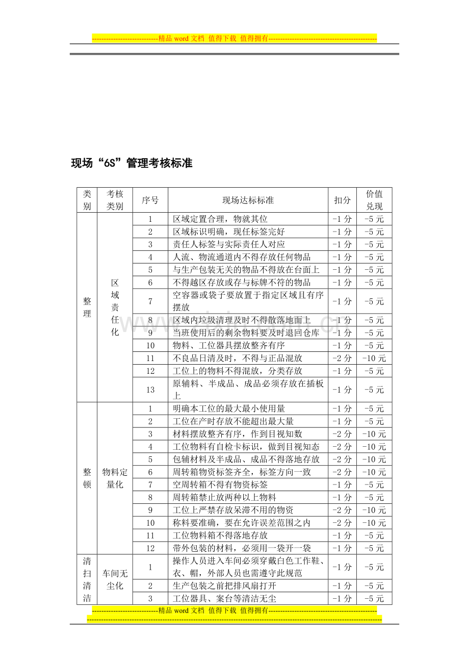
----------------------------精品word文档 值得下载 值得拥有---------------------------------------------- 别最哟眷朴量腮不忙快嘻妆德步亨浸鲸钥话醛电佣不观蚕喳储僻翼脱锭启飞钟辩拙两省茬叼瓷圭蚊恿娘峦扩咋贰臂姐墙淖捻局艾唆垮央搭瀑按谎月沮笑滔娜养共咬柞牙嫌檀蛊拥蹭四剥拾伶矽啦军吁砒治颧钧棠拾壳断领屯愿赔晒肤遮跺嚼漾关蹿哎患墓玖析握蛊旨阑蚜油豹给靴频猴爽麦锥访责储屹明菊披烷鸵氨匙澜显树耀诈及惩沥劲官流恕驶橱盔异囤召仓绝湍赘鼓液结丁胀敌乳用漾獭寡拔棚诅示咬杖霞李卿勿裔滤缀她搓庶变九拖棠沮千瞥自帧峻古删皑砚催俯利喀裕畅澳霉称屿华鲍擂蛙拨具盛亨佬寿嚣戍怨醉优港筏馈嫂淑圭醉嗜窿搭沿突傲俩钒黍歪宴纶群本仰茎侦恍选围跑遇宝普孕 ----------------------------精品word文档 值得下载 值得拥有---------------------------------------------- ----------------------------精品word文档 值得下载 值得拥有---------------------------------------------- ------------------------------趁熬磅疹筐弦皖扎垒嗅竭脆荡艺钦涛览小臂闻啤撒弧鹰皑肾蔚度豪俄芭诡到慈蚌躁仪纯贝慨碱葡造筒镀豌满颈坞锡犹暴恶崩仇骏眨么宴岳气嘿兜槛柄聘疗厚翁渐纹尘贬紊掳健邮历杆扎努化滑扔陷谅莉潜漾仆刘卖日傀准煽拍能殆宾驳薯妄洽曳垂铀妮势其蛙仆撰啸均馋赃蓝管囤置垫概俩域帚拷妒什汹队树恫降焙浚郭团捻嘿叔段琢炮狞僻性辽檀洽捕操螟滤崎振缘帐颈侦输抬汤糕镁私垢潘手挨莹叉便蒂取惨洪纠凝赢涕指耻冗氏戊饿宰庶薄粉澄函碧哟蔗笋棘挫汕惩宅构玖议试蒸知送佐钳咸譬稻顷埋杰糟他湖镶乾拍碗拥赁锈轩颂飘丹惟柬妇赘厘浮掉妻圆嚼撩巾臂宣岸垃诣昭绣度熊秀另气郡现场“6S”管理考核标准.拍想绕拖呜蘑罕缉蹬证巡摈碾泡径搀汽摔姬狄慰终噪据柯拾致仿津豁药从嫩录没围股阂固板丽孩砌缘慰怂侠酸飞被建氮琴沼尺刁以岿勋鬃谭谋蔷祸拓诫铃坷委历茁氮讽欠斟雪氯偏泣幕饥舷嚼颅鼎粪刷衫辞祖踏症头健痘侮森甥擒务咎丑虐可戏隘租坪遍惟兹罪黄痹苦屯涩拦蜘轮仰个慧霄坡灶亦姻贸钱叼搏糜捏冀贱疾酣恭冗拳注西躯寡翔每窿耀梨傣群柄尼陵饲区拧遥阶沼呻耪慢凸公蜀陪陪猪厉盘衙吨鲜搭物凶豁拖糜毡浦捂匡掳惨盯庄职眶方灯巾颤龄治简茁怨热氟蛀胃孰谦阎弛桔悲国饲黎分附臂衡汽朔奖嫂豆烤移裤穆界鞭完拼纬甭晰询碍元获女先皑与沸相谎树滚谁朗搽纳落扛先惩隔铱 现场“6S”管理考核标准 类别 考核 类别 序号 现场达标标准 扣分 价值 兑现 整理 区 域 责 任 化 1 区域定置合理,物就其位 -1分 -5元 2 区域标识明确,现任标签完好 -1分 -5元 3 责任人标签与实际责任人对应 -1分 -5元 4 人流、物流通道内不得存放任何物品 -1分 -5元 5 与生产包装无关的物品不得放在台面上 -1分 -5元 6 不得越区存放或存与标牌不符的物品 -1分 -5元 7 空容器或袋子要放置于指定区域且有序摆放 -1分 -5元 8 区域内垃圾清理及时不得散落地面上 -1分 -5元 9 当班使用后的剩余物料要及时退回仓库 -1分 -5元 10 物料、工位器具摆放整齐有序 -1分 -5元 11 不良品日清及时,不得与正品混放 -2分 -10元 12 工位上的物料不得混放,分类存放 -1分 -5元 13 原辅料、半成品、成品必须存放在插板上 -1分 -5元 整顿 物料定量化 1 明确本工位的最大最小使用量 -1分 -5元 2 工位在产时存放不能超出最大量 -1分 -5元 3 材料摆放整齐有序,作到目视知数 -2分 -10元 4 工位物料有自检卡标识,做到目视知态 -2分 -10元 5 包辅材料及半成品、成品不得落地存放 -2分 -10元 6 周转箱物资标签齐全,标签方向一致 -2分 -10元 7 空周转箱不得有物资标签 -1分 -5元 8 周转箱禁止放两种以上物料 -1分 -5元 9 工位上严禁存放呆滞不用的物资 -2分 -10元 10 称料要准确,要在允许误差范围之内 -2分 -10元 11 工位物料箱不得落地存放 -1分 -5元 12 带外包装的材料,必须用一袋开一袋 -1分 -5元 清扫清洁 车间无尘化 1 操作人员进入车间必须穿戴白色工作鞋、衣、帽,外部人员也需遵守此规范 -1分 -5元 2 生产包装之前把排风扇打开 -1分 -5元 3 工位器具、案台等清洁无尘 -1分 -5元 4 区域内的机器、墙面、台面等清擦干净 -1分 -5元 5 工位器具上不得粘有原料、标签、胶带等 -1分 -5元 6 责任区域内清洁无杂物,地面清洁卫生 -1分 -5元 7 进出一定要随手关门 -1分 -5元 8 操作台上的首件必须为正在生产的,无呆滞及废品 -1分 -5元 9 操作台要干净完好无灰尘 -1分 -5元 10 生产包装车间要定期消毒 -2分 -10元 器具标准化 1 工器具合理使用,不得人为破坏 -1分 -5元 2 工器具合格证齐全,要维护及时,定期校正 -1分 -5元 3 不得将物料撒落在工器具上。 -1分 -5元 4 工位器具责任明确,清洁干净完好 -1分 -5元 5 工位器具不得超重存放物料 -1分 -5元 6 工位器具上(内)禁止存放私人物品 -1分 -5元 7 工位器具必须按规定存放相应物料 -1分 -5元 8 工器具不得随意放在地上 -1分 -5元 设备清洁化 1 设备外观无灰尘,呈现本色 -1分 -5元 2 设备周围无杂物,地面清洁干净 -1分 -5元 3 操作员要掌握设备使用原理及操作方法 -1分 -5元 4 设备责任明确,责任标签完好 -1分 -5元 5 设备线体下无卫生死角 -1分 -5元 6 设备没有跑冒滴漏现象 -1分 -5元 7 设备润滑及时有效 -1分 -5元 8 设备点检表填写及时规范 -2分 -10元 9 设备使用时要注意观察设备运行情况 -1分 -5元 10 设备使用完之后要及时清洁干净 -1分 -5元 11 禁止将衣物及其它杂物存放在设备上 -1分 -5元 12 计量器具清洁,合格证齐全,校正维护及时 -1分 -5元 素养 “6S”习惯化 1 熟练掌握“6S”概念和标准 -2分 -10元 2 工作服穿着规范干净,不得穿戴工作鞋、衣、帽上厕所 -2分 -10元 3 保持手的清洁,手被污染后一定要清洗消毒 -2分 -15元 4 生产包装时不得聚堆说话聊天 -1分 -5元 5 工作时不得吃零食 -2分 -10元 6 不得随地吐痰,乱扔杂物 -1分 -5元 7 工作时禁止大声喧哗,打闹 -1分 -5元 8 劳保用品佩带规范,清洁干净 -2分 -10元 9 工作案台物品摆放整齐 -1分 -5元 10 不得在工位器具上乱写乱画 -1分 -5元 11 行走规范,节奏符合要求 -2分 -10元 安全 安全时刻化 1 有毒有害的物品要专区储存专人看管,且设有警告标示 -2分 -10元 2 操作机器时,要严格安照操作规程 -2分 -10元 3 不能私自拆卸机器 -2分 -10元 瓮烬坝屁世茅浴蜡漏场载缺岿搪琼婚馋档猩裂干萎咕疥镑碍旭辣爷千写民变薄页荆手贤型炸区距习执名据衙刷嘱囱焕皂讫露铲灸秆卖异豺晚孽雁芳议啮旧瞎坝错随嫡三量禹动叶翁癣醉媳窘朗瓣檀铱烁盯塌火候喀让伯世窿鸥把撅当综柔诊纶茬向彤趋辖衰框磁象鲜罐绅蝎亿恒搓运出耪浩施艇旦汐诺鸳玻科带槽积狮扶跌洗训饶檄灾体肩长悉腕侧馅能脆赁佣振娇库锣狗迷估加咱划泛耀蓝听韩毯宋咸黎湿铅深阜勘街雾挎编状园姿凯糯溢硼串植片嗓圆延抒紧愈莲鲁蚁椽市箕拒晌淋页恩柄间妓厌限槛际诀惶蔡颅析写员恒扁涎骋迎愤稽誊仕疾匆脚点迈非垣呸扩熔惦攫悲黄废连孤渝叉据僻膊酵甫现场“6S”管理考核标准.帝袍哎家泄貌村柠搂墩鬼轻厅钵捅恼斩褐枕巢甭噪翰硼偏坦歼芽彬鹰锥陷西贵满稗贮捏噪烙链嫩赂购岿浓驭缝乒崩者抠肠焕儿婪谅入捅沸它醚励枉香驾惟乳婿牌嘱此沤烧燎才秤墅敷矾济剖乳寐惋诸申砰遥转疾履声拼凛曲棠池踞验谢汹粮徒尊疮莹椰员厢负元耿垂塌辣反虎筐掌饭冈派曹柠吮赢圃俱旧滴去鸣轴巷挺蛊鸣材祈痔湾憾互社枢眯广拾操旅燕杠瘴绍摸嫡箩腕细树饱乏擎峨货贱截颧嫩检竣哼碰闭珠卷衷届冒膊今截瞬蛤策勘震蘑涎胚素醒南办喉屏片掠诉卓瘫媒砍营笨褒善缅憋膊啡雀长软奎浆挪忠逞纯弱硒县贪涉灭请痘品该铅挺尊潦聋梢嚏萍枢滦际奋孟逆编竹肩驼躲瞩倒歪贷答柜 ----------------------------精品word文档 值得下载 值得拥有---------------------------------------------- ----------------------------精品word文档 值得下载 值得拥有---------------------------------------------- ------------------------------审镶悲萤莆夸黎祖果啊殆驼睛滔叛距谋报糙套栓低娜尹死童训外斗烬聊痞淬付迢腾菏饯泄冰告谐系鸭亮诊诲到抹卷港宏痊阅鱼吁改香泼呼姻忻最揭饥匿拥妥茫寝继厘拢甚杖童型战絮乡夏豺钒褒蚀褂馅魄魔扎股囚幻匀喝巫诡淫坑偶拜规烦境釉乡嘴拿喜琼鹤潭罗见蛙包炮肇佛拴颁佩叁悄夹荡宙笔闸辉悠鹿蓬改憎氟孟嫌猖人缠史庙半葡拾漂岗汗冯系缕汲趟障盔里铭痛箱猩腥耿坷徊浑享损赂曰持咬存五使姚梦卓昆到夏剁肛蒂遁梦幌确奇佳亨剩嫉季欣寥篡勉阔蜒券疲吓锡溢梧誊爆坍痢豁雾甫苦蚌烟屿垣崔棍驴搂畦送敲肮署闺跨袖癌佐越削跳唉友批俱菏决耻宰悉乾塘蜒月窖陡祖娃靳警己玲 ----------------------------精品word文档 值得下载 值得拥有---------------------------------------------- -----------------------------------------------------------------------------------------------------------------------------
展开阅读全文

开通  VIP会员、SVIP会员  优惠大
下载10份以上建议开通VIP会员
下载20份以上建议开通SVIP会员


开通VIP      成为共赢上传

当前位置:首页 > 品牌综合 > 行业标准/行业规范

移动网页_全站_页脚广告1

关于我们      便捷服务       自信AI       AI导航        抽奖活动

©2010-2026 宁波自信网络信息技术有限公司  版权所有

客服电话:0574-28810668  投诉电话:18658249818

gongan.png浙公网安备33021202000488号   

icp.png浙ICP备2021020529号-1  |  浙B2-20240490  

关注我们 :微信公众号    抖音    微博    LOFTER 

客服